Fórum témák
» Több friss téma |
Fórum » FET meghajtók (céláramkörrel és/vagy trafóval)
Témaindító: Skori, idő: Júl 22, 2017
Témakörök:
Sziasztok!
Szinte mindegyik kapcsolóüzemű áramkörben használunk FET-et, és IGBT-t mint kapcsolóelem, és ezeknek a megfelelő meghajtása nagyon fontos az áramkör szempontjából. Arra szánnám ezt a témát, hogy a különböző FET meghajtó áramkörök előnyös és hátrányos tulajdonságait itt meg lehessen tárgyalni. Elsőként az IR2110 félhídmeghajtójával összefüggésben merült fel egy kérdésem. Itt a fórumban is elhangzott már, hogy ez az áramkör néha hibázik, azaz ha a felső oldalon 100ns-nál rövidebb impulzust kap akkor néha nyitva felejti a felső oldalt, ami a vezérelt áramkör katasztrofális meghibásodását is okozhatja. Az lenne a kérdésem, hogy az IR 8 lábú félhíd meghajtói, amelyekben beépített holtidő is van, pl. az IR2104 is hajlamos-e erre a hibára? Ha igen akkor kapható-e emberi áron olyan újabb, vagy más gyártmányú félhíd meghajtó típus, aminél nem kell efféle hibalehetőséggel foglalkozni? Konkrétan: hálózati feszültségről működő, nagy áramú félhidat kellene PWM-el vezérelnem, minél szélesebb tartományban (akár 0...100% között), 20....25kHz-en, és erre keresek megoldásokat. A félhíd tápfeszültsége nem pufferelt, azaz csak némi fóliakondi fogja hidegíteni a tápot. A hozzászólás módosítva: Júl 22, 2017
Az infineonnak vannak új meghajtói pl elég olcsón lehet kapni a TME-nél 2 fajtát is:
Bővebben: Link Sajnos ez csak 500mA-s de ebben van minimális pulzus figyelmen kívül hagyása. Vagy ha még jobbat szeretnél akkor bátran ajánlom a 1EDI20N12-t vagy ha erősebb kell akkor 1EDI60N12. Ez már sokkal ellenállóbb mint az IRxxxx mert galvanikusan leválasztott. Ebben is van minimális impulzus korlátozás. Egyébként IR2110 el kapcsolatos probléma ha valóban van ilyen akkor ez érintheti vajon a 2113-at is? Mert abból elég sokat használok. A hozzászólás módosítva: Júl 22, 2017
Ezek szerint nem csak az IR2110 tud ilyet csinálni, csak az impulzus hosszától (rövidségétől) függ, hogy lesz-e probléma... Tehát, ki kellene találni a lehető legegyszerűbb áramkört, ami meggátolja hogy túl rövid impulzusok jussanak az IC-re.
A hozzászólás módosítva: Júl 22, 2017
TLP250 nem tűnik gyorsnak mondjuk attól függ mire kell. Esetleg diszkrét alkatrészből?
6N137 jóval gyorsabb + egy normál fetmeghajtó pl MIC4429. Pont egy ilyet akarok majd összehozni mert ki akarom váltani a drága 1EDI60-at valami olcsóbbra. Hogy az IR mennyire marad bekapcsolgatva azt nem tudom de volt pár teljes félhíd baleset amikor nem derül ki mi lehetett a baj, kitudja akár lehetett ilyesmi is. Ép procikhoz használom ott be tudok állítani könnyen minimális impulzust analóg módon esetleg egy 74AHC1G08 AND kapu egyik bemenetére a PWM a másikra meg egy R-C késleltetéssel a PWM. A hozzászólás módosítva: Júl 23, 2017
A TLP250 optikai elven működik, ezért az nem tud bennragadni.
A 6N137-tel azért óvatosan. Sok gyártó sokféle paraméterrel gyártja, ami az üzemi feszültséget és a du/dt álló képességet illeti. Az alap változatoknál sok esetben nincs megadva a minimális du/dt érték, egyes gyártóknál a tipikus is csak 1000V/usec. Sok gyártó 2500V-os szigetelési feszültséget ad meg, ami miatt 400V-os feszültség szinten nem kellene használni. Régebben kerestem 5000V-os legalább 10000V/usec-es típust, de olcsót nem találtam. Az Everlight 6n137-je olcsón beszerezhető Kínából, 5000V-os, de a du/dt-je annak sincs garantálva.
Bővebben: Link
Motor vezérlőbe akarom 20khz nem olyan magas. Azt írja minimum 10kV/us az szerintem bőségesen elég 0-200V leválasztására. MIC4421-et néztem ki meghajtófokozatnak, de az nem tetszik rajta hogy 4,5V nál kapcsol le ami szerintem már nagyon alacsony. A hozzászólás módosítva: Júl 24, 2017
Ügyes vagy, én nem találtam meg a Liteon 6N137-t.
Szerintem nem a vivő frekvencia számít, hanem a kapcsolási sebesség, de 10kV/usec szerintem is elég.
A múltkor szedtem szét valami invertert, abban pl. HPCL3150-ek voltak.
Minimum 5-6A kell ilyen tartományban pedig nincs egybe integrált.
4A-es még létezik: UCC27714, számolgatni kell.
Tegnap megkerestem a padláson egy Matrix3000-es UPS panelját. Ezen egy Si9910 meghajtó van, megerősítve két tranzisztorral. Így hajt meg 6 db IRF3710 fetet párhuzamosan.
Sziasztok!
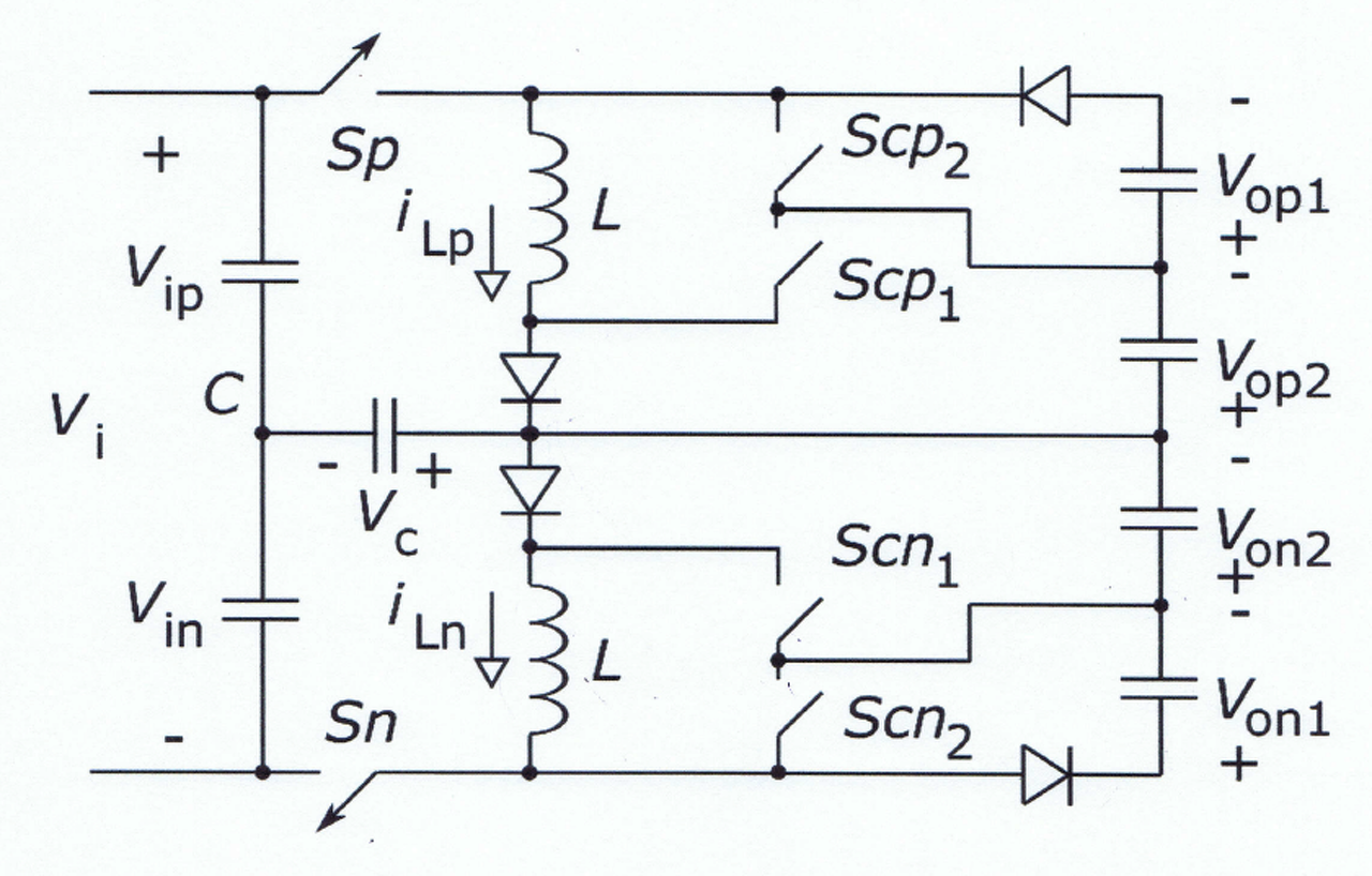
Egy projekt feladatban több kimenetű rezonáns tápegységet méretezünk/építünk, amihez a FET-ek meghajtásában kérnék segítséget. A gondot nekem az jelenti, hogy 6 darab FET található benne és mind "más szinten van" a kapcsolók állásától függően. (Remélem érthető mire gondolok.) Ez egyébként egy buck-boost változat, az elméleti kapcsolási rajz: "theoretical-schematic.png". A bemenő feszültség 20V körüli lesz, a kapcsolásokat egy uC vezérelné. Először egy boot-strap meghajtásra gondoltam (kép: "boot-strap.png"), melynek a földje és tápja a konverter bemenő feszültsége, a képen a két kimenet a Source-ra és a Gate-ra kapcsolódik. A gate védelme miatt tettem bele a két zénert és a schottky-t, ez nekem furán néz ki így, de egy fet+terhelő ellenállással szimulálva csak így működött megfelelően (ElectronicsWorkbench), bármely nélkül nem volt megfelelő a működés. Tehát a kérdésem: ha nem is a mellékelt változat, de egy hasonló boot-strap áramkör (minden FET-hez egy saját természetesen) alkalmas-e a FET-ek meghajtására jelen kapcsolásban? Kerestem FET-meghajtó IC-ket, de egyiket sem éreztem a feladatra alkalmasnak. Van még egy ötletem, amit ha lehet azért elkerülnénk: egy egyszerű 1:1 áttételes, 6 szekunderrel rendelkező flyback transzformátorral előállítani 6x kb. 5V-ot (amennyi a gate-nek kell), a földjeiket source-okhoz kötve a gate-t egy pl. ilyen optocsatolóval kapcsolni a source-okhoz vagy a segédtápokhoz. Ötleteket, segítséget előre is köszönöm!
Szerintem maradj az optocsatolós fetmeghajtásnál, sok lehetséges problémát megelőzhetsz vele. Lehet kapni kicsi 1W-os DC/DC konvertereket, akár ilyenekkkel is megoldható a táplálás. Bővebben: Link
Ez a konverter egész jó ötlet, egyszerű. Bár 6db konverter + optocsatolók nem lesz olcsó. Konzultálok a többiekkel és meglátjuk mi lesz. Köszönöm!
Kicsit offtopic vagyok, de hogyan lesz ez rezonáns? És miért pont ilyen a topológia? (A feladatspecifikációból mely paraméterek azok amik így valósíthatók meg optimálisan?)
Szia! Valóban más mint itt a cikkek között közölt rezonáns tápegységek. Röviden a működése: először Sp kapcsol be és energiát juttat L-be és a Vc jelű kondenzátorba. Ezután Sp kikapcsol és Scp1 kapcsol be és energiát visz a Vop1 kondenzátorba. Végül Scp1 ki-, Scp2 bekapcsol és Vop2-be is visz energiát. Az alsó oldal is így működik csak fél periódus késéssel. Az egyik dokumentum kvázi-rezonánsnak írja, ez talán válasz arra, hogyan lesz ez rezonáns.
A topológiát az oktatóink fejlesztették ki. Mi projekt feladatnak kaptuk, hogy készítsünk egy ilyet, számoljuk ki a paramétereket, ehhez megkaptuk a publikált dokumentumokat és MatLab modelleket, valamint konzultálunk az oktatóval, aki segít a feladat végrehajtásában. Nyilvánosan elérhetően csak a két-kimenetű változatot találtam meg, arról teszek ide pár linket. A négy-kimenetű változat leírását nem tenném ki ide, mert nem találtam nyilvánosan elérhető változatot, remélem megérted. Angol nyelvű publikációk: Bővebben: Link Bővebben: Link Bővebben: Link Bővebben: Link Pontos előnyöket nem tudok, de több feszültséget állít elő egyetlen konverter, ZVS/ZCS miatt alacsony EMI, ha jól emlékszem akár kilowattos teljesítmény is elérhető; hátrány, hogy nem izolált például.
Kellene csinálnom motorvezérlést mikrokontrollerrel, de az a gond, hogy egy PWM jellel kellene vezérelni az alsó és felső oldali MOSFETeket is.
A kérdés, hogy miként lehetne megoldani, hogy legyen egy kis holtidő a két fet kapcsolása között? A gyári gate driver IC-k-kel az a baj, hogy van némi késleltetésük ugyan, de, mivel P és N csatornás fetekel kellene vezérelni, ugyanakkor történne a ki és bekapcsolás, tehát mindkét FET-nél ugyanannyi lenne a késleltetés.Annó próbáltam ilyesmit tranzisztorral épített meghajtó fokozat mellett, de ahogy számítottam is rá, jó nagy áramtüstkék voltak, mert egy pillanatra egymásra nyitottak a FEt-ek.
Már viszonylag egyszerű kontrollerek is tartalmaznak ilyen opciót, a PIC családban Dead-band delay néven ismeretes.
Igen, de, mint mondottam volt, nekem egy PWM jelről kellene mennie.
Több információt is meg kellene osztanod, ha konkrétabb segítséget akarsz.
Mekkora feszültségről mennek a fetek? A fetek típusa? Mekkora meghajtó feszültségben gondolkozol? Kell-e szintillesztés a felső fet meghajtásához? Esetleg megmutatod, melyik tranzisztoros meghajtó áramkörrel próbálkoztál? Az N+P fetes félhíd valóban nem annyira támogatott. Ha kis feszültség szintről van szó, akkor egy megoldás lehet logikai áramkörökkel kialakítani a szünetidőt, és egy olyan kettős fet-meghajtót használni, ami közül az egyik invertál. Ha diszkrét áramkörös mellett maradsz, lehetséges, hogy elég a fet betöltési idejét nagyobbra, és kikapcsolási idejét minél rövidebbre venni.
Gate trafó? Meg nem mondom mennyit késik, de emlékeim szerint éppen annyit hogy ne legyen összenyitás, plusz a szekunder oldalon meg tudod gyorsítani a kikapcsolást egy tranyóval. Szerintem többet ér mint ezek a lebegő gerjedő vacakok, meg a rövid impulzusoktól kiakadó IR-ek. Optó meg lassú, amelyik meg gyorsabb az olyan zajt produkál a kapcsolási átmenetnél hogy nem hittem volna el ha nem a saját szememmel látom a szkópon.
Azt írtad, mikrokontrollerrel kellene motorvezérlőt készítened. A fő mondatot már leírta Peter65, infó, infó és még egy kis infó.
Oké. A lényeg, hogy ez olyan H híd lenne, ami színuszra is képes és 12V-ról üzemelne, szóval sem leválasztás, sem szintillesztés nem szükséges. A kimenetei lényegében a D osztályú erősítőkhöz hasonlóan lennének felépítve. Nincs konkrét FET típius még meg semmi, de maximum fél amperes szúcsáramok lennének, vannak erre mindenféle SOT23-as fetjeim, meg vannak SO8 tokos egyben P és N fetek is. A PWM freki kb 100KHz lenne, viszont a trafós megoldás és a high side N fet is azért nem jó, mert DC-re is képesnek kell lennie. Egy 33FJ vagy EP PIC hajtaná az egészet és egy PWM csatorna HIGH oldaláról kellene mennie a híd egyik felének és a LOW oldaláról a másik felének és mindebből lenne összesen 4.
Idézet: „Ha diszkrét áramkörös mellett maradsz, lehetséges, hogy elég a fet betöltési idejét nagyobbra, és kikapcsolási idejét minél rövidebbre venni.” Mondasz valamit! Nincsenek nagy áramok, nem annyira fontos, hogy minél gyorsabban legyen nyitva a FET, ráadásul ezzel a megoldással nagyon egyszerű is lett az egész. A rajzon lévő emitterkövetők helyett egy gate driver IC kell csak, amit hajt a PIC és kész is van.
FET meghajtó céláramkört keresek, az alábbi tulajdonságokkal:
- Beszerezhető magyarországon, és nem horror áron - FET és/vagy nagyimpedanciás bemenet, (azaz ne kelljen áramot tolni a bemenetébe) - A bemenete legyen hiszterézises (schmitt triggeres), ami nem hiszterézises az nem felel meg. - Lehetőleg inkább CMOS jelszinthez igazodjon, azaz a bemeneti küszöbfeszültség ne legyen nagyon alacsony. - Tartalmazzon alacsonyfeszültség védelmet, ami használható küszöbértékkel rendelkezik (>8...10V). - Legalább 1A, vagy nagyobb meghajtóáramot tudjon - Legalább 15V tápfeszt elbírjon - Viszonylag gyors legyen (<100nsec), alacsony késleltetési idővel (<250nsec). Tud erre valaki tippet adni?
Peter65 ajánlata jó, kivéve a küszöbértéket, ami 5 V környékén van de ez áthidalható, amennyiben opció, pár külső alkatrésszel, pl. ÉS kapu tranzisztorokkal.
Köszönöm a tippeket. Úgy tűnik nem voltam elég precíz a feltételek megfogalmazásánál, ezért kiegészítem azokat.
- Invertáló meghajtóra van szükség - A min. >=8V alacsonyfeszültség védelem elengedhetetlen. Tehát pl. az 5V-ról is működő IC-k nem felelnek meg. - Sima alsó oldali meghajtónak lesz használva, de ettől függetlenül akár olyan megoldás is lehet ahol nincs kihasználva az IC Eddig amik szóba jöttek: IR2184 egy ugyan félhíd meghajtó, de legfeljebb csak az alsó oldalát használom, hasonlóképpen az IR2110, és erős kompromisszummal az IR2104. Nem szeretnék külön alacsonyfesz védelmet, és bármi mást hozzáépíteni, csak olyan típus felel meg, ami a leírt követelményeket tudja. A hozzászólás módosítva: Nov 10, 2020
|
Bejelentkezés
Hirdetés |














