Fórum témák
» Több friss téma |
Fórum » T-amp végfokok
Témaindító: patrik1995, idő: Jún 1, 2011
Témakörök:
Az NE5532 jelerősítő és végfok-meghajtó.
A hiányzó 56V-os táp lehet fóliaszakadás, csatlakozó vagy az előző hozzászólásomban említett dióda hiba. Egyszerűen kövesd le a pufferkondenzátorokról!
Hello!
A segítségeteket szeretném kérni T.amp e400 -ról valami vélemény? Mert ár/erősítés arányban nem rossz, hallottam már jót a t.amp-ról, vagy inkább castone cpa300 (topládát hajtana).
Helló Mindenkinek!
Én nemrég vettem egy t amp e800-at és azt olvastam hogy nem árt neki ha beleteszek még pufferkondikat.Most (gyárilag) 4x10000uF63V van benne és ezzel a mélyeket nem anyira szépen adja nagyobb hangerőnél Azt szeretném kérdezni hogy kb még mennyi kondit lehet belerakni? (van itthon 12 darab 10000uF63V-os ezeket szeretném beépíteni de attól félek hogy így együtt a 16-nak túl nagy lessz az indulóárama és lesütik a biztiket meg a diódahidat)Szerintetek is ez történne vagy simán elvinné? A hozzászólás módosítva: Jan 10, 2014
Nekem volt E800-asom semmi baj nem volt a mélyeivel sőt.. Lehet a ládádba kellene keresni a hibát.
Üdv Nektek! Vannak TA3200-as végfokaim, és a limiterüket szeretném lejjebb állítani, elég vadak. A TA2400-as-ban egy-egy potival lehet állítani a hangerőszabályozó panelon, de a 3200-asokban valahol máshol lehet, ebben kérnék segítséget. Remélem van még ilyen készüléke valakinek és véleményeket is szívesen várok róla..
Zsiasztok . van egy TA 600-om , és ha mindkét oldalra adom a hangot akor az egyik oldala halkul , de ha csak egyik oldalra adok hangot tökéletesen szól mind két oldala , mi lehet a probléma .
üdv
Tudna segíteni valaki hogy a T.amp e400-as CN603 csatlakozóba milyen értékű, az R620-as ellenállás vagy termisztor való,hővédelem részére,illetve a ventilátor honnan kap feszültséget.????? Ha tud valaki egy jól kivehető dobozképet küldeni a vezetékek helyéről.. Van egy 400-om és szeretném bedobozolni eredeti formában,de én már csak darabokban kaptam Köszönöm előre is a segítséget..
Hali, van egy E-800-as végfokom, és nagyon idegesít az az energiatakarékossági dolog....kb. 5 perc után pirosra vált a led, és készenlétre kapcsol...jelszintre visszakapcsol....valahogy kilehet ezt iktatni?
Köszi
Sziasztok!
Volna egy T amp e800 as végfok. Az a kérdés, hogy megfelelne e egy sub meghajtására hídba kötve? (A régebbi szériáról volna szó.) Mennyire jók ezek az erősítők a mély tartományban?
Szép napot mindenkinek!
A t.amp TA2400 és TA3200 rajzát keresem. Tudna valaki segíteni ebben? Köszönöm előre is! István
Mellékelem a t.amp ta2400as rajzat, neve nem az, de teljes mertekben megegyezik, ez alapjan javitottam a sajat vegfokomat, es megkapta az 5.par vegtranyot is. A ta3200 ase engem is erdekelne.(Kicsit erdekesen van meg, de ha kinyomtatod atlathato)
Sziasztok . Kis segítséget szeretnék kérni olyantól aki esetleg javítot T-amp1050 et. Problémám az lenne . Javítás útán, a javított csatornának 2 x akkora bemenő jel kell a teljes kivezérléshez
És a clipp led se villan meg .mikkor már szőgesedik a jel. Kérdésem ennek hol lehet útánnaállitani ? Előre is köszönöm asegítséget.Bővebben: Link A hozzászólás módosítva: Jan 16, 2017
Hali!
Pontosan ilyen problémám/gondom volt egy t-amp 1050 es el. (így vettem) Az erősítő mindig és mindig topikban, 883. oldaltól indúlt a témám, olvass vissza. Gyönyörűen megoldottuk a segítőkész fórum társakkal.
Hello mindenkinek.
Segítség kellene. Van egy tamp ta1400 végem. Hibás az egyik oldal. Vagyis pontosabban csak a védelem hibás. Maga a végfokrész jó. Kikerűlve a védelmet szól rendesen szépen. Mint kiderítettem a relé nem kap áramot (24v) A hőbiztosítékok jók. A védelemben mindenalkatrész jó. Viszont nincs tápellátása. Képet csináltam . Valakinek ötlet? A hozzászólás módosítva: Márc 23, 2017
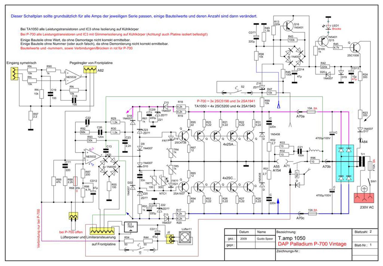
Szia! Gyanítom, hogy arra a csavarra jár ez is mint DAP Palladium, mellékelem a rajzrészletet.
A pozíciószámok eltérhetnek, de a panel szélén a 430Ω-ok mintha stimmelnének. Nézd meg van-e feszültség a rajz szerint D25 Zeneren. A hozzászólás módosítva: Márc 23, 2017
Köszi a gyors választ. Holnap megnézem,és írok.
Mértem a diódát. Van rajta fesz. 27v körül .
Nézd meg a BRID2 tranzisztor állapotát kollektor-emitter, bázis-emitter feszültség alapján, hogy nyitott, vagy zárt állapotban van-e. Úgy nézem, ha nincs kimeneti DC hiba, akkor le kéne zárjon, a bázis-emitter feszültség 0V, vagy legalábbis kisebb mint 0,4V.
Megvan a hiba
)))))Köszi a segítséget. A z50 zener bióda volt a ludas. 7.5 v Kivettem.dióda mérővel jónak tűnt.eggyik oldalra zár másik oldalra 750 körüli értéket mutat. Ez igy már sok. Csere. Működik. Felemás volt a 2n5401 tranzisztor is .cseréltem azokat is. Most már kapcsol. Köszi mégegyszer.
Az jó, ha meglett. A rajz sajnos elég felületes, sokáig méregettünk volna.
Az R 87 értéke nem jó a rajzon. 150 ohmnak kell lennie! ez volt a gond.
A hozzászólás módosítva: Márc 30, 2017
Üdvözlöm az urakat! Lenne egy T AMP 2400 asom az egyik oldala nem kap jelet! Szolt elkezdett csattogni aztán megált. A kivezérlés jelző sem mutatt semmit pedig jel megy. Tudna valaki tanácsot adni vagy egy jó szakembert ajánlani aki megnézzné?! Előre is köszönöm
Üdv mindenkinek.
Tudna valaki abban segíteni, hogy a T. amp 2400-es végfok limiter pontját hol találom. Ugyanis 4 ohmon nagyobbat szól mint 8-on. Illetve, hogy lehetne - e egy oldalt 4 ohmon terhelni, vagy esetleg így valami károsodhat. A választ előre is köszönöm.
Üdv! A csatornák terhelhetők 4 Ω-mal, Bővebben: Link
Azt értem, de hogy csak az egyik oldalt hajtani 4ohmon, a másik oldalt meg terhelés nélkül hagyni.
Az egyik csatorna nyugodtan maradhat terheletlenül, persze vezérlő jelet se adj arra az oldalra!
A kérdésedhez hogyan kapcsolódik a limiter és a 8 Ω?
Köszönöm a gyors választ: Oldalanként 1db 8ohmos beyma 18g550 nem tudom be klippeltetni, a hangszórók kilengése kB 1,5 - 2 cm lehet. Ha 1 oldalra teszek 2 db-ot akkor sokkal nagyobbat szól (kb 3-3,5cm mozgása van. Ezért akartam a limiteren állítani.
|
Bejelentkezés
Hirdetés |




Azt szeretném kérdezni hogy kb még mennyi kondit lehet belerakni? (van itthon 12 darab 10000uF63V-os ezeket szeretném beépíteni de attól félek hogy így együtt a 16-nak túl nagy lessz az indulóárama és lesütik a biztiket meg a diódahidat)




)))))





