Fórum témák

» Több friss téma
Fórum » Muzeális készülékek-alkatrészek restaurálása
Lapozás: OK   461 / 585
(#) _BiG_ válasza zolika60 hozzászólására (») Okt 27, 2017 /
 
Akkor ez is megoldva, köszi a kérdező nevében is.

szepi003:
Javallatom: az ellenállás végeinél, ahova a bilincs jön, az ellenálláshuzalt közvetlenül, szorosan, damil nélkül kéne tekerni, jó pár menetet, az érintkezés miatt. Ne csak úgy át legyen dugva a drót, oszt' jó'van az úgy...
(#) _BiG_ válasza szepi003 hozzászólására (») Okt 27, 2017 /
 
Hobbyjaninak válaszolva írtam neked megoldási ötletet.
(#) em válasza hobbyjani hozzászólására (») Okt 27, 2017 /
 
Ez szigeteletlen huzalból készülhet. A menetek között távolságot kell tartani. Például lehet úgy tekercselni, hogy a huzal mellé egy másik, távtartó huzalt tekerek. Így szép egyenletes lesz a térköz. Végül ezt a távtartó huzalt letekerem. De szerintem szemre is megy ez.
Valaki javasolta nekem, hogy célszerű 1375 Ohm-ra választani, mert 230V van. Ha 9m dolgozik, akkor 152 Ohm/m huzal kellene, 0.15mm átmérőjű manganin.
számolni könnyen lehet itt: http://skory.gylcomp.hu/tablazatok/huzal.html
A hozzászólás módosítva: Okt 27, 2017
(#) granpa válasza em hozzászólására (») Okt 27, 2017 /
 
Én inkább Kanthalból csinálnám, mert a hőterhelhetősége jobb, mint a manganinnak (ez nem való meleg-ellenálláshoz). Nagyobb fajlagos ellenállás, -átmérő, rövidebb huzal, könnyebb elkészíthetőség.
(#) Szikravadasz válasza Vales hozzászólására (») Okt 27, 2017 /
 
Nahát, ilyen apró részletből...
(#) Kera_Will válasza Szikravadasz hozzászólására (») Okt 27, 2017 /
 
Egy ekkora "villanyrezsót" nehéz lehet elfelejteni ....
Hol voltak akkor még a "ződek" ... meg hatásfok ?! ... A teljes energia felvétel nagy részét azon az ellenálláson fűtötték el az 1 2 W szobahangerő elérés érdekében . Lehet hogy egyszerűbb " olcsóbb " lehetett mint tényleges trafót tekerni hozzá.
Habár ha hiány gazdaság is volt, akkor abból készült ami éppen volt eszköz a raktárban.
(#) em válasza Kera_Will hozzászólására (») Okt 27, 2017 /
 
Akkor még volt egyenáramú hálózat, ott nem lehetett hálózati trafót használni...
(#) Kera_Will válasza em hozzászólására (») Okt 27, 2017 /
 
EDISON nagy örömére ... valóban akkoriban eléggé vegyes volt az villamos energiaellátási környezet.
(#) praxis válasza hobbyjani hozzászólására (») Okt 27, 2017 /
 
Ha van vasutas biztberes ismerősöd, ott sokféle huzalellenállást használnak, valamelyik huzal biztosan megfelelő lenne a számodra.
(#) praxis válasza praxis hozzászólására (») Okt 27, 2017 /
 
Elnézést, szepi003-nak címeztem volna.
(#) hobbyjani válasza Kera_Will hozzászólására (») Okt 27, 2017 /
 
Kondenzátorral jobb lett volna a megoldás,_valahogy úgy, mint a ledLED-es izzóknál,_és nem lett volna kávéfőző belöőle._Aztán a röhelyj az egyenes vevő,_amit már abban a korszakban már csak az uúttörők és amatőrök épiítettek,._Llegelőször, mikor megláttam egy ilyen rádiót,_azt hittem ,_hogy valamilyen épiítő kit a játéküzletből._És méghozzá Orion,_abboól a korszakboól,_mikor már a Pacsirtát gyártották.
A hozzászólás módosítva: Okt 28, 2017
Moderátor által szerkesztve
(#) BarnaPili válasza hobbyjani hozzászólására (») Okt 27, 2017 /
 
A kondis megoldás az egyenáramú hálózaton nem igazán működött volna.Így univerzális lett.Az energia nem veszett el,mert fűtötte a szobát.
(#) _BiG_ válasza hobbyjani hozzászólására (») Okt 28, 2017 /
 
Anno, a Tihany (vagy a Badacsony?) rádiót ilyen kitként árulták is, hogy az ifjúság tudjon játszadozni.
(#) szepi003 hozzászólása Okt 28, 2017 /
 
Sziasztok. Kösszönöm mindenkinek a tanácsát,ugy néz ki, hogy kapok egy belevaló eredeti ellenállást.Ha összejön akkor a tekercselést megúsztam. Mégegyszer köszönöm mindenkinek a segítségét. üdv szepi003
A hozzászólás módosítva: Okt 28, 2017
(#) szepi003 hozzászólása Okt 28, 2017 / 1
 
sziasztok .Van még egy rádióm amit nem tudok beazonosítani.Sajnos nincs meg a dobozza a képeken látható kinézetű.Táskarádió méretű,hátha valaki felismeri a képek alapján.
(#) Gafly válasza szepi003 hozzászólására (») Okt 28, 2017 /
 
Idézet:
„amit nem tudok beazonosítani”

Szedett-vedett házi tákolmány
Ami nem baj, mert pont ilyen másnak biztosan nincsen
De nem értek hozzá...

Azért az alsó része még lehetett valamikor valami.
Egy levegős egyenirányító cső az van benne.
Forgóból hiányzik legalább egy golyó.
Hangszóró meg nem látszik.
A hozzászólás módosítva: Okt 28, 2017
(#) hobbyjani válasza szepi003 hozzászólására (») Okt 29, 2017 /
 
Attól függetlenül,hogy amatőr készitmény,még lehet egy szép példányt restaurálni belőle,ilyen még volt ebben a topicban,rádión kivűl emlékszem még egy szignálgenerátor is,és nem kommentált senki,úgyhogy bátran nekiálhatsz és elsősorban készits neki egy szép dobozt,ahogy kinéz,ez egy klasszikus szuper ,a forgót ki kellene cserélnni,ezt nehéz javitani,azt hiszem az egyencső is levegős,sok sikert a felújitáshoz.Egy amatőr rádió is lehet múzeális
A hozzászólás módosítva: Okt 29, 2017
(#) szikorapéter hozzászólása Okt 29, 2017 /
 
Sziasztok. R-311-es készülék kis problémájával fordulnék hozzátok. Tápfeszültség okés (2,55V) vibracső megy (hangja van) , a rádió előlapján mérve a 2,5V mindenhol megvan,viszont a 80V-os kivezetése mindössze 5V-ot mérek az is erősen ingadozik. Mit nézzek át először?
(#) Janó bácsi válasza szikorapéter hozzászólására (») Okt 29, 2017 /
 
Meg kell próbálni külső tápról. Ha úgy megy akkor általában hibás a vibrátor, attól hogy rezeg, még nagy lehet a belső ellenállása a beégett érintkezők miatt. Szét kell peremezni és az érintkezőket "jusztírozni" kell, vagyis finoman le kell csiszolni. Erre a legjobb szerszám egy vekkeróra rugójából köszörült finom reszelő. Lehet viszont, hogy utána újból be kell állítani az érintkezőket. Babra meló.
(#) szikorapéter válasza Janó bácsi hozzászólására (») Okt 29, 2017 /
 
Szia, külső tápról kiválóan üzemel, a saját tápja hibás sajnos. A vibracső lehet a gondja ezek szerint?
(#) Janó bácsi válasza szikorapéter hozzászólására (») Okt 29, 2017 /
 
Igen
(#) szikorapéter válasza Janó bácsi hozzászólására (») Okt 29, 2017 /
 
Szétszedtem a vibracsövet, az egyik érintkező erősen korrodált, kissé égett is. Minden esetre 5-6x áthúzom rajta az 1000-es csiszolót minden érintkező pogárcsáján.
(#) Janó bácsi válasza szikorapéter hozzászólására (») Okt 29, 2017 /
 
Tapasztalatból tudom, hogy nem jó a csiszoló papír. Kell csinálni egy kis csiszoló, reszelő szerszámot a képek szerint. Én is a postásoktól lestem el, még crossbár időkben. Ezzel szoktam kireszelni tisztítani a relé érintkezőket.
(#) szikorapéter válasza Janó bácsi hozzászólására (») Okt 29, 2017 /
 
Rendben,akkor először a szerszámot készítem el,aztán javítok. Köszönöm a válaszokat.
(#) szepi003 válasza hobbyjani hozzászólására (») Okt 30, 2017 /
 
Szia. Köszönöm a válaszodat, én is valami olyan dobozt gondoltam amit kivűlről is látható.Amit Janó bácsi csinált.De előtte működésre kell birnom.üdv szepi003
(#) fgyj hozzászólása Okt 30, 2017 /
 
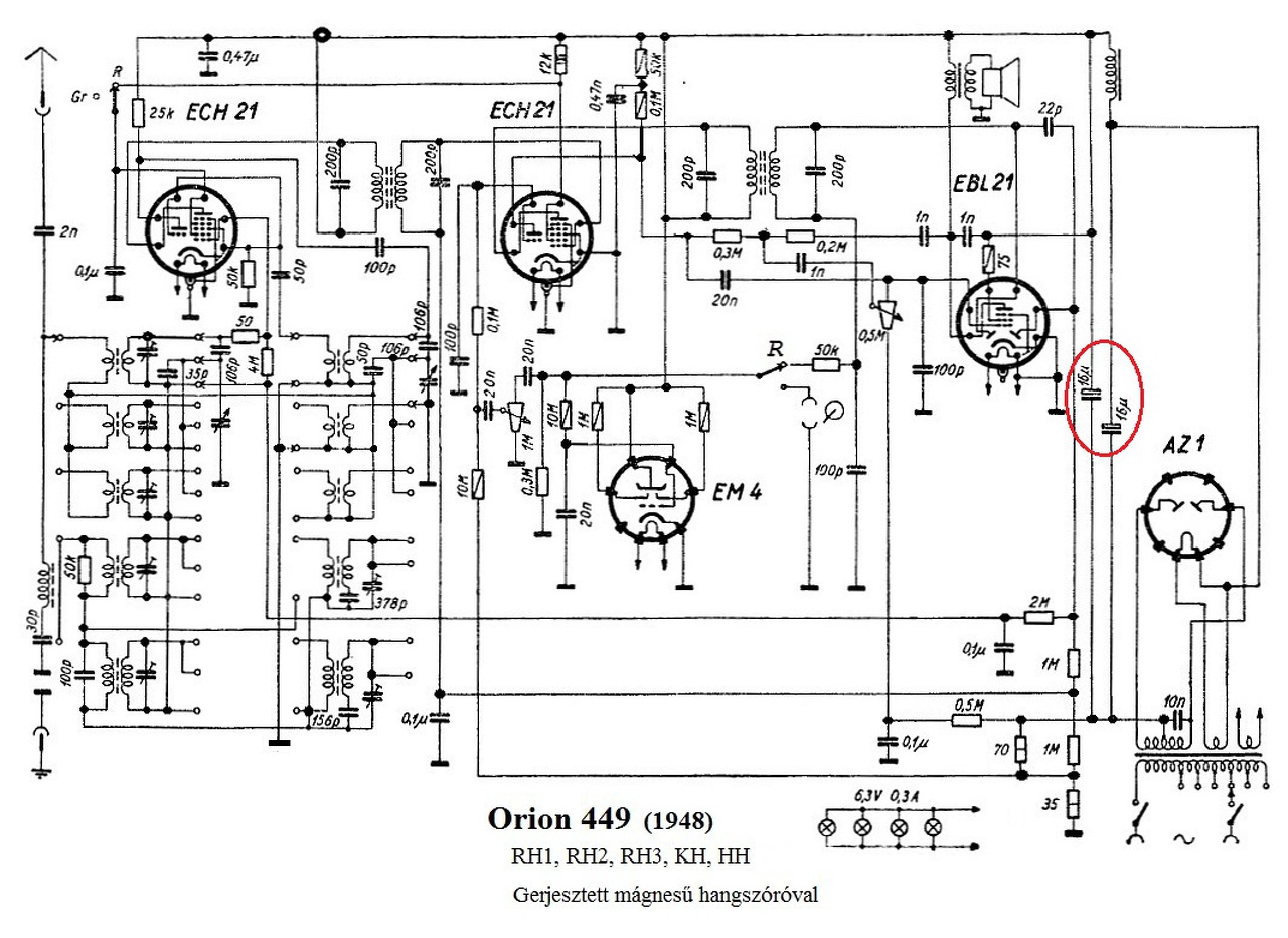
Kérem olyan fórumtársak segítségét, akik jól ismerik az 1945 és 50 közötti rádiók lelkivilágát. Egy jó állapotú és eléggé szépen zengő Orion 449-es készülékhez jutottam. Solt, Pécs még antenna nélkül is szól (Komlón, hegyen). Egy kis brumm miatt cserélném a két 16 mikrós elkót. 47 mikrósok vannak itthon - nem merész dolog (vagy kockázatos) ezeket alkalmazni? Esetleg mit kellene még (óvatosságból) azonnal cserélni?
Előre is köszönöm a segítséget.
A hozzászólás módosítva: Okt 30, 2017
(#) _BiG_ válasza fgyj hozzászólására (») Okt 30, 2017 /
 
Az AZ1-es egyencső maximálisan 60µF-ot "láthat" a szűrőkondikból, tehát a 2 x 47µF sok lesz oda.
Adatlap
(#) kristikoma válasza fgyj hozzászólására (») Okt 30, 2017 /
 
2x47µF sok lesz. Szerezz inkább 2x16µF-ot, eredetileg is az volt benne. Mást csak akkor cserélnék, ha szemrevételezéssel, illetve méréssel nem jó.
(#) fgyj hozzászólása Okt 30, 2017 /
 
Köszönöm, _BiG_ és kristikoma!
(#) granpa válasza fgyj hozzászólására (») Okt 30, 2017 /
 
2-3 db. 47µF-ost köss sorba az első 16-os helyére. Ha még marad brum, akkor a második helyére is. Így nem terheled túl az egyen-csövet.
Következő: »»   461 / 585
Bejelentkezés

Belépés

Hirdetés
XDT.hu
Az oldalon sütiket használunk a helyes működéshez. Bővebb információt az adatvédelmi szabályzatban olvashatsz. Megértettem