Fórum témák

» Több friss téma
Fórum » Végfokozat TDA2030-40-50-el
 
Témaindító: sasorr, idő: Jan 16, 2006
Témakörök:
Lapozás: OK   267 / 274
(#) drlalee hozzászólása Máj 22, 2017 /
 
Üdv Mindenkinek!

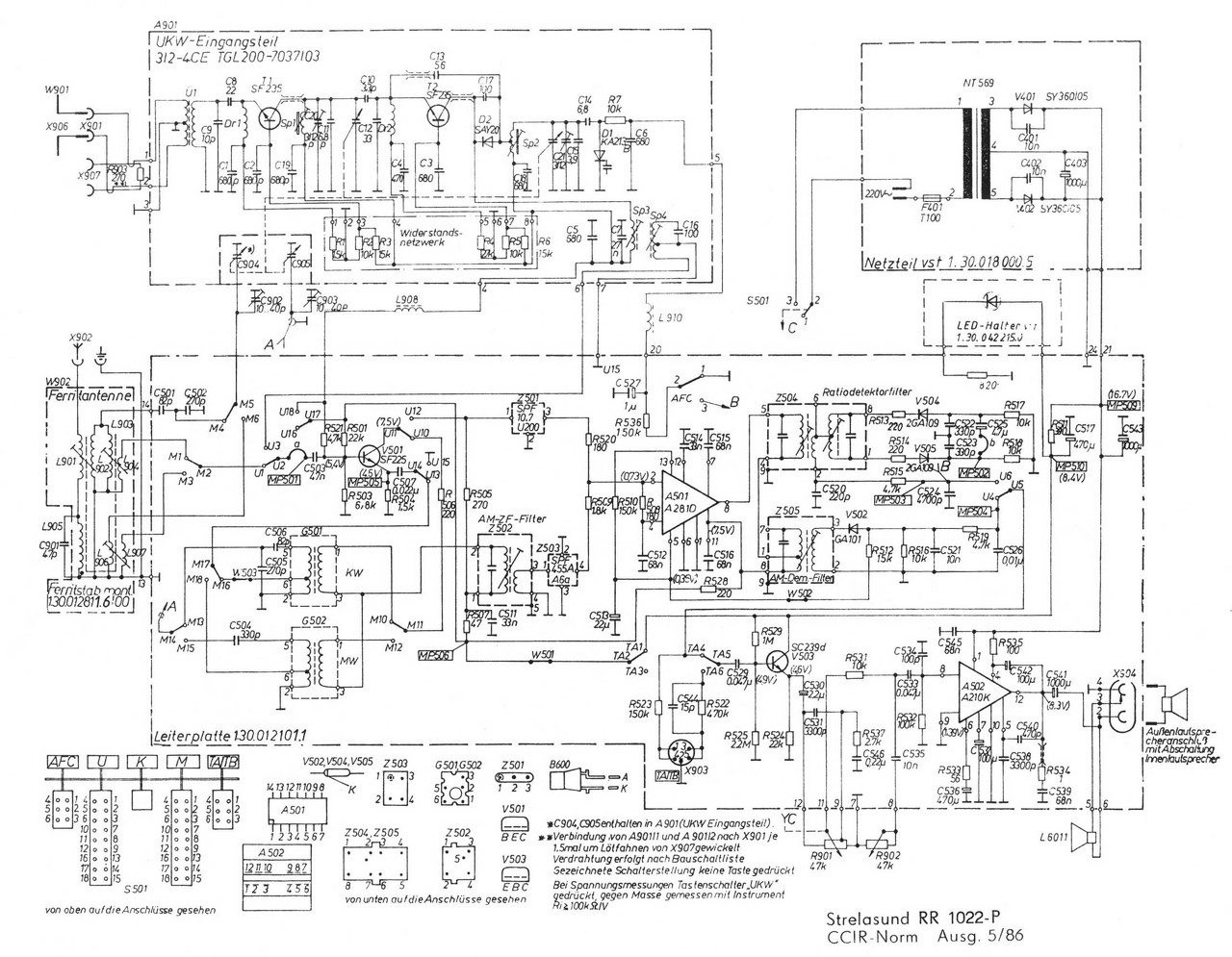
Hozzám került egy RFT Robotron RR1022 keletnémet rádió. Már van nálam egy ilyen, végerősítőnek és hangdoboznak használom (telefonról megy bele az internetrádió), kicsi, kellemes hangú könnyen hordozható készülék. Emiatt arra gondoltam, hogy ezt is életre kelteném.
Ez viszont sajnos részt vett egy lomtalanításon, így külső esztétikai sérülésein túl valaki kitépte belőle a hálózati transzformátort (pótolható), illetve sajnos a végerősítő IC (A210K) szét van robbanva a közepén.
Mivel A210K IC-m nincs itthon, így a raktáron lévő tda2030-ra gondoltam.
Az alábbi módosításokat hajtanám végre:

A210k 12es láb -> tda2030 4-es láb (output)
A210k 8s láb -> tda2030 2-es láb (input)
A210k 1es láb -> tda2030 5-ös láb (+)
A210k 10es láb -> tda2030 3-as láb (-)
A210k 6os láb -> tda2030 1-es láb (inv input)

Kell még valami mást tennem?
(#) drlalee hozzászólása Máj 22, 2017 /
 
Íme a két IC adattáblája
(#) reloop válasza drlalee hozzászólására (») Máj 22, 2017 /
 
Szia! A TDA2030-nak a az 1-es láb a bemenete és a 2-es a visszacsatolás, amit neked kell kiépítened. Erre példát ad az adatlap.
Úgy nézem a TBA810 lenne a megfelelő helyettesítő Bővebben: Link.
(#) drlalee hozzászólása Máj 23, 2017 /
 
Köszönöm, úgy hozta az élet, hogy ma Pápára vetődtem, ahol egy kis boltban kaptam A210k-t 500 forintért, így az átalakítás elmarad, egyszerű csere fog történni.
(#) drlalee hozzászólása Máj 25, 2017 /
 
Az IC csere sikerült, külső tápról tökéletesen működik a gép. Abba kérnék segítséget, hogy hány voltos a tápja (jelenleg 9V-ot engedtem rá), mert sajnos azt a részt kivették belőle. 21-24 pontokra készítenék egy új tápot, 12 V-os vajon jó neki? (Rádióként nem fogom használni)
(#) elektroncso válasza drlalee hozzászólására (») Máj 25, 2017 /
 
A 21. pont alatt kb. 1,5cm-rel 16,7V-ot írnak a mérőponton. De szerintem 12V-ról is elműködik, maximum nem lesz akkora a teljesítménye.
(#) drlalee hozzászólása Máj 25, 2017 /
 
9V-ról is megy, ezek szerint 16,7-et kellene neki adni. Ilyet nehéz találnom itthon, főleg a standard feszültségekre van bontott anyagom (12V, 9V, 6V), lehet kap 12V-ot helyette
(#) gyuszo válasza drlalee hozzászólására (») Máj 26, 2017 /
 
A 12 V-os tápegység teljesen jó lesz hozzá. Ezt az IC-t, de a TBA810AS -t és a TDA2003 -at is hordozható elemes készülékekbe és autórádiókba építették be.
A hozzászólás módosítva: Máj 26, 2017
(#) tomi10 hozzászólása Júl 5, 2017 /
 
Sziasztok.Nem pont ide tartozik,de nemtudtam más helyen megkérdezni van egy TDA1521S1 Phillips ic-m és nemtalálok hozzá az istennek sem adatlapot.Amiket találok az csak TDA1521 vagy TDA1521Q.Esetleg tudna valaki adni egy kis infót róla?
(#) reloop válasza tomi10 hozzászólására (») Júl 5, 2017 /
 
Szia! Úgy nézem a TDA1521 utáni betűk a gyártónként változó tokozást jelzik, a lábak funkciói megegyeznek.
(#) WaRL0 hozzászólása Aug 14, 2017 /
 
Sziasztok. Megépítette már valaki highand négy IC-s KAPCSOLÁSÁT?
(#) martin96 hozzászólása Nov 18, 2017 /
 
Sziasztok!
Építenék magamnak erősítőt.
Van egy 150W-os erősítőm ami egyenirányítás után lead 2x20V-ot.
Arra gondoltam először, hogy TDA2050-ből csinálnék neki erősítőt, így kijönne belőle kb 20-25W 8 ohmon. De most arra gondoltam, hogy hidalnám. Elbírja ez az IC a 8 ohmos terhelést ekkora feszültségen? Ha jól számolok akkor így kb 50-60W-ot kéne leadnia.
(#) reloop válasza martin96 hozzászólására (») Nov 18, 2017 /
 
Szia! A híd 8 Ω-os terhelése megegyezik az alapkacsolás 4 Ω-os terhelésével. Nyugodtan építheted.
(#) martin96 válasza reloop hozzászólására (») Nov 18, 2017 /
 
Erősítő helyett trafót akartam volna írni.
Az 50W akkor kb helytálló?
(#) reloop válasza martin96 hozzászólására (») Nov 18, 2017 /
 
Igen, 50 W körül várható a teljesítmény.
(#) martin96 válasza reloop hozzászólására (») Nov 18, 2017 /
 
Gyorsan összedobva a nyáktervet, ez így működőképes lehet?
(#) reloop válasza martin96 hozzászólására (») Nov 18, 2017 /
 
A 3-as és az 5-ös táplábak közvetlen közelébe vinném a szűrőkondikat, mert ez az elrendezés már több kollégának okozott gerjedést.
A teljesítmény- és a jelföldet teljesen szétválasztanám ugyan ezen okból, ettől a brumm is elhanyagolható mértékűre csökkenne.
(#) martin96 válasza reloop hozzászólására (») Nov 18, 2017 /
 
A te tervedet sűrítettem kicsit összébb. Az a baj, hogy el kell férnie ekkora helyen.
A hozzászólás módosítva: Nov 18, 2017
(#) reloop válasza martin96 hozzászólására (») Nov 18, 2017 /
 
Ezt akkor elszúrtam, mert a jobb oldali kimeneten rövidzár van és a szűrés nem kap testet.
(#) martin96 válasza reloop hozzászólására (») Nov 18, 2017 /
 
Javítva. Ha így jó, akkor holnap maratom is ki, hogy ki tudjam próbálni, először 2030-al.
(#) martin96 válasza martin96 hozzászólására (») Nov 18, 2017 /
 
Ezeket szabad szigeteletlenül feltenni a hűtőbordára? Gondolom mindegyik azonos potenciálon van, így ha a borda nem ér semmihez nem kéne semmi bajnak lennie.
(#) reloop válasza martin96 hozzászólására (») Nov 18, 2017 /
 
A hűtőzászló a negatív tápon van, a békesség kedvéért tennék alá szigetelőt.
(#) martin96 válasza reloop hozzászólására (») Nov 19, 2017 / 1
 
PC tápról, meg 2030-al kipróbálva eddig minden rendben.
(Próba erejéig azért volt rajta hűtés)
(#) sargarigo válasza martin96 hozzászólására (») Nov 19, 2017 /
 
Nem vagy kispályás! Tegnap még csak rajzolgattad, ma meg már szól az asztalon! Szép a panel is. Mancs ment
(#) martin96 válasza sargarigo hozzászólására (») Nov 19, 2017 /
 
Köszönöm!
Nem sietek vele pedig, mert ráér az egész 2-3 hétig még, mire megjönnek a 2050-esek. Ebay-esek úgyhogy kíváncsi leszek rájuk, bár eddig amiket rendeltem onnan TDA ic-ket eddig mind eredeti volt.
Az alkatrészeket próbáltam egyvonalba tenni, hogy azért jól is nézzen ki.
(#) martin96 válasza martin96 hozzászólására (») Nov 21, 2017 /
 
Egyáltalán rá merjek adni 2x20VDC-t ezekre? Elvileg ezek a 2030A-sok bírják az adatlap szerint.
(#) reloop válasza martin96 hozzászólására (») Nov 21, 2017 /
 
Az "A" jelű elbírja, 6-8 Ohm-mal terheld!
(#) Dióda hozzászólása Nov 27, 2017 /
 
Üdvözlet!

Az nagyon gáz ha tda2030 szimpla tápos ami 35v-ról üzemelne de a kimeneti csatolót csak 25v-os tudok beletenni?
(#) atiber válasza Dióda hozzászólására (») Dec 1, 2017 /
 
'Határeset'...Elviekben fél tápfeszültség ( ~17V ) van a kimeneten, de ha valami hiba folytán kiül a táp ( 35V ) a kimenetre, akkor olyan furcsa sercegő-fortyogó állapot következik, majd ha nem szakadásba megy át az elkó, hanem rövid zárba...a tápfeszültség kint fog 'csücsülni' a hangsugárzón. Megéri kockáztatni?
(#) djkoko hozzászólása Dec 5, 2017 /
 
Sziasztok!

Elkészítettem ezt a kis erősítőt.
Az a gondom, hogy külön-külön próbálva és hídba is csak pár másodpercig működik, aztán csend.
Következő: »»   267 / 274
Bejelentkezés

Belépés

Hirdetés
XDT.hu
Az oldalon sütiket használunk a helyes működéshez. Bővebb információt az adatvédelmi szabályzatban olvashatsz. Megértettem