Fórum témák
» Több friss téma |
Fórum » Villanymotor bekötése
Sziasztok!
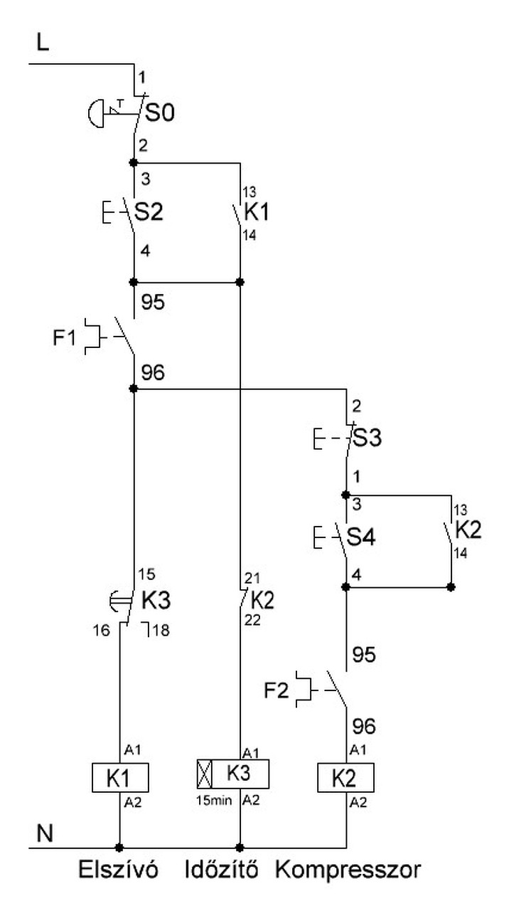
A következő problémához szeretnék segítséget kapni. Adott egy festőműhely egy kompresszorral és egy elszívó ventilátorral. Ehhez kellene vezérlést készíteni nyomógombbal, mágneskapcsolóval, hőkioldóval, és időrelével. Úgy hogy ha a ventilátort elindítjuk, akkor 15 perc múlva kapcsoljon ki, ha nem lett közbe a kompresszor elindítva. A kompresszort ne lehessen elindítani, ha a ventilátor nincs bekapcsolva. Ha a kompresszort elindítjuk, akkor folyamatosan menjen a ventilátor, ha a kompresszort kikapcsoljuk a ventilátor még 15 percig működjön. Ha a ventilátort leállítjuk, kapcsoljon ki a kompresszor is. Egy vezérlő áramkör rajzának elkészítéséhez kérném a segítségeteket. Előre is köszönöm!
Szép napot, szpeter92! Azt szeretném kérdezni, hogy Ön fogja megvalósítani a motorok vezérlését? Üdv.: Joe
Amellett hogy én agybajt kapnék egy ilyen vezérléstől, ez a kérdés nem ebbe a topikba tartozik. Lehet ilyeneket készen kapni, vagy akár analóg módon logikával, kapukkal és időzítővel (akár 555-tel), vagy mikrovezérlővel is meg lehet oldani.
Példa. A ventit egy relé indítja, a kompresszor reléje csak ennek az egyik érintkezőjén keresztül kap vezérlést, tehát ha nem megy a venti akkor a kompresszor sem tud. A kompresszor reléjének meghúzott állapotát figyeljük (egy másik érintkezőn), ha nincs meghúzva akkor elindul egy pl. 555-tel felépített 15 perces időzítő, ami az idő lejárta után bontja a venti áramkörét (oldja a relét). Stb, stb.
Szia! Valami nem kerek nekem ebben az elgondolásban, vagy csak nem volt pontos a megfogalmazás a kérdező részéről. Talán a ventillátor huzat, légáram kapcsolótól kellene függővé tenni a levegő jelenlétét a szórópisztolyoknál. Ha ez volna az elképzelés, akkor nincs szükség semmi hókusz-pókuszra. Az utólagos szellőztetést a szórópisztolyok helyrerakásától lehet függővé tenni.
Nem lett tesztelve, de akár jó is lehet.
Egy lehetséges vezérlési kapcsolás meghúzás késleltető időrelével.
Szia! A kapcsolás az rendben van csak amiről az előzőekben tettem említést, hogy a ventillátor légáramlástól függjön a kompresszor működése a K2 13-14 pontja helyére a légáram kapcsolót lehetne kötni. Ha nincs elszívás ne menjen a kompresszor. Ennek ellenére mindaddig van légvételezési (festékszórási) lehetőség amíg a légtartályból ki nem fogy a levegő.
Lehet bonyolítani, felügyeltetni a végtelenségig, pénztárca függő is.
Módosítottam a rajzom, a B1 nyomáskapcsoló nem engedi a leállító időzítést elindítani míg pl. 2bar nyomás van a levegő tartályban. A B2 szellőzés áramlásőr feltétele a kompresszor üzemeltetése. De további "inteligenciát" is bele lehet kombinálni, akár PLC-s okosságot is tehetünk hozzá.
Profi munka.
Idézet: Ha még rajzolnál egy K1 15-16 jelöléssel egy húzva záró érintkezőt az Áő (áramlásőr) elé, akkor már ez a feltétel is teljesítve lesz. „Ha a ventilátort leállítjuk, kapcsoljon ki a kompresszor is.” Klassz ez a rajz program, hogy hívják?
Nincs rá szükség. A K1 13-14 ellátja ezt a feladatot is. Ha megnyomod az S0-át, mindenki hanyatt dobja magát..
Igazad van! Nem is tudom, hogy miért gondoltam bele még egy érintkezőpárt.
Elég lett volna csak addig írnom, hogy: Idézet: és kész! „Profi munka.
Ne haragudj, akkor csak ennyi
Szia VIM!
Köszönöm a pozitiv véleményt. Nagyon szeretek rajzolni, (meg vezérlésekkel foglalkozni) főleg az egyszerűen, rugalmasan használható sPlan programmal. Itt a fórumon is van topikja sPlan fórum Rengeteg saját rajzelemet csináltam hozzá én is, meg a fórumon illetve gyártói honlapon is vannak. Bővebben erről a saját topikjában "beszélhetünk". Még annyit, hogy többször leírtam már ezen a fórumon is, hogy egy jól szerkesztett rajz többet elmond mint sok oldalnyi szöveges magyarázkodás.
Nincs mit hisz kitűnően használod ezt a progit.
Sziasztok. Van egy polski (fiat 126p) dinamóm és szeretném villanymotorként használni. Van egy állórész gerjesztése és egy szénkefés forgórész. A kettőnek ugye a közös kivezetése a ház. Van egy gerjesztés és egy feszültség kimenet. Na amit szeretnék elérni hogy villanymotorként tudjam hasznosítani ezt ebben az állapotban. Van egy 12V 10A-es akkutöltőm arról próbálgattam de nem tudom úgy bekötni hogy rendesen működjön. A bekötéssel kapcsolatban kérném segítségeteket. A válaszokat előre is köszönöm.
Már vagy 30 éve játszottam ilyen gépekkel. Elvi síkon - ahogy írod is - van egy forgórész, és van egy állórész-kivezetés, és a közös a test. Én úgy kötöttem be, hogy a két kivezetést összekötöttem, és ide raktam a +-t, a testre a negatívot. Ekkor - az erős mágneses tér miatt - viszonylag lassan (1000 alatt jóval) forgott. Ha az állórész áramát egy ellenállással korlátoztam, akkor lehetett gyorsabb forgásra is rávenni. Persze, a nyomaték ilyenkor csökken.
Tulajdonságait tekintve ez párhuzamos motor, nem lesz olyan nagy indítónyomatéka, mint a sorosnak (pl. szerszámgépek). Emlékeim szerint elég vacak villanymotor vált belőle...... A hozzászólás módosítva: Dec 19, 2017
Végül sikerült munkára bírni de tényleg nem valami erős. 4,1A-t eszik 14,4V mellet elég csekély fordulatszám mellet. Eredetileg elektromos rollerhez kerestem volna 300W körüli motort de ez elég gyenge lenne a feladatra így tovább keresek.
Sajnos arra biztos, hogy nem lesz alkalmas. Volt Apámnak anno egy ilyesmi kaliberű autódinamó, amire köszörűkorongot szerelt. Éppen-hogy szikrázott, és így sem lehetett igazán komoly munkát végezni vele, mert lassult így is.
A másik gép egy Csepel (teherautó) dinamó volt, de azzal sem lehetett érdemi munkát végezni. Szerencsére ezek a szükségből használt gépek később már semmilyen szerepet nem játszottak, a 3f megjelenése alapjaiban változtatta meg a meghajtás lehetőségeit.
Értem ,azért köszönöm.
Akkor még keresgélek egy darabig.
Próbáld meg soros motorként bekötni, akkor lesz fordulatszám és nyomaték is.
Szüntesd meg a közös testelést, és kösd dorba az állórész tekercset és a forgórész tekercset...
Ezzel csak annyi a baj (persze, villamosan meg lehet oldani), hogy itt az állórész tekercset viszonylag vékony huzallal, és nagy menetszámmal tekerik (pontosan azért, mert erre a tekercsre rákerülhet a 12V is, anélkül, hogy jelentős áramok folynának). Sajnos soros kapcsolásban ezért nem tud kialakulni komolyabb áram, így a nyomaték sem nagyon lesz.
Egyébként nagyon egyszerű kipróbálni, a két kivezetésre kell a feszültséget kapcsolni, és már sorosan is van kapcsolva.
Az igaz, hogy én még nem láttam ilyen dinamót szétszedve, és valóban csak elvi síkon ajánlottam a soros kötést, ami nem zárja ki, hogy barátunk meg is próbálja. Valamint abban a tudatban írtam amit írtam, mert a soros motor sokkal előnyösebb mint a párhuzamos motor ebben az alkalmazásban. A vékony állórész tekercselést nem tartom annyira szerencsétlen dolognak. Ha nagyon muszáj, az állórészt bármikor át lehet tekercselni vastagabb huzallal, nem kell hozzá különösebb tudás sem...
Csak ha erre adja a fejét a kérdező, nehogy átessen a ló másik oldalára, és olyan vastag huzalt használjon, ami miatt leégne a tekercs túlmelegedés miatt. A hozzászólás módosítva: Dec 20, 2017
Igen, áttekerheti, de akkor már nem Kispók dinamó lesz.
![]() A soros motor teljes üzemi árama átfolyik az állórész tekercsen is, tulajdonságai miatt kizárólag ezt a fajta motort használták jármű-hajtásra. A motorok az áramfelvételüket szabályozzák a terhelés függvényében, tehát, nem csak a huzalellenállás, ami meghatározza az áramfelvételüket.
Ez igaz, de a kutyát nem érdekli, hogy az esetleges áttekerés után hogy hívják, ha a célnak megfelel. Közben megnéztem néhány videót szétszedett 126-os dinamóról, és nekem nem tűnt azért olyan vékonynak az az állórész tekercs. De mint láttam, két verzió létezik ezekből a dinamókbók, az asszimetrikus egy állórész tekercsű, és a szimetrikus két állórész tekercsű. Szerencsésebb esetben a két állórész tekercsűt használni oly módon, hogy a két állórész tekercset megfelelő polaritással párhuzamba kötjük, és ezt kötjük sorba a forgórésszel.
Szikorapéter a helyedben én még nem keresgélnék másik motort. Próbáld meg a leírtakat. Valamint még arra is felhívnám a figyelmed, hogy a tápvezeték mindenképp valami erősebb nagyobb keresztmetszetű legyen, az 1mm2 ide kevés. A másik pedig az, hogy a feszültséget nyugodtan megemelheted, gondolom nem az akksitöltőről fog menni. Használhatsz két 12V -os aksit sorbaköve, azt szerintem ki fogja bírni. Mindenesetre teszteld és figyeld a hőemelkedést. Ha nagyon melegszik vegyél vissza. Valamint gondolom a rollerral nem száguldozni akarsz, úgyhogy egy jól megválasztott áttétellel szerintem megoldható a megfelelő meghajtás... A hozzászólás módosítva: Dec 20, 2017
Idézet: „két állórész tekercset megfelelő polaritással párhuzamba kötjük” Ez nem rossz ötlet, az állórész tekercsellenállása ezzel a negyedére csökken. Egyébként nem kell találgatnunk, meg kell mérni az állórész tekercs Ohm -os ellenállását.
Negyedére?
Szerintem csak felére (ha ohmikus ellenállásról beszélünk), de már ezzel is jóval előrébb vagyunk. (Az impedanciába inkább már nem mennék bele...) Szóval két 1Ω -os ellenállás párhuzamos eredője 0.5Ω lesz... Plusz ehez még hozzáadódik a forgórész tekercs soros ellenállása, ami gyanítom akár egy nagyságrenddel is lehet kevesebb (de ezt csak tipp mármint az értéke), mint az állórész ellenállása. Paralel resistance... Vagy rosszul tudok valamit? A hozzászólás módosítva: Dec 21, 2017
A dinamó mindkét felén gerjesztőtekercs van (állórész) és ugye ezek sorosan kötve. Már próbáltam a két bevezetést párhuzamolni és úgy a 12V-ot rá de elég lassan forog, 4,2A-t vesz fel , ha lefogom akkor felmegy 10A fölé de elég gyenge marad a motor....
Tulajdonképpen ezt a bekötést kellene megoldanod. Négyféleképp lehet bekötni, a rajzon csak az állórész tekercs polaritáscseréjét ábrázoltam, ez kétféle kötés. De a forgórész polaritását is lehet cserélni, az megint kétféle bekötés így jön ki a négyféle bekötési mód.
Az egyikben a négy kötés közül megkapod a maximumot. Lesz olyan kötés is a négy közül, ahol el sem indul majd, mert a mágneses mezők egymás ellen dolgoznak. Eztán következhet a feszültség emelése. Uganis mivel 12V -ra vannak méretezve a tekercsek, soros kötésnél megoszlik rajtuk a feszültség valamilyen módon (ellenállástól függően). Ezt hivatott kompenzálni a feszültség emelése. (És csak ezek után az esetleges állórészek áttekerése, ha van kedved még próbálkozni.) Sajna nincs nálam ilyen dinamó, de kíváncsiságból én is kipróbálnám mindet, még videót is készítenék belőle melyík a legoptimálisabb kötés.
Rendben kipróbálom bár a párhuzamosan kötés nemtudom jó ötlet-e az állórészen ,mivel most alapból sorosan kötve 1A-t eszik meg csak az állórész tekercsei. Ki fogja bírni a többlet terhelést?
Én az elméletileg legjobb megoldás és teljesítmény megtalálásában tudok innen segíteni.
A tesztet és a kísérleteket neked kell elvégezned ellenőrzött körülmények közt. Mint már előzőekben írtam, a hőemelkedésre figyelj, és huzamosabb ideig teszteld a bekötéseket. Ha nem megy a hőmérséklet 65+70 °C fölé, akkor tesztelheted tovább terheléssel is. Nyáron a 35 °C -os kánikulában erre ismételten figyelj. Ha "profi" módon akarod megoldani, beiktathatsz mondjuk egy arduinos hőmérőt ami pl 70°C felett kikapcsol, és csak akkor kapcsol vissza az egész rendszer, ha a motor megfelelően visszahűlt. Sebességszabályozásnak mindenképp PWM szabályozót kell építened. Egy sima ON/OFF kapcsoló ide nem szerencsés. (De ezek már inkább elektromos jármű építés topikba valók, ha gondolod ott folytathatjuk.) Nagyjából 200W a teljesítménye egy ilyen dinamónak, ami azt jelenti, hogy elvileg 12V -os feszültségnél akár 16A -t is ki kell bírnia rövid ideig. 24V -on kb 8A -t. Ezeket veheted mondjuk csúcsteljesítménynek. Ha már szó esett róla, a tekercsek vezetékátmérőjét már megmérhetted volna egy tolómérővel, abból tudunk pontos maximális áramértéket is mondani. Viszont nem hinném, hogy állandó jelleggel maxigázon fogsz menni vele. Végül még annyit, hogy ha az ember épít valamit, ami nem gyárilag megtervezett, akkor saját magának kell gondoskodni a gép megfelelő teszteléséről is. Szóval lényeg, hogy teszt, mérés, kiértékelés, teszt, mérés, kiértékelés (és még folytathatnám) minden mennyiségben. Ui.: Egyébként egy kereskedelemben kapható általános "normális" elektromos kerékpárnak kb 300W a motorteljesítménye, az pedig súlyban is méretben is jóval több mint egy roller... A hozzászólás módosítva: Dec 21, 2017
|
Bejelentkezés
Hirdetés |







Klassz ez a rajz program, hogy hívják?
Elég lett volna csak addig írnom, hogy:

