Fórum témák
» Több friss téma |
Mielőtt kérdezel, a következő két dolgot ellenőrizd!
I. A helyes tápfeszültségek megléte.
II. A kimeneten van-e egyenfeszültség.
Élesztés.
Szia!
Tape monitor aljzatait használd hozzá. Monitor kapcsolóval így kiiktatható ha akarod. A hozzászólás módosítva: Feb 6, 2018
Ez se való hídba 4 ohmra oda azért elég rendes nagyáramu végfok kell, miért nem csinálsz rendes nagyobb feszültségen müködő végfokot ami tudja a 4ohmot kevesebb alkatrész kicsit nagyobb tápfesz és kész. 100W 4 ohmon nem olyan nehéz..
Van egy kész táp, ami +-30 voltot tud, lehet at kellene tekercselni, egyszerűbb lenne, mintsem hidalgatni. Köszi a valaszt.
Ha adott a táp, akkor lehet keresni azért olyan végfokot amit használható hidalásra csak ekkora tápfesz esetében 4 ohmra ugy kell keresni, hogy olyan végfok kell amit tud 2 ohmra dolgozni és ekkora tápfesznél kb 200 W-os és akkor hidalva kb 300 W körüli kimenőteljesítmény várható akár
Gyári ládával
98dB 1W/m a két tekercses sub gyári adata és hasonló kvalitású top ládáim vannak bár azok nem wharfedale dobozok. Én sem a wattokat figyelem először egy hangfal vagy hangszóró adatlapján de tudom mit tud 200W egy érzékeny dobozzal. Sajnos a fiatalok csak wattokkal dobálóznak de nincs ha mögötte csak 90dB érzékenység akkor simán kell a 4-500W-t. Én meg hangosabban és jobb minőségben szólók 100-150W-al ![]() Most olvasgatom az apex végfok dolgait meg szedem össze mi is kellhet hozzá.
Sziasztok!
Jól gondolom, hogy a 7915-ös -15v-os stab ic-nek egyik lábának sem kellene összesípólnia szakadás vizsgálatkor beültetve sem?
Beültetve elképzelhető...
Nem tudom, h szabvány-e, ennek a középső lába a bemenet és az sípól össze a testtel.
Milyen testre gondolsz ha netan a hütö zázszlóra akkor rendben van
A gnd lábára gondolok, de igen valószínűleg ott zár össze, mert ugye a középső láb ezen a bemenet, tehet ugyan az mint mint a háta, a hűtő pedig be van forrasztva a nyákba, csak nem vagyok benne biztos, hogy így jó is lesz-e, vagy esetleg el kéne szigetelnem, nem csak pasztázni?
Azt amelyikre a Dat/Tape van írva?
és így az összes bemeneten keresztűl megy az Equalizer?
Sajnos a minőségnek ára van és a gagyik tömeggyártása elnyomta a minőséget. Ez a farokméregetés a feltüntetett "wattokkal" meg végkép megöli a nívót. Bár a sznob világban még lehet találni minőségi cuccokat!
![]() Ha sikerül összehozni az APEX-t remélem megosztod a tapasztalatokat. Alkotónak korrekt témája van ezzel kapcsolatban, részletesen leírva de minden elektronika más és más... még ha elméletben egyformák is. És szánt szándékom egyet építeni magamnak is. Már csak a kíváncsiság miatt is!
Köszönet minden válaszadónak! Az erősítő életre kélt
Sziasztok!
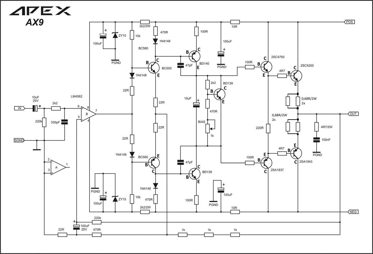
Egy kicsit kedveskedek nektek. Az Apex AX9-es végfokkal.Jelezzétek ha valami nem jó. Csak az építő kritikákat várom nem a leszólósakat. A hozzászólás módosítva: Feb 8, 2018
Szia! Az IC 2-es lábat a test helyett az 1-esre ajánlott kötni.
Ez az eredeti rajz alapján van, de ha te mondod, akkor ezt is kipróbáljuk az élesztésnél. Krisz69-nek van ilyen erősítője és azt nyilatkozta működik. Ha összekötjük a 2-es és az 1-es lábat az csak annyi? nem kell kötni sehová?
Ha sikerül a műveleti erősítő illetve a két utána lévő tranyó típusába és gyártójába beletalálnod akkor ez egy egész jó hangú végfok. A BD-k helyére én MJE-ket tennék. Meg egy áramkorlátot is bele, ami védi a végtranyókat.
A Lomexben kapható minden. Az MJE az 350 ill. 340?
Lerajzolnád az áramkorlátot, és hová illesszem?
Igen. A visszahajló áramkorlátot át tudod emelni akár az ST151 akár a HTA rajzából, de sokféle végfokban van hasonló.
Üzentem
Igen ennyi, ez adja a használaton kívüli rész számára a legstabilabb állapotot, így nem zavarja a tokban lévő másik műveleti erősítőt. Nyilván praktikusabb lett volna, ha nem dual-opamp kerül az áramkörbe, de bizonyára nem véletlen a választás.
Én is a kíváncsiság miatt vettem fel a listára az Apex 200W-os változatát
![]() Igen láttam, hogy Alkotó remekül dokumentálta az erősítőt. Most összerakom az általam feltett kapcsolást az általatok ajánlott tranyókkal. Tavasszal meg nekilátok az Apexnak is valami pofás formában. Az elkészült dolgokat természetesen képekben majd megosztom
Üdv.
Gyere át a D-osztályú csoportba Kapcsolóüzemű erősítő . Majd ott tudnak segíteni. Pl. 500W-ra két megoldás van.
Sziasztok valaki esetleg tudna nekem ehhez a vegfokhoz egy panelt tervezni ha szepen megkerem?Amit aztan ithon elkeszitenek.
Kedves Tomi!
Nekem volt egy távoli ismerősöm aki abból kiindúlva, hogy a segítség nyújtás néha igen nyűgössé válik a segítség nyújtónak azt a taktikát választotta, hogy csak szűken a kérdésre válaszolt, nem foglalkozva a további részletekkel. Azaz, ha valaki a szakadékba vezető út után érdeklődött, ő megmutatta, nem volt miértje. Itt azonban ezt meghaladó(?) emberek adnak válaszokat a felmerült kérdésekre. Azonban ez nem azt jelenti, hogy rendszeresen ismétlődő kérdéseket kapnak, merta segítség kérő lustaságból nem tájékozódik a fórumon, vagy a hálon, hogy megalapozza az elkészítés alapjait. Tudod egy erősítő elkészítésének megvannak az alapjai. Ezért felmerül a kérdés aki a panelt felrakja vannak-e építési tapasztalatai, mert egy erősítő nem csak az összeszerelés eredménye. És ezután jön a kérdések sokasága, feleslegesen kitömve az oldalt. Szóval, ha az oldal erényeit veszem, tudhatnánk az elképzeléseitekről többet, mert van ennél egyszerűbb megoldás is, olyan jól melegedő 470ohmos ellenállás nélkül is.
Szerintem a rajzon levő 470m az 0,47Ω-ot jelent.
Igen az 0,470ohm.
Hú! Mire válaszoltam most. Mindegy, tanulságos talán így is és most is.
- Közel van a bemenet a kimenethez. Át kell tervezni a NYÁK-panelt. Azokat a nagy huzalellenállásokat lehet alulról, vagy állítva is szerelni, messzebb a bemenetektől. Tápfeszültség hidegítése elégtelen, a panelon. Hosszú NYÁK-vezetékezés olyan mint egy antenna, mindent fog, és az hallhatóvá is válhat. Nem látom a kapcsolást, de az árambeállítót lassítani kell. Lassabb félvezetők kellenek. A bemeneti pontra célszerű ferritgyűrű felhúzása a bemeneti ellenállás lábára, vagy a bemeneti vezeték végére. Ezek segíthetnek a rádióadások vétele ellen, de csoda nem lesz. - Öregszem nézzétek el nekem, hogy vagyok. ![]() Üdv! A hozzászólás módosítva: Feb 9, 2018
|
Bejelentkezés
Hirdetés |





98dB 1W/m a két tekercses sub gyári adata és hasonló kvalitású top ládáim vannak 



