Fórum témák
» Több friss téma |
Valami készülődik.
![]() Mérések a dugdosósban (A kijezett érték Hertz-ben értendő). 1. kép - Saját 40MHz-es órajel (kínából rendelt TCXO 0.1ppm-es típus) 2. kép - 70MHz-es TCXO 100ppm-es típus 3. kép - 16MHz-es TCXO 100ppm-es típus
A saját órajel frekvenciáját kutya kötelessége pontosan mérni, hiszen minden időzítés ebből származik.
Szépen is néznénk ki, ha nem így lenne. Főleg így, hogy a kapuidő és a kapuzás indítása, leállítása is hardverből történik.
Üdvözlet.
Megjött kínából a frekvencia kijelző. Csak eltekertem a rendelésnél 0,1MHZ től 65MHZ ig jelez. Nekem meg 0 tól 100KHZ ig kellene. Kérdésem hogy ezt átlehet e alakítani hogy nekem megfelelő legyen.? Ha nem túl komplikált. Vagy rendelek másikat 8 dollár. Ez lenne az.
Amennyit vártál rá annyi idő alatt össze is rakhattál volna már kommersz osztó áramkörökből is.
100kHzig akár analóg deprez vagy digitmultiméterrel is megépítheted. Hány digit / mekkora felbontás szükséges ?
Ja ... értem ... akkor meg van a szélesebb sávú frekimérőd ... el ne dobd !
Lehet kelleni fog egy másik rendelése ... jobb esetben az ISP lábakon lehetne firmwert frissíteni ... ja de azt meg nem tudsz ... nincs programozód ... feltéve hogy nem is tudjuk azt se hogy milyen uC van a kijelző alatt ...
Dehogy dobnám el. Jól jöhet még valamire. Majd rendelek egy másikat nem nagy összeg. Meg annyira nem is sürgős. 6-7 digites kell Meg ojan 1Hz felbontású. Nem kell a tizedeket mutassa.
Biztos lenne vállalkozó aki átprogramozná 3hónap alatt 10eFt munkadíjért..
Most láttam Puskás börze kb 10 ezer HUF volt programozható frekimérő dobozolva .
6 8 digitesben.
Sziasztok!
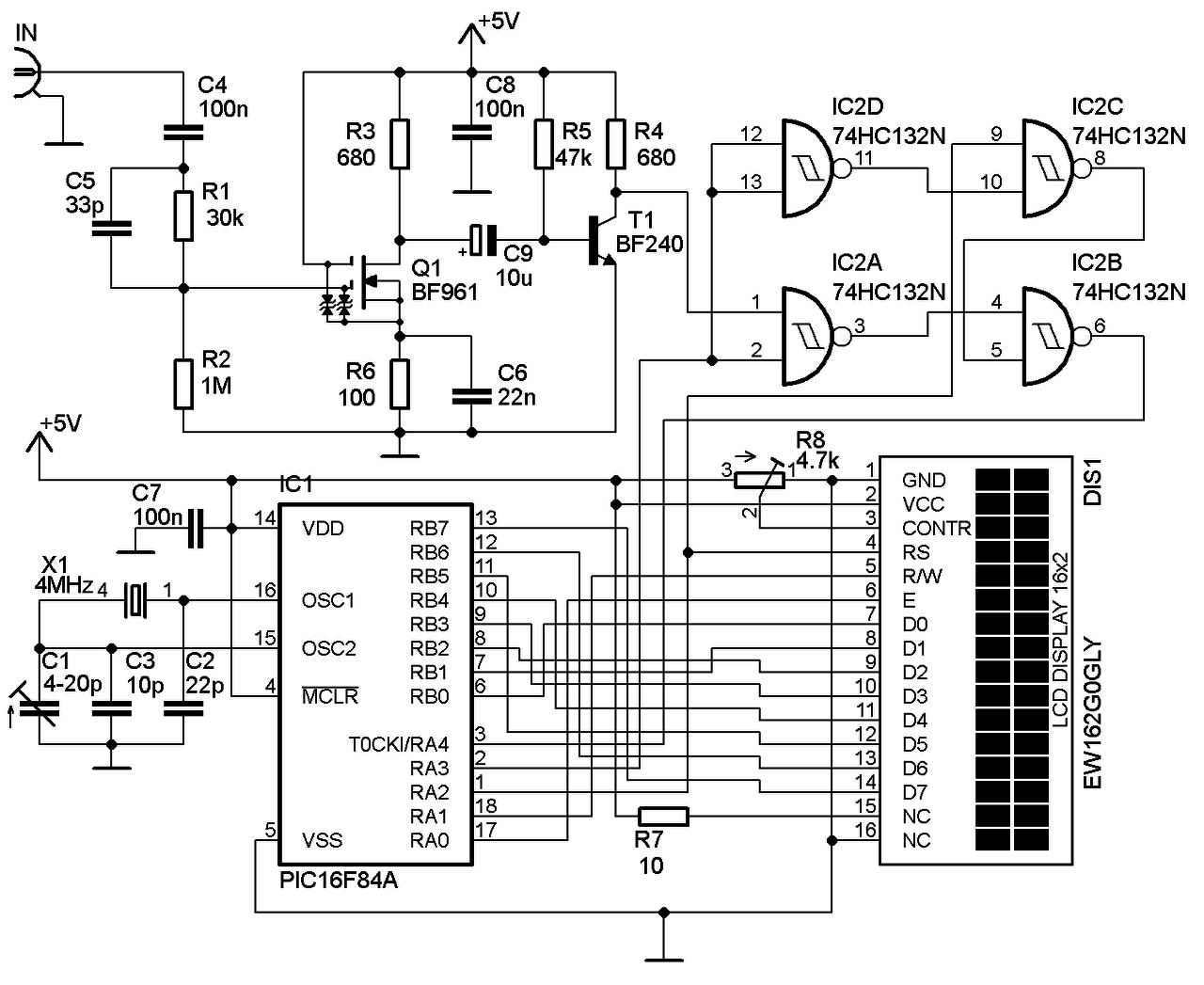
A saját frekimérőm bemeneti fokozataként a jól ismert BF961-BF240 párossal felépített kapcsolást választottam. A gondom az, hogy a BF240 nagyon sok zajt visz be a rendszerbe. A BF961 után nagyon szép jel van. Tudtok-e valami jobb megoldás a TTL szintre emelésre? Én már kifogytam az ötletekből. A digitális bemenetem Schmitt triggeres. Az analóg fokozatnak 70MHz-en még kell működnie, mert a digit rész ezt még tudja előosztás nélkül (feljebb nem tudtam még tesztelni nincs nagyobb TCXO-m). Köszi az ötleteket!
Nem vihet be sok zajt a BF240, valami más bibi van. Én is BF961-BF240 páros bemeneti fokozattal használtam sok évig, semmi zajprobléma nem volt.
Volt itt a fórumon egy panel terv, amiről hiányzott egy vezeték (valahonnan a 74HC132 tájáról).
Ezt a kapcsolást csak példaként raktam fel, az analóg rész ugyan ez. A többi teljesen más. Ezen kapcsoláson R5-el jelzett ellenállást is kötöttem már a kollektorra is, raktam be helyette helipotit is. Egyszerűen nem beállítható normálisan.
De végre kegyes volt hozzám a kereső, találtam egy komparátoros megoldást, eddig ez tűnik a legjobbnak, már csak be kell szerezni egy Ultra Fast típust.
Akkor nem értem, talán gerjedhet. Pedig már külön kis panelon is összeraktam, de ugyan az a helyzet. A GND-t is bevittem mindenhová ahová csak lehetett és a digitális résztől is külön raktam.
Ha nyitott a bemenet, mérhet valamit amit a levegőből vesz. Szkóppal kellene megnézni mi van, az is lehet, ha rendes mérendő jelet kap, akkor jól méri.
Idézet: Pld.: Az NE529 szuper erre, régen sok gyári frekimérő bemenetet ezzel építettek. Erősítő, és komparátor, én is használtam, szuper, csak kell neki +10V, -10V, ez lehet probléma, még +5V, de az van. Vagy UA760, TL714. „be kell szerezni egy Ultra Fast típust.”
Sajna nem, lezárt bemenettel is ugyan ez a helyzet. Szkóppal nézve nem látok kiugró frekvenciát a zajban, FFT-vel sem. Ha ráakasztok egy TCXO-t, akkor is belezavar. A sávszéleséggel is van gond, a 40MHz-et már nem megy neki ST bemnetnek megfelelő szintre hozni. Holott a BF961 kimenetén szépen ott van.
Köszi, megnézem mi van a cégnél, talán akad ilyesmi.
Esetleg egyik, vagy mindkét tranzisztor munkapontja nem jó, ezért érzéketlen lehet. Arra emlékszem, hogy 60-70Mhz felé már eléggé csökkent az érzékenysége.
Vagy próbáld csak első fokozattal, a BF961-el, BF240 kiiktatva.
Ezzel a fokozattal én is szívtam annak idején, aztán berajzoltam szimulátorba és az is ugyanazt mutatta mint amit a szkópon láttam, hogy ez ebben a formában sosem fog normálisan működni.
Sajnos nem mentettem el semmit, a készüléket meg nem bontom ki mert órákba telne, így csak az emlékeimre tudok hagyatkozni. Kell egy rendes bázisosztó annak a tranyónak és akkor jó lesz, értékekre nem emlékszem de mintha 68k-10k lenne nekem. Hogy mást variáltam-e még vele arra nem emlékszem de jó lett, a néhányszor 10mV-os jelet már mérte, és a néhány V-os jel sem okozott neki gondot. Ha van szimulátorod rajzold be, adj neki különféle amplitúdóval szinuszt meg többféle kitöltésű négyszögjelet és meglátod hogy jó lesz-e vagy sem.
Illetve azt elfelejtettem hogy ha jól emlékszem akkor a BF961 erősítésén és talán munkapontján is változtattam mert az sem volt így jó.
Köszi, ha haza értem próbálkozom vele. Én is azt tapasztaltam, hogy szimulátorban is ugyan olyan vacak. Mintha bázisosztóval is próbálkoztam volna, de az a biztos, hogy ha kipróbálom még egyszer. Igazából, már az a komparátoros megoldás birizgálja inkább a fantáziámat. Szimulátorban nagyon frankón működik.
Próbálkoztam még a BF240-el, igaz csak szimulátorban. Nem hozott jó eredményt. Megpróbálkozok a komparátoros változattal, fel is írtam vagy 8 féle típust, meglátom mit tudnak beszerezni a helyi üzletben.
Szia! Nem értem mi a baj a frekvencia mérőddel, nálam több példányban elkészült, elsőre indult mindegyik, kijelző nyugodt, 1 en áll, a bemenetre csatlakoztatott rövid huzaldarab után a hálózati 50 Hz látható A előerősítő tranzisztorok BF961 és BF240, a második tranzisztor bázisa és kollektora között 47 kohm ellenállás.
Úgy látszik ez ilyen lutri. Annak idején én is ezt építettem meg, akkor sem volt tökéletes, de be lehetett állítani miután a táp zaját kiszűrtem. Mivel eljött az ideje a saját fejlesztésnek (már elég öregecske ez a kapcsolás), ezért szépen összeszedtem, kigondoltam mindent és a tápra már figyeltem, a digitális rész jó is, csak most ez szivat.
Közben eszembe jutott Ge Lee írására, én is a BF961 munkapont beállítással vesződtem többet, nagy a szórás főleg gyártótól függően. Valamelyik gyártmánnyal nem is értem el jó eredményt, másik gyártmányú könnyen jó lett. De már nem emlékszem a gyártóra. A BF 240 munkapont az R5 ellenállással könnyen beállítható a kívánt szintre, azaz a tranzisztor kollektorfeszültsége zárt bemenetnél.
A C9-et próbáld pld.. 100nF kerámiával, hátha elkó induktivitása kever be. Egy kb. 10µF tantálkoni tápszűrésnek próbára, hátha. A hozzászólás módosítva: Márc 5, 2018
A BF961 jónak tűnik, ha jól tudom, akkor ő csak nagy bemenő impedanciás pufferként üzemel kb 2x-es erősítéssel, a többit a BF240-nek kell produkálnia.
Erősít is, nem tudom mennyit kellene. A BF961-R3 pont milyen feszültségen van, nincs + vagy - tápra kifeküdve, vagy közelében? Jelet kellene adni a bemenetre generátorról, és figyelni milyen beállításnál legnagyobb az erősítése.
Jelenleg R3 1K Ohm, a 680 Ohm helyett és 1.8V-ot mérek ott, de ma már nem forrasztgatok, majd holnap. Még egy potit is kell keresnem.
Szia!
Én is sokat bíbelődtem már frekimérők bemeneti fokozatával. Az ún. Vicsys féle, amiről itt szó volt, valóban bizonytalan 40MHz környéke és afelett. Ami nálam jól működött 100MHz felett is az egy BF982 (961) és egy ADCMP602 típusú komparátor párosból felépített bemeneti fokozat. Ez a komparátor állítható hysterézissel rendelkezik, ami nagyon fontos a relatív lassú nulla átmenetekkel bíró jelek mérése esetén. Ilyenkor ugyanis a nagy erősítés miatt az egészen kis zavarjelek is képesek gyors prellegést okozni a nulla átmenet közelében a hasznos jelre ráülve, hozzáadódva így a mérendő impulzusok számához. Az ADCMP602 esetében ez nagyon jój kivédhető az állítható értékű átbillenési küszöb használatával. Az IC amúgy több száz MHz-ig használható. |
Bejelentkezés
Hirdetés |








...












