Fórum témák

» Több friss téma
Fórum » Kapcsolóüzemű táp 230V-ról
 
Témaindító: cimopata, idő: Szept 13, 2006
Témakörök:
Lapozás: OK   709 / 787
(#) latyakosa válasza gerleimarci hozzászólására (») Márc 3, 2018 /
 
Az 494-nek a tápfeszültséget mi biztosítja ? Az a tápfesz stabil a terhelés hatására ?
(#) gerleimarci válasza szendi001 hozzászólására (») Márc 4, 2018 / 1
 
Meg lett a probléma. A kínai ólommentes forrasztásba hiba csúszott.
(#) Epichydra hozzászólása Márc 5, 2018 /
 
Sziasztok!
Még nem foglalkoztam eddig kapcsolóüzemű tápokkal viszont most szükségem lenne egy 50V/10A-es kapcsolóüzemű tápra. A kérdésem az lenne, hogy nincs valakinek ilyenhez rajza, nyák terve vagy ha nincs akkor miből és hogyan tudom átméretezni? A segítséget előre is köszönöm!
A hozzászólás módosítva: Márc 5, 2018
(#) ferci válasza Epichydra hozzászólására (») Márc 5, 2018 / 1
 
Szia!
Jobbra fent kis nyilacska, "Csak képek keresése" és amelyik rajz megtetszik, abban képben van egy narancs nyíl, arra kattints. Odavisz a szöveges részhez.
A hozzászólás módosítva: Márc 5, 2018
(#) Epichydra válasza ferci hozzászólására (») Márc 5, 2018 /
 
Végig néztem, de nem tudom mi lenne jó, mint írtam még nem foglalkoztam ilyen tápokkal. Esetleg nem tudnál valami jól beváltat ajánlani?
(#) fastaction válasza Epichydra hozzászólására (») Márc 5, 2018 /
 
Szia , cikkek között pl. : U.K.T. Méretezéssel , nyákrajzzal.
(#) Epichydra válasza fastaction hozzászólására (») Márc 5, 2018 /
 
Megnézem, köszönöm!
(#) Peter65 válasza Epichydra hozzászólására (») Márc 6, 2018 /
 
Szia!
Először egy megjegyzés; a kapcsoló üzemű tápegységek nem feltétlenül kezdő kategória, különösen nem 500W-os nagyságrendben. Lehet, gazdaságosabb, ha veszel egyet.
Ahhoz, hogy érdemben segítséget kaphass, jó lenne tudni, mihez kell. Sokan erősítőhöz keresnek ilyesmi tápegységet. Ahhoz rezonáns elvűt célszerű választani. De az még kevésbé kezdőknek való. Ha általános célú a táp, és az olcsóság a szempont, akkor egy PC táp átalakítása is szóba jöhet. Az átalakításról van másik téma.
(#) Epichydra válasza Peter65 hozzászólására (») Márc 6, 2018 /
 
Szia!
Ezzel a kapcsolóüzemű táppal gondoltam helyettesíteni az most készülő, Attila86 által tervezett SMPS II-ben a trafót. Szerintem ehhez egy általános célra készült kapcsolóüzemű táp elég lenne, nem?
Ha ezt meglehetne oldani egy PC táp átalakításával az mégjobb lenne.
(#) ferci válasza Epichydra hozzászólására (») Márc 6, 2018 /
 
Szerintem válassz egy "alap"-kapcsolást és a félvezetőket kicsit méretezd túl, hogy kevesebb gondod legyen. Ugyanez vonatkozik a szekunder körre is, kondenzátort is beleértve.
A trafó méretet pedig onnan, abból a kapcsolásból nézd ki, ahol az igényednek megfelelő vas és tekercstulajdonság ( menetszámok, szálszám ) jó.
Ajánlani nem ajánlok egyet sem - amiket feltettek, úgyis a tényleges kivitelezéstől függ a jó működésük. Esetleg a kiválasztott "szerzőjétől" érdeklődj inkább, mi a tapasztalata.
PC tápban ne gondolkozz, a 12 volt felhúzása és kétszerezése után is határ a részleges, általában 200 watt erre a feszre.
(#) Epichydra válasza ferci hozzászólására (») Márc 6, 2018 /
 
Rendben, köszönöm!
(#) Peter65 válasza Epichydra hozzászólására (») Márc 6, 2018 /
 
Nem tudom mi a legjobb megoldás ebben az esetben.
Nekem szimpatikusabb lenne, ha a tápegység első kapcsolóüzemű fokozata egybe lenne vonva azzal a kapcsoló üzemű tápegységgel, ami a 230-ból leválaszt. Ehhez persze módosítani kellene az egészet, a leválasztó kapcsolóüzemű tápnak széles kimenő feszültség tartományúnak kellene lennie.
Ha csak a trafót váltod ki, a zajok elkerülés érdekében, a rezonáns táp is jó választás lehet.
(#) Epichydra válasza Peter65 hozzászólására (») Márc 6, 2018 /
 
Magát az SMPS II-t már nem tudom módosítani mert az készen van már. Első körben most megpróbálkozom a PC táp átalakításával, hátha jó lesz az is. A segítséget pedig nagyon szépen köszönöm mindenkitől!
(#) gerleimarci válasza ferci hozzászólására (») Márc 6, 2018 /
 
Lehet PC táptrafónál a tekercseket sorbakötözgetni. A magasabbik fajtával menne is az 500W. De az eredeti tápban lévő tranzisztorokat nem ajánlom, mert nálam szerettek felrobbanni 2-300W felett.
(#) ferci válasza gerleimarci hozzászólására (») Márc 6, 2018 /
 
Szerintem rossz helyre címeztél - eszembe se jutna 200 watt fölé menni egy max 300 wattos tápban. Légyszives olvass vissza.
(#) gerleimarci válasza ferci hozzászólására (») Márc 6, 2018 /
 
Nem neked címeztem, de a te írásodhoz kapcsolódik.
(#) ferci válasza gerleimarci hozzászólására (») Márc 6, 2018 /
 
Oké, de az én írásom ez volt: "...PC tápban ne gondolkozz, a 12 volt felhúzása és kétszerezése után is határ a részleges, általában 200 watt erre a feszre. "
Teszem még hozzá, hogy egy átlagos tápra vonatkozik, nem valami extrém 5-600 wattos összesre.
A hozzászólás módosítva: Márc 6, 2018
(#) gerleimarci válasza ferci hozzászólására (») Márc 6, 2018 /
 
Igen, de én ezt csak megerősítettem és kiegészítettem annyival, hogy ami a 400W feletti PC tápokban van trafó(nagyobb, magasabb), annak a tekercseivel még lehet bűvészkedni csak más meghajtással.
Értsd jól
(#) ferci válasza gerleimarci hozzászólására (») Márc 6, 2018 /
 
Nem volt említve 400 watt feleti táp- csak egy pc táp. Erről ennyit, a többi ott van privátban.
Ez meg a "csalános" téma, remélem, érted..
Idézet:
„annak a tekercseivel még lehet bűvészkedni csak más meghajtással.”
A hozzászólás módosítva: Márc 6, 2018
(#) tothbela válasza gerleimarci hozzászólására (») Márc 6, 2018 /
 
Egy nagyobbacska PC trafó tekercseit szerettem volna sorbakötözni, de már a tekercsek beazonosításánál valami nem stimmelt. Volt sárga, meg vörös lakkozású huzal, amiről azt hittem sokat fog segíteni, mert a színek egyértelműsítik valamiképpen a tekercseket. A táp panelja alapján felrajzoltam, hogy is lehetnek a tekercsek. A 12V-hoz 2 szál 0,7-es huzal, az 5V-hoz 3 szál 0,7-es csatlakozott. De már akkor kezdődött a káosz, amikor leforrasztottam az elemi vezetékeket a lábakról. Páratlannak számoltam őket. Na nem baj, mert a primernél is van extra kivezetés, ami árnyékolásnak bizonyult. De amíg a 12V dupla vezetéke egymástól elektromosan szigetelt, addig az 5V vezetékei bármilyen módon mérve sípoltatta a multit. Talán leolvadt volna a lakkozás belül? A szaga nem ezt mutatta, mert bár egy megsült céges gépből lett kibányászva, nem volt büdös. Kínomban lebontottam. A vasat lefőztem róla, az megúszta. Ahogy tekertem le a huzalt, teljesen átlagos menetszámokat számoltam. Külső 19 menet, ez a primer félhíd tekercsének a fele. Szigetelés, árnyékoló rézfólia. Ennek a hozzávezetése ment a primer oldalra. Most jött 4 menet, 2 sárga, és 2 vörös huzalból, ami a 2X 7V-ot képviseli. Alatta a gyanús 2X 5V. Hát egy rézlemezből volt feltekerve 6 menet, a végein 3-3 vörös, a közepén 5szál sárga huzal ráforrasztva kivezetés gyanánt. Hát ezért volt zárlat minden variációban, és ezért volt páratlan számú huzal a szekunderen. Alatta természetesen a másik árnyékolás, meg a másik 19 menet.
(#) gerleimarci válasza tothbela hozzászólására (») Márc 6, 2018 /
 
Még nem tekertem le ilyet, de nálam rendben voltak a feszültségek és szálanként független volt. Ilyet még nem sikerült szétfőznöm,mert amiket én láttam 400W-os, azok magja valami fekete ragasztóval voltak összeragasztva, ami nem adta meg magát főzésre. EI-33 az könnyen szétjön.
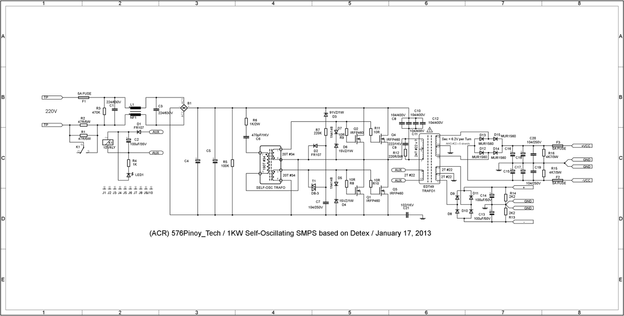
(#) Geri86 hozzászólása Márc 7, 2018 /
 
Sziasztok!
Találtam egy Fülöp-szigeteki fórumot, ahol önrezgőkkel foglalkoznak. Készítettek 1 és 2 KW-os példányokat is. Kicsit eltérnek a Skorié-tól, például más a pici önrezgő trafó (ee16/19 109/20/20 menetekkel). Érdekességképp hátha érdekel mást is.

Self-oscillating SMPS
A hozzászólás módosítva: Márc 7, 2018
(#) Skori válasza Geri86 hozzászólására (») Márc 7, 2018 /
 
Az egyik hozzászólótól, filippínó nyelven:
Idézet:
„kakabili ko lang ng inductance meter bka magamit ko dito sa project na to.”
Magyarul: most vett induktivitásmérőt, hogy használhassa a projekthez

Amúgy ezek önrezgő, de nem rezonáns tápok, mint ahogyan az én régi tápom sem az, és helyette a rezonáns változatot szoktam ajánlani, mint ahogy a lap alján (ahonnan a kép származik) ezt le is írom:
Idézet:
„A rezonáns változat hatásfok, megbízhatóság, védelem (zárlat-tûrés), és kisebb zavarsugárzás tekintetében is jobb ezen elõdjénél,”
(#) tothbela válasza Geri86 hozzászólására (») Márc 7, 2018 /
 
Ez olyan elrettentés céljából készült projekt. Kicsit még maradhatott volna a lapos elem plusz izzó lámpa kapcsolásnál.
(#) Zsarka válasza Geri86 hozzászólására (») Márc 7, 2018 /
 
Ha jól látom egy sorkimenő trafó feritje a trafó . Erről a projectről egy linket , tudnál é csatolni .?
(#) Geri86 válasza Zsarka hozzászólására (») Márc 7, 2018 /
 
Szia. Az előző hozzászólásomban ott van a link csatolva, a 40 oldal közül valamelyikben találtam. De az csak egy próbatrafó volt.
(#) Geri86 válasza Skori hozzászólására (») Márc 7, 2018 /
 
Skori a te sima önrezgődben hogyan alakulnak a menetszámok a kis gyűrűn például ha nagyobb ferritgyűrűt használok? Mennyi feszültségre kell tekerni?
A hozzászólás módosítva: Márc 7, 2018
(#) xitibi hozzászólása Márc 7, 2018 /
 
Sziasztok.! Eebben a kapcsolásban mi a t1?Bővebben: Link
A hozzászólás módosítva: Márc 8, 2018
Moderátor által szerkesztve
(#) tothbela válasza xitibi hozzászólására (») Márc 7, 2018 /
 
Egy sima tirisztor. Túláram esetén begyújt, és leállítja a működést.
(#) xitibi válasza tothbela hozzászólására (») Márc 7, 2018 /
 
kKöszönöm szépen.
A hozzászólás módosítva: Márc 8, 2018
Moderátor által szerkesztve
Következő: »»   709 / 787
Bejelentkezés

Belépés

Hirdetés
XDT.hu
Az oldalon sütiket használunk a helyes működéshez. Bővebb információt az adatvédelmi szabályzatban olvashatsz. Megértettem