Fórum témák

» Több friss téma
Fórum » Figyelmeztető fény és hang
Lapozás: OK   2 / 2
(#) dami válasza Gafly hozzászólására (») Jan 9, 2018 /
 
Köszönöm a hozzászólásokat.

Egyenlőre maradok a számomra legegyszerűbb (eredeti) megoldásnál, aztán majd meglátjuk mennyire válik be. Macsek71 javaslatára én is gondoltam, de azt majd akkor iktatnám be ha ez a megoldás nem kielégítő. Mielőtt nekilátok a dolognak a biztonság kedvéért magam is megnézem a helyszínen, hogy jelenleg pontosan mi hogy van.

Üdv.
dami
(#) Gafly válasza dami hozzászólására (») Jan 9, 2018 /
 
LED csíkot azért ne vesd el (nem trollkodás volt)...
A hozzászólás módosítva: Jan 9, 2018
(#) zandriis5 hozzászólása Ápr 5, 2018 /
 
Sziasztok!

Irányjelző villogtató tranzisztoros elektronikához szeretnék hasonló hangot kivitelezni, mint a 2006 után gyártott gépjárműveknél, ami kis hangszóróból ad amolyan kellemes határozott, de ugyanakkor lágy monoton pattogó hangot, ami hasonlit a régi irányjelző relé hangjára. Adott egy C1 kimenet, amin ugyanolyan ütemű szaggatott + jelenik meg, mint az irányjelzőkön működéskor. Erre a kimenetre szeretnék építeni egy kis hangszórót, lehetőleg pár tranzisztorral, kondival, ellenállással, amin hallhatom a leírt irányjelző hangot.
Létezik ilyenre kapcsolási rajz?
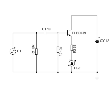
(#) proli007 válasza zandriis5 hozzászólására (») Ápr 5, 2018 /
 
Hello! Próbáld meg így, kattogni fog.. Hogy milyen lesz a hangja, az főleg a hangszóródtól fog függni. A "hangerőt" az R3 értékével beállíthatod.

TIC-TAC.png
    
(#) Gafly válasza zandriis5 hozzászólására (») Ápr 6, 2018 /
 
Diszkrét pattanást egyszerűen egy elektronika nélküli piezó zümmerrel is tudsz csinálni.
Vagy egy dinamikus hangszóróval, és vele sorban egy (elektrolit) kondenzátorral.
Megfelelő akusztikus környezet, és alkatrészek összeválogatása fontos!
Következő: »»   2 / 2
Bejelentkezés

Belépés

Hirdetés
XDT.hu
Az oldalon sütiket használunk a helyes működéshez. Bővebb információt az adatvédelmi szabályzatban olvashatsz. Megértettem