Fórum témák
» Több friss téma |
- Ez a felület kizárólag, az elektronikában kezdők kérdéseinek van fenntartva és nem elfelejtve, hogy hobbielektronika a fórumunk!
- Ami tehát azt jelenti, hogy a nagymama bevásárlását nem itt beszéljük meg, ill. ez nem üzenőfal! - Kerülendő az olyan kérdés, amit egy másik meglévő (több mint 17000 van), témában kellene kitárgyalni! - És végül büntetés terhe mellett kerülendő az MSN és egyéb szleng, a magyar helyesírás mellőzése, beleértve a mondateleji nagybetűket is!
Bővebben: Link
Itt vannak állítható, kijelzővel egybeépített változatok. Van olyan is, amelyik akku kapacitást is kiír. Például ez:
Sziasztok.
Van egy 4500 5.1 genius hangfal szettem. Hogyan lehet a stanf bye funkciot vissza varázsolni régebbibe még benne volt de az enyémbe már reset gomb kapot helyette szerepet. Tudnátok ebbe segíteni?? (Genius topikba nem nagyon olvasták..... így áthoztam.)
Nem feltétlenül kétszínű LED-del lenne, az részletkérdés. A lényeg az lenne, hogy ha az elosztóban van áram, akkor az egyik világítson, ha nem, akkor pedig a másik. Szóval mindenképp kell egy másik táp, Ez lehetne pl. DC 5V (powerbank, 5V-os mobiltöltő más konnektrorból, nem ez a lényeg).
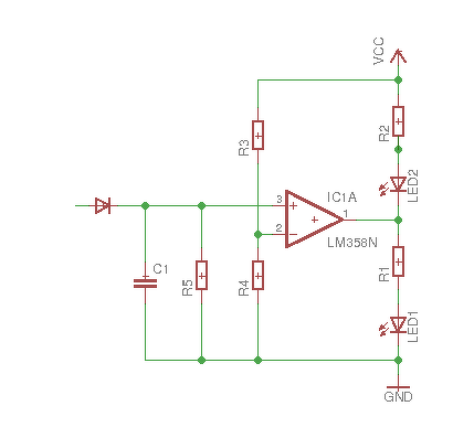
Csatolom az ötletemet, röviden a komparátor kimenetéről kapcsolgatnám a 2 LED-et, R1 és R2 az áramkorlátozó ellenállásuk. R3-R4 feszültségosztóval csinálok 2,5V-ot a komparátor egyik bemenetére, a másik bement jönne a konnektorból a diódával egyenirányítva és a kondival simítva, az R5 lehúzó ellenállás hogy ne lebegjen a bemenet ha nincs áram. Ez szerintem akár működhetne is, csak a konnektorból a D1-re érkező jelet kellene úgy lecsökkenteni, hogy ne legyen életveszélyes. Adná magát a trafó, de az nagy és drága. Lehet, hogy egy másik dugasztáp (megtört csatlakozójú telefontöltő) lesz belőle...
Úgy látom, hogy ennél csak a kimenő feszültség állítható, az áram nem.
Az "Adjustable CC CV Step-down" kifejezésre érdemes rákeresni
Nem tudom, miért ragaszkodsz a két LED -hez, ha csak egy van, annak is ugyanannyi az információ tartalma. Ha világít, akkor van, ha nem világít, akkor nincs feszültség. A megoldás is sokkal egyszerűbb. Két LED -el több információt lehet ugyan megjeleníteni, a feszültség alacsony, magas, megfelelő, vagy nincs. Szükséged van rá, mert ha igen, akkor érdemes tornázni.
Csatlakozva pucuka hozzászólásához értem én, hogy jelezni akarod, hogy BIZTOSAN nincs feszültség, de épp erre találták ki a (majdnem) örök életű glimmeket, amit minden kapcsolós elosztóba be is építenek. Ha van feszültség, parázslik.
A feszültségmentességet jelezni épp a jelző áramkör meghibásodási lehetősége miatt nem célszerű, ez olyan mint a fénysorompós vasúti átjáró. Ha jön a vonat jelzi, ha szabad a jelzés van, akkor neked kell eldöntened, hogy áthaladhatsz vagy sem. A hozzászólás módosítva: Ápr 10, 2018
A legkorrektebb megoldás, ha egy kétáramkörös(!) váltókapcsolót építesz be, a bejövő feszültséget kötöd a közös pontra, az aljzatokhoz elmenő sarukra a "meleg" jelzést adó fényforrást, a másik érintkezőpárt pedig a feszültségmentesség jelzésére. Egyáramkörös kapcsolót használni nem szabad, mert bár a kijelzés működhet, az egyik vezeték állandóan galvanikus kapcsolatban marad, és ha az a fázis....
Ennek a megoldásnak is megvan az a durva hibája, hogy a bejövő nulla szakadása esetén ugyan nem világít semmi, (ami jelzi, hogy valami gond van), de az aljzatokon kinn lehet a fázis.
Most Stewe kommentjére is válaszolok.
A probléma: van az íróasztalomon egy kapcsolós elosztó, piros világító kapcsolóval. Ebbe van dugva - mások mellett -egy notebook töltő, aminek a csatlakozóján van egy kék színű gyűrű, ami szintén világít ha a töltő áram alatt van. És nekem mindezek ellenére sikerül néha a kikapcsolt elosztóba dugott töltőre tenni a notit, majd csodálkozni azon, hogy lemerült és kikapcsolt. ![]() Szóval user error van, én vagyok a bal****, nem is ez a kérdés. Viszont tervezek egy dashboard-szerűséget, amin bizonyos dolgok állapotát kb. piros és zöld LED-ekkel jelezném ki, és ez egy elég jó ok ahhoz, hogy annak is nekikezdjek. Szóval erre keresek megoldást, de egyre jobban hajlok arra, hogy túrjak egy mobiltöltőt, és azzal vegyem a jelet az elosztóból.
Találtam három 7 szegmenses kijelzőt:
- Ilyen 2 számjegyű piros - Hasonló hp egy számjegyes "HDSP-4033" - TIL311 egy számjegyes piros A kérdésem az, hogy lehet-e ezekből valamit építeni? Esetleg az összes felhasználásával egy egyszerű órát? ![]() (Fel nem használt PIC16F887 mikrokontrollerrel és próbapanellel rendelkezem.)
Lehet gombhoz kabátot varrni, a fantáziád eldöntheti, hogy milyen kabátot.
6 digites frekvencia mérő PIC -el, óra perc másodperc óra, stopper, időzítő PIC -el, sebesség/fordulatszám, feszültség áram, ellenállás, stb A hozzászólás módosítva: Ápr 10, 2018
Akkor a probléma lényege, hogy minden egyes aljzathoz szeretnél egy folyik áram/nem folyik áram kijelzést?
Ha beledugtál valamit, és nem változik a jelzés, akkor tudd hogy nincs minden rendben?
Nem, itt az áram nem érdekel, az érdekel, hogy feszültség alatt van-e az egész elosztó vagy nem. (Amúgy a dashboard téma bizonyos részei árammérést is tartalmaznak majd (megy-e a sütő vagy a bojler), azok majd Hall elemmel lennének megoldva.)
A kérdés az, hogy egyszerűen, biztonságosan és olcsón megoldható-e a hálózati feszültség érzékelése, vagy inkább áldozzak fel egy 500 Ft-os uUSB adaptert?
Az is elég lenne ha csak órát plusz percet mutatna és 3 gombbal lehetne beállítani.
Kösz, de ilyesmi van, és nem ez a cél. Viszont jobban belegondolva tárgytalan, körbekérdezek a családban és a haveri körben, tutira van valahol egy megtört kábeles USB dugasztáp, azt szerintem megkapom ingyen, de max. egy villásdugó áráért. Onnan meg mehet az 5V a komparátoromra.
A hozzászólás módosítva: Ápr 10, 2018
Sikerült már egy LED-et villogásra bírnod a PIC-el?
Üdv! Nincs túlkombinálva ez a kérdés? Amiket olvastam, a szerint egy feszültségmentes konektorba dugott szerkezet esetén egy mechanikus csengő kellene.
Vagy a mellékleten szereplő. A hozzászólás módosítva: Ápr 11, 2018
Üdv. tudtok valami megoldást az alábbi problémára.
Vagy egy ledes menetfényem. Sajna az elektronika megadta magát. Valahogy úgy szeretném megoldani hogy a motor indítás után amikor eléri a 13V+ ot akkor kapcsoljon be. Ez egy sima relé tudom. De viszont hogy tudom megoldani hogyha felkapcsolom a tompítottat a fényereje csökkenjen a felére? Előre is köszönöm a segítséget.
Sziasztok, egy LC1D18BL mágneskapcsoló: adatlapja nem alulméretezett akkor, ha rövid ideig 25A-t kapcsol?
Üdv! Mi módon hajtod meg a LED-eket?
Hello! Miért szükséges az aski feszültségét figyelni? A gyújtás nem megfelelő erre a célra? Pld..
Azért mert nem akarom megbolygatni a kábeleket. És egyszerűbb az aksi feszültségét figyelni mint a gyújtás kábelre rákötni ami egy hibalehetőség a vezetéken ami miatt mozgásképtelen a kocsi.
Éppen a kapcsoláskor keletkező ívek roncsolják a legjobban az érintkezőket. Ha behúzott állapotban ugrik meg röbid időre az áram, azt ki fogja bírni, persze kérdés, hogy mennyi a rövid idő.
Ha a kapcsolás 25 A kapcsolással jár, inkább vegyél nagyobbat, különben sűrűn cserélgetheted a mágneskapcsolót.
Tőlem.. Én megrajzoltam, de így az önfogyasztása állandóan rajt van az askin, ami kb. 1..5-2mA lesz. Ide teszem a rajzot..
A hozzászólás módosítva: Ápr 13, 2018
Sziasztok, építettem egy sáváteresztô szûrôt (10kHz) ami tökéletesen gerjed
. Az alább látható alkatrészekkel gain=2, Q=100 lenne. De miután lecserélem tejesen más alkatrészekre (gain=1, Q=15) akkor is ugyanúgy gerjed. LM358-al, 4-12V között ugyanazt csinája. A kapcsolási rajzon nem látni, de tettem puffert mindenhová, a féltáphoz is, és hidegítô kondik is, a panel hátulja teliföldes. Mégis mindenféle bemenet nélkül oszcillál. Lecseréltem NE5534-re, ekkor meg nem csinál semmit, mármint mély csend van a kimenetén, a bemenettôl függetlenül. Hogyan kéne paraméterezni, miután erre szolgáló programokkal nem jutottam eredményre? Mire kell figyelni ilyen szûrôknél? Analóg elektronikában kevés tapasztalatom van.
Sziasztok!
Megtudnátok mondani hogy FAN7529 helyett felrakhatom FAN7527-et 17PW20 v2 tápegységbe? Csak itthon néztem meg hogy nem azt kaptam amit rendeltem, az üzletben valószínű mellé nyúltak az alkatrésznek. Köszönöm! |
Bejelentkezés
Hirdetés |






Esetleg az összes felhasználásával egy egyszerű órát?
Vagy a mellékleten szereplő. 
. Az alább látható alkatrészekkel gain=2, Q=100 lenne. De miután lecserélem tejesen más alkatrészekre (gain=1, Q=15) akkor is ugyanúgy gerjed. 





