Fórum témák
» Több friss téma |
- Ez a felület kizárólag, az elektronikában kezdők kérdéseinek van fenntartva és nem elfelejtve, hogy hobbielektronika a fórumunk!
- Ami tehát azt jelenti, hogy a nagymama bevásárlását nem itt beszéljük meg, ill. ez nem üzenőfal! - Kerülendő az olyan kérdés, amit egy másik meglévő (több mint 17000 van), témában kellene kitárgyalni! - És végül büntetés terhe mellett kerülendő az MSN és egyéb szleng, a magyar helyesírás mellőzése, beleértve a mondateleji nagybetűket is!
Sziasztok!
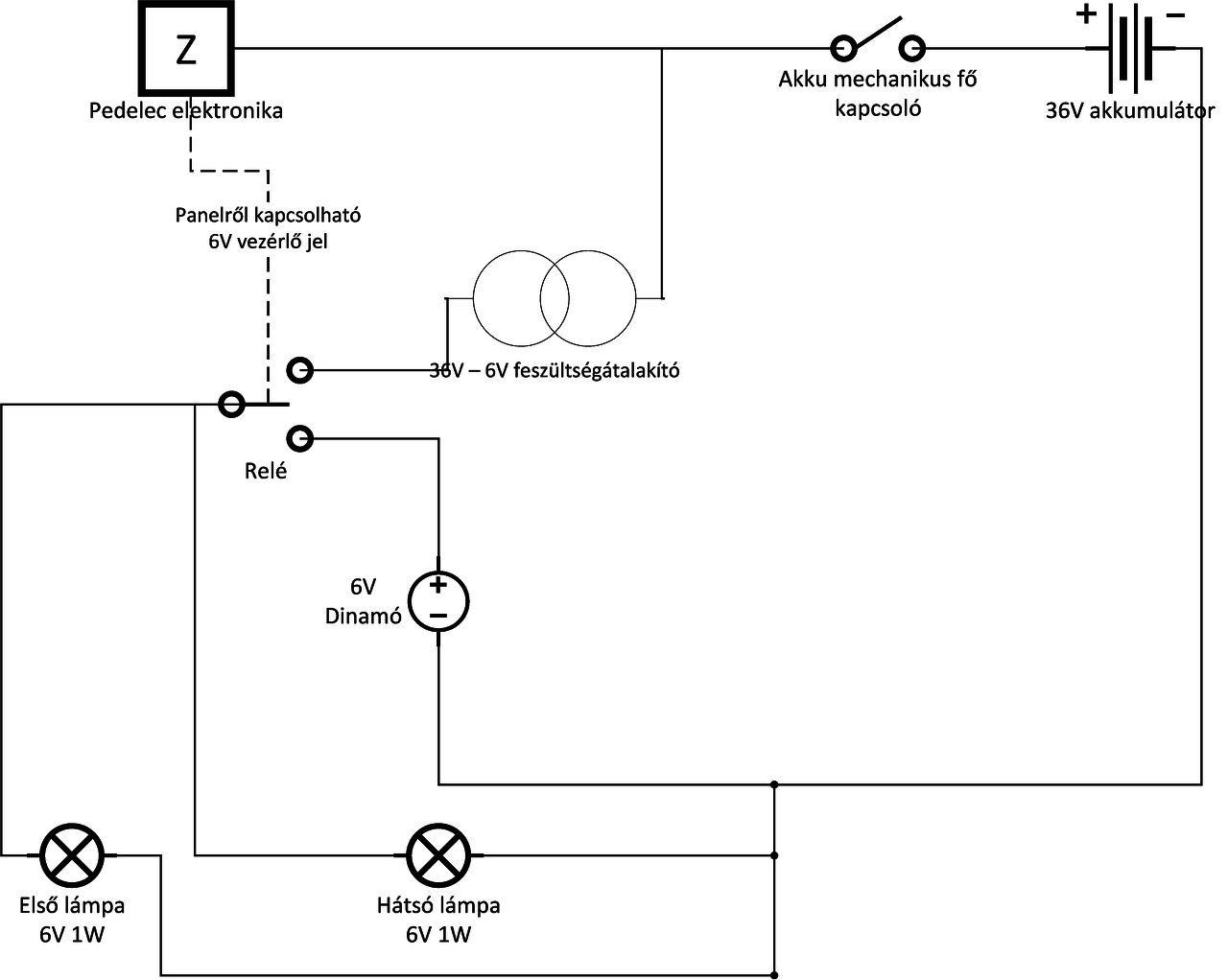
A javaslatotokat szeretném kérni a következő problémára. Építettem egy pedelec bringát, aminek van egy vezérlőpanelről kapcsolható 6V kimenete a világításhoz. Sajnos a kimenet nem bírta el a 2,4W első halogén, és a 0,6W hátsó izzókat. Vettem ezért két 1W-os ledet, és lecseréltem az izzókat ezekre. Még ezeket sem bírja el, mivel a ledek csak felvillannak szabályos időközönként, de nem világítanak folyamatosan. Ezért azt találtam ki, hogy kéne egy külön áramátalakító, ami a 36V-ból 6V-ot csinál, és egy relé, ami kapcsolja az áramforrást az áramátalakító és a dinamó között. Meghagynám ugyanis a dinamót is, mivel ha lemerül az aksi, akkor is kellhet világítás. A vezérlőpanel által kapcsolható 6V-os kimenet kapcsolná a relét, azt remélem elbírja. Abban kérem a segítséget, hogy hol, és milyen relét vegyek (mechanikus, szilárdtest, stb?) ami kevés áramot fogyaszt, és milyen áramátalakítót, aminek jó a hatékonysága. Előre is köszi a válaszokat.
Szûrve van 10u elkókkal és kerámia hidegítôkkel is. Rajzon ugyan 10k van, de valójában 1k. Nyilván mivel én sem hittem benne, ezért levettem a Q-t 15-re, (erôsítést sem lihegtem túl mert elég erôs a jel). De mindezt írtam már elsôre.
A táp LiPo akkuról van, tehát onnan sem kaphat zavart. Ha tudnám miért nem mûködik, nem írtam volna ![]() Nyák topológiája hátha beszédes, fotót mellékeltem (itt még nyilván nincs fent minden). Az átvitt jel torzítása megengedett, lényeg hogy valamit csináljon a kimenetén. Négy egymás utáni szûrô lenne a minél magasabb szelektivitáshoz, de egyesével sem jók, mind gerjed.
Azt hiszem megtaláltam a hibát. Volt egy sejtésem, hogy ennyire alacsony értékû 39 Ohm ellenállásokkal nem szabadna összeraknom, a kapacitásokat lecsökkentettem ötödére, az ellenállásokat pedig hogy kiadják a kívánt frekit. Most nem gerjed, teszi a dolgát (még ki kell mérnem persze hogy mennyire jól).
Sziasztok! Azt szeretném kérdezni,hogy ha a telkünkön,van egy folyamatos internet eléréssel rendelkező,állandóan bekapcsolt állapotban levő pc,akkor hogyan oldhatnám meg a legegyszerűbben,hogy otthonról bekapcsoljak egy 220v-os fogyasztót? Előre is köszönöm!
Fogsz egy régi telefont, rezgőre állítod, a rezgőmotorról pedig leveszed a jelet. A PC-t meg használod amire akarod.
Köszönöm! Igen,de nem szeretnék feltöltő kártyát.
Köszönöm,hogy foglalkoztál a kérdéssel! A gépet szívesen lecserélem az egyszerűbb megoldás érdekében,ha kell.A távvezérlés nem lenne gond,és talán még a pic programozás sem. Megnézem a javasolt programot is,mert az nem tiszta,hogy távoli eléréssel hogyan tudom megmondani mondjuk azt,hogy egy usb porton (vagy LPT,COM) kiküldjek egy jelet.
COM porton a modemvezérlő jelek állítása a legegyszerűbb.
PC helyett a Sonoff a legkézenfekvőbb. Igaz WiFi kell hozzá, de manapság már az a router ritka, amelyikben nincs WiFi. A fogyasztás pedig töredéke egy számítógép fogyasztásának. A hozzászólás módosítva: Ápr 15, 2018
Szia, Ez garantáltan nem fog beégni.
Nekem teljesen mindegy.
Sziasztok!
Segítséget szeretnék kérni a következő témában: Van egy orosz akkutöltő,amit rendbe szeretnék tenni és ebben van két fajta alkatrész,aminek a helyettesítésével kapcsolatban szeretnék választ kapni. -Az első egy D242 számú dióda,amiből van benne négy és ebből kettő zárlatos.Ezt mivel lehetne helyettesíteni,mik a lehetőségek?Gondolom,mind a négy csere lenne.... ![]() -A másik egy szerintem kondenzátor.Ennek is a helyettesítésére szeretnék tippeket,lehetőségeket. Mellékelek képeket.
A dóda 10A 100V. A kondi iztos hogy rossz?
Nem tudom,hogy rossz-e,de ha meg tudom oldani azt is cserélném.....
A dióda értékét tudom,de mivel lehet helyettesíteni?Ugyanilyen tokozásúval vagy lehet más is, vagy lehet kész híd????Egy típusszám vagy valami ilyesmi érdekelne....de egyenlőre azt sem tudom,hogy muszály-e ilyen csavarosnak lennie? A hozzászólás módosítva: Ápr 15, 2018
Bármilyen más dióda lehet, amit a helyére be tudsz rakni. Dióda híd is jó csak macerásabb.
A kondi 50nF nem elkó.
Hello! A négy dióda helyett gazdaságosabb ma, ha egy ilyen hidat alkalmazol. (Némi hűtéssel, mert a diódák alján is látszik a túlmelegedés nyoma.)
A kondi várhatóan a hálózati zavarszűrő, amit egy ilyen X2-es kondival lehet pótolni. Megjegyzem nem ártott volna a töltő típusát is közre adni, hogy ne csak a sötétbe kelljen tapogatózni. A hozzászólás módosítva: Ápr 15, 2018
Ezt az orosz töltőt érintésvédelmi szempontból is át kell vizsgálni. A Szovjetunióban (a töltő korából kiindulva) a 220V -os hálózat nem volt földelve.
A hozzászólás módosítva: Ápr 15, 2018
Itt egy kép a címkéjéről,ha ez segít.Más írás nincs rajta.
Igen jól látod,nincs védőföld rajta,ez is pótolva lesz,amennyiben működni fog.
Köszi a segítséget!
Egyébként a KY708 nevű diódával behelyettesíthetőek amik,most benne vannak?
Hú,köszönöm,ez nagyon ígéretes,utána olvasok..
Pár dolog:
1. ahogy nedudgi írta is, a PC elég sokat fogyaszt, érdemes mást használni helyette 2. a sonoff is jó lehet, ha van wifi 3. ha nincs wifi, de van vezetékes port, akkor egy párezer Ft-os raspberry pi 1 is jó lehetvagy egy pi0 valamilyen USB-s hálókártyával. Erre teszel egy linuxot és lesz rengeteg GPIO-d, amit fel-le kapcsolgathatsz, optocsatolón keresztül ráteheszel egy relét és jóidő 4. ugyanez pepitában: ha olyan router-ed van, amin van USB port és tudsz rá openwrt-t tenni, akkor egy usbserial adapteren keresztül vezérelhetsz mondjuk egy arduino-t, arról pedig pedig digit lábról opto, majd relé. 5. érdemes végiggondolni, hogy legrosszabb esetben mi történhet, ha a kapcsolt eszköz így vagy úgy marad. Mert a hálózat elmehet, a használt eszközök is meghibásodhatnak, a szomszéd hibás eszköze szétvághatja a wifi sávot, stb. Szóval mi történik akkor, ha mondjuk a vezérelt eszköz bekapcsolva vagy kikapcsolva marad mondjuk 2 napig vagy két hétig? Okozhat-e ez kárt? Mert ha igen, akkor célszerű erre is felkészülni.
Köszönöm! Wifi mindenképpen lesz, és ez a sonoff nagyon szimpatikus.Rendelek egyet az aliról.
Könnyű installálni? Ha jól láttam,akkor az alkalmazáshoz regisztrálni kell egy oldalon.
Sziasztok!
Egy normálisabb autós mobil töltő elég húzós,az olcsók pedig nem sok mindenre jók.Egy sima dc-dc konverterrel működőképes lehet a töltés?
Sziasztok!
Vettem korábban egy CO hegesztőgépet,aminek huzaltolási problémái vannak.Alacsony huzalsebességen akadozik a tolás.A motort leszerelve a tolóműről érezni,hogy alacsony fordulatszámon időnként kihagy. Ha rákötöttem egy akksis fúró motorja helyére ,ott szépen forog kis fordulaton is. Kérésem a következő: Tudna valaki pár szót mondani a kapcsolás működéséről? Lehetséges,hogy a motor szakadozhat,és emiatt hagy ki egy egy "ütemet"? Ha jól látom,ez a lüktető egyenirányított hegesztőfeszültségről megy.Ha sima DC-vel táplálom meg,akkor is működhet? Köszönöm előre is! István A kapcsolási rajz
Jó lehet de számolj azzal, hogy a konverter zavarhatja a rádióvételt, már ha ez szempont. Ezt kiküszöbölendő én 7805-ös IC használatával csináltam töltőt.
Egy trükk van. Ha a D+ és D- lábakat szabadon hagyod, akkor a töltés max. 0,5 A-rel történik, ez egy normál okostelefonnál öt-hat órás töltési időt jelent úgy, hogy közben a telefont nem piszkálod.
Üdvzöllek,
Facebookon találtam egy tápegységről egy képet. Mi a különbség a +5v, -5v, a +12v, és a -12v között? A fényképet csatolom a hozzászólásomhoz. Üdv, László |
Bejelentkezés
Hirdetés |

















