Fórum témák

» Több friss téma
Fórum » Kapcsolóüzemű (PWM) végfok építése
Lapozás: OK   200 / 241
(#) Karesz 50 válasza Karesz 50 hozzászólására (») Ápr 16, 2018 /
 
Természetesen ezen kattogok már hajnalban, hogy hogyan és mitől szálltak el a fetek. Mindig csak egy rövid pillanat volt, úgy tűnt egyetlen impulzus és mindig a drain-source került rövidzárba. Túláram nem lehetett, mert 100 A-nek már nyoma lenne. Vagy túlfeszültség volt (nagyobb, mint 100 V), vagy túl magas Ugs. A végfetek kb. 2x5 cm-es réz hűtőlemezen vannak. A felső FET nem melegszik, az alsó 40-50 fokos. A fet meghajtó BC546 50-60 fok, a ZTX tűzforró. Szerintem a BC556 nem bírta a kiképzést, ezért cseréltem ki hajdan ZTX-re - de ezek mindig túlélték. Túl magas az Ugs vezérlő fesz, de ha +/-13 V alá csökkentem a tápfeszt, akkor belassul a komparátor.

@Béla: egyszer szórakoztunk azzal, hogy vajon mekkora Ugs-t visel el a MOSFET. Mértem az IRF540-t és úgy rémlik 40-50 V-ot kibírt. Nem emlékszel mennyit mértem pontosan? Nem tudom melyik topikban lehetett. délután beteszek egy-egy 22 V-os Zener-t. Ha melegszik, az Ugs a bűnös. De inkább ara gondolok, hogy a félhíd kimenetén meghaladta a 100 V-ot a túllövés mértéke.

Próbáltam megmérni a felső fet Ugs-ét úgy, hogy a szkóp GND-jét a kimenetre csatlakoztatom (ezt egy analóg simán bírja) de azonnal belehalt az alsó fet.
(#) tothbela válasza Karesz 50 hozzászólására (») Ápr 16, 2018 /
 
A komparátor tápja az maradhatna, csak a segédtáp növekedését kellene megfogni. A szimuláción is látszik, hogy kétszeresére növekedett a segédfesz, ha magasabb frekvenciás a moduláció. Szívesebben forrasztanék, de percek múlva szkafander lesz rajtam, oszt bele az autoklávba tisztítani.

Ha szépen megfogjuk szekunder utáni jelet, teljesen jó.
(#) tothbela válasza Karesz 50 hozzászólására (») Ápr 16, 2018 /
 
50V körül ütött át a gate emlékszem. Az aszimmetrikus fet melegedésnek oka lehet, hogy a kapcsoló jelek nem egyformák. Akár a felső oldali trafó kapacitása elég, hogy a kimenetről visszahasson. Tekercselési iránytól függően lassíthatja, vagy gyorsíthatja is a kapcsolást. Minél tovább gondolkodok, annál jobban úgy érzem, nagyon be kell lőni a két fet meghajtókörét.

A ztx kisütő forrósodás oka lehet, ha túl nagy feszre volt töltve a gate. Annak idején volt is szó erről itt a fórumon. Bár igazából a DS kapacitás visszahatása a keményebb dió, mert addig szegény ztx ott izzad a millerplatón. Ha meg lassítanánk a kikapcsolást, csak újabb késleltetés növekedés lenne az eredmény. Nem akarok nagyon megzavarni senkit, de a gatemeghajtás keménykapcsolású. Lehet, hogy ilyen gyors áramkörnél egy ellenállással csillapított pici induktivitás kellene a gate elektróddal sorba. (jó lenne rajzolni, de nem tudok). Nehogy komolyan vegye valaki, mert csak agyalok. Otthon megnézem szimulátorba, csak az még odébb van.
(#) Peter65 válasza Karesz 50 hozzászólására (») Ápr 16, 2018 /
 
A számozás és a szkóp felvételek alapján a kimeneti fetek és a táp hidegítése között nagy induktív hurok lehet. Legalábbis más nekem nem magyarázhatja az élváltásoknál a túllövést. Ez oka lehet a fetek halálának is. Valahogy közelebb kellene tenni a feteket, és a félhíd két végére egy fóliakondit (mondjuk néhány uF) tenni, természetesen a fetekhez minél közelebb.

A ZTX tranyók melegedését magyarázhatja a zénerek hiánya. Esetleg meg lehetne próbálni, a táp kondenzátorok kapacitását csökkenteni, mondjuk lefelezni 2x22nF-ra. Elvileg elég lehetne egy nagyságrenddel nagyobb, mint a gate kapacitás.
(#) tothbela válasza Karesz 50 hozzászólására (») Ápr 16, 2018 /
 
kinyírok egy fetet

Itten van-e. Nagy nehezen megleltem.
(#) Karesz 50 válasza tothbela hozzászólására (») Ápr 16, 2018 /
 
Ügyes vagy. Tehát nem a Ugs fesz nyírja ki. Méricskéltem. Mindjárt összeszedem a gondolataim, ami nálam nem egyszerű (és rajzolnom is kell hozzá).
(#) Karesz 50 válasza Peter65 hozzászólására (») Ápr 16, 2018 /
 
Közvetlenül a fetek lábaira forrasztottam 470n fóliakondit. Ebben a "gubancban" viszonylag hosszú vezetékek vannak, írtam is, hogy ebből nem lehet normális pwm-et csinálni. Nincs mese, normális nyákot kell tervezni hozzá. A ZTX emitter ellenállás nélkül süti ki a gate kapacitást és mint Béla is írta, a nagyfeszültségre töltött gate-ből rengeteg töltést kell kihúznia. Mindjárt kiteszek néhány mérést - van amit nem értek.
(#) Karesz 50 hozzászólása Ápr 16, 2018 /
 
Ma rájöttem, hogy ki tudom mérni a felső FET Ugs feszültségét. Ha a GND-hez csatlakozok a szkóp GND-jével és az első sugár a félhíd kimenetén van, a második sugár a felső FET gate-jén, akkor csak ki kell vonni a két feszültséget egymásból - a különbség az Ugs. Pofon egyszerű, ezért tűnt bonyolultnak. Szépen látszik, hogy 0/19V a felső feten az Ugs. A fel- és lefutóéleket kinagyítottam.
Tehát nem kell Zener bele szerintem.
(#) Karesz 50 hozzászólása Ápr 16, 2018 /
 
A két gate feszültség együtt. Ebből sok minden kiderül.
(#) Karesz 50 hozzászólása Ápr 16, 2018 /
 
Egy kis "magyarázat" a képekhez. A FET-ek nem nyitnak össze, az Ugs fesz tökéletes - azt leszámítva, hogy túl nagy.
(#) Peter65 válasza Karesz 50 hozzászólására (») Ápr 16, 2018 /
 
Az, hogy statikusan, azaz állandó pwm értéknél beáll az Ugs jó értékre, az nem jelenti azt, hogyha mondjuk 10kHz-es négyszögjellel megküldöd, akkor is jó lesz. Ha megoldható akkor mérd meg, de lehet hogy egyből el is durrantja a feteket. Nem a nagy Ugs elsősorban, hanem az éleknél nem tudja a segédtápfesz lekövetni a változást, és ezért nem tudja kikapcsolni a trafón lévő jel a hozzá tartozó fetet. Szerintem ezért továbbra is kellene a zéner.
Még néhány gondolat:
A fet meghajtó jellel lejjebb lehetne menni, ahogy korábban írtad.
Úgy tűnik, hogy egy kicsit összenyitnak a fetek. Ha lejjebb mennél a meghajtó jellel, ebből a szempontból is javulhatna a helyzet. Ha indokolt, a segédtáp átvariálásával elérhető bármilyen vezérlő jelszint, pl.: -5V, +10V.
Lehet, hogy a gubanc az oka, de a lefutó él után még mindig nagy a túllövés.
(#) Karesz 50 válasza Karesz 50 hozzászólására (») Ápr 16, 2018 /
 
Még két kép.
62%-os modulációnál az 1 kHz-es és a 24 kHz-es szinuszos jelnél a két FET Ugs feszültségének változása. Folyamatosan növelve a frekvenciát, tetőesése lesz az Ugs fesznek. Ezt nem értem miért/mitől van, de valószínűnek tartom, hogy ez okozhatta a fetek halálát.

Igen... most visszagondolva... zenehallgatás közben háromszor is leállt a végfok. Ezt előbb meg akartam érteni mitől van és csak ezután szóba hozni. Tehát ettől. Egyszer kiment a hangszóróra a negatív féltáp, de elég gyors voltam és semmi nem károsodott. Azután kétszer csak úgy elhallgatott. Újra indítottam és szólt tovább mindhárom esetben.

És most már, hogy nagyon sokszor volt ki-bekapcsolva, előfordult, hogy bekapcsoláskor nem indul be a rezgés. Ilyenkor ki-be kell kapcsolgatni.
(#) Karesz 50 válasza Peter65 hozzászólására (») Ápr 16, 2018 /
 
Megvárom míg kiértékeled az utóbbi képeket.
(#) tothbela válasza Karesz 50 hozzászólására (») Ápr 16, 2018 /
 
Nem akarom befolyásolni a döntésed, de nagy érvágásnak tartanád ha maradna a kitűnő trafós szintáttevés, de a segédtáp (a lebegőtápot is beleértve) a hagyományos módon lenne előállítva ? Szimulációban nagyon szépen üzemel.
(#) Karesz 50 válasza tothbela hozzászólására (») Ápr 16, 2018 /
 
Nem tartanám nagy érvágásnak, de most ennek szeretnék a végére járni, aztán majd visszatérünk rá. Nem tudom most átlátni, hogy a fesz-idő területtel nem tolódik-e el az Ugs. Hogy tudtad leszimulálni? Kicsit zokni vagyok most agyilag.
(#) Karesz 50 válasza Peter65 hozzászólására (») Ápr 16, 2018 /
 
Meg Bélának (és a "setétben ólálkodóknak" is szól).
Jó ötlet volt ez a négyszögjeles mérés. 1 kHz-el mértem. (A növekvő frekvenciával arányosan enged kisebb a modulációs mélységet.) Úgy tűnik - bár ez még nem biztos - nem is végfokkal van gond, hanem a tápegységgel. A fojtó visszatáplál és ennek nagyon nem örül egy stabilizált táp. Növekvő kivezérlésnél megnő a tápfesz és mindenféle zavar jelenik meg a tápban... a Deprez műszer mutatója először elkezdett ugrándozni, aztán pedig lekapcsolt a túláramvédelem. Nem akartam újra kinyírni a feteket, mert nem szeretek feleslegesen forrasztgatni Túl élték. A jelenség érzékelhető. De azért még aludni kell rá egyet.
A hozzászólás módosítva: Ápr 16, 2018
(#) tothbela válasza Karesz 50 hozzászólására (») Ápr 16, 2018 /
 
A trafó az a szimulátorban nem trafóként működik, így mindenféle trükkös dolgokkal kellett. Megint nem otthon vagyok, de holnap kifejtem. Konkrétan az fesz-idő eltolódásból az uniformizált 0-12V kapcsolójel előállítása lett a mániám. A holtidő, meg a túllövés meg majd megoldódik. Én nem vagyok pwm guru.
(#) tothbela válasza tothbela hozzászólására (») Ápr 17, 2018 /
 
Itten csatolom a CM fájlokat. Gondolom világos az a két ideális opa funkciója a rajzon. Ha tudnám hogy kell trafót üzemeltetni a programban, akkor azt tettem volna bele.

Közben észrevettem hogy a két szimuláció neve fel lett cserélve. De most nem ez a lényeg.
(#) Peter65 válasza Karesz 50 hozzászólására (») Ápr 17, 2018 /
 
Az 1500-as képen látszik az, amit igyekeztem elmondani. Az éleknél látszik, hogy megemelkedik a feszültség.
Az 1498-as képre nem tudok semmi értelmeset mondani. Ha a meghajtó rész tápja is beszakad, akkor értem, egyébként nem.
Ahhoz, hogy biztosabban induljon, több mindent lehetne tenni; egyrészt szintén a zéner dióda segíthet, mert a bekapcsolás is egyfajta "élváltozás", másrészt ha a trafónak lenne feszültség-idő tartaléka (nincs teljesen kihasználva a vas), akkor biztosabban tudja követni a bekapcsolási tranzienst. Az is probléma lehet, hogy a táp kondikat valamennyire be kell töltenie, mert anélkül nem tudja elérni a nyitófeszt, azaz a táp kapacitások csökkentése is segíthetne.
Béla rajzából jutott eszembe, hogy ha a soros kondik végeire egy 0,1...1µF-os kondit beraknál, akkor a soros kondikat 4,7-10nF-ra, vagy még kisebbre le lehetne csökkenteni. Így lehet, hogy már a feszültség sem emelkedne meg, azaz nem kell zéner.
(#) Karesz 50 válasza tothbela hozzászólására (») Ápr 17, 2018 /
 
Nekem gyanús, hogy az a fojtó nem úgy viselkedik ott mint kellene. Talán valami más modellt kellene a trafó helyettesítésére kitalálni.
(#) Karesz 50 válasza Peter65 hozzászólására (») Ápr 17, 2018 /
 
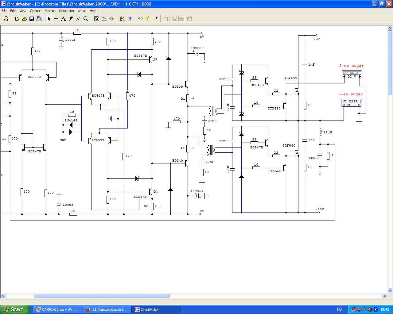
Egészen biztos, hogy igazad van. Elrettentésképpen megmutatom a gubancot, hogy mindenki "lássa" hogy nem szabad és érthető legyen miért vagyok lusta valamit kivenni, vagy belerakni.

Azt a Zenert mindenképpen beleteszem most már és kell a Gulyi88 által javasolt kisütő ellenállás is, mert ennek hiánya ma nagyon megszívatott - és lehet, emiatt nem indul be időnként a rezgés.

Szóval... arra gondoltam, hogy az analóg végfok mintájára kellene felépíteni a pwm-et is. A komparátorban csak egyetlen jelföld vezeték legyen, amire bemeneti összegző fokozat GND-je csatlakozik és csak az ez egy szál vezeték (fólia) megy a pufferekre. A nagyáramú táp földpontjára csak a terhelés és a kimeneti szűrő kondija kell csatlakozzon semmi más.
Ma ezt akartam kipróbálni, hogy vajon mit fog lépni a gubanc ilyen hosszú és kusza vezetékezésre. Azt lépte, hogy 2.5 MHz lett a vivő. Jól megszórta a légmagos fojtó a vezetékeket. Ezzel küzdöttem egy ideig, míg végre viszonylag stabil, néhány száz kHz-es vivőfreki lett. Ki is mertem vezérelni kb. 75-80%-os modulációig, szinusszal és négyszöggel is (már nincs humorom állandóan végfeteket cserélgetni). Nagyon tökéletlen az egész, de némileg működik (+/-23 V tápról). Aztán egyszer csak rövidre zárta a félhíd a tápot. Na... csak megküldtem a feteket - mondom magamban (és még mást is mondogattam). Kikapcsoltam, bejöttem a gép elé. Oszt itt - ahogy olvasok - eszembe jutott, hogy tán feltöltődve maradtak a 47 nF-ok. Kimegyek, bekapcsolom, rövidzár. Megtapogatom a kondikat kisütés céljából - bekapcsolom, műkszik. Szóval kell bele az a kisütő ellenállás.

CAM01501.jpg
    
(#) tothbela válasza Karesz 50 hozzászólására (») Ápr 18, 2018 /
 
A szimuláció első néhány 10-100 us tartományában belengéseket láttam a fojtón. Valószínűleg a soros LC kör rezonál. Egy ellenállást (1kOhm) a fojtóval párhuzamosan kötve a lengés elenyésző szinte csökken.

Kutya hogy a gate feltöltve maradt, mert ez nem biztonságos. De ahogy Péter is írta, kis értékű ellenállás nem használható, mert akkor klippelésnél visszazár a fet, aminek esetleg recsegés, durrogás lehet a következménye. Bár hifinél nem illik klippelés felé hajtani, de legyen inkább normális. Valami olyan kapcsolás kellene, ami egy párszor 10 kOhmos ellenállást bekapcsol a GS közé, ha a fet DS feszültsége nagyobb mint a féltáp. (A fene essen bele, már megint nem otthon vagyok) pedig már rajzolnám is a szimulátorba. Itt van a fejemben a kapcsolás, ami addig tartja abban az állapotban a kimenetet, ameddig a klippelés miatt nincs ellenkező előjelű vezérlő impulzus. Valamint segédtáp nélkül legyen kisütött állapotban a gate (hátha még nem unod az okoskodásom). Már most lassan a harminc tranzisztornál járna a kapcsolás, nem tudom hol a határ. Egy IC-ben nem gond, de itt nem biztos hogy előnyös, ha fél megahercen 100 Vpp négyszögjelen lovagol félmarék alkatrész. Sajnos nem elég ha csak a trafó szekundere lebeg.
(#) Karesz 50 válasza tothbela hozzászólására (») Ápr 18, 2018 /
 
A segédtáp kondijai biztosítják a tartófeszt. 10 MOhm is elég kisütő ellenállásnak. Szerintem nem nagyon kell ezt a két tranzisztort tovább bonyolítani.
(Sietek, mert menni kell dolgozóba.)

Más. Így korán reggel sokkal bölcsebb vagyok.
1. A fásszínt ráérek az ősszel is kitakarítani, most fontosabb a pwm.
2. Miért nem használom a gyakorlatban legalább azt a valamennyi elméleti tudásom, amennyi van ?
3. Ha nem foglalkozom azzal, hogy a NASA űrtávcsöve Mike Oldfield-ot fog sugározni, a fojtót akár a műhely másik sarkába is tehetem és akkor nem zavarja a komparátorom.
4. Amit Péter írt, - hogy használjam ki a fesz-idő területet. Megmérem a meghajtó trafót. Akár telítésbe is vezérelhetem, mindössze annyi energiát kell belepumpálnia átkapcsoláskor a fetekbe amennyi nyitja/zárja őket. Sőt akár légmagos trafót is használhatok
(#) gulyi88 válasza Karesz 50 hozzászólására (») Ápr 18, 2018 /
 
Mi lenne ha a fázistolásos teljeshíd előnyét és az UCD komparátoros mudulátorát egyesítenénk, és megkerülhetővé válna a fázistoló áramkör bonyodalma, és a géttrafók kitöltési tényezős bajai.
Ha lenne egy hidalt PWM teljesítményfokozat a te komparátorodhoz hozzáillesztve.
A komparátor billegésével szinkronban kell a kimeneti négyszögjelet létrehozni (a félhíddal illetve javaslatom szerint a teljeshíddal a hídágban).
Csinálhatnánk azt, hogy a komparátorod kimeneti jelének felfutására a bal félhidat kapcsoltatnánk át, a komparátor lefutására meg a jobb oldali hidat kapcsoltatnánk át (persze megfelelő irányban, hogy a különbségük a hídágban a modulátor jelének megfeleljen).
A hidak önmagukhoz 50% kitöltésen mennek (klipptől klippig való hirtelen moduláció ugrásnál is csak egyszer kap dupla feszidő terűletet az egyik irányba, ezt elviselheti, ha nincs kihajtva a magja csak 40% ig.) viszont a hidak között megjelenik különbségben az az impulzusszélesség, amit a modulátor csinálni akar.
Így nem kellene feszvezérelt fázistoló, és a gét trafó is kibírja trükkös kapcsolások nélkül, csak csupaszon.
(kell viszont az illesztés a hídkimenetről a komparátorba. Kell az élvezérlésű billegtetés a félhidak gétmeghajtójához, meg valami keresztretesz, ami figyeli, hogy merre kell billenteni a hidat, nehogy elcsússzon eggyel.)
(#) gulyi88 válasza gulyi88 hozzászólására (») Ápr 18, 2018 /
 
Ezt nem gondoltam át, túl hamar leírtam. Nem működne teljeshíddal fázistologatással.
A fázis tolásával nem vátozik meg a hídág feszültségének középértéke (0V), mert mindig ugyanakkora pozitív feszidő terület lesz, mint negatív, hiába nől a fázisszög.
(#) tothbela válasza gulyi88 hozzászólására (») Ápr 18, 2018 /
 
Szinkron egyenirányítva létezik ez a topológia. Talán a Peavey kreálta valamikor.
(#) tothbela válasza Karesz 50 hozzászólására (») Ápr 18, 2018 /
 
Nem hagyott békén a segédfesz. Megint tettem bele még alkatrészt. Ha a fetek telítésben vannak, tehát klippel az erősítő, akkor nem süti ki a 100kOhm a 470pF-okat. Minden egyéb esetben igen.
(#) Primary hozzászólása Ápr 18, 2018 /
 
Ez az IRS2092 alapú eBay modul is kuka lenne?
Az 500W-os modullal nem is érdemes akkor foglalkozni? Reménytelen kijavítani?
Mielőtt mondjuk hangszórót raknék rá, biztos, hogy műterheléssel kísérleteznék.

A siker szempontjából a cikkek között található 600W-os erősítőt célszerű megépíteni? Kimondottan csak mélyládához használnám.
(#) tothbela válasza Primary hozzászólására (») Ápr 18, 2018 / 1
 
A linkelt modul gyengesége a kicsi fojtó, a vékony fóliavezetés stb. Nem zárható ki egy esetleges meghibásodás ez miatt. Ha igazán döngetni kell, akkor az összes alkatrésze topra van húzva. A cikkek közötti 600W-ossal meg hegeszteni lehet.
(#) tothbela válasza Primary hozzászólására (») Ápr 18, 2018 /
 
Azért ha mértékkel teszünk erre az IRS-re tápot, nem rossz kis erősítő. Zárt rendszernél ahol a vezetékek zárlata nem valószínű, 200W-ig nem lehet baj vele.
Következő: »»   200 / 241
Bejelentkezés

Belépés

Hirdetés
XDT.hu
Az oldalon sütiket használunk a helyes működéshez. Bővebb információt az adatvédelmi szabályzatban olvashatsz. Megértettem