Fórum témák
» Több friss téma |
Mielőtt kérdezel, a következő két dolgot ellenőrizd!
I. A helyes tápfeszültségek megléte.
II. A kimeneten van-e egyenfeszültség.
Élesztés.
A sistergés oka lehet érintkezési hiba, alkatrész-öregedéséből származó bezajosodás, gerjedés, egyéb.
Az a kérdés, hogy milyen hangsugárzóval sistereg, a hangszín és hangerő-állásától függ-e a sistergés mértéke? - A púpos kondenzátor többnyire beteg, hacsak nem ilyen a tokozása, - ezt fényképről, vagy méréssel lehet megállapítani. Búg, vagy gerjed az erősítő, berreg, kerreg netán? Ha egyik sem, akkor a pufferkondenzátorok valószínűleg jók. Ha mérve jók, akkor nem kell cserélni. A megégett dióda nem feltétlenül fekete, ez lehet, hogy eleve fekete tokozású, mit látni rajta? Mérni kell a diódákat, digitális multiméterrel, egyik irányban valamekkora értéket mutat(0,4-0,8V), másik irányban, felcserélve a mérővezetékeket, semmit nem mutathat, vagyis szakadást jelez a műszer, akkor elvileg jók a diódák. Üdv!
Ránézésre ez egycsatornás erősítő, tehát két készüléket nem lehet egyidőben rákötni, mert valamelyik nem fog szólni. A külön Line-In bemenet nem jelenti azt, hogy az egy másik csatorna lenne, vagy lekapcsolja a másik bemenetet.
Mivel a tied a készülék, neked ismerni kellene a leírását, a feliratok jelentését, hogy melyik a bemenet, melyik a kimenet és mit, hová lehet dugni. Üdv! A hozzászólás módosítva: Ápr 26, 2018
A vonalszintű bemenetbe dugott jack leválasztja az előfokot. Lányom is szokott otthon gitározni kisérettel, nála a következő megoldást alkalmaztam: Az effekt hurok send és return csatlakozójához egy három ágú kábelt kreáltam. Rajzolni nem tudok telefonon, de megpróbálom leírni. 3,5mm sztereó jack 1 m sztereó vezetékkel, 2 darab 6,3mm monó jack 10 cm vezetékkel. A vezetékek árnyékolását összeforrasztod, a két monó, és az egy sztereó kábel miatt most van négy érvég. Mind a négy végére egy ellenállást forrasztasz, nállam 10kohm, majd az ellenállások szabad végét egy pontba összeforrasztod. Egyik 6,3 a send, másik return, a 3,5-ös meg értelemszerűen a tablet. Ez egy passzív keverő, ami a tablet bal, job, meg a kombó előerősítőjének jelét keveri össze. A return dugaszhoz nem is kellene már ellenállás, de mivel nem okoz jelcsökkenést, így nyugodtan maradhat. Cserébe nem számít ha meg van cserélve.
Jó gitározást. Nálad a line out a send, a line in pedig a return. A hozzászólás módosítva: Ápr 26, 2018
Kedves Béla! Hálásan köszönöm a szakmai jó tanácsodat Holnap délután megcsinálom a leírásod alapján. További kellemes estét kívánok, üdv: József.
Sziasztok!
Adott egy Aiwa AV-X200 5.1-es erősítő. A Front szekció A és B kimenettel rendelkezik, azon belül jobb és bal oldal. Ha a kimenetre, legyen az A vagy B hangszórót csatlakoztatok, akkor a bal oldali kimenet szól rendesen, viszont a jobb oldali csak nagyon halkan, recsegve. (A trafó is mintha a kelleténél jobban melegedne.) Egyenáram nincs a kimeneteken. STK Típusa: STK 419-140 Mit nézzek meg, merre induljak el? Bővebben: Dropbox képek Bővebben: Aiwa AV X200 Bővebben: Használati utasítás A hozzászólás módosítva: Ápr 27, 2018
Sziasztok!
Erősítő/hangszóró védelemmel kapcsolatban lenne kérdésem. Van két aktív stúdió hangfalam (Mackie MR5-MK2), Egyikre sajnos hirtelen nagy hangerőn kapcsoltam rá a zenét egy pillanatra véletlenül. Azóta a következő hibajelenséget tapasztalom: amikor bekapcsolom az aktív hangfalat, akkor 1 mp múlva zümmög egy nagyot kb fél mp hosszan, ez alatt behúzza vagy 1 centit a membrán szélét, kikapcsolásnál pedig pukkan. A ki-bekapcsolásnál tapasztalható jelenséget leszámítva működik rendesen. Egy kis olvasgatás után az a gyanúm, hogy a be-ki kapcsolásnál alkalmazott védelmi áramkörnél lehet a baj, mert ilyenkor (be-kikapcsolásnál) valami leválasztja a hangszórót (és/vagy erősítőt??) a körről pár mp-ig (késleltetés). Mit gondoltok? Csatoltam egy képet róla, illetve, hogy milyen tranzisztorokat tartalmaz. A diódákat kimértem, elvileg egyik sem hibás. Kondik nem púposak, látszatra épek. Gondolom valamelyik tranzisztornál lehet a gond. Van esetleg tipp, hogy melyik szállhatott el?
Nincs benne egy relé? Lehet, hogy összeégtek a kontaktusai.
Szia! A panel hátoldalán lévő alkatrészeket vizsgáltad már?
Nem találtam benne relét, én is azt kerestem először.
Még a hátoldalát nem nagyon méregettem. Este kimérem az ottani diódákat is. Csatolok egy képet róla. A kis IC-k mind 4558 K301A JRC. (a hűtőbordák alatt csak 1-2 dióda van, az most nem látszik)
Meg kell nézni, hogy van-e a végerösitön Mute bemenet. Ha igen, akkor annak a kezelését kell nézegetni. Ha nincs rajta Mute, akkor a bemenet elött szokott lenni egy kapcsolo áramkör, amelyik a végerösitöbe engedi a jelet.
Észrevettem egy furcsa jelenséget. Az erősítőből recsegő hangok szűrődnek ki, hangszóró rákötése nélkül. Ez független attól, hogy melyik bemeneten érkezik a jel.
Milyen alkatrész adhat ki ilyen hangokat? Bővebben: Videó a jelenségről Remélem hallatszik. Megköszönném a segítséget! A hozzászólás módosítva: Ápr 28, 2018
Bármi. A nyákon egy vezetősáv mágneses ereje vonzza, vagy taszítja a másikat. A végtrannyók kollektora és a hűtő közötti sztatikus erő összeszorítja a csillámot. Ha ez a feszültség változó, akkor rezeg a tranzisztor és hangot ad. A kondenzátorok dielektrikuma ugyan így viselkedik.
Ha van az alkatrészen előfeszítés, akkor viszonylag tisztán, ha nincs, akkor kétszerezve a frekit, recsegve szól. És még sokan mások. Nem tudom hallottad e azt a történetet amikor hősünk hajnali tivornya után a ködös korai reggelen belépett háza udvarába, és a kertben a fejes káposzta "Jó reggelt kívánok" köszöntéssel fogadta. Szegény azt hitte, szellemek beszélnek hozzá. Ott a közeli nagy teljesítményű középhullámú adó jelét demodulálta a nedves káposztalevél.
Tetszett.
![]() Merre tudnék elindulni? Gondolom semerre.
Sziasztok! Folytatom a beag apt100 házba való építkezést,de meg kellett állnom,mert rájöttem,hogy kevés lesz a hűtőfelület a két modulnak.Megoldottam.A trafón van 2db. AC 15 Voltos 1,5 Amper-es szekunder, erről gondoltam ,az egyikről, DC kb. 21 Voltról hajtani sorban a kettő darab 12 Voltos 2 Wattos ventit.Szerintetek elbírja hosszú távon a trafó? És milyen szűrést javasoltok az egyenirányítás után, minimum és maximum mekkora értékű elkót érdemes betenni,illetve kell-e biztosítékot tenni valamelyik ágba,ha igen hova,és és mekkorát?Én hátra tettem a kapcsolót,ezzel a DC feszültséget ami a ventikhez megy azt gondoltam leválasztani,hogy ha nem muszáj ne menjenek.A másik beag-omon ami ugyanígy néz ki,azon is kipróbáltam ezt a fajta hűtést,nagyon hatékony ,de ott kettő 0,15 Amperes 80X80 mm -es pc ventit kötöttem sorba ,azt simán elviszi akármeddig a trafó,nincs sehol melegedés.Ez a két 92X92 mm-es ventilátor 12 Voltos , 2 Watt darabja , 0,165 Amper a leírás szerint....Ma még folytattam az APT100 házának retusálását,mert már egy korábbi munkámra megkaptam a kritikát,hogy miért hagyok lyukakat a házon,ezért elkezdtem ezen is dolgozni. Mit mondjak nagyon lefárasztott a furkálás,meg hogy állandóan ki és be kell szerelgetni a paneleket,vezetékeket,és még festve sincsen a ház.A trafót is el kellett vinnem a hálózati kapcsolótól kb. egy cm-t ,de volt még neki hely.Kicsit lassabban haladok mint terveztem.A másik beagom-ba meg belenéztem,és láttam ,hogy égésnyomok vannak a lágyindító 330 Ohm-os ellenállásán,kicsit ledöbbentem,ki is vettem onnan,de az értékét megtartotta,viszont az égésnyom egyértelműen látszódik még a nyák másik oldalán is.Nem tudom mi lehet az oka,én arra tippelek,hogy a toroiddal párhuzamosan ott volt a lágyindító kis 230 Voltos nyák trafója is,de ebben nem vagyok biztos,hogy emiatt lett gond vele.Elég sok mindent kérdeztem ,akinek van válasza bármelyik kérdésemre azt szívesen veszem!
Javítanom kell az előzőekben leírtakat:A koppanásgátló nyák trafója volt ott párhuzamosan ....(csak már nem tudom módosítani a hsz-emet)
A hozzászólás módosítva: Ápr 28, 2018
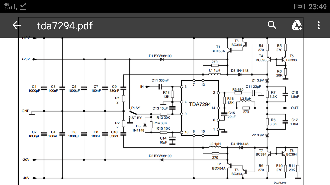
A TDA-s IC-hez három számjegyet írtál, nincs véletlenül egy negyedik karakter?
Tegyél egy bekapcsolás próbát úgy, hogy az input szabályzó potit teljesen letekered, ennek tapasztalatából megtudnánk a poti előtti rész rendben van-e.
TDA7294 a szàma. Kozben megneztem az ajanlott kapcsolasi rajzot. A 10es lab a mute lab. Az lehetseges egyebkent, hogy az ic mute bemenete hibàsodott meg? Vagy nem valoszìnű?
A hozzászólás módosítva: Ápr 28, 2018
Az input szabalyzot teljesen letekerve is fennall a problema ki-bekapcsolasnal.
A te esetedben a Mute nem igy van kialakitva. Ott kéne mérned, hogy bekapcsoláskor mi történik a 10-s lábon. Ott a bekapcsolás után néhány másodperccel késöbb kell a feszültségnek megjelennie. Lehet, hogy egy külön áramkör van valahol, ami a Mute-t kezeli.
Sziasztok. Itthoni szervizelés közben akadt 1 kis (nagy!) problémám.
Javitok 1 pionerr a450e erősitőt, bemenetválasztó hibával.Motoros a bemenetválasztója is.,, szétszedtem ,kh, megoldva,, összerakásnál darabokra hullott a fogaskerék, igy legyártattam 3D nyomtatással, azzal nincs is gond. de ,,,mig legyártattam a fogaskereket, addig 1 tálcán üdült a 4db ALPS forgótárcsa. Mivel sorrendben szedtem le, mondtam a páromnak,hogy hozzá se érjen! Ehhez képest 10 percen belül meg kellett igazitania a virágot ami a tálca mellett volt. Végeredmény: a 4 zárt, de bontható tárcsa összekeveredett! Abból 1 különbözik,(mármint a tokozása) igy annak a helye adott. a másik 3 tokozása teljesen egyforma,,szétbontva van különbség 2, illetve 1 db 3 sávos érintkezővel. Doksim megvan hozzá, de a világért sem tudom rajz alapján,hogy melyik hova kerül. Doksit ill fényképet tudok átküldeni, ha valaki esetleg javitott már ilyet. Köszönöm
Szia! A 3 érintkező-nyelves tárcsát tenném a motor felé, mert az néz ki pozíció érzékelőnek. A doksi homályos panelrajza alapján a másik kettő megy a jobb és a bal menetekhez.
Szia. 4 db van benne. A fogaskerék felől nézve a 3. helye adott. az a zárt fekete tárcsa.azonkivül van 2db 2 érintkezős és 1db 3 érintkezős.Az elektrotanyán fenn van a komplett doksija, de abból sajnos nem derül ki,hogy melyik hova megy.Próbálgatni nem akarom,mert hajszálvékony a nyák-on a vezetősáv,nem tudom mennyi kiforrasztást birna ki.Sajnos nincs hőlégfúvós pákám
Sajnos ide nem tudom feltölteni a doksit 12Mb.Ha kapok elérhetőséget,akkor át tudom küldeni. A hozzászólás módosítva: Ápr 29, 2018
Ugyan azt a doksit használjuk. Itt nem próbálgatni kell, hanem beazonosíthatod, hogy bemenetek melyik két tárcsához mennek, mert azok (jobb és baloldal) bizonyára egyformák.
A 21 V-os feszültségen járatott 2 db soros ventilátor, nem szerencsés. Ha valamelyik megszorul, megakad, a másik már is nagyobb feszültséget kap, mint amit elbírhat. A háromszáz ohmos ellenállás nagyon melegszik. Vagy nagyobb teljesítményű, mert az áram is jelentős, ami átfolyik rajta. Kisebb áramú relé, kisebb soros kondenzátorral, vagy legalább dupla teljesítményű ellenállás. Melegedni akkor is fog, de kisebb lesz a hőmérséklete. A harmadik lehetőség, a teljesítmény megtartása mellett fele értékű ellenállás. A feladata az áramcsúcsok mérséklése.
Azzal nem lenne gond, de azon kivül van még másik 2 tárcsa, az egyik a 3 érintkezős, a másik az teljesen zárt. Gyanithatóan a proci körében van, mint pozicionálás érzékelő..legalábbis az egyik. De mi a másik? Na azt nem tudom megfejteni.A rajzon erről csak 1 sematikus ábrát látok, nincs jelölve,hogy melyik tárcsa, melyik. Legalábbis én nem találom.
Most ahogy bogarászom ismét a nyákot, lehet, hogy igazad van. Motor felöl a sorrend: 3 érintkezős tárcsa, majd 2 éritkezős tárcsa,, zárt tárcsa és a végén 2 érintkezős. Igaz?
A hozzászólás módosítva: Ápr 29, 2018
Mivel van egy masik ep hangfalam is, par dolgot kikapcsolt allapotban megmertem. Azt tapasztaltam a jo hangfalnal, hogy a kepen lathato felso MJE15032G kollektora es a mute bemenet kozott rovidzar van. A hibas hangfalnal pedig egy pillanatra rovidzar, majd szepen megy fel az ellenallasa. (Ez a meres csak ha a mute bemeneten van a multimeter pozitiv, a kollektoron a negativ kimenete. Megforditva a hibas hangfalnal vegig szakadas, a jo hangfalnal egy pillanatra rovidzar, majd szakadas tapasztalhato).
Forrassz két vezetéket a tranyo kollektorára meg az emiterre. Erre kapcsold a voltmétert és figyeld meg mi történik a bekapcsolás pillanatában. ( nézd meg a NYÁKot is, hogyan kerül a kollektor kapcsolatba a 10-s lábbal). Lehet, hogy vannak ott hasonlo alkatrészek mint a rajzon (dioda, kondik meg ellenállások). Amit mértél az inkább valamilyen elkora utal, lehet, hogy a dioda rossz vagy maga a tranzisztor. Ha a kivezetett vezetéket rövidre zárod az erösitönek Mute-ba kell mennie, ezzel kizárod a Mute bemenet hibáját.
|
Bejelentkezés
Hirdetés |

















Sajnos ide nem tudom feltölteni a doksit 12Mb.Ha kapok elérhetőséget,akkor át tudom küldeni. 






