Fórum témák

» Több friss téma
Fórum » Labortáp javítás
 
Témaindító: very, idő: Ápr 30, 2007
Témakörök:
Lapozás: OK   30 / 38
(#) Imi65 válasza Tambi hozzászólására (») Ápr 27, 2018 /
 
Idézet:
„Mit csinálna a T1 BC303?”

..a T1-es tranzisztor kollektorát összekötve a Crefv kimenethez (a 8. pontot nem a 21-es, hanem a 4-es pontjához kötjük) CC üzemmódban visszahajló karakterisztikát kapunk........
A T1 tulajdonképpen nem kap vezérlést CV üzemben. Ha viszont a tápegység átkerül CC helyzetbe, onnantól a + kimenet feszültsége nem egyezik meg a referenciafeszültség, és a fesz. beállító potméterek osztáspontján lévővel, egyszerűen azért, mert CC üzemben már nem a CV erősítő szabályoz, hanem a CC, tehát a CC miatt a CV erősítő nem "jut szóhoz". A CV erősítő bemenetére rá van illesztve a T1 BC303, ami akkor nyit, ha a a 0V-on lévő bázisához képest az emitter "elmegy" pozitív irányba. Ez akkor van, ha a beállított feszültségnél kisebb a kimenő fesz az áramhatárolás miatt. Ha ilyenkor a 18-as helyett a 4-esre kötjük a kollektort, akkor a kimeneti feszültségcsökkenésre nyitó T1 innen "elviszi" az árambeállító potméterekről az áramot, ezáltal kisebb feszültség esik rajta. Ez úgy hat, mintha állandó potméter-áram mellett csökkentenénk a potméterek ellenállását (letekernénk az áramot), ezáltal az áram csökkenő kimenő fesszel együtt csökkenni fog.
(#) fecameca válasza Sebi hozzászólására (») Ápr 28, 2018 /
 
Sziasztok. Találtam róla rajzot. Nekem elég fura. A kimenő + táp a műveleti erősítőknek a tápfeszültség közepe. A műveleti erősítők külön tekercsről vannak táplálva, azok tápja a pozitív kimenettel együtt mozog. Ha jól értelmezem, 0 - ra letekert Volt potenciométer esetén a TL082 + és - bemenete között közvetlenül ott van (0 ohmon keresztül) az, amit kívülről ráteszel (esetünkben egy akkumulátor). Szerintetek ez egy jó konstrukció? Az áteresztő tranzisztorokat vezérlő BD135 -öt valahogyan a Led - eken keresztül próbálgatják vezérelgetni a Volt és az Amper műveleti erősítők. E rajz alapján már talán menni fog a javítás. Csak éppen szerintem elég beteg megoldások vannak benne. Már kezdem érteni, hogy amit magamnak építettem (Igaz, hogy csak 20 Voltos) arra bármit köthetek, amit a trafó kibír, azt a benne levő félvezetők is tudják. Ezt pedig szinte hetente kétszer küldi a fiam a másvilágra. (A kicsit már egyszer javítottam, most megint rossz, a kettős tápnak mind a két oldala rossz.)
A hozzászólás módosítva: Ápr 28, 2018
(#) Imi65 válasza fecameca hozzászólására (») Ápr 28, 2018 /
 
A konstrukció jó (az összes többi is hasonló elvű), de nem akkutöltésre készült. A tervezője arra álmodta meg, hogy valamiféle fogyasztót lásson el, ami "nem termel vissza".
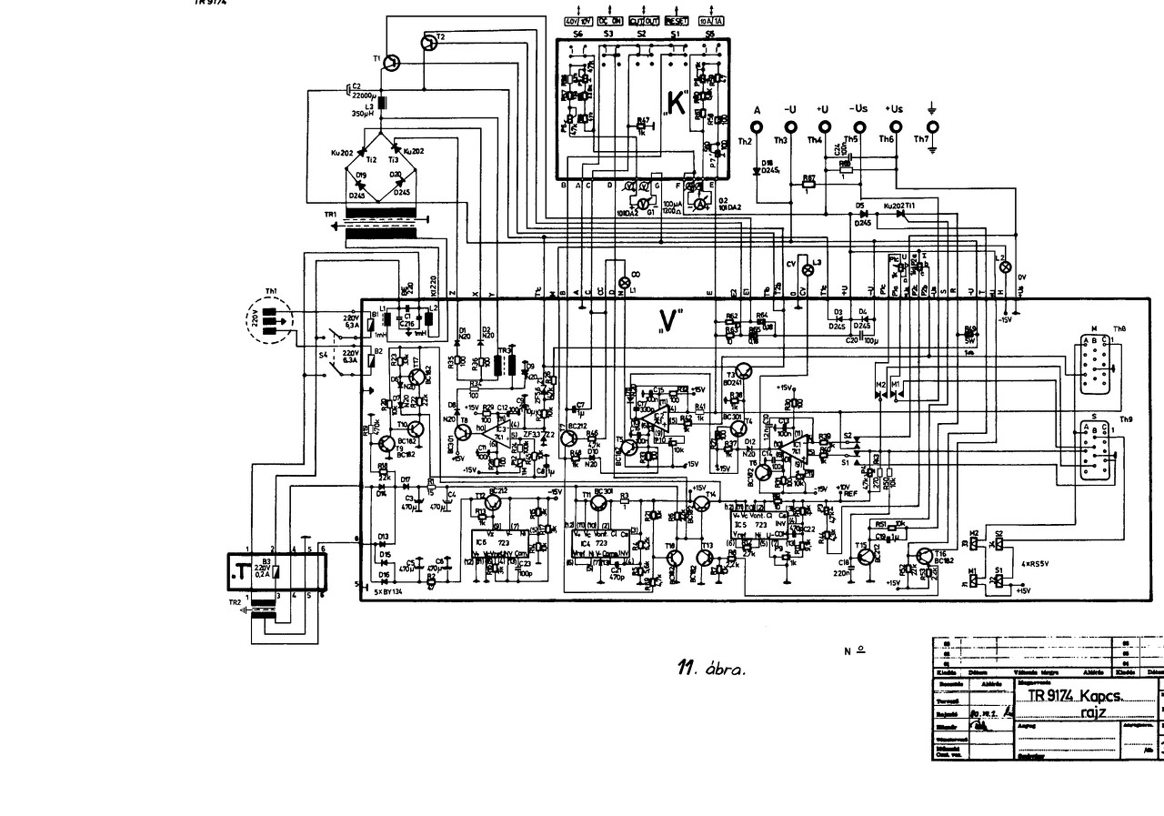
A Radelkis TR-9174-et ellátták egy védődiódával, ezáltal tölthető vele akku. Érdemes ezt megszívlelni, és bevezetni, akár kívülre is, ezek szerint megérné. A negatív ponthoz csatlakozik egy A jelzésű banánhüvely egy diódán keresztül, ami meggátolja, hogy az akkuból folyjon az áram a tápegység felé. Az akkut persze ide kell kötni......
A hozzászólás módosítva: Ápr 28, 2018
(#) Tambi válasza Imi65 hozzászólására (») Ápr 29, 2018 /
 
Köszönöm, értem (azt hiszem...). Visszatettem a T1 BC303, és a tirisztormeghajtó 68 Ohmokra az egy-egy db gyári 32 Ohmos patkolást. UKI max továbbra is 29,2 V-ra esett vissza. Megterheltem 5 A-rel, amit lekorlátoztam 2-re. Az áramkorlát hellyel-közzel működik, de néha "beleng", persze sokkal enyhébben, mint T1 nélkül.

Az áramkorlát kiiktatása (maximumra tekerése) után beállítottam 150 Ohm terheléssel 24,0 V UKI feszültséget, és megterheltem két reflektorizzóval. Az áram 4,85 A, de az UKI FELMENT 25,0 V-ra . Kicseréltem az IC-t harmadszor is, de ugyanaz maradt. Ha az IC, vagy T1 BC301 illetve T3 BD241, netalán az áteresztők nem végeznék a dolgukat, akkor csökkenni kellene UKI-nek. De növekszik (azonnal, nem melegedés hatására). Meg kell őrülni! "Túl jól" működnek???

Végigmértem mindent. A melléklet szerinti értékeket kaptam. Nem látok semmi (számomra felfogható) rendellenes értéket. Ti talán igen.

Köszönöm!
A hozzászólás módosítva: Ápr 29, 2018
(#) Imi65 válasza Tambi hozzászólására (») Ápr 29, 2018 / 1
 
Az R11-en nem eshetne 0,6V. Ennél a tápnál az osztóláncon 1mA folyik üzemszerűen, tehát 1k/V az arány. A 100 Ohm -on 0,1V eshetne. Ezt kéne kideríteni, miért.... Talán szakadt az a 100 Ohm??
(#) Tambi válasza Imi65 hozzászólására (») Ápr 29, 2018 /
 
"Éjjel járok, mint a lélek...", de hajnalban mindenképpen kilógok, és rámérek.

Köszönöm!!!
(#) Tambi válasza Imi65 hozzászólására (») Ápr 30, 2018 /
 
HURRRRRÁÁÁÁÁÁÁÁÁÁ!!!!!!!
Gratulálok! MegjavítotTAD a tápegységet. KÖSZÖNÖM SZÉPEN!
Az R11 100 Ohm "megnyúlt" 760-ra! Kicseréltem, P1-el beállítottam a terheletlen UKI 40,5 V-ot.

Leszabályoztam 24,0 V-ra, megterheltem a két reflektorizzóval, 4,85 A-el, UKI felment 24,2 V-ra. CC módban leszabályozva 4 A alá "lüktet" a kimenet kb másodperces frekvenciával és 20-100% között ingadozik. DMM-el egyebek mellett rámérve IC1/3 9 lábra a pulzálás megszűnik, sőt, ha olyan mérőzsinórral érintem a 9 lábat, melynek a másik végén nincs semmi, akkor is megszűnik, sőt kézzel érintve is. R15, 16, 19 jó, kivettem C4 560 pF-ot, annyi. Tettem helyette kerámiát, továbbra is pulzál. Kínomban a 9 és 11 láb közé betettem előbb egy 100 nF-t, a lengés megszűnt. A 100 nF-ot túl túl durva belenyúlásnak találtam, kicseréltem 1 nF-re, továbbra sem leng, most nagyszerűen működik, de a neheze még hátra van.

Ilyen "neheze", hogy aki szétszedte kolléga Németországba távozott (előbben "disszidált") migránsnak, és néhány mechanikai alkatrész földrajzi fekvése ismeretlen...

Pl.: a tirisztor és az egyenirányító dióda váltófeszültségű csatlakozási pontjai páronként elektromosan (forrfül és huzal) össze vannak kötve, két-két, egymástól textilbakelit távtartócskákkal (ezeknek kondenzcsíkja sem látszik) elválasztott (elszigetelt?) hűtőbordán vannak. Vajon miért? Arra a napokban rájöttem, hogy aki tervezte "gógyis pali" lehetett; akármilyen bonyolult is, semmi sem került bele véletlenül. No de mechanikusan elválasztani azt, amit úgyis összekötünk elektromosan...??? (Értem én, hogy galvánelem, de mi hajtja???) Ha ezt nem tudom meg, kénytelen leszek esztergálni 3 db távtartót (még jó, hogy 1 db megvan)...

Mindent köszönve mindenkit (de főleg Téged és Sebit) tisztelettel üdvözöl; tambi.
A hozzászólás módosítva: Ápr 30, 2018
(#) Imi65 válasza Tambi hozzászólására (») Ápr 30, 2018 /
 
Valószínűleg én néztem először meg a méréseidet, Sebi is biztos megtalálta volna.
Nagyon szívesen segítettünk, bár azért nem volt egyszerű ezt a hibát "távgyógyítással" megtalálni. Gondolom, sokat tanultál a javításból is, és most már kezded érteni, miért is nyitogatott az a fránya BC303 ott.... Szegény, nem tehetett egyebet, mikor a bázisa 0V-on volt, az emitter meg a megnyúlt ellenálláson felkerült 0,6V-ra, ez pont elég ahhoz, hogy a tranzisztor kinyisson valamennyire. Pusztán az ottlétével is megváltoztatta a helyi viszonyokat.
(#) Sebi válasza Tambi hozzászólására (») Máj 1, 2018 /
 
Szuper!
Örülök, ha segítettem valamennyit. Méréseid nélkül legutoljára tippeltem volna a 100 ohm-ra, mert tapasztalataim alapján "megnyúlásra" az 1k feletti ellenállások hajlamosabbak. (Különösen az ilyen régebbi készülékekben, amelyekben leginkább MLT /fémréteg/ típust használtak...)
(#) proli007 válasza Sebi hozzászólására (») Máj 1, 2018 /
 
Hello! Csak elfelejtetted, hogy aksit tettek rá. A potit nullára tekerve, már ég is a 100ohm mint a zsír..
(#) Imi65 válasza proli007 hozzászólására (») Máj 1, 2018 /
 
Az egy másik táp volt.
Ezt motorral fektették két vállra.
(#) proli007 válasza Imi65 hozzászólására (») Máj 1, 2018 /
 
Oké bocs! Akkor elnéztem. Bár a motor is simán vissza tud táplálni.
(#) fecameca válasza Imi65 hozzászólására (») Máj 5, 2018 /
 
Tegnap "rendbe tettem" a Voltcraft-EMG tápokat. Mint utólag kiderült, az összes feszültség beállító potenciométer elfüstölt. Ebből kifolyólag hiába is cserélgettem bennük a TL 082 IC-ket mint a bolond zsinórban, attól még nem javultak meg. A BD 249- eket csak egyszer kellett kicserélni, amíg Amper nem folyik, a további próbálkozásokat túlélik, nem úgy a TL 082. Az eredeti Voltctaft valószínűleg jó minőségű teljesítmény potenciométereket tartalmazott, amíg az EMG KFT abból rakta össze, amit a boltban kapott. Meg is látszik rajta. Akkutöltéstől függetlenül nem merném rábízni az életemet egy ilyen tápegységre. Sajnos nem tudom, honnan lehet ezekbe megfelelő minőségű potenciométereket beszerezni. A tippem, hogy legalább 2 W-ot kellene nekik kibírniuk füstölés nélkül, de lehet, hogy többet. A kisebbiket, az EMG 18135-öt javaslom inkább selejtezzék le, mert a relés előszabályzás nélkül még sokkal halandóbb a 18212 számú nagyobb testvérénél.
A hozzászólás módosítva: Máj 5, 2018
(#) Tambi válasza Imi65 hozzászólására (») Máj 8, 2018 /
 
Ismételten megköszönve a segítségeteket, én is szeretném valamelyest gazdagítani a HE közösségének ismereteit. Bár a "Főtanácsadók"-nak erre nincs szüksége, de a magamfajták között akadhat olyan, akinek segítség lehet a mellékelt szimuláció, mely Multisim 14-el készült, és az csupán UKI (CV) szabályzórészt tartalmazza. Igyekeztem a kapcsolási rajz alkatrészeit és pozíciószámait alkalmazni, amennyire ezt a szoftver engedte. Némi eltérés akad, pl.:
- az áteresztő 3x2N3442 még 5 V UBE-nél sem nyitottak, így ezeket BD243-al helyettesítettem, pozíciószámaikból 3-at, míg a kimenetükre kötött ellenállásháló pozíciószámaiból 30-at le kell vonni, hogy a kapcsolási rajzon szereplő pozíciószámokat kapjuk.
- az R20 1 kOhm esetén a D4 LED nem világít, így ezt 500 Ohmra cseréltem.
- a T1(Q1) BC303 helyett BC307, a T2(Q2) BC301 helyett BC107 található a szoftver alkatrészkészletében.
- a főtáp feszültsége fix 50 V DC, tehát előszabályzás nincs (nem fér rá), hasonlóan a lebegőtápok Graetz-ei is DC feszültséggel lettek helyettesítve.
- a D5 ZF5.6 helyett RD5.6-ot sikerült beépíteni.

Fenti eltérések dacára a végeredmény elképesztő hasonlóságot mutat az eredetivel, de szimuláció lévén működésében csupán megközelíti a valóságos áramkőrt. Amennyiben levesszük a műszerek hadát, úgy viszonylag áttekinthető kapcsolást kapunk, melyet akár megvalósítani, de a szimulációval játszogatni mindenképpen érdemes.

Nyughatatlan természetemet tükrözi a szintén mellékelt "1 EURO-s LABORTÁP 0-80V, 0-20A" melléklet, melyet a "tudatlanok bátorságával" külön cikkben, inkább vitaindítónak szánva szeretnék ismertetni, amint időm lesz. Reményeim szerint alaposan kitárgyaljuk majd...
A hozzászólás módosítva: Máj 8, 2018
(#) izenahogyishivnak hozzászólása Máj 15, 2018 /
 
Van egy HY3005 tápegységem, amivel meg vagyok elégedve, egy apró hibája, hogy terhelés nélkül is 0.01A-t mutat a kijelzőjén. Gondoltam, hogy kalibrálok rajta és van is egy trimmer potméter a kijelző közelében, tekergettem, de nem láttam semmi változást. Nagyon nem akartam jobban szétszedni, mert nem akkora probléma ez nekem, hogy ne tudnék ezzel együtt élni, de ha esetleg valaki jobban ismeri ezt a tápot és tud rá egyszerű megoldást, érdekelne.
A hozzászólás módosítva: Máj 15, 2018
(#) ronin75 válasza izenahogyishivnak hozzászólására (») Máj 15, 2018 /
 
Ahogy én a képen látom, 7107-tel felépített a műszer. Te valószínűleg a referencia potiját tekergetted. Ezzel a kijelzett értéket tudnád beállítani. Illetve jelen esetben elállítani.
(#) Repairovics hozzászólása Jún 9, 2018 /
 
Sziasztok.
Emg 18135 power supply-t javítanék. Itt a rajza: Bővebben: Link
A gondom hogy mindent jónak mérek, de feszültség nem jön ki belőle.
Légy szíves elmagyarázni a működését mert én nem értem mi szabályozná a kimeneteten a feszültséget.
Ha a meghajtó kis BD bázisára adok feszt akkor megy a kimeneten is ezért sztem a vége jó.
Az áramgenerátor led nem világít csak a feszültség és a tápok rendben a 12V és az 1.2V is meg az ic-n a táp 15V is megvan.
Ilyen ic-m nincs próbára minden mást jónak mérek.
Köszönöm
(#) Repairovics válasza Repairovics hozzászólására (») Jún 9, 2018 /
 
Ez talán jobb rajz: Bővebben: Link
(#) latyakosa válasza Repairovics hozzászólására (») Jún 9, 2018 / 1
 
Hello, előre bocsájtom, nem vagyok nagy szakértője a témának. Ez a kapcsolás ún lebegő szabályozású, ezért úgy látom, a BD az R15 és az R7-n keresztül kap nyitó feszültséget, az IC1 egyik fele a U led-n keresztúl "elszív" belőle annyit, hogy a kimeneti feszültség stabil legyen.
R15 és az R7 nincs megnyúlva vagy az IC1/2 kimenetén nincs zárlat ?
(#) Repairovics válasza latyakosa hozzászólására (») Jún 9, 2018 /
 
Hali! Sokat segítettél, de nem tudom mi a gond mert megszakítottam a IC 8-as lába és a led közötti drótot és a kimenet 45V-ra ugrott visszakötve elindult a szabályozás is, de ne kérdezd mitől.
Most többször le és vissza kapcsolva is működik.
Lehet mégis az IC szórakozik velem?
No majd holnap hidegen megnézem indul e.
Addig is köszi az iránymutatást.
(#) rukh hozzászólása Jún 9, 2018 /
 
Kedves Szakik!

Tudna valaki segíteni egy ősi OMSZÖV TR 9111 tápegység kapcsolási rajzzal?

Üdv és kösz,
Rukh
(#) Sebi válasza rukh hozzászólására (») Jún 10, 2018 /
 
Azt hiszem ez nagymértékben hasonlít. A Tieden nincs 5V.
(#) rukh válasza Sebi hozzászólására (») Jún 10, 2018 /
 
Köszönöm!
(#) proli007 válasza rukh hozzászólására (») Jún 10, 2018 /
 
Hello! A működés szempontjából, egy igen fontos átkötés hiányzik a rajzról. Bár szerintem az R14 valós értéke is nagyságrendekkel kisebb, de nem számoltam utána az egésznek..

OE-711.png
    
(#) rukh válasza proli007 hozzászólására (») Jún 12, 2018 /
 
Kösz
(#) szn55 hozzászólása Aug 20, 2018 /
 
Sziasztok!
Bárminemű segítséget szeretnék kérni egy FOK-GYEM TR-9177 javításával kapcsolatban!
Hiányosan került hozzám a táp, lehetőleg eredeti állapotába szeretném visszaállítani.
C22, C23, C24, C25, C26 elkókat kellene pótolni -ez megoldható, bár csavaros rögzítésűek voltak az eredetiek és nem tudom beszerezhető-e még ilyen?
A legnagyobb probléma, hogy valaki kiszedte az L1 tárolóinduktivitást (hogy minek...) és a doksiban nincs róla egy szó sem! Ennek a pótlására volna valakinek ötlete (vasmag, L értéke, menetszám, huzalátmérő, hogy nézett ki az eredeti, stb.)? E nélkül esélytelen a javítása!
Minden információt köszönettel fogadnék!
Üdv.: Nándi
(#) (Felhasználó 122012) válasza szn55 hozzászólására (») Aug 20, 2018 /
 
Ennyit tudok segíteni
A hozzászólás módosítva: Aug 20, 2018
(#) Tambi válasza (Felhasználó 122012) hozzászólására (») Aug 20, 2018 /
 
Szia Godypapa!

Van egy komplett doksim, de nem tudom feltölteni, mert 4,5MB.
Belenéztem, L1 adatait gondosan titkolják (egy jelzőlámpát is L1-el jelölnek).

Írj egy e-mail címet, szívesen átküldöm. Ha sokat nem is használ, ártani nem fog...

Vagy: http://regimuszereklhanzi.5mp.eu/web.php?a=regimuszereklhanzi&o...2Hc8yV

Te talán felfedezed a képeken, mert nekem nem sikerült.
(#) Imi65 válasza szn55 hozzászólására (») Aug 20, 2018 /
 
Az induktivitásról tényleg nehéz bármit is megtudni,ugyanis nehezen szétszedhető lemez burkolattal látták el.. Csak a két kivezetést lehet elérni, amire a vezetékeken kívül rá van még forrasztva az 1k 5W-os ellenállás.
A képen pirossal bejelöltem, melyik az.
(#) (Felhasználó 122012) válasza Tambi hozzászólására (») Aug 20, 2018 /
 
Szerintem rossz helyre címezted … szn55-nek van szüksége rá, és nem nekem!
Következő: »»   30 / 38
Bejelentkezés

Belépés

Hirdetés
XDT.hu
Az oldalon sütiket használunk a helyes működéshez. Bővebb információt az adatvédelmi szabályzatban olvashatsz. Megértettem