Fórum témák
» Több friss téma |
autó halogén izzó ... kiéghet csak a normál lámpa a reflektor meg nem ? .... mert egy üveg ben van a kettő ...
jobboldalon minden megy ... de baloldalon nincs reflektorom ... de amugy minden jó vagy lehet vezeték hiba ? .... vagy ha megy minden akkor vezeték nem lehet ? lehet hogy evvel a kérdésemmel vmi autós fórumba kellene menni .... de gondolotam elektronika a züit kipróbáltam nekitettem a szivargyujtónak tök jó hangos csak tudnám hol vannak a zsinórok ....attól tartok az egész műszerfalat le kell bontanom.... de most erre nincs idő holnap este indulunk útnak Magyarországra és itt nem nagyon van semilyen szerszám de otthon széjjel barmolom azt ha össze is tudom rakni akkor egy hét múlva vagyok ill menet közben is irok mert MO-n is van netünk meglájuk mi lesz
Ha nem világít az izzó, akkor első körben izzó ellenőrzése, aztán ha az izzó jó, akkor lehet agyalni a hibakeresésen. Simán kiéghet a tompított, mert a két izzószál független egymástól, csak egy üvegen belül vannak.
De arra megkérnélek, hogy kevesebb szmájlit és kevesebb pontot használj, helyettük inkább a nagybetűkre és az egyéb írásjelekre próbálj rágyúrni! Kapcsolási rajzot meg általában lehet találni a járművekhez, főleg ha régebbi (10 év feletti) tipus. A kapcsolási rajzokon a gyári vezetékek szinei is fel vannak tüntetve, nem nehéz elmenni rajtuk. Hogy műszerfalat mennyire kell bontani, az már eléggé a helyzettől függ. Kadettben pl. a belső világítást kompletten rendbe tudtam hozni anélkül, hogy valamit le kellett volna szednem. Na persze így vakon nyúlkáltam be a középkonzol mögé és tapogattam a dolgokat, de így is gyorsabb volt, mint leszerelni az egészet.
Értem figyelek.
VW Golf 2-es 400ezer km van benne szal öreg. 25 éves. Ha kiég az izzó az láccik az izzószálon hogy szakadt ? Vagy csak nem megy azt kész ? Úgy néz ki mintha kicsit megrágták volna, de nincs megszakadva és ami megy az is pont igy néz ki.
Kösd rá két szál dróttal az akkura. Ha világít, akkor jó, ha nem, akkor nem. Ez a legegyszerűbb. Nemtudom, a Golfban milyen izzó van, ha három kivezetése van, akkor az egyik szélső szokott a közös lenni, ha pedig kettő látszik, akkor a hengeres fém része a test.
Sziasztok!
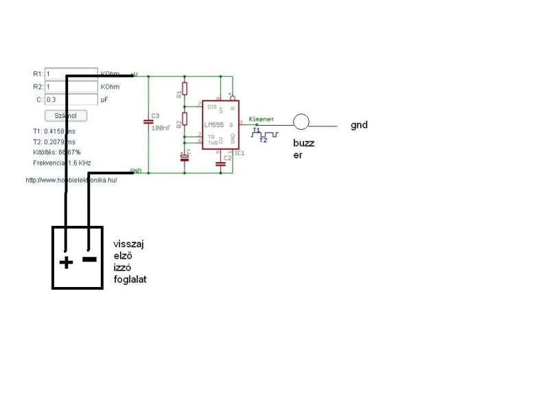
Szeretnék az én öreg büszke 2105-ös (1300) Ladámba, egy világítás visszajelzőt, amely sípol, ha rajtafelejtem.Olasmit hallottam hogy valami oscillátort kell csinálnom.lécci segítsetek nekem ebbe, hogy mit hogy kell.köszike
555 astabil módba és egy kis buzzer vagy vehetsz önrezgőt is.Ezt berakod a visszajelző lámpa helyére és kész is.
Hátha azért a párszáz forintért amennyiért a benzinkutakon is kaphatsz megéri kinlódni, akkor hajrá!
Ja bocs
Akkor a reflektorral párhuzamosan kéne bekötni szerintem
Sziasztok!
Meg szeretném megépíteni a mellékelt fényszóró őr kapcsolást. Két kérdésem lenne: 1. Betehetek még egy diódát a másik hárommal párhuzamosan (országúti, tompított ködlámpa) amire a helyzetjelzőt kötném, hogy ezt is visszajelezze, ha égve marad? 2. A testet ennél a kapcsolásnál fix. helyről adjam vagy az ajtókapcsolóval kapcsoltassam? Köszi! Üdv.
Ahogy potyo írta betehetsz, akár többet is más fogyasztóknak, ha van értelme. A test fix.
Sziasztok!
Skoda Feliciámban van (valószínűleg gyárilag) fényszóróőr. Úgy szeretném átalakítani, hogy akkor is sípoljon ha elfelejteném bekapcsolni a lámpákat. Megoldható ez valahogy? Építenék hozzá áramkört vagy ha lehet, akkor a benne lévőt is felhasználnám.
Sziasztok!
A következő kérdésem lenne. Szereztem egy kis világítás emlékeztetőt, ami lényegében egy kis zümmer. (csatoltam) Kigondoltam egy kis kapcsolást egy 2N2905A PNP tranzisztorral, mert ez van itthon. Ugye csak akkor szabadna szólnia, amikor kinyitom az ajtót és van helyzetjeltő/tompított/távolsági. Ezekhez a biztosítékaikról venném a jelet. Az ajtókapcsoló testet kapcsol. Szerintetek ez mennyire lehet életképes és kb. mekkora bázisellenállás kellene a tranzisztorhoz (sajnos az áramfelvételét nem tudom)? Köszi szépen. A hozzászólás módosítva: Jan 14, 2013
Helyzethelzőről adsz neki pozitívot,ajtókapcsolóról negatívot...Működik is.
Tényleg...... -.-, ezt benéztem
![]() Viszont akkor ha fent van a helyzetjelző és felkapcsolom valamiért a belső világítást, akkor is csipog és az elé idegesítő tud lenni. Na, ezt hogy lehet kiküszöbölni?
Nem kell kiküszöbölni. Mivel az ajtókapcsolón csak nyitott ajtónál van test. Csukott ajtónál a felkapcsolt belsővilágítás máshonnan kapja.
Jó, akkor teszek, egy próbát. Viszont azt továbbra sem értem, hogy ha felkapcsolom a lámpatestben a kapcsolót, ami testet ad az izzó másik oldalára, akkor miért nem lesz negatív az a szál is ami az ajtó kapcsolóhoz megy. Mert elvileg párhuzamosan vannak kötve, hogy bármelyik adhasson testet az izzónak, de biztosan igazad van
Mert a lámpa testben lévő kapcsoló három állású. Az egyikben az ajtókapcsolóról kapja a testet, a másikban kivan kapcsolva a lámpa tehát sehonnan, a harmadikban pedig egy független test pontot kapcsol a lámpára, de az nincs összekötve az ajtókapcsolóval.
A hozzászólás módosítva: Jan 14, 2013
Értem. Hát, a mi Škodánkba csak két állása van. Ahol ég, ajtótól függetlenül és ahol nem, csak ha az ajtót nyitjuk.
A két test akkor is független. Bár olyat még nem láttam, hogy nincs kikapcsolt állás
A hozzászólás módosítva: Jan 14, 2013
A jó öreg 120-as Škodába csak egy kétállású kapcsoló van.
Egyik állásban ég a lámpa folyamatosan, ha kinyitod az ajtót, ha nem, a másikban állásban meg nem ég, csak, ha kinyitod az ajtót.
Üdv.!
Bekötöttem, ahogy tanácsoltátok. A zümmer negatívot az ajtókapcsolóról jövő kábelről kap, pozitívot a helyzetjelzőről. Viszont az van, amit mondtam, hogy ha fel van kapcsolva a világítás és bekapcsolom a belső világítást, akkor is sípol. Úgy néz ki nem független a két kapcsolt test. Ha más nem, akkor így marad, de elég idegesítő ha menet közben kéne a belső világítás......
Helló!
Még mindíg sípol felkapcsolt belső villany esetén, vagy már megoldódott? Ha igen talán tudom a megoldást....
Hali!
Látom, - hosszú évek óta alszik a téma, azért próbálkozom. Csinált e már valaki SUZUKI WAGON R fényszóró visszajelzőt? Konyhanyelven, ha úgy maradt a lámpa, levett gyujtásnál, valami jelez.
Minek csinálnánk ? Autós boltban "fillérekért" kapsz és csak be kell kötni .
Szevasz!
12V-os zümmer + egy dióda. Üsd be a Google keresőbe. Mint a nagykörmöm. Dióda anód az izzóra, katód a zümmer + (piros) ra, zümmer - (fekete) a gyujtásra. Ha fenn (12V +on, gyujtáson) ) van zümmer -, akkor szembeszalad a diódával, nem szól. Ha ég az izzó, akkor fenn van, ha van gyujtás fenn van, semmi nem megy sehova. Ha ég az izzó, gyujtás le van véve, akkor izzó>dióda>zümmer és az egyébként gyujtáson lévő fogyasztókon keresztül megszólal a zümmer > tessék lekapcsolni. Üdv:StMiklos (én más autóhoz csináltam)
Hali!
Köszi a tippet, ez mind tiszta és világos. Más autóhoz én is csináltam, még dióda nélkül is. Beraktam a zümmert úgy ahogy leírtad, és kész, működött. (pl. saját MATÍZ) De ez WAGON R, ez megfogott. Itt akkor is világít a próbalámpa az izzóra menő vezetékeken, ha nincs rákapcsolva az áram. A világítás kapcsolóról nem tudok áramot levenni felkapcsolt világításnál, mert nem jön ki semmi, egyik szálon sem. Rengeteg variációt kipróbáltam. Ezért céloztam a kérdést direkt az említett típusra.
Lehetséges hogy a kapcsoló a testet szakítja meg, és az is lehet hogy az izzóknál állandó +12V van, és elektronika kapcsolja a testet.
Erre, vagy ehhez hasonló dologra gondolok én is. A fényszóró izzóhoz három szál vezeték megy. Kettő a tomp. táv., egy a test. Ha az idemedő bármely (3) vezetékre rakom a próbalámpát, minden szálon világít. (a próbalámpa másik vége közvetlen testen) Ezt mind közvetlen az izzónál próbáltam. Próbálgattam már relét is kötözgetni ide-oda, de felharagított, és abbahagytam. Több autóba csináltam már pedig ilyen visszajelzőt. Jó lenne ha valaki jelentkezne, aki pontosan tudja ennek a (SUZUKI) világítás kapcsolásnak a milyenjét.
|
Bejelentkezés
Hirdetés |




csak tudnám hol vannak a zsinórok ....
Akkor a reflektorral párhuzamosan kéne bekötni szerintem 



Egyik állásban ég a lámpa folyamatosan, ha kinyitod az ajtót, ha nem, a másikban állásban meg nem ég, csak, ha kinyitod az ajtót. 