Fórum témák

» Több friss téma
Fórum » Alapvető Flip-flop áramkör
 
Témaindító: Okk, idő: Júl 6, 2005
Lapozás: OK   5 / 6
(#) etm válasza pucuka hozzászólására (») Jan 16, 2018 /
 
Köszi,Utána nézek. Érdekel ez az egész digitális logikai dolog! Üdv! Szép estét
(#) pucuka válasza etm hozzászólására (») Jan 16, 2018 /
 
Próbáld megszerezni a TEXAS TTL receptek c.kiadványt, sokmindent lehet tanulni belőle. Létezik elektronikus formában is, bár most épp nem találom.
(#) otvenkilenc hozzászólása Jan 17, 2018 /
 
Így van! Amikor megjelent rögtön lecsaptam rá.. Mellékeltem.. volna, de 4,3 Mbyte. Adj email címet és elkülföm.
(#) etm hozzászólása Jan 20, 2018 /
 
Hello! Kezdem kapizsgálni a dolgot. Készítettem egy számlálót is és sikerült! YESS!
Lehet,hogy ez másnak nem nagy valami,de nekem igen,mert most kezdtem ismerkedni a dologgal!
(#) Béla 66 hozzászólása Feb 23, 2018 /
 
Sziasztok!
Nekem egy olyan kapcsolás (IC) kellene, amivel megtudom oldani, a következőt:
Nyomógombot egyszer megnyomom - 1.kimenet =1
2.kimenet =0
Mégegyszer megnyomom - 1kimenet =0
- 2.kimenet =1
És ez ismétlődne!
Próbálkoztam már, de nemsikerült összehoznom(4013, 74123. stb.). Az Igazságtábla végig ment, vagy ahogy elengedtem a nyomógombot visszabillent, de nem tudtam a fent említet állapotot megoldanom.
Előre is köszönöm a segítséget!

Elég csak az IC neve is!
A hozzászólás módosítva: Feb 23, 2018
(#) gyoran válasza Béla 66 hozzászólására (») Feb 23, 2018 /
 
J-K flip flop (pl 74LS73)
Ha a J és K bemenet mindkettő High, akkor a kimenet minden órajelre változik. Van egy Q és egy -Q kimenet ebből az egyik mindig 0 a másik mindig 1.
Órajelet pergésmentesíteni kell, ennek az elegáns megoldása a nyitó és záró érintkezős kapcsoló akár a 7473 másik felét felhasználva (kapcsoló lent=reset fent=órajel J=High K=Low)
(#) Béla 66 válasza gyoran hozzászólására (») Feb 23, 2018 /
 
Szia Gyoran!

Köszönöm szépen a gyors segítséget, és a jótanácsot (pergésmentesítés).
Most éppen a 4013-al próbálkozom megint.
Remélem van othon 7473. Ez CD vagy SN nem tudom most hirlen, hogy megegyeznek-e de neten megtudom nézni!

Mégegyszer köszönöm!
(#) gyoran válasza Béla 66 hozzászólására (») Feb 23, 2018 /
 
Bármilyen J-K jó, a pergésmentesításhez fent az élvezérelt 74LS73 A kell, de talán megy a simával is.
De a 4013 is jó. Egyik fele pergésmentesít (Set-Reset), a másik fele: -Q menjen a D-re és kész.
Felhúzó ellenállások kellenek.
Az igazságtábla, ami nem működik = igazságtalan tábla - bocs.
A hozzászólás módosítva: Feb 23, 2018
(#) Béla 66 válasza gyoran hozzászólására (») Feb 23, 2018 /
 
Köszi mégegyszer!
Sajnos az igazságtábla szerint működött, de a próbálkozásaim nem úgy müködtek, ahogy szerettem volna.
(#) gyoran válasza Béla 66 hozzászólására (») Feb 23, 2018 /
 
Az igazságtábla csak olcsó poén volt - és elnézést is kértem.
Ez annyira egyszerű áramkör, hogy működnie KELL!
Gyanúm a távolból, hogy a kapcsoló pergésmentesítése nem OK.
Ez ellen kondenzátor-ellenállás is jó lehet, de azt méretezni kell.
A hozzászólás módosítva: Feb 23, 2018
(#) Béla 66 válasza gyoran hozzászólására (») Feb 23, 2018 /
 
Láttam, hogy poén! Semmi gond!(Ki is van szürkítve, + Smile)
Pergésmentesitve nem volt!
Viszont nekem nem kapcsolóm van, hanem nyomógomb. Lehet, hogy idióta kérdés számodra, ha pergésmentesítem a nyomógombot, akkor szimulálom a kapcsolót?
A hozzászólás módosítva: Feb 23, 2018
(#) gyoran válasza Béla 66 hozzászólására (») Feb 23, 2018 /
 
Ha pergésmentesíted a gombot, akkor direktben a 4013 második fele (ld fent) Clk bemenetre mehet. Különben van olyan nyomógomb is, mint fent, de nyilván nem ez az elterjedt.
Mindenesetre, mivel a 4013 clk bemenete élvezérelt, minden él (felfutó vagy lefutó... nem tudom, de él) átkapcsolja. Ha egy gombnyomásra sok ilyen van, akkor ki tudja mi lesz a végredmény.
(#) Béla 66 válasza gyoran hozzászólására (») Feb 23, 2018 /
 
Hálás, köszönetem!
Üdvözlettel Béla
(#) csigi hozzászólása Máj 6, 2018 /
 
Sziasztok!

Következő problémám lenne, építeni szeretnék egy egyszerű áramkört ami 12V-os bemeneti impulzusra bekapcsolná a kimenetet, majd következő impulzusra kikapcsolná azt, kimenetre szintén +12V kellene.
Ami még lényeges lenne, hogy egy meglévő áramkör mellé kerülne be párhuzamosan.

Keresgéltek kapcsolási rajzokat, 555 és flip-flop, de sajnos nem találtam olyat ami nekem kellene.

Előre is köszönöm!

Üdv Davee
(#) kokozo válasza csigi hozzászólására (») Máj 6, 2018 /
 
(#) pucuka válasza csigi hozzászólására (») Máj 6, 2018 /
 
Esetleg CD4027 JK Flip flop szóba jöhet, a két kimenet közösítését CD4001 Nor kapuval megoldhatod.
(#) Béla 66 hozzászólása Máj 25, 2018 /
 
Sziasztok!
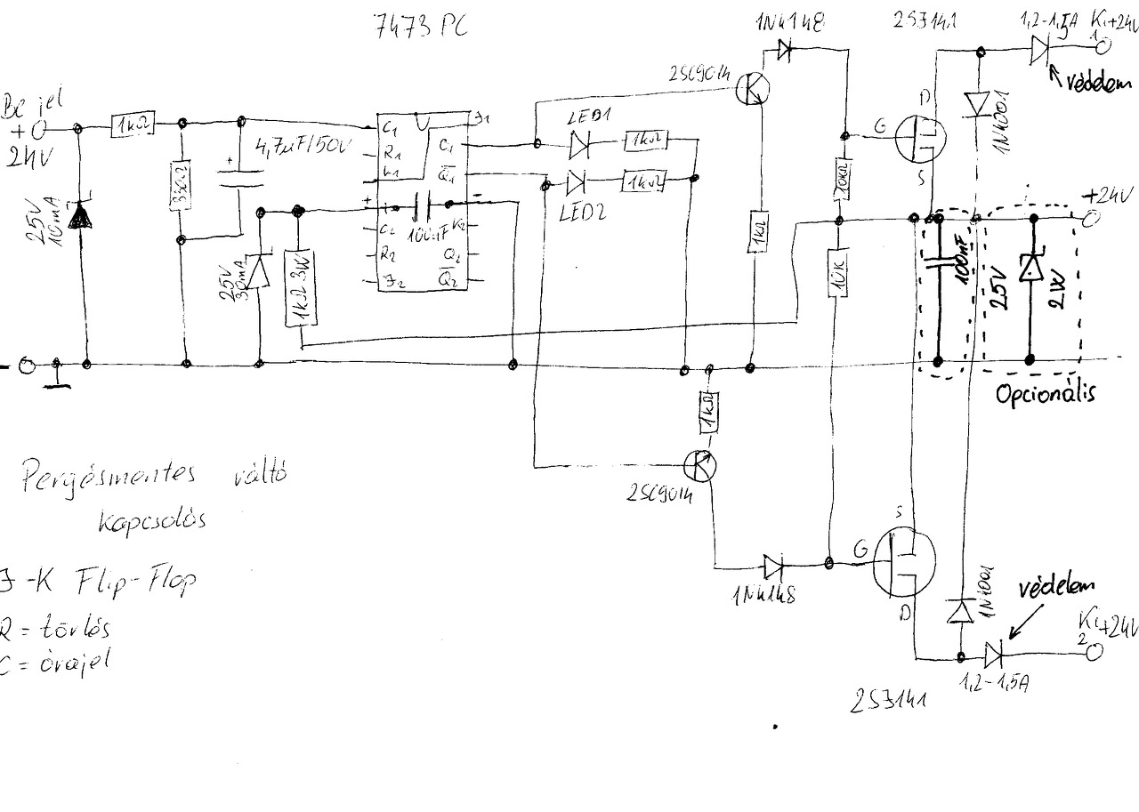
Az alábbi kapcsolást kellene pergésmentesíteni.
A be jel, egy nyomógombról jön.
Köszönettel Béla

7473~1.jpg
    
(#) proli007 válasza Béla 66 hozzászólására (») Máj 25, 2018 /
 
Hello! Na, most van amikor Schmitt triggert és előtte RC tagot kell alkalmazni. Leht az egy NE555 de egy tranyós kapcsolás is.
Egyébiránt a TTL táp stabilizátor zéner gondolom 5,1V és az 1N4148-ak fordítva vannak bekötve.
A TTL magas szintű lábait illik a tápra kötni. Az 1N4001-ekre nem igazán van szükség, mert a Fet-ben ott a parazita dióda..

Input-TTL.png
    
(#) Béla 66 válasza proli007 hozzászólására (») Máj 26, 2018 /
 
Szia!
Csak gyorsan bemásoltam, és nem a végleges verzió került fel.
Igen a táp zéner 5,1V-os, 1N4148 és az 1N4001 nem is került bele!
Sajnos helyszűke miatt, így is két picike panelra kellet tennem, egymás fölé.
Más megoldás nincs?
Köszönettel, Béla
(#) Béla 66 hozzászólása Máj 26, 2018 /
 
Helló!
A hely szűkössége, az IC tok + IC magassága lett, a távtartó magassága.
Így éppen, hogy elfért!

7473 ny.png
    
(#) kokozo válasza Béla 66 hozzászólására (») Máj 26, 2018 /
 
Ha az ic-t elforgatod az egész ráférne egy ugyanekkora nyákra.
(#) Béla 66 válasza kokozo hozzászólására (») Máj 27, 2018 /
 
Szia!
Köszönöm a fáradozásod, hogy áttervezted a nyákot. De voltak szempontok (a két meghajtásnak vezérlésnek, és jelzésnek saját oldalára kellet kerülnie). Sajnos ehhoz kellet magam tartani. A pergés mentesítés az ami megoldásra vár!
(#) kokozo válasza Béla 66 hozzászólására (») Máj 27, 2018 /
 
Nem lehet, hogy az ic táp szűrése kevés? tenni kellene rá pár mikrós kondit szűrésnek a 100n mellé, és még a 10-es láb helyett, nem a 9-es a kimenet?
(#) Béla 66 válasza kokozo hozzászólására (») Máj 28, 2018 /
 
Szia!
Igen a 9-es a kimenet, azt javítottam az összeszerelésnél. Ez az elektronika egy teherautóra készült. Egy barátom kért meg, hogy helyettesíteni tudjon, egy megszünt relét! Az ötleteket sajnos nem tudom azonnal adoptálni, ezért elnézést kérek előreis ha nem válaszolok azonnal. Kb. egy hetes intervallumokban tudok majd reagálni a javításokra.
Köszönettel Béla.
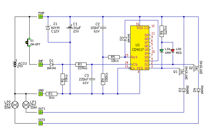
(#) proli007 válasza Béla 66 hozzászólására (») Máj 28, 2018 /
 
Hello! Én minden estre így oldanám meg a dolgot. (Nem tudom mihez kell, de a lámpa a rajzon csak a terhelés helyét mutatja.)
A hozzászólás módosítva: Máj 28, 2018
(#) Béla 66 válasza proli007 hozzászólására (») Máj 28, 2018 /
 
Szia!
Ez egy tehergépkocsin van, amin kettő mechanikus dugattyút működtet, kettő 24V-os mágneskapcsolón keresztűl. A mágnes kapcsoló áram felvétele 1A. Ez szokot leghamarabb leégni, ezért tettem bele, az 1,2- 1,5A-es védő diódát. A vezérlő jelet, a dugattyú tengején lévő mechaniku nyomógomb adja a két holtponton, csak egy pillanatra. Dugdosós panelen összeraktam az általam feltett kapcsolási rajzott, és ott hibátlanúl működött. Akár a tesztgomb megnyomása (mikrokapcsoló), akár a vezérlő jelre érintettem a +24V-ot, nem pergett a relé. A helyszínen viszont előjött ez a relé tévesztés (pergés).
Mivel akkumulátor a táp, én a generátortól jövö, esetleges dióda hibára gyanakodom ezért van a 25V-os zener, és az 5,1V-os benne elvileg. De lehet, hogy az alapvető kapcsolásom nem pergésmentesített, (ehhez a részhez nem konyítok).
Jó lenne ha 7473-al megoldani, mert ezekhez már elkészítettem a panelokat, két protótípus van teljesen kész. Ezeket tudnám faragni.
Ha nem megoldható, akkor természetesen átalakítom 4017-re, a nyákot. Bár ott is kellene valamit tenni a nyomógomb körül, mivel a gyakorlatban nem tudom átteni azt a megoldást.
Bocs hogy ilyen hosszúra sikeredett, de talán így átláthatóbb a dolog.
Mindenkinek KÖSZÖNÖM az eddigi munkáját.
A hozzászólás módosítva: Máj 28, 2018
(#) Béla 66 válasza Béla 66 hozzászólására (») Máj 28, 2018 /
 
BOCSÁNAT!
A nyomógombot benéztem!
(#) Pottyos11 hozzászólása Okt 29, 2020 /
 
Üdv, olyan kapcsolást keresek, hogy egy nyomógomb megnyomására 2 ledet kapcsolunk felváltva. Tehát valamelyik led mindig világít, a nyomógombot megnyomva átvált a másikra, és így tovább. Komplett rajznak örülnék legjobban, köszönöm.
(#) Gafly válasza Pottyos11 hozzászólására (») Okt 29, 2020 /
 
(#) proli007 válasza Pottyos11 hozzászólására (») Okt 29, 2020 /
 
Hello! Én úgy gondolom, ilyesmire gondolsz. Vagy is minden megnyomáskor váltson át, nem csak a megnyomás idejére. De önmagában ez nem sokat ér, ha nem működtet semmit. De ha csak "kísérlet", akkor persze a relé elhagyható.
Egyébként sokféle eszközzel és ódon megoldható, de hogy mit értesz a "komplett rajz" alatt, azt nem tudhatom, mint azt sem, miből volt szándékod megépíteni. Mindenesetre a Fet-ekkel egyszerű a dolog.
A hozzászólás módosítva: Okt 29, 2020
Következő: »»   5 / 6
Bejelentkezés

Belépés

Hirdetés
XDT.hu
Az oldalon sütiket használunk a helyes működéshez. Bővebb információt az adatvédelmi szabályzatban olvashatsz. Megértettem