Fórum témák

» Több friss téma
Fórum » PIC - Miértek, hogyanok haladóknak
Lapozás: OK   198 / 1320
(#) trudnai válasza Csaplar hozzászólására (») Ápr 30, 2008 /
 
Elsosorban arra gondoltam, hogy van ket dobozod, amin van RS232 csati... de ne telefonos modemre gondolj, mert ahhoz kellene meg telefonkozpont is valami berelt vonali midem - de lehet valoban jobban jarnal ha az RS422 szerint csinalnad meg az illesztest.
(#) Csaplar válasza szilva hozzászólására (») Ápr 30, 2008 /
 
Köszi a segítséget! Remélem innentől menni fog a dolog!

Még annyit szeretnék kérdezni, hogy a Chipcadnél kapható MTP-K4 -es RFID reader-hez nem kell külön antenna?
Ha igen, akkor milyen?
Amit láttam példát amellett nem volt semmi...
(#) watt válasza Csaplar hozzászólására (») Ápr 30, 2008 /
 
szilva ajánlása jó.
Ha netán nem fogyaszt sokat a külső egység, és nem kell galvanikus kapcsolatba lépnie a testtel(más áramkörökkel, stb.) akkor ki lehet vinni a tápot az UTP kábelen neki(12V-ot, amit regulálni kell ott kint). Így nem kell optos elválasztás.
(#) menyus hozzászólása Ápr 30, 2008 /
 
Sziasztok!

Lehet kicsit OFF amit kérdezek de nem tudom hol tegyem fel...

Bajban vagyok mert abból a GSM modulból aminek a progizásában már segítettetek rendeltem még 5 db ot, amelyekben sajnos gyárilag hibás a firmware. Kaptam egy programot a forgalmazótól amivel egy jól működő példányból lementhetném a jó firmware t és áttölthetném egy hibásan működő modulba. A probléma az hogy a letöltés végén elakad a folyamat mert a letöltő program vár egy visszaigazolást hogy a művelet befejeződött. (ACK) Ennek hiányában nem fejeződik be a letöltés,a PC létre sem hozza fájlt...stb.

És most jönne a tulajdonképpeni kérdés, azaz hogy ez a hiba lehet e a soros port nem megfelelő beállításától? A programban van lehetőség a DTR / RTS ki bekapcsolására. Az átviteli sebesség, a handshake, stop bit és a paritás jól van beállítva, de az RTS / DTR ben nem vagyok biztos mert nem tudom mire valók... Azért gondolok a soros port nem megfelelő beállítására mert sem oda sem visszafelé nem működik a dolog, azaz vagy a modul nem küldi az ACK t vagy a PC a modulnak. Nincs valakinek valami ötlete?

Köszönöm előre is és elnézést az OFF ért.


hiba5.JPG
    
(#) kobold válasza menyus hozzászólására (») Ápr 30, 2008 /
 
Amit írtál, és a csatolt képből kinézve, a jó firmware "rossz" modulba történő áttöltésével van gondod; mit kellene egyáltalán a PC-nek ilyenkor létrehoznia? Ezt csak úgy kérdezem.
A DTR, Data Terminal Ready, a külső eszköz jelzővonala, ha automatikusan küld ACK-ot, talán ott jöhet. Ha nem automatikus, akkor a PC az RTS-en keresztül kérhet valami visszaigazolást.
Abból semmiféle baj nem lehet, ha kísérletezel, vagyis bekapcsolgatod őket (egyik, másik, mindkettő), max. nem kommunikálnak egymással.
(#) menyus válasza kobold hozzászólására (») Ápr 30, 2008 /
 
A modulban egy .bif kiterjesztésű bináris fájl van ez kéne megjelenjen a PC n a célkönyvtárban. A gond már ott elkezdődik hogy a "jó" modulból nem tudom lementeni a PC re a firmwaret. De visszafelé sem működik a dolog, van egy régebbi firmware verziós programom azt sem tudom a PC ről a modulnak küldeni.
Már több letöltő programot is kipróbáltam, és próbálkoztam másik PC vel is. Minden verzióban ugyan az a probléma.
(#) kobold válasza menyus hozzászólására (») Ápr 30, 2008 /
 
Hát, van 4 lehetőséged, abból egy már kiment (DTR off, RTS off), a másik hármat végig kéne zongorázni. Én a DTR-re tippelek.
A proginak nincs súgója a kommunikációs paraméterekről?
(#) Thowra hozzászólása Ápr 30, 2008 /
 
Üdv mindenkinek!
Nemrég kezdtem foglalkozni PIC kel de nem járok sok sikerrel
A programot be tudom égetni de a lepróbálás már problémásabb. Tud esetleg ajánlani valaki egy pic szimulátor programot? Van esetleg valakinek egy olyan alap progi ami beégethető egy pic16f627 vagy 628 as pic be és pl egy ledsort kapcsolgat fel le.
Sajnos rajzom sincs, még nem építettem semmit amibe kell pic. Van esetleg valakinek egy nagyon lebutított rajz a fent említett progihoz?
A segítséget előre is köszönöm!
(#) kobold válasza Thowra hozzászólására (») Ápr 30, 2008 /
 
MPLAB-ban van szimulátor is.
(#) menyus válasza kobold hozzászólására (») Ápr 30, 2008 /
 
Van egy PDF mellékelve hozzá, abban a példában a DTR / RTS ki van kapcsolva. Ezért nem tudok már mire gondolni. Kipróbáltam az összes variációt , egyikkel sem megy. Ugyan az a hiba.
(#) kobold válasza menyus hozzászólására (») Ápr 30, 2008 /
 
Az nem tetszik nekem, hogy a képen a Device name, size értékekhez unknown van írva... Van a legördülő eszköz-listában auto módra lehetőség? Hátha úgy menne.
Illetve, biztos, hogy a progi tudja ezt a modult kezelni? Két éve elég sokat szenvedtem egy ESA panellal, hasonlóan firmware-csere volt, de öt-hat levél kellett hozzá a spanyol kollégával, mire jó alkalmazást kaptam.
(#) menyus válasza kobold hozzászólására (») Ápr 30, 2008 /
 
A tipus kiválasztásánál két lehetőségem van az ami látszik a képen és egy "S600" tipus, auto nincsen. A modul SIM300D, tehát a beállítás elvileg jó kéne legyen.
(#) kobold válasza menyus hozzászólására (») Ápr 30, 2008 /
 
Esetleg kisebb sebességgel (akár 9600 bps is) végigjátszani a DTR, RTS beállításait...? Igaz, hogy a sebességnek nem sok köze lehetne hozzá, de hátha.
(#) menyus válasza kobold hozzászólására (») Ápr 30, 2008 /
 
Már azon is túl vagyok...nincs ötletem. Látom másnak sincs.

Mindenesetre köszönöm.
(#) kobold válasza menyus hozzászólására (») Ápr 30, 2008 /
 
Nem tudom, milyen adatkábeled van, de talán olyan kellene, ami teljes vezetékelésű (azaz a SUB-D minden lába át van vezetve a másik oldalra).
Ennél több ötletem végképp nincs
(#) kobold válasza kobold hozzászólására (») Ápr 30, 2008 /
 
Tévedtem, nem kell teljes bekötés, legalábbis ha jó forrást találtam... Ennek a doksinak a 34. oldalán van pár szó a szoftver-frissítésről, csak annyit hangsúlyoz, hogy a jelszinteknek a 3 V-os Vext-hez kell igazodniuk (vagyis a sima PC-s RS232 nem is jó).
(#) trudnai válasza Thowra hozzászólására (») Ápr 30, 2008 /
 
Szia Thowra,

Ez ugyan nem 628, de 877 adatlapbol kinezed melyik lab micsoda, utana 628-nal megnezed ott melyik lab ami hasonlo es ugyanolyan modszerrel bekotod a ledjeidet...

Nullarol a robotokig - PIC mikrovezerlok I.

Erdemes a cikket is atolvasni, es a masik ket reszt is.
(#) menyus válasza kobold hozzászólására (») Ápr 30, 2008 /
 
Köszi ez a PDF nekem már megvan. A PC és a modul között pedig ott van a gyári fejlesztő panel amin rajta van a soros illesztő. (SP3238)
(#) Thowra válasza trudnai hozzászólására (») Ápr 30, 2008 /
 
Üdv!
Köszönöm a segítséget.
A programon ami az oldalon van (teszt.hex) kell módosítani valamit vagy mehet bele?
(#) szilva válasza kobold hozzászólására (») Ápr 30, 2008 /
 
Noigen, de milyen kábellel, milyen illesztéssel csinálja? Vajon be vannak kötve ezek a jelek? Mert ha nincsenek bekötve, akkor hiába állítunk a PC-n bármit, nem fog megjavulni...
(#) trudnai válasza Thowra hozzászólására (») Ápr 30, 2008 /
 
Ha ugyanazzal a PIC-kel ugyanazt az aramkort megepited akkor nem. De epp az lenne a lenyeg, hogy megmodositsd magadnak (valoszinuleg nem kell tul sokat csinalkni hozza, hogy ez menjen), es akkor at tudod irni, hogy maskepp villogjon, mas sebesseggel stb.
(#) szilva válasza szilva hozzászólására (») Ápr 30, 2008 /
 
Bocs, látom, ezt már nagyjából körüljártátok.
(#) Thowra válasza trudnai hozzászólására (») Ápr 30, 2008 /
 
Ettől féltem, még nem igazán tudom, hogy mi mit csinál a progiba :S
(#) trudnai válasza Thowra hozzászólására (») Ápr 30, 2008 /
 
De ha mondjuk olvasgatnad azt a cikket, akkor elobb utobb megertened Ha valami nem vilagos a cikkben akkor itt megkerdezed ez vagy az miert igy es miert nem ugy es akkor lesz itt mindig olyan aki valasozlni tud es fog. De ha csak HEX file-okat szeretnel letolteni es nem erdekel hogyan mukodik akkor lehet erdemesebb olyan projectecet keresni ahol a kapcsrajzot pontosan ugy megepited ahogy ott van, a HEX-et rateszed a PIC-edre es kesz - de akkor nyilvan sohasem fogsz tudni sajat aramkort kitalalni, sajat firmware-t irni stb.

De ha tanulni szeretned lehet jobban jarnal ha pl vennel egy 877-et ami a cikkben szerepel es megepitened a teszt aramkort es olvasva a cikket probalgatnad m mitol es miert van. Vagy ha a cikk nem tetszik akkor mas hasonlo kezdoknek szolo konyv alapjan - van angol nyelvubol annyi mint csillag az egen... ezek kozuk nehany egeszen jo. Magyarol is biztosan vannak, sajnos ezeket nem annyira ismerem.
(#) Thowra válasza trudnai hozzászólására (») Ápr 30, 2008 /
 
A célom az, hogy megértsem a működését a dolognak, de ehez először valami működő cuccot szeretnék csinálni amin lehet próbálkozni.
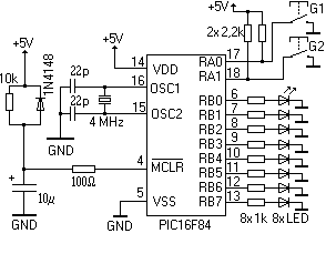
(#) potyo válasza Thowra hozzászólására (») Ápr 30, 2008 /
 
Itt egy hex fájl, ami 16F627 vagy 628-on a PORTB összes lábát fel-le kapcsolgatja. Csak egy valamilyen kvarc+kondenzátorok, tápszűrő kondenzátor és egy led kell valamelyik portb lábra.
(#) Thowra válasza potyo hozzászólására (») Máj 1, 2008 /
 
Köszönöm a programot.
Hardvernek ezek egyike megfelel?
(#) potyo válasza Thowra hozzászólására (») Máj 1, 2008 /
 
A PICrajz lesz használható, mert azon van kvarc használva.
(#) Thowra válasza potyo hozzászólására (») Máj 1, 2008 /
 
Összeraktam a kapcsolást és működik
Arra gondoltam, hogy a picproto1 rajzot kiegésszítem a kvarcos résszel és akkor lenne egy próbapanelem.
(#) trudnai válasza Thowra hozzászólására (») Máj 1, 2008 /
 
Azon RC oscillator van, akkor azt szedd ki a kapcsolasbol, vagy valtoztasd meg a konfigban, hogy ne kvarcos hanem RC oszcis a kapcsolas - illetve a 627/628-nak van belo oszcija is, nem? Az miert nem jo?
Következő: »»   198 / 1320
Bejelentkezés

Belépés

Hirdetés
XDT.hu
Az oldalon sütiket használunk a helyes működéshez. Bővebb információt az adatvédelmi szabályzatban olvashatsz. Megértettem