Fórum témák
» Több friss téma |
Fórum » Villanymotor bekötése
Én csak ilyet tudtam rajzolni,elég katyvasz let de talán érthető.
Sajnos két-áramkörös három-állású nem elegendő, mert a motorra is kell kapcsolni a 230V-ot, meg a kondit is kapcsolni kell ide-oda. Tehát háromállású kell, kivétel, ha fixen kötnéd be a motort a hálózatra, mert ekkor a nullát nem lenne kötelező kapcsolni.
Amit rajzoltál, az azért nem jó, mert az csak a 230V-ot fordítja meg, de a kondi ugyan ott marad. Ha így megfordulna a forgásirány, akkor pld. a villásdugó megfordítására is változna a forgásirány.. (A kondira is illik egy 100k..1Mohm ellenállást tenni, hogy hálózat kikapcsolása után kisüljön.) A hozzászólás módosítva: Jún 8, 2018
"Tehát háromállású kell, "
Három pólust akartál gondolom irni. Értem és én is arra gondoltam hogy a nullát nem azakitom meg,akkor elég lenne ez a kapcsoló is. Egyépként eleve az áramot nem a konektorból hoznám ennek a kapcsolónak hanem egy másik kapcsolóból ami szakitja mindkét szálat.
Megint egy rajz,igy gondoltam az előbbit.
Háromállású-három áramköröst szerettem volna írni. Ha így kötöd be, és fix a kötés, akkor így megfelelő lehet.
Sziasztok! Legyenszives aki tud segiteni a képen látható motor amin semmi jelzés nincs kivéve a bekötő doboz belsejében a bekötési rajzot de nem tudom milyen feszültség 220 vagy 380
Normál 3-fázisúnak néz ki. Jelen pillanatban csilagba kötve. Tényleg nincs sehol rajta adat tábla? Nagy valószínűséggel 3*400V (ha újabb tipus) vagy 3*380V (ha régebbi tipus.
Szia! Csatlakozom az előttem szólóhoz és talán annyit tennék még hozzá, hogy bizonyára 220V feszültségűek a tekercsek, így deltába kötve lehet használni egy fázissal is, állandó üzemi kondenzátoros bekötéssel de 1/3 teljesítmény veszteséggel. A teljesítményre a tengely átmérője és annak magassága enged némi következtetéssel meghatározni.
Köszönöm a segítséget talán meghajtja a 190 átmérős körfűrészt
Tehát deltába_? És valóban nincs rajta semmi jelzés A hozzászólás módosítva: Jún 12, 2018
Tipikus bekötés forgásirány és indítási rásegítéssel. Mérd meg a tengely átmérőt és annak a talp szintjétől való magasságát. Lehet saccolni a kilowattokat.
A hozzászólás módosítva: Jún 12, 2018
Hello
A villanyszerelőkbe vettet hittem megszűnt miután hárman már a telefonban nem akartál vállalni két villanyszerelő meg belefogót de feladták, az utolsó bizodalmam reménysugár hátha valaki itt tud segíteni. Esztergapad vezérlése kellene bekötni, 24V a vezérlés, dahlander motor működteti a gépet. Adott 4db Dil 00L-44 mágneskapcsoló 1db DPDT kapcsoló és 3db nyomógomb kapcsoló. A DPDT kapcsoló váltja a két fordulatszámot a dahlanderen, egyik nyomógomb jobbra a másik balra harmadik ki kapcsolja, a jobb vagy a balra nyomógombra kellene bekapcsolni, a ki nyomógombra kikapcsol, esetleg működés közben jobbról balra lehetne e váltani forgásirány kikapcsolás nélkül. Ehhez szeretnék tanácsot kérni, lehetséges e a működésé ? Előre is köszönöm !!!
Amit leírtál szinte maradéktalanul megoldható. Egyedül a
Idézet: ami nem megoldható. „működés közben jobbról balra lehetne e váltani forgásirány kikapcsolás nélkül” Viszont a négy mágneskapcsoló szerintem kevés lesz. A nyomógombos indítás leállás forgásirányváltáshoz minimum kell 3 darab és a dahlander bekötéshez pluszba 2 darab feltéve ha jól számolom.
Mekkora a Dahlander motor teljesítménye? A fényképen is látható DIL 00L-44 nem éppen teljesítmény kapcsoló! Jó volna fénykép a motor adat táblájáról is. A 0.jpg képen bekötött állapotú a mágnes kapcsoló, meglévő vezérlésről van szó? Erről is jó volna egy távolabbi fotó.
A hozzászólás módosítva: Jún 14, 2018
Itt egy verzió: (a vezérlést természetesen 24 Voltra konvertálni)
A hozzászólás módosítva: Jún 14, 2018
Van egy kínai állványos fúrógépem, ami nagyon gyenge villanymotorral rendelkezik.
A motorra 500 watt van irva, 8 uf konda van hozzá. Üzemeltetés közben a motor nagyon melegszik. A motoron kicseréltem a kondit 20 uf osra, így a motor sokkal erősebb, sokkal jobban használható. A problémám az, hogy üzemeltetés közben a motor nagyon forró. A nagyobb konditól lehet forróbb a motor? Vagy a kondi mérete nem befolyásolja a motor melegedését?
Persze, hogy forróbb a nagyobb konditól. Azon megy a segédfázis árama. Nagyobb kondi - nagyobb áram. Előbb - utóbb leég a segédfázis tekercsed! Ezek a fúrógépek nem folyamatos üzemre vannak tervezve. Nekem is van, ennek a motorján az van, hogy 12min, vagyis 12 percet mehet folyamatosan egyszerre. Utána várni kell, míg lehűl. Nézd csak meg, mit írnak a tiéden!
Itt vannak a februári képek:
https://www.hobbielektronika.hu/forum/getfile.php?id=313616 https://www.hobbielektronika.hu/forum/getfile.php?id=313617 https://www.hobbielektronika.hu/forum/getfile.php?id=313548 https://www.hobbielektronika.hu/forum/getfile.php?id=313631 Figyelem, a 4db mágneskapcsoló nem egyforma, kettő 00-52, kettő pedig 00L-44. A segédérintkezői mások!!! Tapasztalat, hogy ezt így bekötni nem nagyon vállalja senki. Sok idő, nincs rajz, stb. Előbb ezt le kell rajzolni. Ott a helyszínem én sem vállalnám. Azt nem fizeti meg senki. Haza kell vinni a szekrény alaplapját, összerakni és készen beépíteni. Most is azt mondom, hogy az egy korrekten megépített kapcsolás volt. Inkább a hibát kellett volna megkeresni, mert ha újra lesz kötve, nem lesz semmivel egyszerűbb. Ugyanannyi vezeték, átkötés lesz, mint volt! Ezt nem lehet egyszerűbben! (egyszerűbb egy frekiváltó lenne...) Ha lesz kis időm, lerajzolom, de a mágneskapcsolókat le kell próbálni, behúzótekercs jó-e, összes érintkező jó-e, nincs-e elégve..., ugyanis eredetileg valószínű működött, valami hibás, ha egyszer csak nem ment. Kapcsolók jók? Trafó? Hőkioldó három fázist átadja, segédérintkezője jó? A hozzászólás módosítva: Jún 14, 2018
Csatoltam a DIL mágneskapcsolók érintkezői rajzát, hátha valaki megelőz és lerajzolja.
Teljesen egyet értek Veled, egy esetleges kis kontakt hiba miatt nem kell újat építeni.
Sajnos találkoztam már hasonló esetekkel amikor nem volt türelme a "kollégának" megkeresni a piti hibát, inkább szét túrta a vezérlést. Nem alkotott jobbat, viszont volt mit jobbá tennem.
Egyik villamosgép szerelő leellenőrizte működnek a kapcsolok átnézte az egászet, annyit elért hogy magas meg alacsony fordulat volt már meg még magason jobbra balra talán.
Még annyi kellene, hogy a motorra rá kellene mérni ellenállásmérővel, a kapcsaira, elsősorban a felső három és az alsó három kapocs között van-e kapcsolat, lehet-e mérni ellenállást? Természetesen, ha dahlander, akkor igen, erre utal az eredeti kapcsolási rajz, viszont a motoron nem jelölik ( hogy YY-Delta vagy YY-Y a bekötés)
Igen van ellenállás a felső és az alsó kapcsok között.
Ha áram alá helyezem és benyomom a mágneskapcsolot akkor a 2db. Dil 00L 44 es a lassú jobb balra forgásért felel a másik 2 db. Dil 00 52 es a gyors jobbra balra forgásért felel.
Gondolom akkor a dpdt kapcsolóval a két mágnes kapcsolót lehet váltani .
Akkor dahlander motor lesz az!
Nem értem, hogy kötötték. Én úgy csinálnám, hogy két mágneskapcsoló lenne az irányváltó a nyomógombokkal öntartóra bekötve. Utána a kapcsolóval kapcsolnám a két sebességfokozatot, ez a rész független lenne az irányváltóktól. De... én hiányolok még egy mágneskapcsolót!? Az eredeti rajzon (gyári kapcsoló) látszik, hogy a gyors fokozatban a lassú fokozat 3 kapcsát össze kell kötni( rövidrezárni ) . Dahlander motornál így kell kötni! Ezt nem látom az összerakott kapcsolótáblán, vagy az egyik 00L-44 nyitóérintkezőivel oldották meg?? A képen nem látszik. Csatolt rajz!!
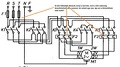
Egyébként van itt egy könyvből kimásolt bekötési rajz! Ebben is 5db mágneskapcsoló van! Az eredetileg nyomógombokkal indít, de átrajzoltam kapcsolósra az irányváltást. lásd áram és vezérlés rajz.
Esetleg a rajzon a K4 kapcsoló helyettesíthető a K3 nyitó segédérintkezőivel ( a K4-nek 00L-44-nek kell lennie), de én tennék 5 db-ot. ( az eredeti kimásolt rajzon az SF nyomógomb a gyors fokozatra váltás, mindig lassún indul) A hozzászólás módosítva: Jún 16, 2018
Ma végig követtem a 24 V os vezérlést, 9 vezetéket kell a Dpdt kapcsolóra meg a 3 nyomógombra kötni. A piros és a kék a behúzó tekercs vége. Ebből valamit ki lehet silabizálni, azon kívül hogy nem vagyok szakember
Ha a 77+24-et összekötöm behúz a R1 Jobb, 07+24-et akkor R1 Bal de akkor lever 2 fázist, ha a 8+24-et akkor a R2 Bal és ha a 76+ 24-et akkor az R2 Jobb húz be.
Szia! ITT a jobb szélső képen a valós mágneskapcsolót lehet látni, mert olyan érintkezőket és kötési pontokat nem rajzoltál az ákombákom rajzodba. Most akkor hogyan lehetne bármit is mondani megoldásként. Kénytelen leszel kirajzolni a már meglévő kapcsolást a szám szerinti bekötési pontokkal, különben talány lesz az egész.
Amennyiben a K1 és a K2 biztosítja a forgásirányt, akkor az áram.jpg rajzon nem teljesül a fázissorrend cseréje. Mindkettő azonos fázissorrendet kapcsol.
A hozzászólás módosítva: Jún 17, 2018
Találtam egy lehetséges kapcsolási rajzot ehhez a vezérléshez DE még mindig az a kérdés, hogy hogyan is vannak a kivezetések a sorkapocsnál, hogy "házasítani" lehessen a nyomógombos, Kbk kapcsolós megoldást hozzá. A szaggatott vonallal összekötött Kbk kapcsoló a DPDT kapcsoló. Az 1 és 2 a sebesség, a J és B az irányok. A dahlander motor pedig belső csillagpont elkötésű, ezért nem kell az 5. mágneskapcsoló.
|
Bejelentkezés
Hirdetés |























