Fórum témák
» Több friss téma |
Fórum » PLC kérdések
Témaindító: Thomas10100, idő: Nov 12, 2005
Szia!
1: Screen editorban a funkció gombokhoz rendelet bit lokális hatású, a System -> Screen / Keys beállítás pedig globális. Tehát a System -> Screen / Keys-nél a K1-hez rendelt bit mindig bebillen ha a K1 gombot megnyomják, akármi látható a kijelzőn. A Screen-nél a K1-hez rendelt bit viszont csak akkor billen be ha az a screen van a kijelzőn amelyiknél ez a hozzárendelés van beállítva. Ez utóbbi beállítással tehát elérhető hogy a K1-es gomb minden screennél más-más bitet billentsen be. Ezzel együtt a globális hozzárendelésben megadott bit is be fog billenni. TP277-nél ilyen nyilván nincs, hiszen annak nincsenek nyomógombjai. 2: Nem teljesen értem a problémát. Az event üzenetek nem igényelnek nyugtázást, azt csak az alarmok igényelnek. Ha TP277-nél a template screenen elhelyezel egy Alarm window objektumot, akkor egy újabb event vagy alarm bekövetkezésekor az ablak magától megjelenik akármelyik screen van a kijelzőn. Vagy megjelenítheted funkcióval is (pl gombnyomásra). 3: Valószínűleg ezt csak úgy tudod megoldani ahogy leírtad.
1. Csak azért nem értem,mert ami a globális beállításnál van az nincs használva a PLC programban, csak a screen-nél megadott van használva.
Ezeket közben megoldottam, plc simulátorral megnézve működik minden gomb és a plc programban is átbillen. 2. Nem volt még dolgom alarm és event képernyővel, de köszi a megoldást! 3. Entert megoldottam este, programban működik. Már csak a képernyő számának átvitele érdekelne. Op17nél 2 word kell, Tp277 meg 5 word-öt használ. Ezt úgy oldottam meg hogy másik üres M területre rakom az 5 wordot és amelyik kell azt másolom az eredeti helyére. Csak a plc program Byteosan használja őket. Protoolban az Area pointernél Mw124 van és 2 word hossz Op17. Ez a plc programban az MB125 és MB124 és az MB125 a képernyő száma ebből. Ezt meg is csináltam. De mi az MB126 és MB127 az OP17nél, ezeket használja a plc program. Köszönöm a segítséget
OP17-nél a Screen number areapointer 2 word, ahogy írtad. Byte-onként kezelendő.
Az első word alsó 8 bitje mondja meg az éppen kijelzett kép számát. A felső 8 bit a kijelzett kép típusát. Itt vigyázni kell, mert nem elég vizsgálni az alsó byte-ot (scr num), a felső byte-ot is figyelni kell, mert az mondja meg hogy user screen vagy system screen van-e a kijelzőn. A második word alsó 8 bitje mondja meg hogy a képernyőn lévő beviteli mezők (input field) közül hanyadik az aktív. A felső byte meg azt mondja meg, hogy az adott számú képen hanyadik képernyő szekció van kijelezve. Ez OP7, OP17 esetében érdekes, mert ott egy screen akár 100 részből is állhat, amik között lehet lapozni a fel/le nyilakkal. TP277-nél nem byte-onként, hanem word-önként értelmezendő a screen number areapointer tartalma. Word1: A kijelzett kép típusa (0 vagy 1) Word2: A kijelzett kép száma Word3: Tartalék Word4: Az aktív beviteli mező száma Word5: Tartalék Idézet: „Már csak a képernyő számának átvitele érdekelne.” Honnan hova akarod átvinni? Aktív SCR számát OP-ról a PLC-be, vagy a PLC-ből az OP-ba (képernyő váltás PLC programból)?
Az Op küldte a Plc-nek. Olyat nem találtam hogy a Plc váltotta volna át az OP-t.
Vagyis MB124 nincs felhasználva, MB125 értéke alapján pedig a screen száma alapján van bitenként. L 1 L MB125 == I = M22.0 Ez eddig meg is van a TPn is. Az MB126 és MB127 is így van M területre comparálva, ezt nem értettem mi. Vagy TPre hogy kell átültetni. Alarm window-t beraktam template screenre. Azt meg tudom csinálni hogy ki tudjak lépni innét akkor is ha valamelyik alarm aktív, mert van olyan ami csak figyelmeztetés, és így ha rányomok a kilépő gombra akkor egyből lépne is vissza.
Az esemény megjelenítést megoldottam
Köszi!
Ez a képernyő száma MB125: PAGINA 1 DISPLAY (Ha MB125 értéke 1 akkor M22.1 aktív, 10 oldal van az utolsó M23.2)
Ezt nem tudom mi MB126: N° DI REG. 1 P. DISPLAY (Ha MB126 értéke 1 akkor M25.1 aktív, M25.1-től M25.7ig 7 lehetőség van) Illetve ezt nem tudom mi MB127: N° DI CAMPO 1 P. DISPLAY (Ha MB127 értéke 1 akkor M24.1 aktív, M24.1-től M24.7ig 7 lehetőség van MB124 nincs a PLC programban
Erre így nem tudok mit mondani. Látni kéne mi hogy van beállítva.
A beviteli mezők száma hogy melyik aktív az mit jelent?
A screen-en a sorok végén lehetett adatokat bevinni, ezt miért kell tudni ? Vagy ezt jelenti amúgy? Tp277nél mit takar az aktív beviteli mezők száma a gyakorlatban? Köszi
Idézet: „A beviteli mezők száma hogy melyik aktív az mit jelent? ... Tp277nél mit takar az aktív beviteli mezők száma a gyakorlatban?” Ugyanazt jelenti. Ha a képen van beviteli mező, akkor megmondja melyik aktív. Ha nincs vagy egyik sem aktív akkor az érték 0. Az aktív beviteli mező azt a mezőt jelenti amelyikbe éppen írni lehet (rajta van a fókusz). Idézet: „A screen-en a sorok végén lehetett adatokat bevinni, ezt miért kell tudni ?” Ezt a kérdést nem értem. Sorry!
Arra gondoltam az OP17 esetében hogy a sor végén volt a beviteli mező, amit módosítani lehetett.
Ezt miért kell tudnia a PLC-nek hogy melyik aktív? Bocsi a rossz fogalmazásért. A hozzászólás módosítva: Aug 20, 2018
Nem kell tudnia, de szükség lehet rá.
Ha nincs rá szükség, akkor nem használod fel ezt az információt.
Rendben!
Holnap kiderül élesben mit hoztam össze. Köszi minden segítséget!
Helló!
Megvolt a próba, kisebb problémák vannak ami máshogyan van az üzenet kezelésnél, de ez nem gond jelenleg. A másik probléma az érték kijelzés a TP277 esetén. Vagy én bonyolódtam bele, vagy nem tudom mi van, de nem stimmel. OP17 esetében van 2 Tag: DB50 DBW54 WORD típusú, Decimal places: 2, Field lenght: 5, Input/output típus DB55 DBD0 DWORD típusú, Decimal places: 1, Field lenght: 5, Input/output típus Ezek a Protoolban vannak beállítva. WinCC-ben hogyan tudom beállítani, hogy helyesen mutasson? Jelenleg a mezőkben ### vannak, ha belépek a mezőbe akkor kiírja az értéket, de kb 8 számjeggyel. Köszönöm a segítséget!
Meglett közben
Sziasztok
Protolban az egyik Tagnél Scaling linear funkció van megadva. És úgy van megadva hogy elöször szorzás 21el majd hozzáadás -7,8. Ezt winccben meg lehet csinálni? Plc programban megcsináltam, de hátha Winccben is megoldható. Lineáris skálázást találtam, Hmi és Plc Upper és Lower érték van csak Köszönöm
Szia!
Persze hogy megoldható. Vagy használod a LinearScaling funkciót, aminek Y(out), a, X és b paraméterei vannak és ugyanazt csinálja ami neked kell: Y(out)=(a*X)+b Vagy a Tag-nél ahol nézted a skálázást így állítod be: PLC upper value: 1000 PLC lower value: 1 HMI device upper value: 20992 HMI device lower value: 13 Ugyanazt fogja csinálni mint ami neked kell: Y=(TAG*21)-7.8
Köszönöm!
Na ezekről semmi fogalmam se volt, az elsőt meg se találtam (ui.: Már megvan) A hozzászólás módosítva: Aug 24, 2018
Sziasztok!
Egy Mitsubishi Melsec A2AS CPU-t szeretnék kiolvasni. Mivel gyorsan kellene a kábel, így merem megkérdezni a következőket: A PLC-n DB-25-ös port van, ha csinálok egy RS422 - RS232 jel átalakítót akkor vajon működni fog a kábel? Bővebben: Link Találtam egy ilyen bekötést, de itt írja hogy a jel nem kompatibilis PC - PLC között. Találtam 1 helyen kábelt, amiben benne az átalakító, de 2-3 hét mire megjönne. Találtam ebay-en is kábelt, de az még lehet 3-4 hét is. Köszönöm a segítséget, ha valaki esetleg csinált ilyet.
Szia!
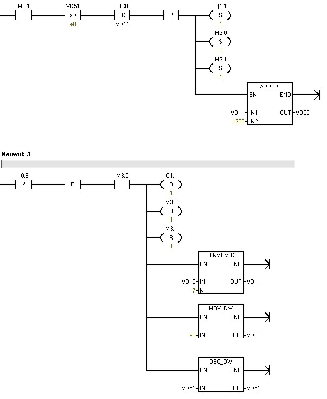
Segítséget szeretnék kérni, bár lehet hogy így nem egyszerű, hogy az egész programot nem látod. De egy részletet kivettem belőle. S7-200 sorozat és ha jól látom Pointer-rel van dolgom. De nem látom át A gép egy üvegeket címkéző gép, a bemenetén 2 adagolószalag van ami válogatja az üvegeket megfelelő távolságra egymástól. Van egy érzékelő ami indítja a Kódolvasást és nyomtatás ellenőrzést, majd kiadagolja a címkét és ráteszi az üvegre. Utána egy szalag és lap között rásimítja a címkét az üvegre, majd megnézi az üvegen rajta van-e a címke, a következő állásban pedig selejtezi az üveget, ha a 3 ellenőrzés közül valamelyik nem jó. Ezt a részletet akkor hajtja végre a PLC, ha rossz a vonalkód, vagy a jelölés. Valahogy az üvegek helyét tárolja el, ahol hiba van ott 1-es van és ezt lépteti egészen a kidobásig és a kidobónál pedig akkor van selejtezés ha 0-ál nagyobb van azon a helyen VD51? Ezt egy bit-enkénti jobbra léptetésnél átlátom, de így hogy pointer van és VB és VD, így nem látom az egészet, hogy mit hova és hogyan tárol. Köszi a segítséget! A hozzászólás módosítva: Szept 5, 2018
Szia!
Sajnos S7-200 programozásban csak érintőlegesen vagyok jártas így kapásból nem tudok segíteni.
Rendben, köszi
FIFO adatmozgatásról szeretnék valami leírást vagy példát.
Ez a First IN First OUT rövidítése? Mire alkalmazzák, hogy néz ki s7 300 programnál? Köszönöm!
Igen annak a rövidítése.
Az alkalmazására írok egy példát. Van egy berendezés, ami munkadarabokkal végez valamilyen műveletet (összerakja, feltölti a palackot, címkézi, mindegy). A gépben ellenőrzés is történik. Az ellenőrző állomásból a munkadarab tovább halad és egy olyan állomáshoz ér ahol selejtezik, vagy csomagolják. Ha e két állomás között egynél több munkadarab is tartózkodhat és ezek száma változhat (0 és egy véges szám között bármennyi lehet ott) akkor FIFO-val a fogadó állomáson azonosítható melyik munkadarab érkezett hozzá és kezelhető ez az információ. Pl a megelőző állomáson valahol az egyik munkadarabot selejtnek jelöli. Amikor a munkadarab végighalad a soron és eléri az utolsó állomást, akkor ott lehet tudni hogy selejt, el kell különíteni (vagy egyéb, korábban meghatározott tulajdonságok szerint válogatni őket a végén) akármilyen vegyesen jönnek a jók meg a rosszak. Programban ez egyszerű adat másolgatásokkal oldható meg. Létre kell hozni egy adat struktúrát (célszerűen egy DB blokkban) ami tartalmazza a munkadarab tulajdonságait amiket kezelni kell. A FIFO ilyen rekordokból épül fel. Amikor érkezik egy munkadarab azt bemásolja a puffer elejére. Amikor távozik egy, azt kiveszi feldolgozásra és törli a végéről, majd az összes benne maradót egyel lépteti a vége fele.
Ez nagyon jó leírás, köszi!
Szerintem az említett címkéző gépünk is így működik, S7-200ban. Bemegy az üveg, vonalkód olvasás, majd van 4 hely az üvegnek, aztán címke ellenőrzés, selejtezés és csomagolás. Példaprogramot hogyan találhatok rá? Sok Youtube videót néztem, de nagyon sok Allen Bradley
Hola Amigos, estoy tratando de reemplazar un PLC Eberle PLS 514
tengo el programa PLC escrito en papel. Me podría ayudar a comprender el conjunto de instrucciones. Existe un manual ??? ,un software ??? Tutoriales ?? Mi intención es reemplazarlo por otro PLC mas actual. solo necesito un poco de ayuda con las instrucciones. desde ya muchas gracias !!! A hozzászólás módosítva: Szept 13, 2018
A Google is képes rá:
Idézet: „Hello Friends, én megpróbálok felváltani egy Eberle PLS 514 PLC-t A PLC programot papírra írattam. Tudna segíteni abban, hogy megértsem az utasításokat. Van egy kézikönyv, szoftver útmutatók. A szándékom az, hogy egy újabb, újabb PLC-vel helyettesítem. Csak egy kis segítségre van szükségem az utasításokkal. Nagyon köszönöm”
Nem érdekel mit írt a gyerek. jeleztem, hogy magyarul tegye meg a hozzászólását. Tiszteljen meg minket azzal, hogy a a fórum nyelvén ír. Fordítsa le ahogyan te is tetted. Úgy látom a magyar nyelv használatáért tett jelzésem, nem tetszik a moderátornak.. Tehát ha szót emelsz a magyar nyelv védelme érdekében akkor azt a megjegyzésed törli gondolván azt, hogy felháborít ha védjük a nyelvünket és jogos elvárás, hogy a bejegyzések ne idegen nyelven történjenek.
Más idegen nyelvű fórumon ha valaki nem a forúmozók nyelvén ír, ott a moderátor teszi szóvá. Miért van az, hogy Magyarországon magyar nyelvű fórumon a moderátor üldözi a honi nyelv használatáért harcolókat?
Vajon ezen a kis világon hányan tudnak (az anyanyelvűeken kívül) angolul, franciául, spanyolul és magyarul? ... Csak segíteni szerettem volna. A fordításhoz egy kicsit bele kellett javítani az eredeti (feltételezhetően spanyol) szövegbe, hogy a fenti, nem annyira nehezen olvasható magyar nyelvű szöveget kapjam a Google -től. Szerinted mennyire tudná megítélni, hogy a magyar szöveg értelmezhető-e?
Ps. Nem szóltam a moderátoroknak... A hozzászólás módosítva: Szept 14, 2018
S ha a saját nyelvén ír azt mennyire tudom értelmezni? A fordítást jobban minta saját nyelvén írtakat, de nem érdekel. itt már a nyelv értékének az őrzéséért is büntetnek..Maholnap a fórumon betiltják a magyar nyelv használatát..
Szerintem beiratkozott egy intenzív magyar tanfolyamra.
A képen látható hozzászólásoktól sem dől össze a fórum. Annyi a különbség, hogy az indiai kérdező vette a fáradságot, hogy egy közösen megérthető nyelven tette fel a kérdést. Továbbá nem kívánok hozzászólni, mert nem ismerem a konkrét PLC típust. A hozzászólás módosítva: Szept 14, 2018
|
Bejelentkezés
Hirdetés |













