Fórum témák
» Több friss téma |
Fórum » VF2 végerősítő
Annyi kapcsolás van itt a fórumon ami 4 ohmra stabil és több 100 példányban megépült gond nélkül.
4 ohmra stabil az itt kozel 800w-ot jelent. Ilyen van tobb?
A Holton FET-esek biztos elindulnak elsőre, a kisebbik 350/4 ohm még valamikor a 90 (?) es években jelent meg a Chip magazinban ha emlékeim nem csalnak, a legnagyobb amit követtem +-90volt körül ketyeg.
A kisebbiket vagy 15 éve autoba is bemoddoltam 2 ohm-ra több példányban van ami ismerősnél szól a mai napig.
Sziasztok! Kész lettem egy Alkotó - féle panelra épített Conductorral. Remekül működik, egy apró, de zavaró hibától eltekinve. Ha mobiltelefon van az eősítő közelében, belehallatszik a telefon rádiófrekvenciás zaja, de csak egyik csatornán hallom, pedig teljesen egyforma a két panel. M okozhatja?
Szia! Rövidre zárod a végfokbemenetet a panelen. Ha elmúlik, teszel oda egy aluláteresztőt (1 k/ 680 pF). Ha érzékeny marad, 100nF tápszűrő a panelre. Ha tovább is érzékeny, szűkíted a végfok átvitelét.
Mielőtt belevágnál jó lenne látni a huzalozást, esetleg linkelhetnéd melyik ez a panel.
Huzalozást így oldottam meg. Gyakorlatilag Alkotó-féle kettőstápos panelt használok. Arra gondoltam, hogy a c2 jobb lenne mondjuk kerámiából? Most egy vima
A hozzászólás módosítva: Szept 23, 2017
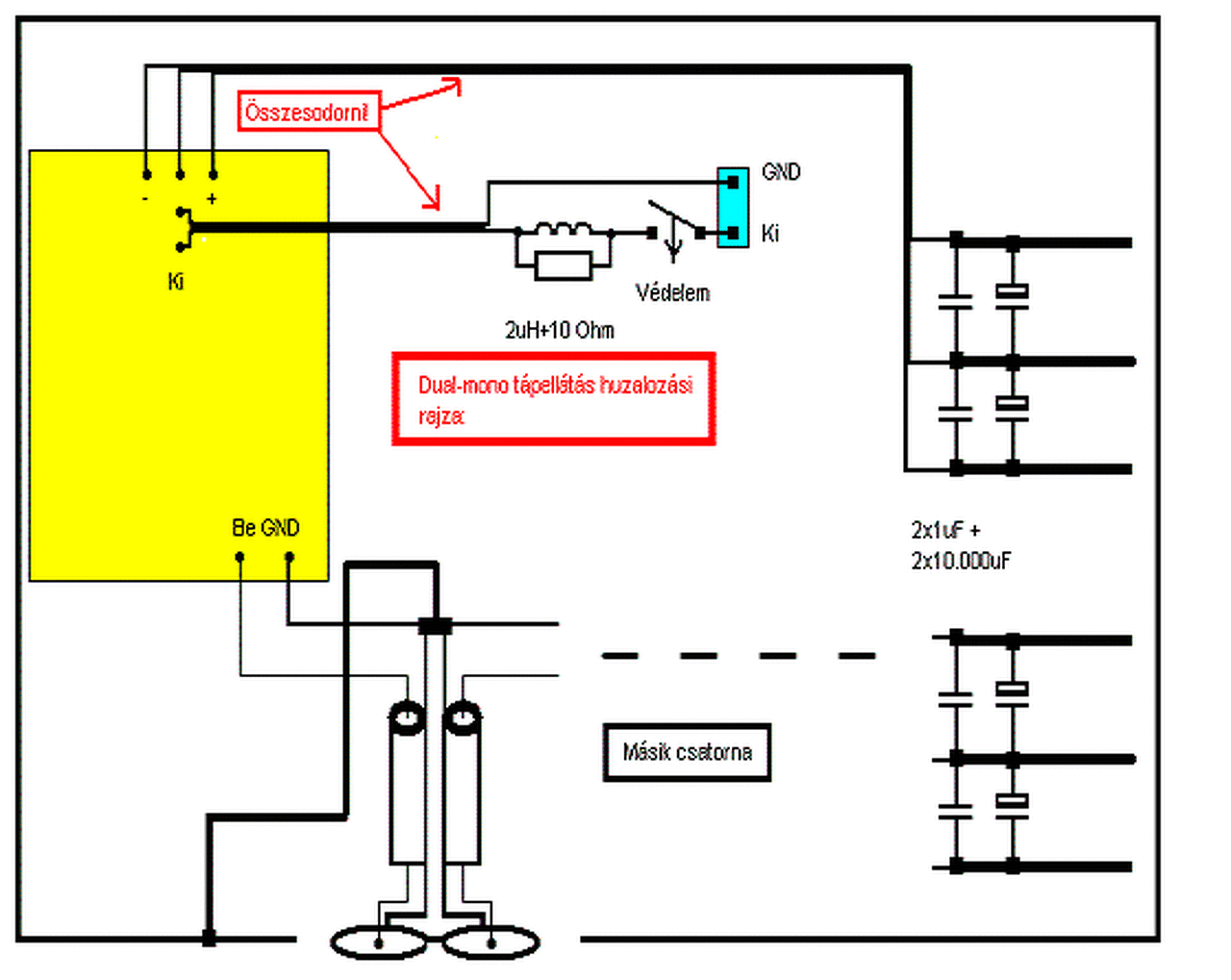
A huzalozás alatt annak a tényleges kivitelezésére gondoltam, például összesodortad-e a tápvezetéket, persze más is szemet szúrhat.
Látom a bemeneti aluláteresztő és a sávszűkítő része a kapcsolásnak, ott a C2 és a C6 értékhelyessége nagyságrendileg meg kell azért feleljen. NE5534 a műveleti erősítő? Nézd meg mit reagál a bemenet testre zárására!
Ma szakítok időt ezen ötletek átnézésére. Lefotózom. Érdekes, hogy nem a jelkábel szedi össze a zavarjelet, mert kihúzott kábelokkal is hallani a közelben lévő (kb3m) telefonokat, wifit.
A C1-hez kapcsolódó bemeneti pontot zárd testre, közvetlen a végerősítő panelen. Ha ekkor is zavarérzékeny, akkor a panelra, vagy a tápra korlátozódik a hiba.
Sziasztok!
Az alkotós Conductor átrajzolathoz nincs esetleg véletlenül gerber fájl? Szeretném legyártatni.
A panel a TO247-es tokozáshoz készült, tehát oda a TO220-ast be tudod tenni. Fordítva lenne problémás a csere.
A conduktor és a VF2 egészen közeli rokonok. Nekem a 130W-os VF2 240-9240-el működik. Ilyen.
Köszönöm a választ!
Arra irányult a kérdésem igazából, hogy ha már fizikailag be lehet tenni az IRFP FET-elet, amik pl jobban le is adják a hőt, akkor maradhat-e? ![]() Szerintem igen de azért megkérdezem. Kellemes ünnepeket!
Elsőre beröffent, még csak az egyik oldalt élesztettem! Most hallgatás és beállítás alatt.
Fotót nem tudok feltölteni, mert azt írja, hogy "Hiba a feltöltéskor!".
Sziasztok!
VF2 nyugalmi áram állítás A végfokok a végleges hűtőbordára szerelve, hűtőborda hideg, bemenet testre kötve, kimenet lebeg, hűtőborda hideg, beállítottam 40mA-t. Majd 2db 4,7Ohm-os 50W-os ellenállást sorbakötöttem, ez volt a terhelés, kimenetre ráforrasztottam és a laptopomról adtam neki jelet, a hangerőt pedig felcsavartam éppen addig, hgoy a Clip LED még ne világítson. Így járattam amíg a hűtőborda kb. 40-42 fokos nem lett, majd újra mértem és beállítottam 80mA nyugalmi áramot. Az áramot mindig a digitális multiméteremmel mértem 200mA-es méréshatárral a + tápágban. Értelemszerűen a "bemelegítés" alatt mindig direkbe forrasztottam neki a tápot. A kérdés, hogy jól állítottam be? Ha jól tudom üzemmeleg állapotban kell nyugalmi áramot állítani.
Szia! A nyugalmi áramot ugyan a végtranzisztorra definiáljuk, de így is jó, mert a tápági áram alig több ennél a kapcsolásnál.
Két intézkedést szokás még foganatosítani. Lezárjuk a bemenetet, hogy jel, vagy zaj ne befolyásolja a mérésünket, valamint a kimenetről eltávolítjuk a terhelést, elkerülendő - a DC hiba miatti kimenő áram megjelenését, mert az is torzítaná az eredményt. Természetesen üzemmeleg állapotban végezzük a pontos beállítást.
Szia!
Köszönöm a tanácsokat! Természetesen a bemenet 0-n volt (poti lecsavarva, így gyakorlatilag testeli), a kimenetről pedig lehúztam a Speakon csatit. Kíváncsi vagyok tapasztaltad-e a következőt: Ahogy fentebb írtam bemelegítettem, stb... bemelegítés után táp le, vártam kicsit hogy a pufferek kisüljenek, leforrasztottam a panelról a +40V-ot hogy sorbakössem a multiméterem és ahogy bekapcsoltam a nyugalmi áram szépen kúszott fel egészen 64mA-tól kb. 87-ig, onnan már iszonyat lassan emelkedett, nem vártam meg megáll-e, de biztosan. Ez normális? Én úgy állítottam be, hogy amikor iszonyat lassan kúszott fel, akkor 80mA-t belőttem, vártam 10 másodpercet és akkor már nem kúszott fel. Természetesen mindvégig bemenet testen, kimenetre pedig semmi sem volt kötve.
Az áram növekedése addig tart, míg a hűtőborda és a környezet hőmérsékletkülönbözete éppen annyi hőt von el, mint amennyit a nyugalmi áram megtermel. Ezért is melegítjük elő a bordát, hogy ne kelljen annyit várni.
Sziasztok!
Ezt a kapcsolást (Bővebben: Link) +-68voltról üzemeltetve át kell méretezni valamit? Mármint egy meglévő erősítőbe gondoltam belerakni +-68V és 2x100W-os. Az a bajom, hogy van egy soundwave AA4000 típusú erősítő és folyamatosan eszi az STK IC-ket (kollégámé ő mondta) több szerelőnél volt kiméricskélték, de nem találtak semmit. Mikor hozzám került már a 8. IC volt zárlatos (ezt is kollégám mondta) megmértem a tápfeszültséget és +-68v-ot mértem, szerintem ennek az erősítő IC-nek ez sok (STK4231).Mivel régebbi erősítő így még 220V-ra van tekerve a trafója manapság pedig 235v körül mozog a feszültség, de sajnos szétszedni a trafót elég nehéz lenne, ezért arra gondoltam inkább kiváltom valamelyik bevált kapcsolással Attól félek, hogy nem lehet megoldani, mert amiket láttam ekkora feszültségen az kb 2-300W-ot tud, nekem meg elég lenne 2X100W. (illetve ennyit bír a trafó) (Gondolom plusz félvezetők nélkül nehézkes lenne az átalakítás). A hozzászólás módosítva: Jan 19, 2018
Szia! Olvasd el!
Huhúú ez tetszik!
Ezek szerint érdemesebb VF6-ot megcsinálni? Miben van különbség? Hangzás? Alkatrész igény? Gondolom a zener dióda akkora feszültséget "vesz le" a tápfeszültségből ezért kellett az 51v-os zener (mert nem birta volna a tl071 a +-20V-ot) jól értem?
Sziasztok!
Elkezdtem építeni én is egy ilyen erősítőt. Van egy 190VA 2x28VAC feszültségű trafóm. Elég lenne-e nekem az 540/9540 páros, vagy kellene-e a 240/9240? 4-8Ω-os hangszórót jó lenne, ha elbírna. Valamint a képen látható hűtőbordából elég lenne neki egy vagy kellene a kettő? TL071-el olvasom, hogy kevésbé gerjedékeny.
Szia!Ugyanilyen hűtőbordával,+ "automata ventillátorral",2X26VAC feszkóról hajtom a sajátomat évek óta 540/9540 párossal.Saját hibámon kívűl még semmi baja nem volt 4 ohmos hangfalakkal terhelve.
A hűtőborda hátlapját otthoni körülményeket és eszközöket feltételezve szinte lehetetlen lesz simává tenni. Ránézésre kb. 1 mm a meglévő bemarás mélysége, amit teljes felületen kicsiszolni túlmutat az értelmes elfoglaltságon.
Ha kell a kettő borda, akkor van egy 5-6 mm vastag alu lemezem. Erre a lemezre rögzíteném fel a két bordát. Az érintkező felületeket lecsiszolnám és tennék közé hűtőpasztát. A MOSFET-eket pedig erre a lemezre csavaroznám.
A hozzászólás módosítva: Jún 10, 2018
Tisztelt Fórumtársak!
Megépítettem a Conduktort 270W változatát 2*IRFP240-9240 párral, +/-70V tápfesszel, mekkora nyugalmi áramot javasoltok ebben az összeállításban? Most minimum értékben 245mV feszültség esik a táppal sorba kötött 10R-os ellenáláson. A végfok tranzisztorok nem melegszenek. üdv: fj
Szia! Nem szeretem pazarolni az oldal felületét, de a 270 W-os Conduktorhoz tartozó leírás talán jobb ha itt szerepel, hogy a téma keresőjével rátalálhassanak az érdeklődők. A téged érintő részt kiemeltem.
Idézet: „Az erősítő elkészítése: A nyomtatott áramkör elkészítése után ültessétek be az alkatrészeket a kapcsolási rajz és a beültetési rajz alapján. (A végtranzisztorok felszerelésénél természetesen csillám, vagy szilikon szigetelőlemezt és hővezető pasztát (szilikonzsírt) kell alkalmazni. Az L-idom fúrásához a nyák rajzot kinyomtatva, celluxal felragasztva pontozási sablonként lehet használni. Természetesen az összes furatot tökéletesen sorjátlanítani kell! A rögzítő anyákat (jól lecsiszolva a krómréteget) forrasztani is lehet a nyákhoz (először végtranyók nélkül felszereljük az L-idomot és felforrasztjuk az anyákat).Így sokkal könnyebb lessz a végtranzisztorok felszerelése. Következő lépés az élesztés: Beültetésnél a 2,2Kohm-os trimmert maximális, 2,2Kohm-os értékkel kell beültetni. Ennek két kivezetése a nyákon össze van kötve, tehát egy állítható ellenállásként funkcionál. Ezt rövidzár felé tekerve fog nőni a nyugalmi áram kb a középállás után. A nyugalmi áramot a tápfezültségági biztosítékok foglalatába betett U-alakban meghajlított lábú 10 Ohm-os ellenállásokon mért feszültség alapján állítsátok be. 80-100mA legyen a nyugalmi áram. Ez azt jelenti, hogy a biztosítékfoglalatokba betett 10 Ohm-ok egyikén 800mV-1V feszültségnek kell lennie. (Ezek az ellenállások egyúttal védik is az erősítőt az élesztés idején, ha túl nagy áramot venne fel a hibásan összeállított erősítő, ezek korlátozzák az átfolyó áramot és ezek égnek el a végtranyók helyett). Miután beállítottuk a nyugalmi áramot, mérjük meg az erősítő kimenetén az egyenfeszültséget. Ez nem lehet nagyobb +-100mV-nál. (51K-val trimmerelhető). Ha minden rendben, akkor ki lehet venni a 10 Ohm-okat a biztosítékfoglalatokból és betehetjük a biztosítékokat. (4 Ohm-os hangsugárzóhoz 6A-es biztosítékok kellenek, 8 Ohm-oshoz elég a 4A-es is). Az erősítő tápfeszültsége 4Ohm-ra maximum +-60V lehet (330W), vagy 8Ohm-ra +-80V (330W). Ajánlott tápfeszültség-terhelés-teljesítmény viszony: 4 Ohm/+-55v/270W, 8Ohm/+-72V/270W. Tápfeszültség csökkentés esetén csökkenteni kell a két TL431 3,3Kohm-os előfeszítő ellenállását [R=(Ut-14V)/15mA] és a BD139-140 kollektorából ki kell hagyni a 2,2Kohm/100nF tagokat, simán át kell kötni egy átkötéssel, ha +-50V alatti a tápfeszültség.” |
Bejelentkezés
Hirdetés |














