Fórum témák
» Több friss téma |
Mielőtt kérdezel, a következő két dolgot ellenőrizd!
I. A helyes tápfeszültségek megléte.
II. A kimeneten van-e egyenfeszültség.
Élesztés.
Köszi a tanácsot! Ezekből az MJE típusokból talán van is itthon pár darab. Neki is állok kimérni azt a 4db kistranyót. Amúgy azok lennének a meghajtók?
Kimértem őket. Mind jónak tűnik.
Telefonon nem tudok rajzolni, de próbálom leírni. Látom ki van forrasztva a két végtranzisztor. A 2SAxxxx tranzisztorok pnp, a 2SCxxxx pedig npn-ek. Ha a lábak feléd állnak és a felirat felül van, balról jobbra haladva B, C, E a kivezetések neve. A 2SA (gyakran 2S lemarad) , szóval A1941 bal oldali első lábához a multi fekete vezetékét, a második, utána a harmadik lábához érintve a multi dióda állásban 0,4-0,6V körül mutat. Ha a piros vezetéket tesszük az első lábra, akkor a második majd a harmadik is ehhez képest szakadást kell jelezzen. A C5198 pont ellenkezően, első lábon a pirossal 0,4-0,6, feketével az első lábon szakadást kell mutasson.
Közben látom, hogy mire bepötyögöm ezt a pár sort, már kapsz is segítséget.
Igen, így szoktam kimérni a tranzisztorokat, és ezen módszer szerint, itt egyetlen hibás alkatrész sincs, még a végfokok előtti félkör alakúak is mind jók a multi szerint.
Ez a hangszóró membrán búgva behúzásos jelenség felléphet akkor ha a +/- tápról működő végfok egy kontakthiba miatt csak fél tápfeszt kap meg? Tehát a panelon levő csatlakozónál a három tüske közül az egyik feszültségé nem érintkezik?
Féltáp miatt előfordul. De mivel a diódahíd is a végfok panelján van, csak hibás egyenirányító esetén fordul elő. A tesztekhez nem is kellene az eredeti trafó, csak egy 20VAC szekunderű kis pár VA-es trafó. Elég egy szimpla kimenetű is. Ebben az esetben a háromérintkezős csatlakozó középső,és az egyik szélső pontjára kerüljön a szekunder. Még végtranzisztor sem kell bele, csak egy-egy 100-200 Ohm-os ellenállás a B-E forrpont közé (reloop ajánlása). Hangszóró nem kell. A bemenetet rövidre lehet zárni. A hat tüskés csatlakozó első és a második lábát kell összezárni. Ezekre jön a j202, és a j203 átkötés. Akár ezt a két jumpert is összeforraszthatod egy pici vezetékkel, az eredmény ugyanaz.
A kis trafót egy valamekkora (10-20 Ohmm) fél W-os ellenálláson keresztül érdemes rákötni a csatlakozóra, hogy ne füstöljön semmi. Utána jöhetne a méregetés. Mindent a két nagy elkó közös pontjához képest kellene mérni. A +- tápfesz meglétét, a kimenet feszültségét, a végtranzisztorok forrszemein mérhető feszültséget. Megnézem még hogy a panelen lévő kiegészítő áramkör mit csinál, mert lehet hogy van funkciója. Most abbahagyom, mert megyek dolgozni.
Még valami. A bemenetnél lévő csatlakozósor 5-ös lábán valami stabilizált feszültséget állít elő. Mellette a 6-os láb, amire egy ellenálláson keresztül a j204 jumper csatlakozik lehet a készenléti láb. Ezt aktiválni kell, vagyis össze kell kötni az 5-6 lábakat. Biztonság kedvéért nem direkt, hanem 1-2 kOhmos ellenállással. Ez aktiválja a differenciálerősítő áramát, meg gondolom a nagyképű fokozatét is.
A nyelvtani hibákat a telefon okozta. Igyekszem korrigálni.
Még az este folyamán kipróbáltam azt, hogy csak a mélyhang panelt látom el táppal. A búgós membrán behúzás ekkor is fellépett. Rengeteg alkatrész meg lett vizsgálva, de nem mind. Este folytatom a méréseket, jelenleg a munkahelyen vagyok. Ja, mégvalami. Ha teljesen össze van rakva a rendszer, tehát minden panel kommunikál mindenkivel, akkor a főkapcsoló kikapcsolásakor nagyot pukkan a hangszóró.
Addig ne köss rá hangszórót amíg nem jó. Mire megjavítod, dobhatod is el. A 6 érintkezős csatlakozó fontos szerepet tölt be, a bemenet rövidre zárása legyen az első.
Csak sikerült gép elé ülnöm. Ezeket a pontokat kell zárni, hogy induljon a végfok. A végtranzisztorokat nem is kell betenni, inkább két darab 100 Ohm körüli ellenállást. Így nem kell hűtőbordára tenni. A két végtranyó közötti munkapont tranzisztort össze lehet zárni. Hangszórót ne köss még rá!
Lehet mérni. A körökkel jelzett pontok feszültsége kellene. Fekete: gnd erre megy a common vezetéke a multinak. kék: - tápsín piros: + tápsín sárga: kimenet Első körben ezek feszültsége kellene.
sSajnos nem találok 100_R körüli ellenállást.
A hozzászólás módosítva: Jan 25, 2019
Moderátor által szerkesztve
Akkor 1kOhmig bármi. Nem is kell egyforma.
Könnyen jár a szám, mert sorozatom van.
Sziasztok. Ismét hozám került egy lexon. 1500XL ennek a psu pcb jé kicsit meg sült... Esetleg valakinek nincs rajza róla. Mert 2db ellenállás és 1 dióda el olvadt. Annyira hogy felismerhetetlen. Dobok pár fotót. A gyártó is meg van de nem rendelhető :/ előre is köszönöm.
A hozzászólás módosítva: Jan 25, 2019
Sziasztok!
Gainclone (LM3875) végfok helyett milyen erősítőt javasolnátok megépíteni ami hangzásban testesebb, dinamikusabb és nem kerül egy vagyonba az alkatrész hozzá? Az már csak hab lenne a tortán ha a jelenlegi 2db 2x24VAC 100VA trafóimat fel tudnám használni hozzá
Sziasztok! Adott ez a Harman Kardon BDS 570 végfok. Átvizsgáltam alaposan a tápot, kondikat cseréltem, nem tűnik hibásnak. Szerintem a vezérlés kapcsolja ki a tápot, mert a hiba esetén PCON lábán 2.4V ról leesik 0.2V-ra és utánna pedig 0V marad. A kimeneten nem mérek sem rövidzárlatot, sem feszültséget. Amit észrevettem, hogy a hátsó ventilátor megse pisszen. Szerintetek mit kellene átnézzek?
Már csak az a kérdés milyen dióda lehet ez? D4
Üdv mindenkinek!
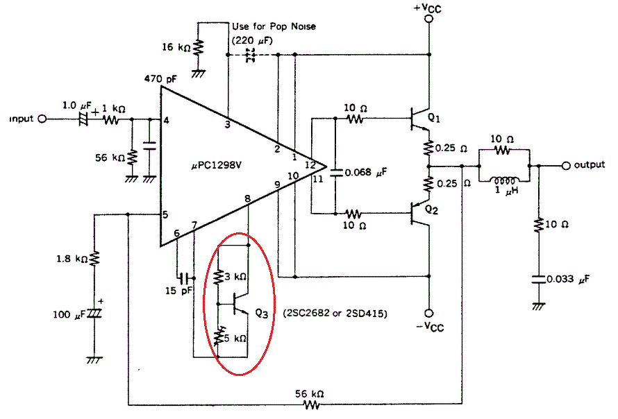
Mivel az elátkozott Quad projektem lezárulni látszik(már vagy 4 üzemóra van benne és még mindig működik...) ![]() Ezért egy nagyon régóta polcon porosodó klasszikust is szeretnék megjavítani. Egy Alpine 3544 autós erősítő,ami számomra nagyon értékes. A táp része hibátlan,stabilan tartja a +- 40 voltot. A végfokozatban az összes tranzisztor jó. Ezeket azonban egy upc1298v driver IC vezérli,az egyik oldalon azonnal zárlatba viszi a végeket,a másik oldalon pedig lassan emelkedik az áram,végül a védő áramkör tilt. Az (Idling current-ez a nyugalmi áram akar lenni?) áramkör kimenete rajz szerint 3 mV,és ez emelkedik lassan. Van esetleg tapasztalat erről az IC-ről,lehet-e rossz,vagy a 6-7 láb közti 15pF,vagy 6-7 és 8 láb közti alkatrészek(NTC vagy PTC,és egy dióda,ami hővezető ragasztóval van rögzítve a végtranzisztorokhoz.) Aki esetleg ismeri az IC működését,megköszönném ha megmondaná,mit is kellene itt mérnem. Köszönettel UV
Ez így bizonytalan. Ha fekete a csík, akkor talán egy sima dióda. De ezek a kicsik nem szoktak tönkre menni. Talán ki kellene venni, és rámérni, hátha nem is rossz.
Sajnos ez el égett. A működő erősítőben lévőt fotóztam le. Volt nálam. Egy XL900 ami szintén táp halott volt. Már működik el is vitték. Még előtte ki mértem az el égett ellenállásokat. Diódát le fotóztam...
A hozzászólás módosítva: Jan 26, 2019
Moderátor által szerkesztve
Az uPC1298 a praxisomban nagyon szívós alkatrész. Jellemzően hűtés nélkül építik be a gyártók és a környező elektrolit kondenzátorok látják kárát.
Esetedben a 7-8 lábak közé épített áramköri részlet az érdekes. A találgatást megelőzendő rajzold vissza és/vagy fényképezd le! A mellékelt rajzon az adatlapi ajánlott kapcsolás látható, a kérdéses részt bekarikáztam.
Szia! Rajzold vissza a primer kört, az ismeretlen diódának azért jelöld a katódját! Ehhez hasonlóra számítok a látott alkatrészek alapján. Tippelném, hogy a keresett dióda a gate-feszültség határoló Zenere, de jobb tüzetesen utána járni.
Megmérném a trafó induktivitását, ha zárlatos és nem vagy felkészült az újratekercselésre akkor kár hajtanod az apróságok cseréjét. A hozzászólás módosítva: Jan 26, 2019
Üdv!
Kiollóztam egy részletet a rajzából. Leírása szerint VR501-el kell beállítani 3 mV-ot TP3 és TP4 között. Induláskor ez így is van,pár másodperc után elkezd emelkedni a feszültség,az áramfelvétel pedig elindul az egekbe,a végtranzisztorok melegednek. Csak pár másodpercig tudom így hagyni,hiszen minden tranzisztor hűtés nélkül van. A uPC1298 hűtőfelületen van,annyira,hogy a rögzítő lábak forrasztásai kiolvadtak,pedig sima mezei Wellerrel át sem tudom melegíteni,hogy visszaforrasszam. Pajkos ifjú koromban átkergettem néhány ampert rajta.. ![]() Csatolok majd még képet,hogyan néz ki alkatrészként a bekeretezett rész. Köszönettel UV
Alkatrészként így néz ki:
|
Bejelentkezés
Hirdetés |






















