Fórum témák
» Több friss téma |
- Ez a felület kizárólag, az elektronikában kezdők kérdéseinek van fenntartva és nem elfelejtve, hogy hobbielektronika a fórumunk!
- Ami tehát azt jelenti, hogy a nagymama bevásárlását nem itt beszéljük meg, ill. ez nem üzenőfal! - Kerülendő az olyan kérdés, amit egy másik meglévő (több mint 17000 van), témában kellene kitárgyalni! - És végül büntetés terhe mellett kerülendő az MSN és egyéb szleng, a magyar helyesírás mellőzése, beleértve a mondateleji nagybetűket is!
A transzformatoroknal miert ajanlatos nem feromagneses csavarokal osszeszoritani a lemezeket ?
Nem egy nagyon lényeges dolog, de ha megnézed a lemezeket, azok el vannak szigetelve egymástól, a vasveszteség csökkentése céljából. A vas csavarok egyrészt rövidre zárják a lemezeket, másrészt növelik az anyaguk miatt vasveszteséget. De ha megnézed a tömegüket, akkor általában elhanyagolható a vasmag tömege mellett.
Szokás a csavarokra varnish (szigetelő) csövet húzni, és olyan felerősítési módot alkalmazni, ami a mágneskörön kívül van. Ez kisebb trafóknál szokás, ahol a csavarok tömege már összemérhető a vasmag tömegével.
Manapság, meg egyszerűen összehegesztik a vasmagokat.
De ez a módszer csak az erősen túlgerjesztett trafóknál szokás, hogy ne zúgjon. De ilyen esetben olyan nagyok a vas veszteségek, hogy az a kis plusz már nem számít.
Ha már a trafó szóbakerült :
Minap bontottam pár döglött kapcsolóüzemű tápot ( kövezzetek meg de a benne levő vékony drótokért), A trafócskájában találtam egy rézlemezt, egyik végén kivezetés, rendesen elszigetelve a többi tekercstől... Mintha egy 1 menetes tekercs lett volna. Mi célt szolgál ő a tekercsek között ?
Hello! Kapacitív árnyékolási szerepe van. Ami pedig rövidre zárt menet kívül a trafón, akkor az, a szórás csökkentése miatt van.
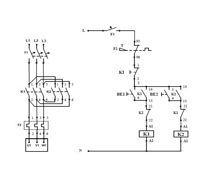
Sziasztok! Avval kapcsolatban szeretném kérni a segitségeteket hogy valaki letudná e nekem irni és elmagyarázni hogy ennél az irányváltó kapcsolás hogy müködik és a különböző számoknak különböző számoknak a jelentését, Segitségeteket előre is köszönöm!!!!
Sziasztok! Lehet kicsit off topic lesz de avval kapcsolatban szeretnék érdeklődni hogy ismer e valaki olyan személyt aki villanyszerelő vizsgára készit fel tanulókat, kapcsolásokat elmagyarázza és esetleges a megfelelő eszköztárral is rendelkezik hogy összelehessen rakni nála az adott kapcsolásokat? Természetesen nem ingyen
A hozzászólás módosítva: Máj 6, 2019
Szia!
Annyira nem bonyolult ![]() Vezérlés L-től F3 vezérlésnek a kismegszakítója F2 (95-96) motorvezérlő segédérintkezője,ha leold a motorvezérlő,akkor a vezérlést is lelövi. KI bontó nyomó(ezzel kapcsolja ki az öntartásokat) BE1 nyomó->ez indítja a K1 mágneskapcsolót,és a K1(13-14) en keresztül öntartásba marad,és így indul az 1ik irány,és eközben a K1(21-22) segédérintkezőkön keresztül lekapcsolja a K2 mágneskapcsolót(ha ment). BE2 ugyanez. F1 3~ kismegszakító K1-K2 mágneskapcsoló F2 motorvédő utána a moci .A forgásirány váltáshoz elég 2 fázist megcserélni,amit a K2 meg is tesz,a K1-hez képest . Sacc/kb. ennyi
Sziasztok!
Valaki tudna segíteni, hogy az alábbi kapcsolási rajzon a színesen jelölt ellenállások és potik értékét hogyan kell kiszámolni? A segítséget előre is köszönöm!
A műveleti erősítő bemeneti szinteltolója:
Egy feszültségosztó áramának a terhelő áram 10 szeresénél nagyobbnak kell lenni. Mivel a TL bemenő árama nagyon kicsi, így ezt a feltételt könnyű teljesíteni. A teljes osztó árama a két tápfeszültség összege, (most 9 V) / az átfolyó áram, ami hasraütés szerűen legyen 1 mA, (ez biztosan jóval több mint az erősítő bemeneti árama) azaz 9 kohm legyen 10 kohm. A három ellenállás értékének viszonyát az határozza meg, hogy a potinak mekkora (mettől meddig voltban) szabályozási tartományt kívánsz adni. Pl. Ha a poti 3,3 (vagy 3) kohm, és így az összegük 9,9 (vagy 9) kohm, akkor nem nagyon tértél el az 1 mA osztóáramtól, és a szabályzási tartomány a tápfeszültség 1/3 -a lesz. Ha más arány kell, akkor változtathatod az ellenállások arányát. A LED -ek előtét ellenállásai: A LED -ek áramát állítod a két, LED -ekkel sorbakötött ellenállással. Számolhatod a tápfeszültség (itt 9 V) - a ledeken eső feszültség , és a LED megengedett áramából. (nem feltétlen fontos a max megengedett árammal számolni) Az ellenállások értékét egyik oldalról a LED -ek max árama korlátozza, minimális értéke a max led áramból számolható, mintha az erősítő kimenete ott sem lenne. A másik korlát pedig, az erősítő kimenetének két szélső értékénél kiszámolt max LED áramhoz tartozó egyik, ill. másik ellenállás. Az ellenállások értékét így számolhatod. Nem lesznek egyformák, mert az egyik esetben csak egy, a másikban két dióda feszültség esése vonódik ki az LED áramának számolásából. A hozzászólás módosítva: Máj 7, 2019
Szia! Köszönöm szépen igy teljesen átlátható sokat segitettél, még ezt a másikkal kapcsolatban tudnál nekem segiteni úgyan igy értelmezni mint ez az elözöt?
Válaszodat előre is köszönöm
Szia!
F1 kismegszakító az automatikáé+az izzóké Utána vannak a nyomók(ezek adnak 1 impulzust,amire az automata indítja az időzítést,és bekapcsolja az izzókat. Ha lejárt az idő(lehet rajta állítani),akkor lekapcsolja(ez igaz az alap lépcsőházi időzítőkre,de vannak másmilyenek is).
Tudnátok segíteni hogy a kérdőjellel jelzett alkatrész mi lehet? Illetve egy típust írni hogy mit tudnék helyette beépíteni (smd)? Sajnos csak annyi látszik rajta hogy x4ex..
Lehet npn vagy nfet ,így hogy nincs rajta ellenállás,inkább fet
Üdv! A rajzod alapján ilyen tranzisztort tudnék elképzelni a HEStore kínálatából.
Köszönöm a válaszokat! Azt még elfelejtettem írni hogy az Atmega nem csak ki be kapcsolja a ventilátort de a fordulatát is szabályozza (bár gondolom ti ezt tudtátok). Viszont azt leírnátok hogy hogyan? Simán feszültség szabályzással?
Ha szabályozza,akkor az fet(logikai) lesz,és pwm -el tolja
Nem ártana egy nyelvtan korrepetálás sem!
Ezt a mikrofon erősítőt összekötöttem ilyen lila vezeték felhasználásával ezzel a mono erősítő modullal amiket egy HEstorban kapható univerzális dugasztáppal táplálok. A probléma az hogy folyamatosan sípol amitől alig hallani a mikrofont!
Mit rontok el? Mit csináljak hogy abbahagyja a sípolást?
Ha befogod a mikrofont akkor is? Összegerjed a hangszóró a mikrofonnal...
A mikrofon helyét kivezetékeltem egy aljzatra és úgy dugtam rá egyet. Konkrétan bármit csinálok ugyanúgy sípol!
Hali!
A bármi innen nem látszik, csak a valami ![]() Ha befogod a mikrofont akkor is? Kis hangerőnél is? Mikrofon nélkül is? rövidrezárt bemenetnél is? Mit jelent a sípol? Pár kHz fütyülés, vagy 50/100Hz brumm? Fejhallgatóval is csinálja? Milyen hosszú az a tyúkbél? Pár cm lehet, ha hosszabb kell akkor bonts/vegyél rendes árnyékolt kábelt A hozzászólás módosítva: Máj 8, 2019
Ha nem dugasztápról táplálod meg akkor is sípol?
Ha kihúzom a mikrofont akkor is! És nem brumm hanem (ahogyan te írod) "pár kHz fütyülés" Pár centisek (szerintem leghosszabb max 20 cm lehet) csak a "tyúkbelek. Másról még nem próbáltam, csak dugasztápról.
Most próbálom: ha dugasztáp helyett elemet teszek rá akkor egyáltalán nem sípol!
Leginkább dugasztápról akarnám haszhálni, így jó lenne valami szelidítő megoldás!
Az univerzális táp volt a ludas! Kerestem egy kizárólag 9V DC tápot és azzal olyan mintha elemről járna!
Olcsó 3-12V univerzális tápok...
Nem az "univerzális" a hiba oka. Gyanítom kis teljesítményű a táp. Próbálj egy pld.: 2200µF kondit a panelre a táp bekötési pontjaira.
|
Bejelentkezés
Hirdetés |









Mit rontok el? Mit csináljak hogy abbahagyja a sípolást?
Leginkább dugasztápról akarnám haszhálni, így jó lenne valami szelidítő megoldás!
Olcsó 3-12V univerzális tápok...
