Fórum témák
» Több friss téma |
A szénkefék eleve a fordított forgáshoz koptak be, bizonyos mértékű szikrázás és amíg sok ott a szénpor, pici füstölés is normálisnak mondható. A két szénkefe pontosan egymás felé néz?
Értem.
Szerintem igen pontosan egymásfelé. Bár nincs itt a motor, kint van Kerepesen, én meg Pesten, de megnézem amint újra ki jutok. Mennyi a jelentősége ha van némi eltérés? Ez a minimális szikrázás és füst amúgy nem teszi tönkre a forgoréstz végén az érintkező sort? (kollektor vagy hogy hívják) Egyébként ha elbírja billenőgarázskapu nyitó lenne. Lánc hajtással egy rudazaton keresztül mozgatná az ajtót. Szoval csak rövid ideig müködne egy-egy irányban. Idézet: „Ez a minimális szikrázás és füst amúgy nem teszi tönkre a forgoréstz végén az érintkező sort? (kollektor vagy hogy hívják) ” Üdv! Kommutátor. Ha csak egy két szegmensig szikrázik és tényleg rövid ideig megy, megúszhatja az égést. A kefe bekophat úgy, hogy mind két irányban működjön. Az gáz, ha a kefe lötyög. Az ideális az, ha nem szikrázik, de ezt nehéz teljesíteni. Lásd fúrógép. Ha tudsz váltóáramot mérni, akkor mérd meg a motor áramát mindkét forgásirányban. Egyforma nem lesz a kefék miatt, de ha nagyon közeli, bírni fogja.
Helló!Van egy egyfázisú kondis aszinkronmotorom aminek négy kivezetése van, két fő U1-U2, és két segédtekercs Z1-Z2. Van egy Apator háromfázisú háromállású forgásirányváltó kapcsolóm, amivel szeretném a forgásirányt változtatni. Tudna valaki rajzot adni ehhez?
Üdv! Szerintem rá lehet jönni.
Köszi, de már megoldottam ettől egyszerűbben.
Szisztok! Segitsetek légyszi! Tudom a csapból is ez folyik! De ennél a motornál hogyan tudom meg változtattni a forgás irányt? Most jelenleg óra mutatóval ellentétesen forog nekem meg pont forditva kéne, de semmit nem látok pl u2 u1 l1 l2 stb..
Szia!
A kondenzátor kábelében lévő kék vezetéket kösd át a barna rátűzősarus vezetékhez.
Szia! Erről a fényképről ember legyen a talpán, aki meg tudja mondani!
Azért eléggé jól látszik, hogy a motorba menő két piros a főfázis, a zöld a segédfázis, a vékony kék-barna a kondenzátor, a vastagabb kék barna meg a betáp.
Ennél jobban nem tudtam le fényképezni a lényeg nekem jobbra kéne hogy forogjon nem.pedig balra!! A két saru a hőkioldora megy ra!
A hozzászólás módosítva: Feb 2, 2019
Ez így eggyel több drót mint előzőleg!
Próbáld meg a segédfázis barnáját áttenni a bejövő kékre. Feltételezve hogy a két piros a fő fázis akkor most a segédfázis nincs bekötve (mindkét vége ugyan oda van kötve)
Látom már, hogy van még egy fekete vezeték is a piroson és a zöldön kívül. Ez így komplikáltabb, mert a főfázis vagy a segédfázis tekercskivezetéseit kell felcserélni.
Nos a második kép szerint semmiképp nem működhet! Az első kép szerint cseréld fel a motorból kijövő két piros vezetéket! Ha a tudósok nem hazudnak, működni kell neki.
Sajnos az nem nyert ha meg forditom a 2 piros vezetéket akkor meg sem nyikkan!
Van multimétered? Ja és egy fényképet még, ha lehet.
A hozzászólás módosítva: Feb 2, 2019
Szedd szét a motort,és a két pajzsot az ellentétes oldalra rakd vissza.Magyarul fordítsd meg az állórészt.
Szia! Szerintem a főfázis tekercsek a vastag fekete és vastag piros, a segédfázis pedig a vékony piros és zöld. A vastag fekete mellől kösd ki a vékony pirosat (velük szemben a kék és barna) és kösd ide a zöldet, ezt a pirosat meg kösd a zöld helyére az egyes csokiba a barnával szembe. Talán így megfordul az áramirány a segédfázis tekercsben és jó irányba forog majd a motor.
Köszönöm!! Igy sikerült ahogy leirtad!! Öröm és boldogság van ezer köszönet!!!!
BOCSÁNAT, Közel vagyok a analfabétákhoz, de szeretnék DC 9 V-os motorhoz valamiféle egysdzerű irányváltó kíapcsolást találni. Minden segítséget előre is köszönök, a türelmes elbánást meg különösen!
Szia!
Kétállású, kétáramkörös kapcsolóval megoldhatod, + 1 kapcsoló külön a bekapcsoláshoz. Ha nem veszel készen, akkor így: A hozzászólás módosítva: Jún 30, 2019
Szia! Pl. veszel egy ilyen kapcsolót: kapcsoló
6 érintkezője van. A két középsőre kötöd a motort, a négy szélsőt meg átlósan összekötöd, az egyik átlóra a test, a másik átlóra a +9v-ot kötöd. Kész! Középső állásban áll, a két szélsőben pedig az egyik ill. a másik irány.
Nagyon szépen köszönöm a segítséget. Megnézek egy ilyen kapcsolót, van a közelben egy hobbys boltocska. Valószínűleg ott találok! Még egyszer Kösz!
Sziasztok!
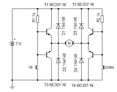
Adott egy motoros potméter. Ezt szeretném két kis TACT nyomógombbal működtetni, egyikkel lefelé, a másikkal felfelé szabályozna. Ehhez keresnék valamilyen egyszerű, lehetőleg tranzisztoros megoldást. A DC motor 4-7 V tápfeszültségről max: 50 mA-t vesz fel. Tudom, létezik olyan IC (pl.: BA6208), amit erre találtak ki, de ha lehet maradnék a fiókból kivitelezhető tranzisztoros kapcsolásnál. Segítségetek előre is köszönöm!
Hello! Ha így megfelel..
Igaz nem tranzisztoros de ennél egyszerűbb már nem lehet .Bővebben: Link
|
Bejelentkezés
Hirdetés |











