Fórum témák

» Több friss téma
Fórum » Labortápegység készítése
Egyéb népszerű labortáp témák:
- SMPS labortáp
- Labortáp javítása
Lapozás: OK   742 / 852
(#) Ge Lee válasza jimitek hozzászólására (») Júl 31, 2019 /
 
Az nem minőségi poti, ennek ellenére nekem nincs vele gondom, nagyon sok helyen használok hasonlót. A durva-finom 10:1-es leosztás nem jó párosítás, én pl. az 1k-hoz 33 ohmot szoktam használni, de néha még az sem eléggé finom.
(#) jimitek válasza Ge Lee hozzászólására (») Júl 31, 2019 /
 
10:1 nekem teljesen kielégítő a 1,2-15v (x2) tartományban.
Legfeljebb használat előtt megtekergetem kicsit, hogy helyrejöjjön, de azért ez még sem annyira állapot.
Most éppen egy olyan ötletem támadt, hogy a potméter helyére egy MOSFET tranzisztort teszek, és a potméterrel állítom a tranyó áteresztőképességét.
Ez így önmagában értelmetlenül hangzik, viszont a gate-re tudok tenni egy nagy ellenállást, és egy µF-os kondenzátort, így már simítva is van a fet vezetési tulajdonságának változtatása.
Persze, hogy ez működik-e nem tudom, de hamarosan kiderítem!
(#) Ge Lee válasza jimitek hozzászólására (») Júl 31, 2019 /
 
Egy tápban az összes alkatrésznek van pl. hőfokfüggése, így elég valószínűtlen, hogy ha beállítasz egy adott feszültséget, majd másnap újra bekapcsolod a tápot, akkor pontosan ugyanazt az értéket kapd. De minél jobb összességében a táp, az az érték annál kevésbé fog eltérni. Csináltam ilyen jellegű méréseket is, csak sajnos nem lett dokumentálva.
Ha egy potiról adsz feszültséget (referenciát) valaminek, akkor annak a változása ugyanúgy benne lesz, teljesen mindegy mi van utána. Jó (ilyen szempontból) tápot úgy lehet csinálni, hogy részben alacsony hőfokfüggésű aktív és passzív alkatrészeket teszel bele, illetve olyanokat válogatsz össze, amik adott pozíciókban képesek kompenzálni a kialakuló driftet.
(#) (Felhasználó 116638) válasza jimitek hozzászólására (») Júl 31, 2019 /
 
A minőségi potik a Spectrol,Bourns,Beckman, Allen-Bradley vonalnál kezdődnek.
A linkelt 190Ft-os potitól sokat ne várj.
Olcsó, de legalább nem jó.
Egy normális poti, ami 10 fordulatos, tehát a finomszabályzást lehetővé teszi, 4-5000Ft-nál kezdődik.
Ha tápegység, azt mondom minimum egy Bourns 3590.
Ez alá nem mennék.Egyszer kell megvenni, aztán örökös+2nap.
(#) jimitek válasza (Felhasználó 116638) hozzászólására (») Júl 31, 2019 /
 
Nagyon jó, köszönöm, de egyenlőre még a részegységeit (túlterhelés, rövid zár védelem, volt-amper mérő kijelző) sem győzőm hibátlan, a tervezett működésnek megfelelően megépíteni, de ha végre kész lesz, apránként félturbózóm.
(#) (Felhasználó 116638) válasza jimitek hozzászólására (») Júl 31, 2019 /
 
Oké, jó munkát, sikeres építést!
(#) elektroncso válasza jimitek hozzászólására (») Júl 31, 2019 /
 
A MOSFET-es játék helyett vegyél digitális potenciométert, azt szimplán impulzusokkal tudod fel/le állítani. És garantáltan nem fog sercegni.
(#) jimitek hozzászólása Aug 1, 2019 /
 
A digitális potméter sem egy rossz ötlet, viszont most akad egy nagyobb problémám, amit elég nehéz kifejteni.
Építettem egy túlterhelés/rövid zár védelmet relével, ami átfolyó áram (vagyis feszültségnövekedés) alapján működik. Az egész szerkezet jól működik, kivéve az lm358-al vezérelt erősítés, ami ugye egy 10mOhm-os ellenálláson eső néhány 10mV-os feszt. erősíti fel kb. 160-szorosan.
Van 2x15v kimenet, ezek a terhelhető áramforrások (trafó), ezeket kéne mérnie.
Van egy másik trafó ami stabilizált 12v-ot ad, és erről van meghajtva az elektronika.
Sehogy se győzöm úgy letestelni, hogy terhelés nélkül ne jelenjen meg valamelyik kimeneten +10v vagy valami 0v-nál nagyobb érték, így állandóan behúzza a relét a további elektronika, ami viszont hála az égnek jól működik.
Szóval ötletekre lenne szükségem, hogyan lehetne helyes működésre bírni az lm358-at.
Vannak kapcsolási rajzaim, de azok nagyon egyedi jelölésekkel készülnek (nem szakszerű) így lehet az értelmezése kicsit fejtörést okozhat, de logikus a rajz úgy, hogy szerintem érhető.
Ja és az egészet még megfejelném azzal, hogy van egy relé ami párhuzamosra vagy sorosra (avagy szimmetrikusra) tudja kapcsolni a kimenetet, hogy legyen 1x15v 4A, vagy 2x15v 2A.
Ez utóbbi igen csak okoz problémát az lm358-nál.
A hozzászólás módosítva: Aug 1, 2019
(#) sdrlab válasza jimitek hozzászólására (») Aug 1, 2019 /
 
Az LM358-nak van egy bemeneti offsete is. ezt te felerősíted 160x-ára, ami tipikus >300mV...1,4V-ig bármi lehet a kimeneten, úgy, hogy még 0 a vezérlő jeled! Ez gyártótól függően akár több is lehet(ST adatlapból vett adatok ezek)
Ki kell kompenzálnod ezt, vagy olyan erősítőt használni, ami jóval kisebb ofszettel bír alapban.
(#) jimitek válasza sdrlab hozzászólására (») Aug 1, 2019 /
 
Gondoltam, hogy valahol itt bukik a dolog, csak nem győzöm megtalálni a megoldást.
Megnézem hátha jutok valamire.
(#) Kovidivi válasza sdrlab hozzászólására (») Aug 1, 2019 /
 
Vagy ki kell keresni több darabból azt, amelyiknek negatív irányú az offsetje. Esetleg a bemenetet direktben elhúzni a negatív irányba egy nagy értékű ellenállással.
A hozzászólás módosítva: Aug 1, 2019
(#) jimitek hozzászólása Aug 1, 2019 /
 
Amíg 2V alatt van az erősített fesz. nincs gond, viszont nem igazán világos még ez az offset fesz. mit is takar pontosan. Van egy alap fesz. szint ami mindig jelen van?
Találtam egy ilyet, hogy INA105.
Nem tudom megfelelne-e a célnak, ill. olvastam rail-to-rail típusú erősítőkről, ezeket se értem még igazán, miben különböznek pl. az lm358-tól.
Próbáltam egyébként a bemeneten csökkenteni a feszültséget, ami soros kapcsolásnál levitte 0-ra, viszont nem mért áramot. Párhuzamosra visszakapcsolva meg a fordítottja történt, akkor meg felment 10V-ra megint. Egy kapcsolós megszakítással ez így működhetne is, de mivel így nem mér soros kapcsoláson használhatatlan.
Attól tartok kénytelen leszek dobni ezt a túlterhelés/rövid zár funkciót, 3 hete nem tudom megoldani. :/
Pedig csak feszt. kéne erősíteni, és ezen bukik az egész.
(#) jimitek hozzászólása Aug 1, 2019 /
 
Kis Update: Működik, csak a negatív táp árammérése valamiért nem.
Nem tudom, hogy az-e az oka a furcsa működésnek, hogy Kínából rendelt IC (szóval nem megbízható forrásból származik), vagy valóban rosszul kötöttem be.
Lehet egy rendes darabra kicserélem holnap, aztán meglátom hátha.
Köszönöm az eddigi ötleteket!
(#) tbarath válasza jimitek hozzászólására (») Aug 1, 2019 /
 
Az a baj, hogy csak mesélsz. Simán lehet, hogy valami banális kis hiba van a kapcsolásodban, és azt kijavítva simán menne LM358-cal, csak ugye nem látjuk azt.
Az INA105-tel sokra nem mész, az unity gain, 1x-es az erősítése (nagyon nem néztem a datasheet. De az LM358 se rossz opamp, igaz van pár mV input offset, de azt ki kell kompenzálni.
(#) Kovidivi válasza jimitek hozzászólására (») Aug 1, 2019 /
 
Kapcsolási rajz nélkül nem tudunk segíteni!
(#) jimitek hozzászólása Aug 1, 2019 /
 
Nem jeleztétek, hogy töltsem fel, de akkor pótolom.
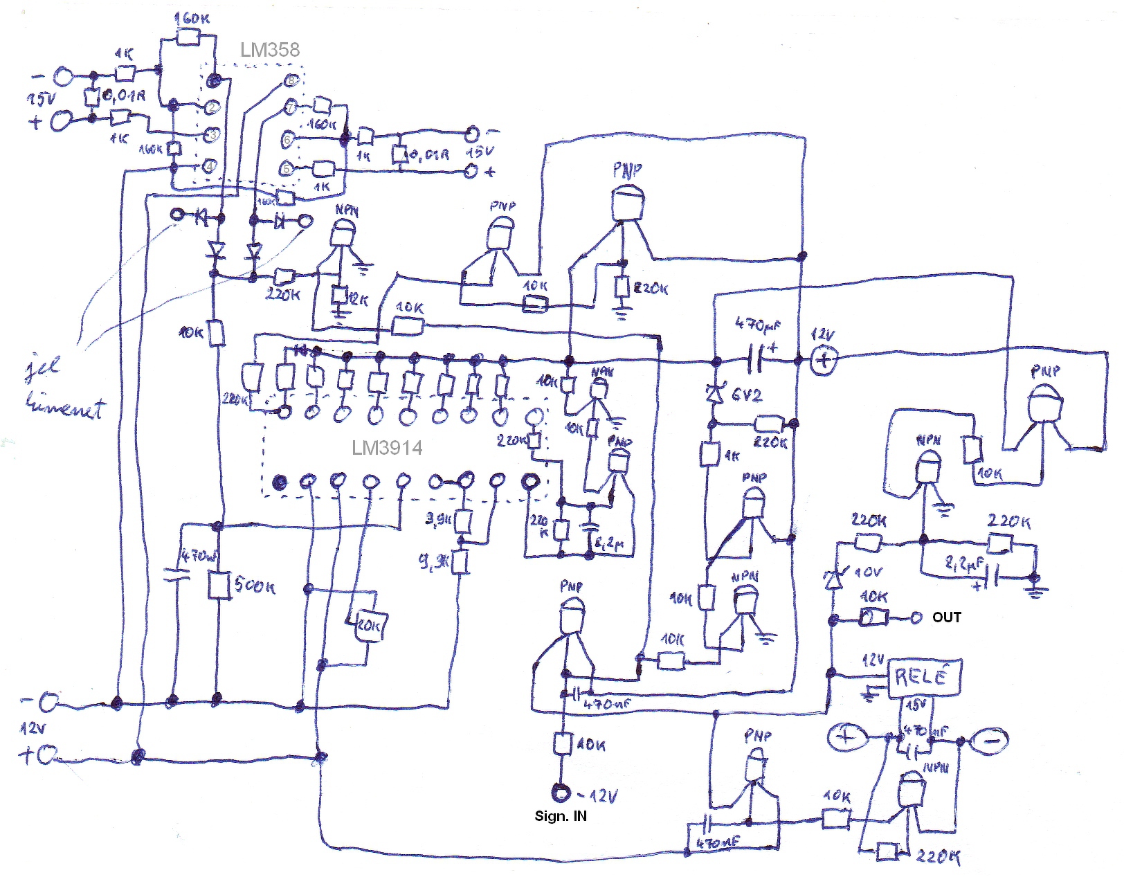
Sajnos komplett átfogó rajzot nem tudok egyenlőre készíteni, mert kis egységeket terveztem meg, de mellékeltem a problémás áramkör egészét.
Bal fent található az erősítő. A többi, az LM3914 csak beskálázza a 2-5A-es tartományt időzítőként.
A többi most szerintem nem fontos.
Sajnos a tranzisztorok helyes rajzát még nem tudtam elsajátítani, nézzétek el nekem, de így szerintem egyértelműbb.
A hozzászólás módosítva: Aug 2, 2019

scan 1.jpg
    
(#) Imi65 válasza jimitek hozzászólására (») Aug 2, 2019 / 1
 
Jézus Mária
Régen (sem) láttam ilyet... Szerintem túl nagy projekt ez Neked, ha még a rajzjeleket sem ismered..
A hozzászólás módosítva: Aug 2, 2019
(#) sdrlab válasza jimitek hozzászólására (») Aug 2, 2019 /
 
Elég durva ilyen kapcsolási rajzot olvasni ))) javaslom minél előbb térj át az általános formára, hisz mindenki abból dolgozik, azt "érti" meg..., s lásd, ha elakadsz, így sokkal kisebb esélyed van segítségre is!
Nade...ha jól látom...első probléma ott van, hogy +-12V IC tápfesznél nem mérhetsz +15V-on ülő jelet! Legalábbis így nem! nem kerülhetnek a bemenetek potenciája a tápfeszen kívülre, sőt ennél még talán a tápfesz közelébe se mehet pozitívan(csak fejből).
De magával a kapcsolással is baj van. A másik 160k-t nem jó helyre kötötted. Az a 3-as láb és a föld közé kellene, akkor egy különbségképző áramkört kapsz.
A hozzászólás módosítva: Aug 2, 2019
(#) jimitek válasza Imi65 hozzászólására (») Aug 2, 2019 /
 
Én szóltam előre.
Ismerem a rajzjeleket, csak így gyorsabban érthető, mint ha fejben állandóan azon kéne gondolkoznom, mi micsoda, és hogyan van a lábkiosztás, és állandóan azon gondolkozni, hogyan konvertáljam át fejben a jelöléseket. Így egyszerűbb. Ránézek és értem.
Valóban kicsit nagy feladatnak érzem, ettől még mindenképpen meg csinálom, mert csak egyszer kell.
Mielőtt leszólnátok, hogy két LM317-et használok szimmetrikus kapcsolás szabályozására, csak annyit fűznék hozzá, hogy nem találtam más megoldást, hogy szétosszam a terhelést a két IC között párhuzamos kapcsolás esetén. LM337-el úgy tudom párhuzamos bekötésnél nem működne.
Viszont attól függetlenül, hogy szakszerűtlen megoldás, működik, csak lehet emiatt zavarodik meg az lm358 soros bekötésnél, mert elvileg a testet a 0 pontot tolja el. Nem tudom...

Megpróbáltam az előbbi ábrát bővíteni a teljes bekötésre, hogy látható legyen mi hogy merre halad. Leellenőriztem, úgy nézem jól rajzoltam.
Ha nem tudjátok értelmezni akkor szóljatok és hagyjuk, de ennél többet most nem tudok kihozni belőle.

scan 2.jpg
    
(#) jimitek válasza sdrlab hozzászólására (») Aug 2, 2019 /
 
Megnéztem, valóban rosszul rajzoltam itt fel.
A "másik 160k" a 3-as lábról megy a földre a kész szerkezeten.
Ígérem ha ezzel elkészülök megpróbálom a rendes jelöléseket elsajátítani, de elég nehéz.
(#) jimitek hozzászólása Aug 2, 2019 /
 
A legutóbbi ábrámat javítottam egy kicsit a fogyasztó bekötésénél.

scan 2.jpg
    
(#) jimitek hozzászólása Aug 4, 2019 /
 
Ezek szerint nehezebb értelmezni, mint egy egyetemi tananyagot.
Nem baj én is feladtam, pozitív tápáram mérés működik, negatív nem, meg a relé újra visszakapcsolás késleltetés sem, amit szintén nem értek hova szivárog el a 470nF-ról a töltés, ha eddig nem tette... (jobb alsó sarok az ábrán)

Összerakom ahogy tudom, aztán majd ha kész megpróbálom megrajzolni úgy ahogy szeretnétek, de az el fog tartani pár hónapig.
Egyébként nem ismeritek fel elölnézetből a TO-92-es tokozású tranzisztort, meg egy 8 lábú alkatrészt felülnézetből?

Programozóként gondoltam egységbezárás elvét alkalmazom, vagyis minden egyes panelnek lesz egy feladata, be és kimeneti csatlakozói, és majd így működni fog.
Hát rá kellett jönnöm, hogy ez analóg áramköröknél nem igazán működik. :/
(#) sdrlab válasza jimitek hozzászólására (») Aug 4, 2019 /
 
Ez az ábrázolás összerakás specifikus mód! Arra jó, másra nem.
A kérdéseid pedig funkcionalitás specifikusak! A kettő nem ugyanaz, bár lehet származtatni egyiket a másikból, csak ennek nem sok értelme van... Ne brunyálj széllel szembe...ha mástól vársz segítséget legalábbis. )
(#) kaqkk válasza sdrlab hozzászólására (») Aug 4, 2019 / 1
 
Idézet:
„Ez az ábrázolás összerakás specifikus mód! Arra jó,”
Arra sem jó , nem látni a tranzisztoroknál melyik láb az emitter-kollektor-bázis . így bárhol lehet bármilyen elkötés ...
(#) kaqkk válasza jimitek hozzászólására (») Aug 4, 2019 /
 
Ha programozó vagy töltsd le az Eagle student verzióját avval tervezd meg a kapcsolási rajzot majd a nyáktervet és örülj hogy működik ...
(#) sdrlab válasza kaqkk hozzászólására (») Aug 4, 2019 /
 
A tranyó vagy bármi más alkatrész lábkiosztása tervezéshez kell, nem összerakáshoz!
Ahhoz pedig elvi rajz kell, nem ilyen...
(#) kaqkk válasza sdrlab hozzászólására (») Aug 4, 2019 /
 
Nem mondod ? Én kb 6. általánosban csináltam ilyen "tervet " utoljára .(Nem is működött)
Egyébként összerakásnál sem baj ha tudod melyik láb mi és hová kell kerülnie
A hozzászólás módosítva: Aug 4, 2019
(#) Imi65 válasza jimitek hozzászólására (») Aug 4, 2019 /
 
Ne haragudj, de eszembe sincs törni azon magam, hogy ezt a hülyeséget megtanuljam értelmezni a kedvedért. Ez egy semmi, olyan, mint amikor a macska nyávog: Biztos jelent valamit, de nem fogok azon gondolkodni,mit. Vagy előállsz valami normális rajzzal, vagy felejtsd el, hogy elektronikázol. Nem megbántani akarlak, de azért legyen már tisztelet a több millió szakember felé. akik megtanulták a rajzjeleket, ne gondold, hogy hülyeségből tették, inkább azért, hogy amit lerajzolnak Moszkvában, azt Párizsban is értsék..
Bocs, de nem értelek, tudom, Ti programozók fura emberek vagytok, kicsit másképpen gondolkodtok, mint a nagy átlag, de ezt itt felejtsd el.
A hozzászólás módosítva: Aug 4, 2019
(#) gcsabee válasza jimitek hozzászólására (») Aug 4, 2019 /
 
Ha programozó vagy, akkor nem jelenthet gondot a rajzjelek megértése/megtanulása.

A kapcsolási rajzozodon a
- tranzisztorok (npn/pnp ez 2db rajzjel)
- graetz hid
- műveleti erősítő
- Integrált áramkörök jelölése
rajzjeleit kellene lecserélni. Ez összesen 5 féle jel. Ez hónapokig tart egy programozónak?
Egy normális rajz neked is sokat segítene, és könnyeben is tudnának segíteni a többiek is.

Idézet:
„Összerakom ahogy tudom,”

Ez fog sokáig tartani, mert sok lesz benne a kisérletezés, és a siker is kétséges.
A TO-92-es tok felismerésével semmi baj sincs, de már magában ennek a toknak a hibás bekötése is okozhatja az áramkör hibás működését, mert tarzisztor függő a lábkiosztás.

Még telepítened sem kell semmit a gépedre használhatsz online editort például ezt: https://easyeda.com/editor
Csak regisztrálni kell (amihez még google accountot is használhatsz) és már rajzolhatsz is. Ha nem privát tartalmat akarsz létrehozni, akkor ingyenes. (Ez nem a reklám helye, csak egy lehetséges megoldás, biztosan létezik másik online megoldás is).
(#) gcsabee válasza Imi65 hozzászólására (») Aug 4, 2019 /
 
Ennek a hozzáálásnak semmi köze sincs ahhoz, hogy Ő programozó (vagy annak tanul). Ne ez alapján ítéld meg a programozókat . Lehet hogy másképp gondolkoznak, de képesek készíteni, és értelmezni is egy kapcsolási rajzot. Sőt, tekintve hogy mennyi energiát fordított a magyarázkodásra, ennyi idő alatt már a kapcsolási rajzot is megrajzolhatta volna.
Következő: »»   742 / 852
Bejelentkezés

Belépés

Hirdetés
XDT.hu
Az oldalon sütiket használunk a helyes működéshez. Bővebb információt az adatvédelmi szabályzatban olvashatsz. Megértettem