Fórum témák
» Több friss téma |
Mielőtt kérdezel, a következő két dolgot ellenőrizd!
I. A helyes tápfeszültségek megléte.
II. A kimeneten van-e egyenfeszültség.
Élesztés.
Nem olvastam, de addig jó mert van mit javítani a hozzáértőknek nem? De!
Érdemes lett volna mégiscsak visszaolvasni... Ugyanis nem pénzért történik a javítás, hanem ez a gyerekekkel/családdal töltött idő helyetti munka... De miért nekem kell újra leírnom az előző oldalt összefoglalva? Megtennéd a kedvemért, hogy olvasol is? Köszi.
A hozzászólás módosítva: Szept 19, 2019
Sziasztok!
Megvettem a cuccokat a Sherwoodhoz, most még megjavitom. De legközelebb elküldöm a srácot egy főállású szerelőhöz. Ha hülye fizessen! Reloop, kösz a TDA kapcsolást, még jól jöhet.... Highand a kapcsolásod megy +-40V-ról? Gondolom a párhuzamos vég miatt a 2 Ohmot is bírja. Annak az antizseninek ugyanis hiába magyarázom hogy mi a párhuzamos kapcsolás és repluszolás. Neki 1pár 4ohmos +1pár 8ohmos láda = 2 db 12ohmos láda. (Na meg lehet hogy még a villanyvasalót is ráköti, hátha hangosabban szól...)
Szerintem 2 ohm-hoz 4 pár végtranzisztor kell. Ebben a kapcsolásban azért van 2 pár, mert a kivezérelhetőségnek meg kellene maradni, de úgy, hogy rövidzárási áram kisebb legyen, mint a tranzisztor Icmax értéke. Tehát két pár végtranzisztor helyett lehetett volna egy pár is és akkor 3ohm-os kollektor ellenállás. Csakhogy akkor nagyot romlana a kivezérelhetőség. Ezért lett 2 pár, mert a kivezérelhetőség miatt 1,5ohm-nál nagyobb nem lehet a kollektor ellenállás, de akkor 2x akkora a rövidzárási áram, mint amit a végtranyó elvisel.
Ha 2ohm-ra akarsz dolgozni, akkor megint felezni kell a kollektor ellenállás értékét, ennek a praktikus módja, négy pár tranyó, 4 db 1,5ohm-al. Namost, ha még a tápot is emeled, akkor nagyobb áramú tranzisztor kell, vagy még több darab. A komoly PA erősítőkben ezért is van oldalanként 12 pár végtranzisztor. 1000W 4ohm-ra megvan 180Vpp-ből. Az durván 22A csúcsáramot jelent, mégis 120-160A-nyi végtranzisztort építenek be egy profi cuccba. Pl. ezért is. szvsz. A hozzászólás módosítva: Szept 20, 2019
Szia!
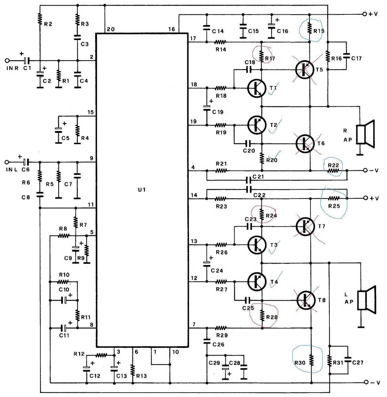
Kösz a választ, sajnos a méretezésben nem vagyok járatos. Építeni szeretek adott kapcsolási rajz alapján, még NYÁK-ot is megtervezek (csak úgy papíron), de ha egy áramkör nem indul, már gondban vagyok. Ezért fordulok a képzettebb fórumtársakhoz már megint. A már említett Sherwood erősítővel kapcsolatban szeretnék felvilágosítást nem csak Tőled, hanem mindenkitől ,aki ezt olvassa. A mellékelt rajz szerint próbálom javítani, mert eredeti rajzom nincs hozzá. A négy végtranzisztor kidurranva (szó szerint) a meghajtók jók, az R15, 22, 25 és 30-as ellenállások (0,1 ohm 5W) kimérve 0,08 és 0,12 ohm közötti értéket mutatnak. Szerintem jónak mondhatók és nem kell cserélni (remélem). Amit furcsállok hogy a rajzon R 17, 24, 28 pozíció számú ellenállások vagy szakadtak, vagy megaohm nagyságúak (semmi égésnyom rajtuk, úgy néznek ki mint új korukban). Az alkatrész lista alapján ezek 100 ohm 1W-osak es fémréteg (fémoxid ?)tipusúak. Az R 20 pozícióban (előző javításkor szétégett helyett) "békebeli" rózsaszín (szerintem 0,25W-os szénréteg) ellenásnak semmi baja. Szrinted, ill. Szerintetek ha a végtranyókat és a 100 ohmokat cserélem (kell-e 1W-os, vagy kisebb is jó?) Nyugodtan éleszthetem (persze előtét izzóval), vagy lehet még halott cucc a panelen? Az IC szerintem megúszhatta. Boldog lennék ha nem kellene cserélni nincs foglalatban! Még megnézem az R 14, 18, 19, 21, 23, 26, 27, 29 ellenállásokat, ha nem zárlatosak akkor talán megúszom IC csere nélkül! A hozzászólás módosítva: Szept 21, 2019
A 100 Ohm-ok azért szálltak el, mert a végtranzisztor bázis-emittere szakadásba ment át. Első körben csak ezeket cseréld ki, a biztonság kedvéért azt is amit jónak mértél (az R20-at). Ezután kapcsold be (végtranzisztorok nélkül) és mérd meg T1-2, T3-4 emitterein a kimeneti feszültséget (természetesen terheletlen kimenetnél). Ha 0V, mérj feszültségesést a négy 100R-en (tehát a tápfeszhez képest). Ha 0.5V körüli értéket mérsz, akkor minden rendben van, folytathatod tovább az élesztést a szokásos módon.
Szia Karesz!
Kösz a segítséget!!! Ma már nem foglalkozom vele mert: 1, A Házisárkány cseszeget hogy mi lesz a fűnyírással (nem érdemes felbosszantani elhiheted...). 2, Csak szedett-vedett bontott ellenállásaim vannak, inkább hétfőn veszek újakat. Egyébként ami bírta az méretben 10mm x 3mm-es ellenállás hány W-os lehet? Tényleg kell oda 1W-os? 3, Ha már alkatrészbolt, veszek 4db 0,15ohm 5W-ost is (az volt eredetileg). Nyugalmi áram szempontjából jobb lesz. Az új 0,15 ohmosokkal is (gondolom) 0,5-0,6V körül kell mérnem. Ha jó az IC. Aztán mehetnek bele végtranyók és próba?
A 100 Ohm-oson a végtranzisztor nyitófeszültsége esik, ami csúcsokban sem több 1V-nál, tehát 10mA-nél nem folyik nagyobb áram üzemi körülmények között, ami 0.01W. A fél watt is sok, de bajt nem csinál ha nagyobb teljesítményű.
A 0.15 Ohm-on csak akkor kell feszültséget mérned ha már benne vannak a végtranzisztorok. Ekkor 8mV +/-3mV a helyes feszültség érték.
Köszi!
Közben azon gondolkodtam, hogy lehetne megvédeni az erősítőt a következő túlterheléstől (kimeneti zárlattól). Az egész kütyüben 3 db olvadóbetét van. A panelon 2 db 315 mA-es, ez az előerősítőt, hsz. szabályzót védheti. 1db 2,5A-es pedig a trafó primer körében (230V). Namármost miért van közel 600W-ra méretezve, ha a végfokok kb. 60W-osak? Ha csatornánként 40W veszteséggel számolok és az egyéb áramkörök fogyasztását is hozzáadom, 220-230W-ra saccolom a teljesítményfelvételt. Ehhez nem lenne elég egy 1,25A-es bizti? Így is kb. 300W-ra lenne biztosítva, de zárlat esetén talán megvédené a végfokot. Vagy inkább tegyek a trafó és a panel közé 1-1 lengőaljzatot 1-1 3A-es biztivel? Az egyenirányító a végfok panelen van az után nem tudok biztosítékot tenni. Vagy a régi erősítők mintájára inkább a kimenetre kössek ?A-est...? Idézet: „Így is kb. 300W-ra lenne biztosítva, de zárlat esetén talán megvédené a végfokot.” A biztosíték nem a végfokot védi, annak védelme csak elektronikus úton lehetséges. A hálózati biztosíték a hálózatot védi, hogy az erősítő zárlata esetén ne égjen le az egész házad.
Letöltöttem a TDA7250 adatlapját, mert olyan érzésem támadt, hogy a 0.15R nem csak túláram védelemre szolgál, de a nyugalmi áramot is figyeli... és igen. Amikor a TDA és a meghajtók épségét ellenőrzöd - végtranzisztorok nélkül - a 0.15R helyett 3.3R tegyél be, mert a TDA arra fog törekedni, hogy a 0.15R-en 10mV feszültség essen és tönkre fogja tenni a meghajtókat, vagy csak a 100R-ek füstölnek majd el. Tehát erre oda kell figyelni.
A primerköri biztosíték méretezése nem egyszerű, mert nem lehet úgy számolni, hogy 230W*1A=230W. A trafón csak a csúcsokban folyik áram - amikor a Graetz egyenirányít - de akkor az átlagáram felvétel 10-20-szorosa és ezt kell kibírnia a biztinek. Ezzel nem lehet védekezni a végfok kimenet túlárama ellen. A gyakorlatban általában úgy méretezik, hogy 100W trafóteljesítményenként 1A. Ha 2,5A-ben állapították meg, akkor legyen akkora. A másik dolog amiről már többször volt szó. Az olvadóbiztosíték nem úgy működik, hogy a névleges árama alatt rövidzár, felette kiolvad. Pl. az 1A-es biztosíték egy hálózati félperiódus időtartamára 10-20A-t is gond nélkül elvisel, kétszeres áramot akár 1 percig is. Ebből következik, hogy hangszóró védelemre alkalmatlan, mivel amelyik névleges terhelésen még nem olvad ki, az általában túl szokta élni a lengőcséve "kiolvadását" is. Ennek ellenére meg lehet próbálni az alacsony impedanciás túlterhelés ellen így védekezni, oszt vagy bejön, vagy nem. Ui.: Ebben az utolsó részben a hangszóróval sorosan bekötött biztire gondoltam, talán nem volt teljesen egyértelmű... A hozzászólás módosítva: Szept 22, 2019
Ha rosszmájú akarok lenni, leírom, hogy a TDA7250-ben van rövidzár- és túláramvédelem.
Köztudott, hogy ezeket az elektronikus védelmeket soha nem tartottam semmire.
Ahogy mondtad is, egy olvadó biztosíték mire kiold, addigra a végfok már rég tönkrement. Tehát nem védi meg az olvadó biztosíték a végfokot.
Hangsugárzóknál is csak azért használják, hogy durva zárlat esetén ne legyen nagyobb baj, mert egy jól méretezett stabil végfok azért nem túl sok ideig képes elviselni viszonylag nagy túlterhelést, és remélni lehet, hogy egy jól méretezett gyors olvadó bizti esetleg megvédi a végfokot, különösen, ha van beépített áramkorlát a végfokban. De a hálózati, és tápkörben elhelyezett biztosíték csak a nagyobb bajok megelőzésére szolgál, és nem a végfok védelmére. Lehet nem tartod sokra, mert ez nyilván más problémát is okoz, de extrém használat esetén, ahol alulképzett, némi alkoholos nyomás alatt álló személyek használják, az erősítő egészsége szempontjából nem elhanyagolható szempont.
Üdvözletem!
Egy kis segítségre lenne szükségem,hozzámkerült egy Aktív hangfal tákolt erősítője. Hiányoztak belőle alkatrészek sérült-össze vissza forrasztott nyák. Kicseréltem benne a végfok ic-ket, kicseréltem benne az összes tranzisztort, az összes diódát és az ellenállások egy részét ill. A kerámia kondikat. Jelenleg ha bekapcsolom akkor a hangszóró hangosan búg és a jobb szélső végfok ic nagyon melegszik. Nem tudom hogy hogyan tovább mit kellene még cserélnem. Előre is köszönöm a segítséget. Idézet: „Kicseréltem benne a végfok ic-ket, kicseréltem benne az összes tranzisztort, az összes diódát és az ellenállások egy részét ill. A kerámia kondikat.” Szerintem ami még maradt, akkor utána tuti jó, ha nem rontottál el semmit. ![]() Régebben én mérni szoktam, néha bejön. ![]() Mi a kérdés?
Megmértem minden ellenállást és egy hibásat találtam. A kérdés az lenne hogy van-e ötlet hogy mi lehet még problémás?
Idézet: „Kicseréltem benne a végfok ic-ket” Nem tudom ugyanarról beszélünk-e, de a csatolt képekben én nem igazán látok IC-t. ![]() Neve, típusa, vagy száma van a készüléknek esetleg?
Üdv Skacok! Ebben a kapcsolásban az Opcionálisnak jelölt Source ellenállásoknál ha a 0.27R helyett 0.33 ohmos ellenállásokat rakok be az miben befolyásolja majd a kapcsolást? Azt tudom hogy negatívan biztosan nem max a kivehető teljesítmény csökken? Van még idehaza 0.22 ohm is inkább azt tenném be de mivel opcionális így ha nem rakok oda semmit elvileg akkor sincs gond, viszont egy útbaigazítás jól jönne, szép napot!
Z.
A kapcsolási rajzon 0,22 R az érték. Azt javaslom bele.
Nemsokára ideér a futár, és az lesz! Köszi! Érdekes mert a Hestore.hu-n sem láttam ilyen értékű ellenállást, bár biztosan létezik... A rajzon meg már más az érték, ez is érdekes...
A t2 t3 bc556 tranzisztorokat 2sa970 re cserélhetem? Modernebbek és nagyobb feszültségtűrésűek. Valamint a t1 t4 et 2sc2240 re? A lábkiosztásra különösen figyelnem kellene mert míg előző EBC lábkiosztású így az új ECB így egy kis ügyeskedés kellene a be építéshez de gondolom ettől még beépíthetőek. A hozzászólás módosítva: Szept 23, 2019
Sziasztok!
Van egy UNITRA WS 311 D erősítő nálam, mely végfok hibás. A meghajtó tranzisztorok BD137, 138, viszont a végfok BDP283 BDP286 Van ötletetek mivel tudnám ezeket helyettesíteni, ami kapható még? Köszönöm! Üdv Gábor Idézet: „ha nem rakok oda semmit elvileg akkor sincs gond” Ha nem raksz oda semmit, akkor az "S" láb lóg a levegőben !!!
A "semmi" itt azt jelenti, hogy rövidzár kerülne az ellenállás helyére.
A hozzászólás módosítva: Szept 23, 2019
(Azaz egy jumper kerülne oda) Köszi az észrevételt, jogos! Üdv.
A "semmi" nálam "nulla" - le kell írni, hogy "rövidzár".
Idézet: , akkor "rövidzárat" sem tesz, ez a mondat értelme, valóságban meg valószínű megoldja.„ha nem rakok oda semmit” Pl. szűrőkondenzátor elhagyása, fenti esetet figyelem bevéve, ha nem teszem oda, akkor egyből "rövidzárat" kell érteni? Ja persze , hogy nem, persze, értelmezni kell. Ellenállásnál más a helyzet. A hozzászólás módosítva: Szept 24, 2019
A nullának van néhány tulajdonsága, de otromba hiba lenne őt "semmi"-nek hívni. És hasonló nyelvhasználati tévedés amikor pl. egy üres dobozra azt mondjuk "nincs benne semmi". Attól mert fogható és látható dolgok esetleg nincsenek benne, még nagyon-nagyon sok minden van ott.
Abban egyetértek veled, tudni kell értelmezni az olvasottakat.
Nem lenne egyszerűbb világosan, egyértelműen beszélni/ írni?
|
Bejelentkezés
Hirdetés |











Z. 



