Fórum témák
» Több friss téma |
Szia!
Ezt a típust nem használtam, de általában nagyon érzékenyek az ADC-t a tápvezeték, köztük a GND kialakítására. Nagyon nem mindegy, hogy a gnd melyik pontjára kötötted le a bemenetet. Ráadásul ezen az IC-n nem alakítottak ki analóg és digitális földet/tápot, ezért a belső huzalozáson eső feszültség is lehet a hiba forrása. Ha lehetőséged van a differenciál módú mérésre, térj át arra, de még úgy is problémás lehet, ha a bemenetek az IC belsejében lévő táppontokon kívül esnek. A negatív érték valószínűleg a számábrázolásából adódik. A "Data format" és a "Single-ended inputs" bekezdésekben leírtak szerint a számábrázolás fix, és csak differenciál módban tudod kihasználni az egész 16 bites tartományt. Megjegyzem, egy 16 bites ADC csak nagyon zavarmentes viszonyok között ugrál +-1 bitet. Ha a bemenetre kerül a mérendő forrás, szerintem sokkal nagyobb zajokat fogsz mérni.
Most egyvezetékes módban mérek (felső ábra) és van egy feszültségosztó is. Differenciális módban úgy kellene bekötni ahogy az alsó ábrán rajzoltam? A földet csillagpontosan próbáljam meg bekötni, vagy hogyan? A szenzor felé menő és az onnan jövő vezétek ami hosszú (kb. 2 méter 20AWG), a többi egység az egy dobozon belül foglal helyet.
(Tudom hogy az adatlapon a singleended-nél 0-32767 közötti szám szerepel a kimenetnél, azonban az Arduinoval én -16-ot olvasok ki belőle ha a GND-ot rákötöm a bemenetére.)
Igen, elvileg jó lehet az alsó ábra. Én azonban javasolnék néhány módosítást, amit le is rajzoltam. Az 5K alsó végét ne közvetlenül a földre kössed, hanem tegyél alá egy kisebb ellenállást, mondjuk 100R-t. A 100R alsó végét ne az ADC földjére kössed, hanem a szenzor földjére. Így véded egy kicsit az áramkörödet a negatív feszültségektől, és lehetőség van még szükség esetén szűrőkondenzátorok beépítésére is.
2m elég nagy távolság, ahhoz, hogy egy ADC bemeneti lábát közvetlenül kivezessed, vagy legalábbis nagyon gondosan kell védeni. Mindenképpen árnyékolt vezetéket használj, lehetőség szerint külön a tápnak és külön a mérőbemenetnek. Az lenne a jobb, ha az ellenállás osztó az IC mellett lenne, és a 0..10V-os jelet vezetnéd hosszabban. A bemeneti föld kialakítása az analóg részeknél elvileg csillagpontos, a digitális részeknél pedig a teliföld lehet a legjobb. Az ilyen kevert jelű áramköröknél nehéz szabályt adni. Nekem az vált be, ha inkább a teliföld irányába mentem, el, de a lehető legközelebb igyekeztem mindent tenni, hogy ne legyenek nagy hozzávezetési impedanciák, minél kisebb feszültségesések illetve zavarfeszültségek legyenek. A single-ended üzemben valójában ugyanúgy differenciál üzem van, csak az egyik bemenet belül van lekötve a belső nullára. Ha betartod, hogy a belső nullánál nem mérsz kisebb feszültséget, akkor lesz nullánál nagyobb szám az eredmény. Ha ez nemsikerül, akkor kapsz negatív eredményt. A hozzászólás módosítva: Dec 16, 2015
Átdolgoztam az ajánlásod alapján és piszok jól működik. Köszi!
Lenne még egy kérdésem az ADS1115 típusú ADC-vel kapcsolatban hátha valaki meg tudja válaszolni. Lehet attól baja az ADC-nek ha 5V tápfeszültség mellett a PGA-t +/- 4,096V-ra állítom? Értelemszerűen nem mérnék 4V fölött, viszont a tápfeszültség 5V lenne. Ha jól tudom ebben valami virtuális feszültség referencia van, mert 3,3V esetén lehet a PGA értékét 1-re állítani, vagyis 4,096V virtuális referenciára számolja a konverzió eredményét alacsonyabb tápfeszültségnél is. Viszont nem tudom hogy fordítva ez működik-e megbízhatóan?
Itt írnak az egyik esetről de ami most érdekel azt nem tárgyalják
Sziasztok!
Analóg jel digitálissá, vezetéknélküli átvitelével, majd visszaalakításában kérnék egy kis segítséget. A dolog egy részét már megoldottam, jelgenerátor előállítja az 1vp-p szinusz jelet, arduino 10bites AD-ja fogadja, majd TX-en kiadja BIN-ben egy level shifternek, majd egy XBee pro modul átküldi egy másiknak, ahol terminálban látom szépen a feladott jelet. Na most az lenne a kérdésem, ha erre ráteszek egy 10bites DA-t, az szépen le fogja tudni olvasni ezt a jelet és vissza fogja tudni alakítani szinusz jellé? Vagy ennél azért bonyolultabb lesz a visszalakítás menete? A végső felhasználás egyébként zenei strem lenne,egy csatornás, kis sávszélességű, 100-5kHz közötti tartomány, de 24BIT 192kHz-en.
Miért nem használsz megfelelő, 24 bites A/D konvertert?
Egyébként az ilyen egyszerű adatátvitel berendezésen belül vezetékesen jól működik, de nem biztos, hogy jól fog működni egy vezetéknélküli átvitelnél. Ilyen esetekben "csomagolni" szokták, hibajavító kódolással, szabványos PCM átvitellel. Egyébként 10 bit A/D, 10 bit D/A vissza fogja alakítani,ha menet közben nem történik valami bibi. (interferencia, reflexió) A hozzászólás módosítva: Nov 29, 2016
Idézet: „24BIT 192kHz-en.” 10bit A/D konverzió eredményéből visszakonvertálva D/A-val nem lesz 24bit felbontású analóg jel, ilyen nincs. A 10bit jel D/A visszaalakítva konverziós hibák, zajok miatt az eredeti 10bitesnél is gyengébb lesz.
Félreértettetek kicsit, vagy félreérthetően írtam. Nem a 10bites AD után akarok egy 24bites DA-t, azt tudom, hogy abból jó dolog nem jönne ki... csak megemlítettem, hogy későbbiekben mindezt 24bites AD-val és Da-val csinálnám meg.
Egyelőre a prototipus egy arduino mega a 10bites AD-jával, ehhez bszereznék be egy low cost 10bites DA-t, lemodellezni egyáltalán életképes-e a dolog a rádiómodulokkal, vagy pediglen alkalmatlan esetleg az xbee erre. Egyelőre a szinusz jel 10bitre alakítva átmegy az XBee-n, hiba nélkül, csak nem építenék teljesen feleslegesen DA-t, ha amúgy nem lenne belőle ismét szinusz jel ezzel a módszerrel. De akkor tisztasor, hogy ez így üzemszerűen működhet. Azzal nem vagyok többek között tisztában, hogy mit vegyek figyelembe az RX TX vonalra vonatkozóan, vannak ugye UART I2S I2C kimenetű AD-k, ezeket a vezetéknélküli rendszer mindkét oldalán egyformára kell gondolom megtervezni. Kérdés iktathatok-e be közbe mondjuk átalakítókat, vagy ez nagyban rontani fogja az átvitelem idejét? Illetve hogy hang átvitelére melyik lenne a leg célszerűbb? Netet olvasgatva az I2C-t ajánlják audió felhasználásra. Van egyébként egy kiszemelt DA, ami 64bitenként bufferelve küldi el a mintavételezett adatokat, de mekkora késést okozhat ez a jelútban? A dolog második fő szempontja az lenne, hogy a két pont között ne legyen hallható késés. (pl ha egy élő hangosítás hangszerét viszem át) Illetve még egy fontos dolog, a referencia feszültség. Olvasgattam ezután is, de adatlapok is egy tipical X értéket emlegetnek és nem nagyon fejtik ki mire fel. Magát az elvet értem, mi is történik mondjuk 24bit esetében, a referenciafeszültség és a bevitt jel között, de mondjuk egy átlag 350mV RMS 1kHz-es jelet mekkora referenciával bontsak fel? a tipikus értékek az adatlapokon 2,5voltot emlegetnek, hasraütve én is pont ennyit adtam volna, mivel ez a táp fele. De lehet nekem elég lenne mndjuk 0,5 vagy 1V is? Illetve a túloldalon a DA-nak ugyan ekkora referenciát célszerű megadni, vagy inkább kisebbet és a későbbi erősítő fokozattal célszerű 1:1-re kompenzálni a jelet? A hozzászólás módosítva: Nov 29, 2016
Minden digitális átalakítással több kevesebb késés is együtt jár. Gyorsabb átalakító kevesebb késés, viszont drágább. A késleltetési időkről az adatlapokban tájékozódhatsz.
Ha nem szeretnél késést, analóg átvitelt kell választanod.
Hasonló, mint pld. a webkamerám is kb. 1 másodpercet késik. És még a processzor idő is.
Köszönöm mindenkinek! Na a megoldáshoz közelebb kerülvén elvetettem az Xbee pro modult mint átvivő eszköz, ugyanis 8bites az átvitele, tehát egy 24bites AD jelét mindkét oldalon erősen bufferelnem kéne, ami esetlegesen már 20ms feletti késést is okozhat, mai már nagyon zavaró.
Előtérbe került egy HC-12 nevű adóvevő modul, ami I2C protokollal kommunikál, ha jól vettem ki eddig az adatlapjából 12bites az átvitele, így csak le kell felezni a 24bites AD kimenetét egy bufferbe. Viszont így nem kell UARTból meg SPI ból konvertálgatni, simán mehet az I2C egy mikrokontrollerbe ami lebuffereli, majd rádiómodul. Jelentkezem ha sikerül a dolog prototipusát beüzemelni és értékelhetően kipróbálni.
Sziasztok!
Adott két különböző ADC, elvileg lábkompatíbilisek: MCP3201 és LTC1286. De míg ugyanabban az áramkörben az MCP szinte megbolondul, az LTC hozza a papírformát és teljesen stabil (és jó) eredményt ad. Tesztkörnyezet: 5V-os tápfesz 7805-ről, 4096mV-os referencia közvetlenül egy precíziós OPA kimenetéről (OPA2277), az IN- láb a mérőerősítő AGND-re kötve(nem az IC táplábára!), az IN+ a mérőerősítő kimenetére. Az adatokat egy ATMega mikrovezérlő olvassa ki, ami az analóg részről galvanikusan le van választva. A leválasztást két darab TLP2531 (2-csatornás nagysebességű optó) végzi, az ADC DOUT lába 2.2kOhm ellenállással megy az egyik optóra. Ez kb. 1.5mA terhelést jelent lehúzott állapotban. Először MCP3201-el próbáltam, nagyon siralmas eredménnyel (4db. IC egyformán viselkedett). Ahol 1000mV-ot kellett volna mutatnia, volt 850-920, természetesen vadul ugrálva a két érték között. És elég érzékeny volt már arra is, ha felemeltem az áramkört (nem értem hozzá elektromos részhez). Már majdnem falba vertem a fejem, amikor megtaláltam két LTC1286-os IC-t, amit csak azért nem akartam használni mert sokkal lassabb mint az MCP (100ksps helyett 12.5ksps). És láss csodát: az LTC 1V-nál tényleg 1000mV-ot mutatott, illetve néha 1001-et; ha csereberéltem a két IC-t akkor is ugyanannyit mutatott. Amire én gyanakszom: az MCP lehet hogy nem szereti, ha a DOUT lábát terhelik. Az adatlapja csak homályosan utal rá, hogy 440uA-nél több tápot nem vehet fel. (LTC: 25mA lehet a kimeneten) Másik lehetőség: az MCP adatlapjában kiemelik, hogy érzékeny lehet a túl alacsony SPI órajelre. Az átvitel kezdetén, kb. 2 órajel alatt történik a mintavételezés, és alacsony órajel esetén ez elnyúlik. Jelenleg amúgy 115200kHz, amit az optók cseréje után jelentősen meg tudok emelni. Hiába no, az MCP gyorsabb és olcsóbb (negyedannyiba kerül), de a Linear (ill. Analog Devices) a méréstechnikában sokkal komolyabb névnek számít. A hozzászólás módosítva: Ápr 5, 2017
Közben kikötöttem az optókat, és összekööttem a mikrovezérlő és az analóg rész földpontját.
Az MCP ettől megjavult, stabil értékeket kezdett kiadni, csak kb. 3LSB-vel kisebbet mint az LTC. Az LTC pontosan ugyanolyan értéket ad vissza mint optóval. Az optó áramfelvétele a ludas?
Sziasztok!
3 darab 1mV/A-es lakatfogó kimeneti jelét szeretném feldolgozni külső A/D konverter segítségével. Úgy gondoltam, hogy precíziós egyenirányítóról küldeném a jeleket az A/D konverterre. Mi a véleményetek, mekkora időközönként kellene mintavételeznem a jeleket, hogy megfelelő True RMS értékeket tudjak számolni? Felbontásban 16 bites A/D-ra gondoltam, de akkora a választék, hogy nem tudtam dönteni. Tudnátok ajánlani valamilyen típust a feladathoz? Esetleg van valaki, aki csinált már hasonlót? A válaszokat előre is köszönöm!
Szia!
Több adatot kellene megadnod, hogy érdemi választ lehessen adni. Először a célt kellene meghatározni, milyen pontossággal milyen jelet szeretnél mérni, és mekkora sávszélességgel. A bemenő jelszintet nem tudjuk, mert a mérendő áram nagyságát nem írtad meg. Egy korábbi munkámban kb. 0,1%-os pontosan kellett mérnem egy 400Hz-es feszültséget és áramot. Én egy mikrovezérlőbe beintegrált ADC-vel oldottam meg, ami csak 10 bites volt, viszont viszonylag nagy kb. 200ksmpl-lel ment a mintavételezés. Én nem készítettem hardveres egyenirányítást, hanem a mikrovezérlő végzett el minden számítást, a pontos kioffszetelést, a négyzetes középérték kiszámítását. Mivel ez egy szabályzó készülék visszacsatoló jele volt, gyorsnak kellett lenni, ezért a jel alap-harmonikusára rászinkronizáltam PLL-el a mérés és számítás folyamatát, és az utolsó egy periódus effektív értékét képeztem csúszóablakos jelfeldolgozással. Bár nem írtad le a részleteket, a felvázolt feladatot is mikrovezérlővel oldanám meg. Ma már 12 bites gyors ADC nagyon sok mikrovezérlőben van, és az szerintem elég lehet a túlmintavételezés miatt. A számítások miatt (sok 16 bites négyzetre emelés, azaz szorzás) valamelyik ARM típust, vagy dsp-t választanám.
Hálózati (50Hz) frekvenciájú áramot szeretnék mérni. Jó lenne 0,1A-es léptékben mérni az áramot, amihez 100uV-os feszültség tartozik (kb. 141uV amplitúdójú szinuszjel). Sajnos a lakatfogó adott és nem minden esetben van rá lehetőség, hogy többször átfűzzem a vezetéket rajta.
Ebből még mindig nem derült ki, hogy mekkora áramot szeretnél mérni, mekkora a maximális érték, és ehhez képest mit jelent a 0,1A/0,1mV-es lépték. Azt is kifejthetnéd, hogy a "lépték" alatt mit értesz. Ekkora felbontás kell, vagy ekkora a mérendő áram nagysága? A lakatfogó típusa megtudható?
A sávszélességet sem határozza meg önmagában az, hogy 50Hz-es áramról van szó. Ha csak az a cél, hogy legyen egy árammérő műszered, amit le szeretnél olvasni, akkor elegendő lehet kb. 0,1 sec-enként egy mérési eredmény előállítása. Ha nem titok, akkor többet elárulhatnál az egészről, mert így nehéz segíteni.
A lakatfogó adatait a mellékletben csatoltam. Selejtezésből jutottam hozzá 6db ilyen lakatfogóhoz. Teszteltem őket multiméterrel, működőképesek. 3 fázisú villanymotorok (500W->10kW) fázisonkénti áramait (0,9->20A) szeretném vele mérni, illetve szeretnék csinálni egy mérés adatgyűjtést a motorok különböző üzemállapotainak vizsgálatához. Elég lenne az eredményeket fél másodpercenként kiküldeni egy számítógépre. Egy Excel táblázatban rögzíteném az eredményeket.
Van nekem is egy ilyesmi műszerem, de az DC áram mérésére is jó. Az egyik problémám az enyémmel, hogy viszonylag nagy a zaj a kimenetén. Mivel a tényleges méréstartománynak az alsó tizede alatt szeretnél mérni, ez különösen probléma lehet. Szerintem szét kellene az egyiket bontanod, és megnézni, hogy mi van benne, milyen zavarvédelmi intézkedést tettek. Lehet, hogy célszerű lenne legalább egy jelerősítőt közvetlenül beleépíteni, vagy akár az egész jelfeldolgozó áramkört, de a kimenő jel árnyékolását mindenképpen javasolnám. Ha esetleg hagyományos áramváltó van benne, felmerülhet esetleg a lezáró ellenállásnak a módosítása is, vagy az erősítő kihagyása okán, vagy a pontosság növelése érdekében.
A feladatnak csak egy része a mérés és jelfeldolgozás, a PC oldali fogadást és kommunikációt is fel kell építeni. Itt az a kérdés, hogy ezt hogyan gondoltad, milyen felületen fogod előállítani azt a fájlt, amit az Excel kezelni tud. Ha nekem kellene csinálni, én virtuális soros vonalat használnék USB-n keresztül, és LabView-val építeném fel a virtuális műszert, mert ezeket ismerem, ezekhez férek hozzá. Háromfázisú motorok vizsgálatakor, érdekes lehet a hatásos és meddő viszonyok alakulása. Ha mérőrendszert építesz, ezt az opciót is érdemes lenne beleépíteni. Mivel a tranziensek gyorsan lezajlanak, ha lehet, akkor én periódusonként képeznék legalább egy mérési eredményt. Ha ez túlterhelné az adatgyűjtést, akkor meg legalább a 0,5sec-es RMS-hez még az egy periódusra vonatkoztatott max. és min. értéket is képezném. Váltakozó áramok mérésére én egy másik áramváltót alakítottam át, régi Csehszlovák gyártmányú PK200-asokat tudtam olcsón venni. Ezeket 10R-mal lezártam (így szintén 1A/1mV-os érzékenységet kaptam), árnyékolt kivezetéseket tettem rájuk, és így elég jól tudom használni.
Köszönöm az eddigi tanácsokat!
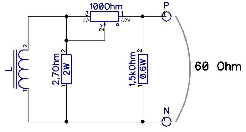
Szétbontottam a műszert, hagyományos áramváltót tartalmaz egy 2,7 Ohmos lezáró ellenállással, illetve egy feszültségosztóval, így a kimeneti ellenállása 60 Ohm, a mellékelt képen látszik a kapcsolási rajz. A jel küldéséhez soros kommunikációt szoktam használni egy MCP2221 típusú IC segítségével USB-n keresztül. A LabView jó ötlet, azt én is ismerem. Egyébként jegyzettömbbe már írtam adatokat soros vonalról, amit át tudtam konvertálni Excelbe, bár az macerásabb. Érdemes lenne a lezáró ellenállás értékét változtatni és a kimeneti ellenállást 60 Ohm-on tartani?
A jel-zaj viszony szempontjából a minél kisebb kimeneti ellenállás a jó, ezért én a 2,7 ohmos ellenállásról vezetném ki a jelet, ha az ellenállás az áramváltóban marad. A gyári kalibrálást így kihagyod, de úgy is több ponton lesz lehetőséged a mérést újra kalibrálnod. Esetleg kicserélheted 0,1%-os ellenállásra a lezáró ellenállást, vagy kiválogatsz 3 egyforma értéket, hogy egyforma pontosak legyenek.
A lezáró ellenállás változtatása, vagy áthelyezése is megfontolandó. Ha úgy alakítod ki a konstrukciót, hogy egy dobozba érkezik a három áramváltó jele, amibe a mérő-feldolgozó egységet helyezed el, akkor az áramváltó lezáró ellenállását célszerű lenne a dobozba áthelyezni. Hogy biztosan ne legyen baj, néhány sorba kötött antiparalel diódával lezárhatod az áramváltóban belül a tekercset. Ebben az esetben is árnyékolt vezetéket használnék. Ha egy erős nagyságrendet emelnél a lezáró ellenálláson (50-100R), akkor nem kellene erősítő, közvetlenül ráköthetnéd az ADC bemenetére (kb. +-300-600mV lenne a mérendő jel). Ha pedig egy áram-feszültség átalakítóval, vagy egy negatív impedanciával zárod le, akkor a pontosságon lehet valamit javítani (csökkented az áramváltó teljesítmény terhelését, kevésbé használod ki a vasat). Idézet: „Ha egy erős nagyságrendet emelnél a lezáró ellenálláson (50-100R), akkor nem kellene erősítő, közvetlenül ráköthetnéd az ADC bemenetére (kb. +-300-600mV lenne a mérendő jel)” Szerintem 50R lezárás esetén ~7W disszipálódna el, és 18V feszültség esne rajta..., ami teljesen felesleges! Ráadásul a vasmag sem bírná ezt, valószínűleg telítésbe menne, de ha esetleg nem, akkor is akkora nemlinearitást vinne be, ami mérésre alkalmatlan lenne már... Én max 5R-es ellenállást tennék bele, így kb 2V-os feszültség nyerhető ki belőle közvetlenül, ami már kényelmesen kezelhető sima mikrovezérlővel is(felbontás kérdése csak, elég e egy 10-12bites AD)
Azért lenne megfelelő a nagyobb ellenállás érték is, mert nem lesz kihasználva a teljes tartományban (1000A) a lakatfogó, maximum 50A-ig.
Egyébként, ha változtatok a lezáró ellenállás értékén, akkor hogyan tudnám megfelelően kalibrálni a műszert?
Kell egy pontos áramérő, egy váltakozó áramú tápegység (mondjuk egy néhány volt szekunder feszültségű transzformátor egy megfelelő áramkorlátozó ellenállással).
Ha mondjuk 1A körüli áramot tudsz létrehozni, akkor a mérendő lakatfogód méréshatárának megfelelő menetszámot fűzöl át rajta (20A, 20menet). Leméred pontosan az áramot, és visszaméred a lakatfogó lezáró ellenállásán feszültséget. Ha eltérő értéket mérsz, változtatsz a lezáró ellenálláson, vagy csak figyelembe veszed a további számolás folyamán.
Ha csak 50A a cél, akkor kb 20x-ára lehet növelni a lezáró ellenállást, ugyanakkora kimenő feszültség esetén.
A kalibrálás egyszerű, ha kéziműszerhez használnád, akkor az eredeti kapcsoláshoz hasonlóan a potival állítod be a végkitérést, ha saját mérőműved lesz, akkor nyilván ott akár szoftveresen is meg tudod ezt ejteni... |
Bejelentkezés
Hirdetés |












