Fórum témák
» Több friss téma |
Amazon. Bővebben: Link
Hali!
Kérek valakit. Ez a kapacitás jelző kis szerkezet hol szerezhető be? Mi a pontos neve? Kép.
Sziasztok! 100w led drivert merre kapok többek közt ha lehet magyarországon. 32-37v 3A verziós kellene, ebayen legtöbbje csak vágottszemű barátainktól van, az meg ezer év, és mellé vagy ideér vagy nem.
Talán ezt keresed: HEStore.
Megnézem hátha maradt még nekem.
Nem ígérek semmit de ennek a töredékéért.
Bővebben: Link Talán ez jobban hasonlít rá.
Nem, ez nem az amit keresek, nekem rendes kimondottan led driver kell, dc dc konverter nem jó amit linkeltél, mivel hálózati feszültségről üzemelő driver kell.
Akkor itt: Bővebben: Link.
Üdv mindenkinek!
Mostmár egy ideje próbálkozom Budapesten PTFE kábelt találni, de ezidáig csak zsákutcába futottam. Ahol találtam ami kellene, ott nincs raktáron és csak 100 méteres tekercsben rendelhetném meg. Nekem pár méter kellene csak. 20-22-24-26-28-30 AWG méretekből kellene 2-2 méter, főleg fekete színben, csak a 20-22-ből kellene piros is. Tudja valaki mi az oka, hogy ilyen nehéz ezeket a kábeleket beszerezni itthon? Vagy esetleg hol kaphatnék mégis, lehetőleg egy helyen, hogy ne kelljen körberohangálni a várost? Előre is köszönöm a válaszokat.
Itt az apróban kb 50m van eladó (Csak klikk a linkre)
A hozzászólás módosítva: Jan 22, 2020
Köszönöm! Mindenesetre továbbra is misztikum miért ennyire bonyolult itthon ezt beszerezni. De akkor marad az Aliexpress.
Ennek a vibrációs alakformálónak az egyik görgőjén a gumi felrepedt, tudtok-e valamilyen görgő-gyártóról, gumijavítóról? A csapágyfelirat, ha jól olvasom: GODIRS más adat nincs rajta. Görgő mérete: átmérő 74 mm, vastagsága 25 mm, A görgőbe sajtolva csapágy belső átmérője 12 mm.
Köszönöm, ha tudtok segíteni! A hozzászólás módosítva: Jan 29, 2020
Én korábban gőrkorcsolya kereket használtam, pl ezt. Ebbe még kell csapágyat venni, vagy a régiből átrakni.
Köszönöm, nem rossz! Sajnos, látható a csapágy körüli műanyagbetéten egy repedés, ennek a betétnek belső része többszintű, szerinted elég lenne csak a gumi felújítása?
A görkori pontos méretét kellene megtudnom...
Sziasztok!
Egy LG 32LB550B televízióhoz keresek mainboard-ot, típusa EAX65361505. E-bay -on találtam már eladót, de nálunk esetleg nem lehet kapni valahol? Az itteni áruházakban ami véletlenül is árulta, nincs készleten. Vagy valakinek itt nincs eladó? Előre is köszönöm a segítséget!
Elektromos rovarölőkhöz kicsihez nagyhoz, bolhairtó fésűhöz fegyverzetet, plazma öngyújtóhoz tekercset, régi pákákhoz fűtőszálat hol lehet venni?
Milyen "régi pákához"? Van 1-2 kész betétem (gyári).
A hozzászólás módosítva: Jan 31, 2020
Nagyon régi. Különböző méretűek. Van kicsi, meg nagy fanyelű.
Sziasztok!
Keresem a BD7677FJ-GE2 kapcsolóüzemű táp IC beszerzési forrását. Nagyobb forgalmazóknál nem találtam. (farnell, lomex, ret, hq, ebay, tme, stb.) Előre is köszönöm!
Két ESTO gyártmányú asztali lámpám is van. Egyikben bizonytalanná vált a hálózati kapcsoló. Nem tudok rájönni ki gyárthatja vagy Magyarországon ki forgalmazhatja ezt a típust. Kiszedve most találkoztam ilyennel először, és szeretném ugyanilyennel helyettesíteni, mert a lámpa alja túl vékony.
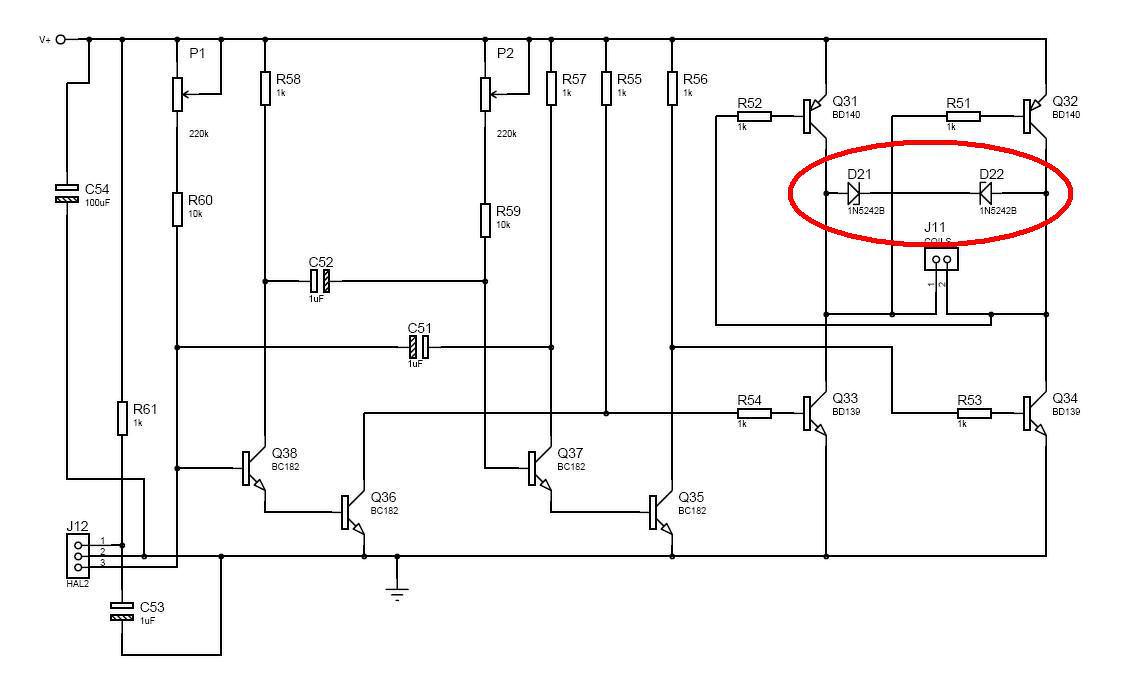
Sziasztok !
Segítséget kérek tőletek. A képen bejelölt dióda (1N5242B) hol kapható Budapesten ? Esetleg ebben a kapcsolásban (Wand óra nyelv oszci) mivel helyettesíthető ? Köszi előre is. A hozzászólás módosítva: Feb 20, 2020
Ne mondd, hogy nincs 2 db. 12 V-os zénered. Adatlapja szerint nem túl "spéci".
Szia Kálmán!
Ismered ezt a kapcsolást ? Nem tudom, hogy miért van ez a típus megadva. Lehet, hogy tudatosan ez kell bele ? - és hogy miért nem választottak kommersz típust ? |
Bejelentkezés
Hirdetés |















