Fórum témák

» Több friss téma
Fórum » Elektronikában kezdők kérdései
- Ez a felület kizárólag, az elektronikában kezdők kérdéseinek van fenntartva és nem elfelejtve, hogy hobbielektronika a fórumunk!
- Ami tehát azt jelenti, hogy a nagymama bevásárlását nem itt beszéljük meg, ill. ez nem üzenőfal!
- Kerülendő az olyan kérdés, amit egy másik meglévő (több mint 17000 van), témában kellene kitárgyalni!
- És végül büntetés terhe mellett kerülendő az MSN és egyéb szleng, a magyar helyesírás mellőzése, beleértve a mondateleji nagybetűket is!
Lapozás: OK   233 / 4062
(#) Moderátor hozzászólása wg_kezdo hozzászólására (») Máj 30, 2008
 
Nyithatsz egy topikot ennek a programnak! De az csak erről az egy programról szóljon és semmi más egyébről!

Meg nyilván valami ésszerű és értelmes nevet kéne találni a topiknak is, pl. Próbapanel szimulátor vagy valami ilyesmi, persze más neve is lehet, ha az találóbb...
(#) _JANI_ válasza wg_kezdo hozzászólására (») Máj 30, 2008 /
 
Az alapötlet nagyon jó! Minden elismerésem!
Egyszerü "huzalos" áramkört 3 perc alatt meglehet tervezni!
Szerintem mindenképp megérné fejleszteni! :yes:
Nemtudom az menyire megvalósítható, hogy a hiányzó alkatrészt - alkatrészeket, egyénileg meg lehessen tervezni, rajroni. Aszthiszem nem lenne rossz ha az alkarészkönyrá megosztható lenne! Ezzel a hiányzó alkatrészeket gyorsan lehetne pótolni cserélni. De ez csak egy ötlet.
(#) joci89 hozzászólása Máj 30, 2008 /
 
Jó estét!
Kellene egy kis segítség :thumbup
Valószínüleg valami zárlatos az autómban
Egy Ford Mondeoról van szó (remélem ezt nem baj hogy ideírtam ha igen akkor bocs) és egy áramkörbe van kötve (gondolom) a kürt,az elakadásjelző,és a ködlámpa.
Hogy derítsem ki hogy melyik zárlatos??
Ha teszek bele egy biztosítékot ami 15 A gyárilag akkor az elakadásjelző működik egy darabig aztán elég a bitzosíték!
Valaki segítsen
Köszönöm..
(#) proli007 válasza joci89 hozzászólására (») Máj 30, 2008 /
 
Hello!

Tegyél a bizti hellyére egy refi izzót, akkor nyugodtan keresheted a hibát.
Az izzók kiszedhetők,a kürt előtt csatlakozó szokott lenni.

üdv! proli007
(#) wg_kezdo válasza _JANI_ hozzászólására (») Máj 31, 2008 /
 
Nyitottam a szoftvernek egy új topicot:Próba panel tervező szoftver

(#) (Felhasználó 16772) hozzászólása Máj 31, 2008 /
 
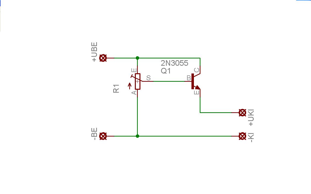
Sziasztok!

Egy 9.6V-os kézifúró motorját szeretném hajtani 12V-ról. Ez a kapcsolás jó hozzá? Azt tudom, hogy tranzisztornak valamilyen nagyobb kell( pl.: 2N3055), de potméternek kb. mekkora kell és hány W-os?

Köszi
Üdv.

névtelen.JPG
    
(#) (Felhasználó 16772) válasza (Felhasználó 13571) hozzászólására (») Máj 31, 2008 /
 
Szia!

De nekem csak a motor maga van meg, az egész gép( kapcsoló...stb.) nincs. Így mit tegyek, hogy 12V-ról tudjam használni?
(#) (Felhasználó 16772) válasza (Felhasználó 13571) hozzászólására (») Máj 31, 2008 /
 
Még nem tudom. Valamit majd biztosan fog hajtani, csak még nem tudom, hogy mit. Majd idővel kiderül, hogy mihez fog kelleni.
(#) skoda555 hozzászólása Máj 31, 2008 /
 
Sziasztok! Érdeklődő jelleggel kérdezek még egyellőre.

Erősítőkön/hifiken szokott lenni a tekerőgombok mögött háttérvilágítás. Leginkább kék. Ezt hogy lehet megoldani házilag?
Illetve láttam már olyat is, hogy csak a tekerőben volt vmi fényforrás, ugye hogy lássuk sötétben, milyen állásban van pl. a hangerőszabályzó. Ez is érdekelne.
Képeket nem találtam sehol, próbáltam keresni.
Köszönöm a válasz(oka)t!
(#) vicsys válasza skoda555 hozzászólására (») Máj 31, 2008 /
 
Körben plexi csík, hátulról megvilágítva.
A gombban led, dróttal bekötve, de ennél elegánsabb ha a lednek körívben csúszóerintkezője van.
Szerintem...
(#) skoda555 válasza vicsys hozzászólására (») Jún 1, 2008 /
 
Plexi... tényleg! Nagyobb átmérőjű lyuk kivágva, mögé plexi, azon át a potméter és ráhúzva a tekerő... Eszembe se jutott eddig.
A másikra én is így gondoltam el.

Esetleg képetek nincs ilyenekről? Csak hogy mégis lássam, mert csak emlékeim voltak.

Ja és köszi!
(#) szaky27 hozzászólása Jún 1, 2008 /
 
Helló

Azt szeretném kérdezni hogy ebben a kapcs rajzban a 4N33-as optokapcsolót 4N25-össel lehet helyetesíteni?
Még annyi hogy a kapcsolásnak 48 ledet kéne egyszerre villogtatni.

A válasz(ok)at előre is köszi!!
(#) Imi65 válasza szaky27 hozzászólására (») Jún 1, 2008 /
 
Én már azt sem értem, miért kell ebbe optocsatoló...
(#) szaky27 hozzászólása Jún 1, 2008 /
 
Nem tom még kezdő vagyok és ezt a kapcsolást ajánlották. Elöször megcsináltam az alap 2 ledes villogót és arra simán rákötöttem a 48 ledet amiket párhuzamosan kötöttem össze. A fénye eléggé halvány lett. És ezt a és ezt azz optokapcsolós megoldást ajánlották. Csak aza baj hogy 4N25-set kaptam és nem tom hogy az is megfelel-e a célra.
(#) zolee1209 válasza szaky27 hozzászólására (») Jún 1, 2008 /
 
A 4N25-ös optocsatiban sima tranzisztor kimenet van, míg a 4N33-ban darlington-tranyó van a kimeneten. Ennek nagyobb az áramerősítése. De szerintem kipróbálhatod azzal is, ami neked van!
(#) nandi86 hozzászólása Jún 1, 2008 /
 
Sziasztok ! Nekem olyan kérdésem lenne hogy amikor kikapcsolom a gépet mindig ki ír két dolgot, az egyik hogy az ablak kezelő működik nem tud be zárni valamit vagy valami ilyesmi, a másik meg 3,5 hajlékony lemez meghajtom nincs a gépen de az egyik frissítés után megjelent a parancs ikonja és azóta mikor kikapcsolom mindig kiírja nem működik meg hogy lehet hogy nyitva van az ajtaja? Mit lehet ne vele csinálni?
(#) Moderátor hozzászólása nandi86 hozzászólására (») Jún 1, 2008
 
Én pedig azt szeretném megtudni, hogy amikor ide regisztráltál, akkor láttad-e, hogy milyen fórum ez?
Szerinted ez egy számítástechnikai fórum?
(#) levii hozzászólása Jún 1, 2008 /
 
Sziasztok!
Ma nézelődtem a Hestoreben és ezt
találtam.
Az lenne a kérdésem hogy ez mire jó vagy hol használnak ilyent

Üdv!
(#) Imi65 válasza levii hozzászólására (») Jún 1, 2008 /
 
Ez egy olyan eszköz, ami jelentős túlfeszültség hatására átüt, és levezeti azt. 20kA az eszköz levezető képességét jelzi.
(#) levii válasza Imi65 hozzászólására (») Jún 1, 2008 /
 
Köszönöm a gyors választ!
Egész másra gondoltam...
Üdv!
(#) proli007 válasza szaky27 hozzászólására (») Jún 1, 2008 /
 
Hello!

Az Imi-nek igaza van, a 4N25, majd jó lesz másra. Nem kell ide optocsatoló.

Megrajzoltam, mert látom tanácstalan vagy. A Led-ek elé, viszont illik előtét ellenállást tenni! Én nem nagyon szeretem az egyszerű párhuzamos kapcsolást, de Te tudod. A kis BD140-el, kb. 1A-ig el lehet menni.

üdv! proli007

MULTIVIB.jpg
    
(#) Soulskater hozzászólása Jún 2, 2008 /
 
Sziasztok!

Mivel lehetne az előfúrt próbanyákon "ízlésesen" összekötni a pontokat??
(#) feki00 válasza Soulskater hozzászólására (») Jún 2, 2008 /
 
Én lecsupaszított drótot használok, Kezdőhelyhez odaforrasztom és szépen sorba kevés ónnal a többihez amíg el nem érek a végig.
(#) Frankye válasza Soulskater hozzászólására (») Jún 2, 2008 /
 
Két megoldás van:
1.) Az alkatrész-oldalon vezetett vezeték-darabokkal (célszerűen: szigetelt vezetékekkel)
2.) A fólia-oldalon összehúzni forrasztó ónnal a pontokat. (Esetleg ehhez is használhatsz csupasz vezetéket, vagy levágott alkatrész-lábakat, így könnyebb összehúzni a pontokat.)

Szerk.: feki00 beelőzött...
(#) wg_kezdo válasza Soulskater hozzászólására (») Jún 2, 2008 /
 
Én gémkapcsolat használtam hozzá, nagyon durva? .
(#) fureszk válasza wg_kezdo hozzászólására (») Jún 2, 2008 /
 
eléggé. levágott alkatrészláb praktikusabb!
(#) wg_kezdo válasza fureszk hozzászólására (») Jún 2, 2008 /
 
Nagyon kezdő vagyok nem volt még levágott alkatrészlábam.

Amúgy miért durva? Nekem nagyon kényelmesnek tűnt.
Kicsit vastagabb, de hát.....

Az NE555-s kapcsolásom akkor meg sem említem
(#) zolee1209 válasza wg_kezdo hozzászólására (») Jún 2, 2008 /
 
Okés, hogy gémkapocsot használsz erre a célra, de nem értek valamit. Annál hogyan oldod meg az elektronikai kontaktust? Annyira összepréseled, hogy az jó legyen? Mert szerintem azt nem lehet forrasztani... (bár láttam már rézből készültet)
(#) wg_kezdo válasza zolee1209 hozzászólására (») Jún 2, 2008 /
 
Nos ez jó kérdés nekem simán vezeti az áramot és szépen "oda is ragad", ha forrasztom. Igaz ez tesco gazdaságos, de tökéletesen bevált , ahogy méregettem az ellenállása sem valami nagy.
(#) GyuszMo hozzászólása Jún 2, 2008 /
 
melyik 12Vos Stabkockák van hővédelme
és hány °C kapcsolja le a feszültséget a kimenetéről?
Következő: »»   233 / 4062
Bejelentkezés

Belépés

Hirdetés
XDT.hu
Az oldalon sütiket használunk a helyes működéshez. Bővebb információt az adatvédelmi szabályzatban olvashatsz. Megértettem