Fórum témák
» Több friss téma |
Oda jó lehet a sima poti is, ha biztosított a beállítása és hogy nem fordul körbe. Akkor sem, ha " megbolondul" a szervó. De ezeket csak a tisztánlátás érdekében írtam, meg kell győződni, hogy biztosan rossz-e poti. Mert az még úgy látom nem tudható 100%-ra. Addig ez csak polemizálás lesz..
Rendben holnap rámérek és írom mit mértem. Ha nem lesz jó megkérlek titeket segítsetek a megfelelő poti kiválasztásában linkel vagy bármivel mert sajnos ehhez a részéhez annyira nem értek... Köszönöm!
Megtörtént a mérés 2.15k fölé nem megy akármerre tekerem. A mellékelt képen lévő poti jó lehet erre a célra?
Ha befér, jó. De a tengely lelapolását Neked kell kialakítani. Tehát ellenőrizni kell, hogy a poti véghelyzetéhez képest (műszerrel mérve mert körbeforgatható) hány foknál van. Hogy beépítve azonos helyzetben azonos ellenállást mutasson a poti. Különben máshova fog a szervó pozicionálni.
A hozzászólás módosítva: Aug 1, 2018
Rendben, köszönöm szépen a segítséget!
Üdv! Segítséget szeretnék kérni potméterrel kapcsolatban, van egy kererőm amibe 2db potmétert kellene cserélnem viszont sehol nem találok megfelelőt. Ebbe kisebb fajta egysoros sztereo kék potik vannak. Van esetleg valakinek ötlete hogy hol lehetne beszerezni? Köszönöm.
Itt: Bővebben: Link.
Csatolom hogy mik vannak benne...
Sok elektronikai boltban voltam de sehol nem volt megfelelő
sSziasztok! Llenne egy kis problémám: a 2.1-es_Llogitech hangfalnak a potmeétere ketté van repedve.
Kérdésem, hogy cserélhetem-e más típusra, aminek kevesebb lába van. Egyáltalán milyet keressek? Ez egy "kukázott" 2.1, ha cserélhető nagyobbra/más típusra, minden érdekel. Nnem kell a helyére forrasztani, megoldom hogy más helyen legyen, ahol elfér ![]() Azét több, mint 8 évvel a regisztráció után nem kellene ennyire hanyagul írni! A hozzászólás módosítva: Feb 2, 2019
Moderátor által szerkesztve
Ha már kijavítasz valamit akkor írj helyesen
![]() "Azért"
Sziasztok!
Egy BEAG erősítőben adott egy törött fémházas potméter, melyet ki szeretnék cserélni. A jelölése 2XM10A. Ez 100K-nak néz ki, de lineáris vagy logaritmikus poti? A hozzászólás módosítva: Okt 3, 2019
Szia!
2x100 kohm lineáris...( ha nem a hangerő poti ). A hozzászólás módosítva: Okt 3, 2019
Köszi!
Nem, nem a hangerő. Hangszínszabályozó potija.
Akkor nyugodtan vehetsz lineárist.
Melyik kellene? A 3 lábú vagy a 6 lábú?
Nekem van otthon néhány az elektromos kacatosban (igaz, azok mind bontásból származnak, tehát használtak) no meg - az ellenállás-értékekre sem tudom azt mifélék - ám ha esetleg érdekelne ... Ha egy poti recsek, mert pl. KH-s (magyarul - kontakt-hibás), van egy jó módszer a javítására. Próbálj meg valahol szerezni Ruwido pasztát (régebben még volt nekem is), ami valami (a Ruwido cégnél direkt erre a célra kifejlesztett) enyhén sárgás színű zselé - ami seb-benzinben van oldva. Azzal kell a szénpályákat bekenni, a többi dolog már a paszta dolga.
A "A" jelzés a lineáris, a "B" jelzés a logaritmikus potméterek egyik jellemző adata.
Létezik még mellettük a "C" jelzésű is, de az már eléggé speciális, az osztott potikra jellemző, de általában azok is mind logaritmikusak. A lineáris jó bárhová (pl. hangszínszabályzóba), míg a logaritmikus csakis hangerőszabályzóba (az emberi hallás, a fül karakterisztika általában logaritmikusan működik.) A hozzászólás módosítva: Okt 4, 2019
Sziasztok, segítségeteket szeretném kérni. Adott egy Denon PMA-100M erősítő. A volume potméter csak a felétől adott hangot, nyomásra szólt rendesen aztán egyik fele masik fele. Szoltam az eggyik barátomnak nézzen már rá, nekem nemvolt kedvem vele foglalkozni. Aztán a kis lemezt amit forgat a házban szépen eltörte. Szóval szeretném tudni, mivel tudnám pótolni a rossz potit. Nemvagyok profi semmi ilyesmi, de azert még forrasztani tudok. Annyi van ráírva hogy: 828g 100kx2 , angol forumon olvastam hogy elvileg ez egy stereo poti amibe benne van a loundless is. (8pin) Valasztotokat előre is köszi
Képet csatolom miről lenne szó.
Üdv!
Van egy ősrégi Harman Kardon PM665 vasam. Szinte az össze poti, kis átkapcsoló kontakthibás. Megvan kb. 10-15 éve, alig használom, de jó lenne ütőképessé tenni. Nem könnyű a szerveihez hozzáférni, van csodaszer, hogy csak befújom és meggyógyul, vagy boncmester szerelő kell hozzá?
A befújom és meggyógyul nevű csodaszer olyan nincs. Az oxidáció ellen még lenne csodaszer, csakhogy ezeknél ebben a korban már az a kisebbik probléma. A nagyobbik a használatból adódó kopás, meg a leszedő rugóerejének gyengülése, arra meg semmilyen csodaszer nincs, csak a csere.
Sziasztok!
Potikkal kapcsolatosan lenne két kérdésem :U : 1. Van egy hangerő szabályzó (B50K) ami kb 1-5%-on es 95-100% recseg (mármint amikor ezen értékek között változtatom a hangot), ezt mi okozhatja? :F Esetleg cserével megoldódna? A potit próbáltam izopropil alkohollal kitisztítani, de semmit nem ért (tehát valószínűleg nem piszkos) 2. Van 1-1 bass es treble szabályzó poti (B10K), ezek viszont közép állású (center detent) fajták. Mivel ezekhez sose nyúlok nyugodtan kiforraszthatom? Gondolom, ha közép állásba van a tekerő akkor csak simán továbbengedi a kapott jelet, tehát ha kiforrasztanám (és nem raknék helyére semmit) akkor ugyan azt a funkciót töltené be mintha középállásba használnám? Előre is köszi a segítségeket
Hello!
- Ha tisztításra nem javul, akkor csere. - Egy hangszínszabályzó úgy engedi át a jelet, hogy nem változtatja meg a frekvencia menetet, de ettől még áthalad rajta. Így a poti ellenállásaira szükség van. De teendő sok mindentől függhet, legfőképpen a hangszínszabályzó kapcsolásától. Tehát ha pld. lineáris a poti (középhelyzetbe állítva a középkivezetéshez képest jobbra-balra azonos ellenállás értéket mutat, itt pld. 5k) akkor két 5,1k-s ellenállással helyettesíthető a poti. Másik lehetőség az egész fokozat kiiktatása. De ha ilyeneket kérdezel, az számodra még nem fog menni. A középállásban a "kattanás" csak egy mechanikai jelzés.
Köszi a válaszod!
A potit majd kimérem. Az ellenállást melyik lábakhoz kellene kötni? (a poti dual, azaz 2x3 lábas)
Ha ki tudod mérni, tudni fogod, mert a középkivezetés és egyik végpont, valamint a középkivezetés és másik végpont közé. A két végponton ha mérsz, akkor a poti állásától függetlenül a végértéket (10k) kell kapjál. Természetesen sztereó rendszernél, két együtt-futó, de különálló poti van, ezért van a 2*3 láb.
Ha jól értem akkor 4db ellenállásra lesz majd szükségem? (/poti)
Jelentem, egyelőre minden 100%-os lett.
Vettem egy ilyen szettet. Ha valakinek kedve támad beszerezni, nézzen utána, mert "egyes kutaknál...eltérés is lehet." Szóval 2.200.-Ftos különbséggel is találkoztam.
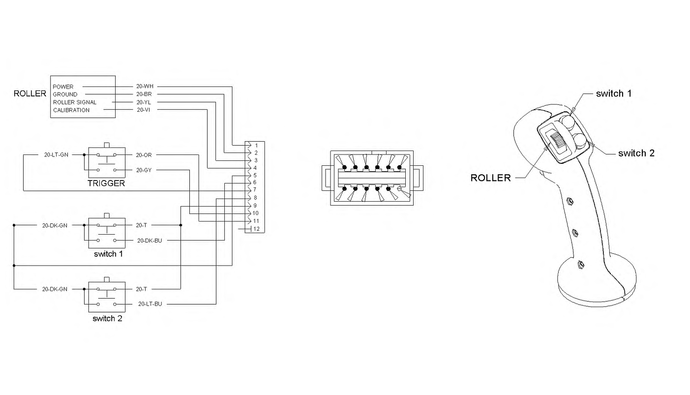
Adott egy munkagép, ilyesmi a joystick kapcsolási rajza. A potméter nem kapcsol be semmilyen funkciót, hogyan tudom kimérni hogy az-e a hibás benne vagy máshol keresendő a hiba?
Az nem biztos, hogy poti. Körbe lehet tekerni ( többet mint 360 fokot)?
Ha igen, akkor az jelado azt nem igen tudod kimérni. Valoszinü valami elektronika is van ott, mert több vezeték megy oda mint kell.
Egy darabig jó lesz...
Ezt a kört ezzel a szettel már megfutottam. Nekem a még nem teljesen halott potikra egy másik szer vált be, de annak a megnevezését meghallva sokan sikítófrászban törnek ki, így inkább le sem írom a nevét... Amúgy, Gyurinál a Flash-ben van direkt potenciométerhez való kontakt spray is.
- Megérkezett a poti és kicseréltem, így már csak 1-2%-nál és 99-100%-nál recseg (azt is halkabban), gondolom "kintről" szedi össze valahonnan ...
- Megmértem a B10K-s potikat és középállásba ezeket mértem: (5,06Kohm / 4,65Kohm), végállásba (0,00Kohm / 9,58Kohm). Akkor ide nekem milyen ellenállásokat kellene vásárolnom, hogy fixáljam a középértéket? 5Kohm? ![]() Előre is köszi |
Bejelentkezés
Hirdetés |



















