Fórum témák

» Több friss téma
Fórum » Quad 405-ös erősítő tapasztalatok és hibák
Lapozás: OK   382 / 407
(#) Johnny0004 válasza reloop hozzászólására (») Feb 1, 2020 /
 
Ebben azt látom hibának a VG1 és VG2 szemben dolgozik egymással a rajz szerint (+-), akkor a szinuszjelüknek nem egyformának kell lenniük hanem az egyik mindig a másik ellentéte.
(#) Alkotó válasza Johnny0004 hozzászólására (») Feb 1, 2020 /
 
Ezt így nem tudom értelmezni. Ahová felírtad a + és - jeleket, ott váltakozó feszültség van. A két soros kondit fel kell tölteni, függetlenül attól, hogy a közepét is bekötöd vagy sem.
(#) Johnny0004 válasza Alkotó hozzászólására (») Feb 1, 2020 /
 
Az alsó kondit az alsó tekercs tölti fel.
(#) (Felhasználó 122012) hozzászólása Feb 1, 2020 /
 
Szerintem fessétek meg az áramkörben folyó áramot (mintha folyadék lenne), és látjátok, mi merre és mennyi folyik ... és az erősítő hangzása másképpen alakul (csak az emberi fül - no az a felhasználó, az majd kiválasztja, mit akar hallani)
(#) Alkotó válasza Johnny0004 hozzászólására (») Feb 1, 2020 /
 
Itt nincs alsó meg felső tekercs. A két soros tekercs tölti egy hídon keresztül a két soros kondit. Az szinte mellékes, hogy a tekercs közepét és a kondik közepét összekötöd-e vagy sem.
(#) Karesz 50 válasza Johnny0004 hozzászólására (») Feb 1, 2020 /
 
Ezt is rosszul rajzoltad és az előző rajzokból is hiányzik a terhelés és az azon átfolyó áram.
Egyszerű "Móricka rajzon" próbáltam szemléltetni a különbséget amin könnyű eligazodni.
(#) Johnny0004 válasza Alkotó hozzászólására (») Feb 1, 2020 /
 
Szerintem pedig van mivel a tekercs közepe 0 pont lesz így nem folyik körbe az áram. A két tekercs felváltva tölti a kondikat. Ez benne a lényeg. Ha nem kötjük össze a közepét akkor a két tekercset se kösdd össze képzeletben akkor két egyutas egyenirányítást kapsz.
(#) Johnny0004 válasza Karesz 50 hozzászólására (») Feb 1, 2020 /
 
Azt Te rajzoltad rosszul megmutattam mi van a Te rajzodon.
Olvasdd el figyelmesen.
A hozzászólás módosítva: Feb 1, 2020
(#) Karesz 50 válasza Johnny0004 hozzászólására (») Feb 1, 2020 /
 
Köszönöm, majd megtanulom tőled az alapokat, feltéve ha segítesz ebben.
(#) Johnny0004 válasza Karesz 50 hozzászólására (») Feb 1, 2020 /
 
Hát már jó lenne. Mert ezt a rajzot mutogatod egy ideje.
(#) Karesz 50 válasza Johnny0004 hozzászólására (») Feb 1, 2020 /
 
Akkor most rajzold fel az egy és a két Graetzes kapcsolás összes áramát, a vezetékek ellenállásain eső feszültségeket az egyik töltési periódus alatt és ezzel együtt a terhelésen folyó áramot, valamint a terhelésig eső feszültségeket! Várom! Aztán majd ezt a rajzot fogjuk mutogatni mindenkinek.
(#) Karesz 50 válasza Alkotó hozzászólására (») Feb 1, 2020 /
 
A töltési periódus alatt a terhelés árama nem a pufferből folyik (a rajzod szerint sem lehetséges ez, hiszen szembe folynak egymással az áramok) hanem a tápegységből. A tápegységnek a töltési periódus alatt egyidejűleg szolgáltatni kell a minkét áramot.
(#) Johnny0004 válasza Karesz 50 hozzászólására (») Feb 1, 2020 /
 
Itt ez a probléma megint elindítod a személyeskedést a múltkor már kiosztottak ezért rendesen. Arról volt szó megbeszéljük normálisan, mert lehet sokakat érdekel valóban hogyan működik. Én csupán annyit írtam a rajzod hibás volt hiszen egy tekecshez két anód két katód kapcsolódott.
Rendben reggeli után lerajzolom ha normálisan folytatjuk, nincs kedvem végeláthatatlan személyeskedő vitákba belemenni.
(#) Alkotó válasza Johnny0004 hozzászólására (») Feb 1, 2020 /
 
Ha javaslatod szerint nem kötöm össze sem a puffereket sem a tekercseket, akkor elveszítjük az alapfelállást, és megkapjuk a külön tekercseket + külön diódákat + külön kondikat, csak nem dupla diódahíd lesz, hanem dupla egyutas egyenirányítás.
Na de ha jól értem a motivációkat, akkor éppen a dupla kialakítás értelmét próbálod megkérdőjelezni.
(#) Alkotó válasza Karesz 50 hozzászólására (») Feb 1, 2020 /
 
Igen. Értem. Igazad van.
(#) Johnny0004 válasza Alkotó hozzászólására (») Feb 1, 2020 /
 
Nem pont hogy nagyon okos elgondolás. Az egyik periódusban a felső tekercs tölti a felső kondit, az alsó az alsót. A másik periódusban viszont a felső az alsó kondit tölti az alsó tekercs pedig a felsőt. Így két egyutas egyenirányítóból kétutas egyenirányítás lesz.
(#) Karesz 50 válasza Johnny0004 hozzászólására (») Feb 1, 2020 /
 
Idézet:
„Hát már jó lenne. Mert ezt a rajzot mutogatod egy ideje.”


A személyeskedést most sem én én indítom el. (Mellesleg a múltkor annyira kiosztottak, hogy az illetőt kitiltották innen egy évre, viszont priviben elástuk a csatabárdot miután elnézést kért tőlem.)
Veled sem személyeskedek, csak annyit kértem tőled, ha jobban tudod rajzold le a legjobb tudásod szerint és majd azt a rajzot vesszük alapul. Ha elektrotechnikailag meg tudod cáfolni azt a rajzot amit rajzoltam, minden további nélkül elfogadom, hiszen nem is marad más választásom.
(#) Johnny0004 válasza Karesz 50 hozzászólására (») Feb 1, 2020 /
 
Nem volt szép igaz, erre reagáltam.
Idézet:
„Köszönöm, majd megtanulom tőled az alapokat, feltéve ha segítesz ebben.”

Na de hagyjuk ezt. Akkor lerajzolom az én látszatomban, aztán ha nem így van megbeszéljük.
(#) Karesz 50 válasza Johnny0004 hozzászólására (») Feb 1, 2020 /
 
Hidd el nekem, ha akarom rettenetesen el tudom bonyolítani ezt a dolgot. Úgy próbáltam meg ábrázolni, hogy egyszerű legyen a rajz és megértse mindenki miről szól.

Ez csak egy egyutas egyenirányító egyetlen töltési ciklusának néhány fontosabb feszültségének és áramának jelalakja. (Elrémisztésképpen.)
(#) Ge Lee hozzászólása Feb 1, 2020 /
 
Bárki berajzolhatja ide (bizonyos határokon belül) akinek van türelme hozzá amit akar, és máris láthatóvá válik hova és milyen áram folyik. A mezei egyenirányító alapból benne van rajzolni sem kell circuits fül/Diodes/Full-wave Rectifier w/ Filter.
(#) Johnny0004 válasza Ge Lee hozzászólására (») Feb 1, 2020 /
 
Ez jó.
(#) reloop válasza Johnny0004 hozzászólására (») Feb 1, 2020 / 1
 
A szimulátor a generátor kapocsfeszültségét ábrázolja, a hibát máshol követtem el.
A diódát választottam meg helytelenül, az 1N4001 letörési feszültsége túl alacsony a 100 Vpp táphoz. Máris csatolom a javított változatot. A kondenzátoron folyó áram irányváltása azért itt is tettenérhető. A tárgyalt rajzon mindkét áramirányt fel kell tüntetni, csak értelmeznünk kell adott időpillanatban melyik is van érvényben.
(#) Johnny0004 válasza reloop hozzászólására (») Feb 1, 2020 /
 
Értelek, de akkor a VG2-n pont fordított színusz jel van, mint a VG1-en adott pillanatban, hiszen fordított a kapocsfeszültségük? Akkor minden félperiódusban az egyik dióda enged át.
(#) Karesz 50 válasza reloop hozzászólására (») Feb 1, 2020 /
 
Újra rajzoltam, de végül belebonyolódtam.
Nálam az az időpillanat van "ábrázolva" amikor a felső végtranzisztor nyitva van (tegyük fel veszteségmentes), a tápfeszt a terhelésre kapcsolja (egy szinuszjel csúcsértékénél) a diódák vezetnek... a tápegység tölti a puffereket és szolgáltatja a terhelés áramát.

A kérdés: vajon a terhelés árama a GND vezetéken folyik "Sz1" tekercsbe - vagy ahogy most rajzoltam - tölti "C2" puffert és a trafó mindkét szekunder tekercsén folyik?
(#) reloop válasza Johnny0004 hozzászólására (») Feb 1, 2020 /
 
Igen, testhez képest mérve a generátorok ellentétes fázisban dolgoznak, úgy mint a középen megcsapolt szekunder.
(#) Karesz 50 válasza Ge Lee hozzászólására (») Feb 1, 2020 /
 
Ezen a szimulátoron nagyon hamar kiakadtam. Nem tudok rajzolni vele.
(#) reloop válasza Karesz 50 hozzászólására (») Feb 1, 2020 /
 
Szia! Az adott pillanatban terhelés nélkül az ideális áramkörben nem igazán folyhat a GND-n áram. Ha erre rárakom a terhelést, akkor annak árama a pozitív ágban és a GND, valamint C2 között megosztva (ellenállásuk arányában) folyik. Így hirtelen ránézvést. Be kéne kalapálni az egészet a szimulátorba, az eloszlatna minden kétséget.
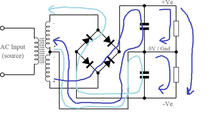
(#) Johnny0004 hozzászólása Feb 1, 2020 /
 
Na rajzoltam.
Elméleti síkon a középpont tökéletes 0, de a gyakorlatban nem, mível semmi sem ideális, így a középpontban lehetnek eltérések, ezért találhatták ki a két hidat. Mondjuk terhelésnél ott sem lesz a középpont tökéletes 0 gondolom.
Tehát itt a tekercsek töltik egyszer a felső a felső kondit, alsó az alsót, majd utána a felső az alsó kondit, az alsó meg a felső kondit.
A hozzászólás módosítva: Feb 1, 2020
(#) Karesz 50 válasza reloop hozzászólására (») Feb 1, 2020 /
 
Abban bíztam, hogy vagy a GND-n folyik, vagy C2-n és majd megmondod a "tutit"...
én meg jól megúszom a bekalapálást
(#) Karesz 50 válasza Johnny0004 hozzászólására (») Feb 1, 2020 /
 
Ez azért nem jó, mert ahova a terhelést rajzoltad, oda a végtranzisztort kell elképzelni, mint vezérelt ellenállást. Vagy a felső vezet (pozitív félperiódus) vagy az alsó (negatív félperiódus). És ekkor a terhelést a GND ágba a legegyszerűbb berajzolni.

A terhelésen vagy pozitív áram folyik vagy negatív. A kettő egyszerre nem.
Következő: »»   382 / 407
Bejelentkezés

Belépés

Hirdetés
XDT.hu
Az oldalon sütiket használunk a helyes működéshez. Bővebb információt az adatvédelmi szabályzatban olvashatsz. Megértettem