Fórum témák
» Több friss téma |
Fórum » Elfogadnám, ha ingyen elvihető
Szervusztok?
Lenne valaki lenne olyan jó fej, hogy ha van elfekvőben, vagy bányászna nekem néhány pár darab Dallas 12287 , 13887, vagy ODIN órachipet utalt postaköltség + 1 sör áráért? Gombelem foglalatot kellene még ráforrasszak, de nem tudom, mennyire sikerül előre.. Egyébként ezen chipeknek mindnek ugyanaz a lábkiosztása?
Sziasztok! A mellékelt képen látható diavetítőnél komolyabb készülékre lenne szükségünk. Nem nekem, hanem 160 óvodás gyereknek. Olyan lenne a legjobb, amely képes közelről is nagyobb képet vetíteni...persze ez nem feltétel. Csupán diatekercseket használnak. A postaköltséget én állom, az ovi lenne a címzett.
Köszönöm a magam és a gyerekek nevében Üdv.:Uniman A hozzászólás módosítva: Feb 14, 2020
Csak egy ötlet telik tőlem: az objektív helyett kellene másikat találni, aminek rövidebb a gyújtótávolsága.
Légy szíves, gondosabban fogalmazd meg, mit szeretnél, és futtass rajta át egy helyesírás-ellenőrzést, mielőtt elküldöd, mert így fájdalmas még olvasni is!
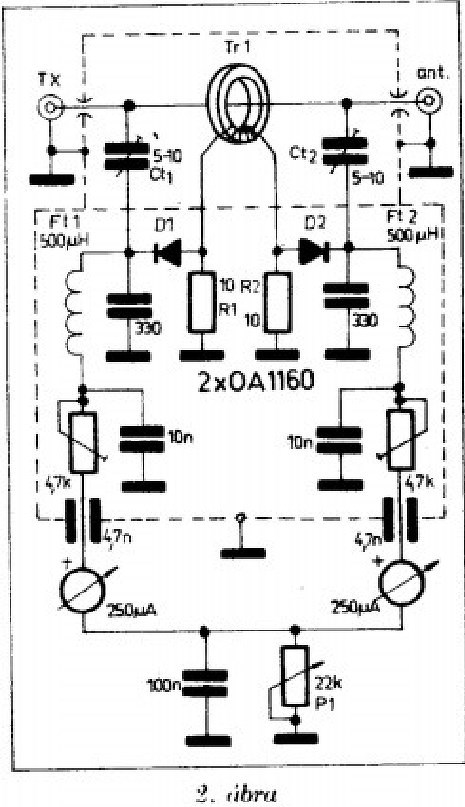
Keresek a rajzon szereplő toroidot ami RH-n használható.
Éppen most hirdetnek a másik topicban ferriteket, nézd meg hátha jó!
Mondanám hogy válogass kedvedre.
Ferrit van ilyen is, olyan is. Általánosan mangán ferriteket használnak, ezek határfrekvenciája néhány MHz, az RH sáv aljára talán jók lennének. Zn anyagú ferritre lenne szüksége, azok határfrekvenciája több 10 MHz is lehet, az használható RH sávban transzformátorokként.
Cserébe viszont elég ritkák.
Pontosan így van. Oda egy 16x8 mm-es kék színjelzésű (N20) lenne a jó.
Helló!Hangkártya kerestetik,csak próba jelleggel is megfelel usb-s is jó(Windows 10 kompatibilis legyen).Ha van valakinek kérem írjon sürgős.Köszönöm
18.kerületben lakom
Esetleg ha valakinek lenne egy dell optiplex 790 sff tápja.....
Nagy segítség lenne.
Helló társak !
Ha van valakinek legalább kettő (vagy négy) darab 1N5242B diódája, megköszönném.
Míért ragaszkodsz ehhez a típushoz? Katalógus szerint mezei 12 V/0,5W Zéner.
Ezért, de lehet hogy igazad van.
Ide én négy fordítva bekötött diódát szoktam használni.
Szerintem rá lehet forrasztani nyák módosítás nélkül is...
Én nem vacakolnék. Ami a fiókban van 0,5-1 W.
Mod: Köszönjük, ha nem trágárkodsz. A hozzászólás módosítva: Feb 21, 2020
Moderátor által szerkesztve
Egy felajánlás már érkezett...de még reménykedünk, hogy lesz még további is.
"Az objektív helyett másikat találni" ...az eléggé esélytelen. Másrészt kevés az izzó teljesítménye(20-30W) a nagyobb méretű képhez, raádásul foltos, nem egyenletes a fénye a mostani műanyag diavetítőnek.
Sziasztok!
Lenne valakinek felesleges: 1 db ISA buszos IDE+ kártyája lehetőleg printer porttal 1 db ISA buszos vga kártyája 1 db rossz alaplapja amiből kiforraszthatok 3 db 16 bites ISA buszt ? vagy egy működő 286-386-486 gép. Egy isa buszos EPROM programozóhoz kellen.
Szia!
Csak kíváncsiságból kérdezem: Ha szerzel egy ISA buszos ide kártyát, printerportot, vga kártyát és mellé 3 db ISA busz csatlakozót, összerakod és rádugod a programozót is. ÉS akkor mit kezdesz mindezzel? Ha van erre valami kapcsolási rajzod, meg tudnád osztani? (Egyébként nem kell 3 db ISA busz, csak egy. Viszont kell 3 db ISA buszhoz használatos csatlakozó. Maga az ISA busz egy szabvány, ami nem csak egy fizikai csatlakozó, hanem az azon megjelenő jelek, időzítések és protokollok...)
Szia Tibor!
Ha ez a masina megfelel, jöhetsz érte Zuglóba. 1db 8 bites,2 db 16 bites és 3db PCI slot van az alaplapon.
Egy DVD lejátszó dobozába összeépítek egy 386-os gépet egy 8bites ISA kártyás eprom programozó kártya szoftverének DOS 6.22 alatti futtatásához. Ide és vga kártyaára lenne szükségem a gép működéséhez. A 3 ISA busz csatlakozóra azért van szükségem mert 1db kell a dobozon kívül csatlakozandó Eprom programozó kártyához, 2 db pedig építenem kell ISA 16 bites bus 90 fokos bővítőt, mert az IDE és VGA kártya csak vízszintesen fér el a dobozban.
Kapcsolási rajzot ugye ehhez nem kell adnom. Létezik kereskedelemben valamilyen ISA 8bites busz emulátor? Párhuzamos, soros vagy USB csatlakozással?
Köszönöm a felajánlást.
Élnék vele ha kapok IDE és VGA kártyát. Amíg azok nincsenek meg addig érdektelen a 3 ISA busz csatlakozó.
Én már kezdtem reménykedni, hogy találtál egy jó rajzot ISA szimulátor/illesztőről...
Régebben láttam egy web-szervert, amiben egy Atmel uC egy ISA buszos hálózati kártyát használt, azt gondoltam valami hasonló megoldást találtál. Az vezetett félre, úgy értettem az írásodat, hogy alaplapot csak a fentiek helyett keresel. ("vagy egy működő 286-386-486 gép.") Bocsi, így persze nincs kapcsolási rajz...
Sziasztok!
Ha van valakinek felesleges azt megköszönöm! Ddr2 2Gb 800mhz ram 4 db. 1 db ata 133 kábel 1 db intel core quad cpu. 1 db sata kábel alaplap és hdd közé. Köszönöm! A hozzászólás módosítva: Feb 26, 2020
Sziasztok!
Keresek ddr2 400 mhz 256Mb vagy kissebb modult 1 darabot! Köszönöm!
Félrerakom neked a gépet.
Ha jól értem építeni akarsz magadnak egy gépet, az Eprom írónak kell külön IDE Bus? A gépben egy PCI VGA vezérlő és egy ISA hangkártya lakik, szerintem a kártyád simán belefér.
Hello!
Van pár db Cegléden. |
Bejelentkezés
Hirdetés |














