Fórum témák
» Több friss téma |
Idézet: „Az FT8 távol áll tőlem (szerintem a rádióamatőrködés lényegétől is, de ez nem ide tartozik)” Szerintem is, kicsit olyan mint egy számítógépes hálózatban ahogy mennek az adatcsomagok. Van forrás és cél cím, és egy nagyon kevés küldendő adat. Míg a morzét csak úgy hallgatni is kellemes, a ft8 vonítása idegesítő ![]() (Viszont ha ennek a vétele megy, akkor stabil a vevő oszcillátora.) Idézet: „Ha nagyobb kapacitást használsz, akkor nyilván a járulékos kapacitásváltozás is kevésbé befolyásolja, de a rezgőkör jósága is nagyobb lesz, ami stabilabb működést és határozottabb rezonancia frekvenciát eredményez.” Mindig érdekelt volna, milyen az legjobb rezgőkör, pl 1MHz-nál milyen a legjobb induktivitás, kapacitás érték? A versenyről hasonlót gondoltam, de ezt így leírva a webben nem találtam meg. Idézet: „a ft8 vonítása idegesítő” Az FT8 (és az összes digimód) hangalakját nem is az akusztikus élmény fokozása érdekében alakítják ki , hanem az átviteli csatorna jel/zaj viszonyához és minél stabilabb információ cseréhez igazítják ![]() Távíróban adó oldalon sok paramétert kell kézben tartani a "szép" hangzás eléréséhez. Ne legyen klikkes , ne változzon a hangszín (stabil oscillátor freki, táp, stb.) , a billentyűző fokozat jó helyen avatkozzon be a kimenő vivő útjába ... stb. A riport RST skáláján ezt a T jellemző értéke jellemzi. Volt / van számos távíróadó típus amit a sávban kiszúrható volt a jellegzetes morze jeleinek a hangszínezetéről , mert a konstrukciójából adódóan furcsán jelent meg a sávban. . A hozzászólás módosítva: Ápr 15, 2020
Csak azért, hogy nehogy tényként kezeljük:
Idézet: „Ha nagyobb kapacitást használsz .... a rezgőkör jósága is nagyobb lesz” A kondenzátor látszólagos ellenállása: Xc=1/(2pi*f*c) Jósága: Q = Xc / R (R => ESR) Ez alapján pont hogy csökken, illetve laposabb lesz a rezgőkör áteresztési görbéje is. Idézet: „kicsit olyan mint egy számítógépes hálózatban ahogy mennek az adatcsomagok. Van forrás és cél cím, és egy nagyon kevés küldendő adat” Ez még nem teljesen az. A packet rádió (AX.25) ami teljes számítógép hálózati protokol szerint működik . (mivel a már a létező X.25 számítógép hálózati protokolt implementálták a nagyfrekvenciás átviteli környezet jellemzőire.) FT8-ban közel "egyszerre" kiabál mindenki és valahogy ki kell bogozni, hogy ki , kinek beszél. Igen FT8-ban is kell egy "protokolt használni" az információ átviteléhez, így részben hasonlít a számítógép hálózatokhoz. A hozzászólás módosítva: Ápr 15, 2020
Idézet: „Mindig érdekelt volna, milyen az legjobb rezgőkör, pl 1MHz-nál milyen a legjobb induktivitás, kapacitás érték?” Az a legjobb ahol az Xc | Xl (= a rezgőkőr eredő látszólagos ellenállása) = a rá kapcsolódó aktív elem bemeneti, avagy kimeneti ellenállásával. Minden más esetben veszteség (zaj) keletkezik.
Illetve a realizmus talaján maradva, kijelenthető, sokkal jobban függ a jósági tényező a képletekben nem szerepelő valós, fizikai, parazita tulajdonságoktól, semmint hogy elmondható legyen, ez, vagy az lenne a jobb! Mindig a konkrét kivitelezés, alkatrész paraméter fogja megszabni ezt a lényegében csak mérhető, semmint számolható paramétert...
Ezzel egyet kell hogy értsek
Azonban a témában kevésbé jártas fórumtársunknak nem biztos, hogy van elég ismerete ahhoz, hogy legalább azt megértse milyen nagyságrendű alkatrész miért szerepel egy kapcsolási rajzon. Pont ezen a fórumon, az alapok hiánya miatt rengeteg fals információ bukkan fel.
Ide kapcsolódva jó tudni, hogy például, hogy a rezgőkör sávszélessége (B) = F / Q. Egy vasmagos tekercs jósága ~100. Ez alapján 7MHz-en a 3dB-hez tartozó sávszélessége 70000Hz.
Illetve azt sem lehet figyelmen kívül hagyni, hogy egy 1nf kondenzátor Xc értéke ugyancsak 7MHz-en 22.7ohm, amit biztos butaság egy FET több ezer ohmos gate-jére kötni. Ezek ismerete nélkül nehéz eldönteni egy netről letöltött kapcsolás létjogosultságát.
Csak arra akartam utalni, hogy a feeling más, ez nem annyira rádióamatőr, hanem
számítógépes hangulatú dolog. Amúgy elismerem az ft8 előnyeit, és a mögötte levő komoly matematikát. (Amit nem is értek/ismerek teljes mértékben )
Egy rezgőkörben nem csak kondenzátor van, a tekercsnek is van jósága. A párhuzamos rezgőkör jósága: Q=R*gyök(C/L). Mivel a C a számlálóban van, feltételezem hogy nagyobb kapacitás nagyobb jóságot eredményez, de ma este ezt a gyakorlatban, mérésekkel kipróbálom.
Ez alapján az én következtetésem hibás.
Sziasztok!
Érdeklődéssel olvasom rádió építéseteket. Sok érdekes dolgot írtok. A rezgőkör kapcsán megemlíteném nagyon nem mindegy a stabilitás szempontjából az L/C viszonya Érdekes olvasmány a tekercsekről és rezgőkörökről A hozzászólás módosítva: Ápr 16, 2020
Folytatás:
Úgy döntöttem, hogy kihagyom az analóg MC1307P IC-t a kisérletekből, mert úgyis diszkrét elemeket szeretnék a kompozit jelek feldolgozására. Sikerült egy a "60-as évekbeli The Fisher TFM-300 tuner MPX dekóderét megszerezni, és azzal végeztem az első méréseket. A tranzisztoros kivitelű, tekercses dekóder jól beállítva kb. -36 dB-s áthallást tudott produkálni. Miután az elkészült PLL MC1310P 38 kHz-es jelével vezéreltem a kapcsoló dióda mátrixot meghajtó tranzisztort -46 dB-re javult a csatorna áthallás. Egyértelmű, hogy a több tekercset használó korai MPX dekóder pontos fázisú vezérlésre való átállítása is már jobb eredményeket hoz. A következő lépés a dióda mátrix direkt vezérlése és az elektroncsöves kimenet kialakítása. Felhasznált források: - Panasonic VP8175A - Harman Kardon Citation fifteen TJ.
Nem tudom mennyire ide való, mert rádió építés, viszont nem vevő hanem adó, ráadásul csöves...
Érdekesség képpen foglalkoztat az elektroncsöves technika (a hangtechnika része pont nem), de nagyon nem sikerült még beleásnom magam a csövek lelki világába. Szóval megépítettem a képen szereplő kapcsolást, végcsőnek EL83 helyett EL84 orosz megfelelőjét találtam itthon, ECC81 helyett pedig ECC85 lett. Most egy kissé elakadtam. Mindkét oszcillátor szépen működik, az elválaszó fokozaton is megvan a jel. A végfokkal viszont problémám van. Nyugalmi áramfelvétele nagyobb, mint a csőre megengedett max. anódáram (kb 50mA), és az egész kapcsolás valahogy nem tetszik. A vezérlőrács (G1) feszülségének nem kellene negatívabbnak lennie a katódhoz képest, hogy C osztályban üzemeljen? Így vezérlés nélkül minimális anód áramnak kellene folynia, de ez itt nem így van. Vagy ez is úgy dolgozna mint egy A osztályú hangfrekis erősítő? Másik kérdésem, hogy ha távíró üzemben szeretném használni, hol szakítsam meg a billentyűnek? A könyv a kvarc oszcillátor katódját javasolja. De ha a VFO-val használom akkor azt nem szeretném piszkálni, örülök ha nem mászkál a frekvenciája. Az elválasztó fokozatot "illik" billentyűzni? A 100ohm-os katód ellenállásnál gondoltam megszakítani...
A kapcsolási rajzon a végcsőnek nyugalmi 0 V előfeszültsége vagyon. Így is működhetne, mert a rácsáramos üzemmód a vezérlés hatására a munkapontot a negatív tartományba tolja.
Csakhát a nyugalmi áram, magas lesz. Én célravezetőbbnek tartanék negatív előfeszültséggel igazi C osztályú erősítőt, bár igaz annak a kimenetes sokkal nagyobb harmonikus tartalmú, ez viszont jobb kimeneti szűrőt igényel. Lehet ez volt az oka a végcső ilyen módú alkalmazásának. A billentyűzésre szerencsére alkalom kínálkozik a közbenső elválasztó/erősítő fokozatban, a cső lezárásával. A VCO billentyűzése szinte minden esetben csipogást okoz, az oszcilláció leállása, indítása miatt. Ennél jobb valamivel a végfokozat billentyűzése, de ennél sokkal jobb a közbenső fokozaté, ha már van. A csövekre meg ezen a frekvencián (3,5 - 3,8 MHz) nem igazán kényes a kapcsolás, 10 MHz felett már nem mindegy.
Köszi szépen hogy ezt közzétetted, ha van még hasonló füzeted amit közzé tudnál tenni, azt (véleményem szerint) mindenki örömmel fogadná.
Az egyik megoldás lehet a katód alá egy ellenállás. Mondjuk 100 Ohm 2 Watt. Ezzel a nyugalmi áram csökken. Párhuzamosan kell vele kötni egy 100 nF kondit amely RF szempontból rövidzár.
Az adó egy kicsit csipogni mindenképpen fog. Erre megoldás lehet, ha az ECC stabil feszt kap.
Bővebben: Link Egyik példa, hogy az előfeszültséggel modulál. Ez elég szakszerű sok gondot elvisz, de más az elv.
Bővebben: Link Itt is hasonló az elv. Úgy látszik ez többeknek bevált.
Bővebben: Link Ez viszont az egyszerűbb megoldás. A végcső katódja van megszakítva és a munkapontot az ellenállás adja meg és a kondenzátor viselkedik rövidzárként RF szempontból. Szerintem a Te esetedben ez a legegyszerűbb megoldás. Két forrasztás és már ad is a jószág.
Köszönöm az ötleteket és a segítséget!
Sajnos az elválasztó fokozat triódájának katódját hiába szaggatom, az A osztályban dolgozó végfok csak összeszedi az oszcillátor jelét és kisebb teljesítménnyel ugyan, de akkor is ad. Kipróbálom akkor a végcső katódját megszakítani, mint az az utolsó verzióban is van, de valószínűleg a vezérlőrács billentyűzése lesz a végső megoldás, csak szerettem volna elkerülni még egy tápfesz (-100V) használatát. Így viszont már dolgozhatna C osztályban a végfok. Tetszik ez az ECL82 kapcsolás is, szerintem a következő projekt ez lesz, PCL82-ből van is itthon...
A C osztályú beállításhoz is szükséged lesz negatív előfeszítésre, azzal egyúttal az erősítő/elválasztó fokozat billentyűzését is megoldhatod.
Igen, C osztályba csak negatív feszültséggel tudom vinni a csövet, vagy a katód potenciáljnak megemelésével. Lényeg, hogy a vezérlő rács negatívabb legyen a katódnál, és vezérlés nélkül le legyen zárva a cső.
Az igaz, hogy ekkor már az elválasztó fokozatot is tudnám billentyűzni, de attól tartok, hogy akkor a funkcióját veszítené el és visszahatna az oszcillátorra. (Tudom, első körben én is az elválasztó fokozatnál próbálkoztam.) Bár sok ilyen egyszerű kapcsolásban nincs is elválasztó fokozat... Ennél a rádiónál valószínűleg nem lesz negatív rácsfeszültség, és megnézem hogy muzsikál a végfok katódjának szaggatásával mint ahogy ebben a mellékelt kapcsolásban is meg van oldva. A következő projekt egy kompaktabb ECL82 (vagyis PCL82, mert az van itthon) cső köré épülő kis adó lesz, ahol már C osztályban dolgoztatom a végfokot. De előtte még egy audiont is építek, amit egy aperiodikus (vagy esetleg hangolt) előersítővel választok le az antennától, hogy stabilabb legyen és ne sugározzon kifelé...
Sziasztok!
Egy gyári autó fejegységbe (6006E CD RDS eon) építek aux egységet. Sikerült beadni neki a külső jelet, viszont ahhoz, hogy stereoban szóljon be kell vezessek egy 19kHz-es szinusz jelet szóval szükségem lenne egy kis oszcillátor áramkörre, ami a következőket tudja: f_min = 18,93 kHz f_max = 19,15 kHz U_max = 0,5 V U_min = 0,03 V Ezek saját mérés eredményei, egy telefonos appal kapta a jelet és oszcilloszkóppal kimértem a paramétereket. Szóval mint látszik a frekvenciának igen pontosan 19 kHz-en kellene lennie, hogy működjön. Elsőre egy Wien hidas oszcillátorra gondoltam, de ott a kondenzátor kb 10 %-os toleranciája miatt csak úgy tudnám megoldani a dolgot, hogy az egyik ellenállást utólag "hangolom be". Ez 4,7 nF +-10% kondenzátor esetén azt jelenti, hogy az ellenállást 1620-1980 Ohm tartományban kellene kb 0,5%-os pontossággal beállítani. Szerintem ez egy potenciométerrel és egy jól megválasztott ellenállással kivitelezhető, bár kissé macerás. A kérdésem az lenne, hogy szerintetek ez a megoldás működik-e a gyakorlatban és van-e valamilyen egyszerűbb/szakszerűbb/nagyszerűbb megoldás a dologra? Köszönettel, Csaba
Valami nem kerek. A 19 kHz a sztereo demodulátor pilot jele. Ez igen szoros kapcsolatban van a hangfrekvenciás jellel, fázis helyesen. Akkor van szükség rá, ha a bemenetre MPX jelet kapcsolsz.
Ha közvetlenül a hangfrekvenciás erősítőre küldöd a jelet, akkor is kéri a pilot jelet? Mert akkor nem kéne.
Attól nem lesz sztereó a jel, ha 19khz-et kozzákeversz. Sztereo multiplex jel jön ki egy rádió KF egységéből, ami a sztereo dekoderbe megy. A pilotjel a dekódoláshoz szükséges. Konkrétan kétszerezés után kapcsolójel lesz belőle. Gyakorlatilag az összes sztero dekoder kapcsoló üzemmódú.
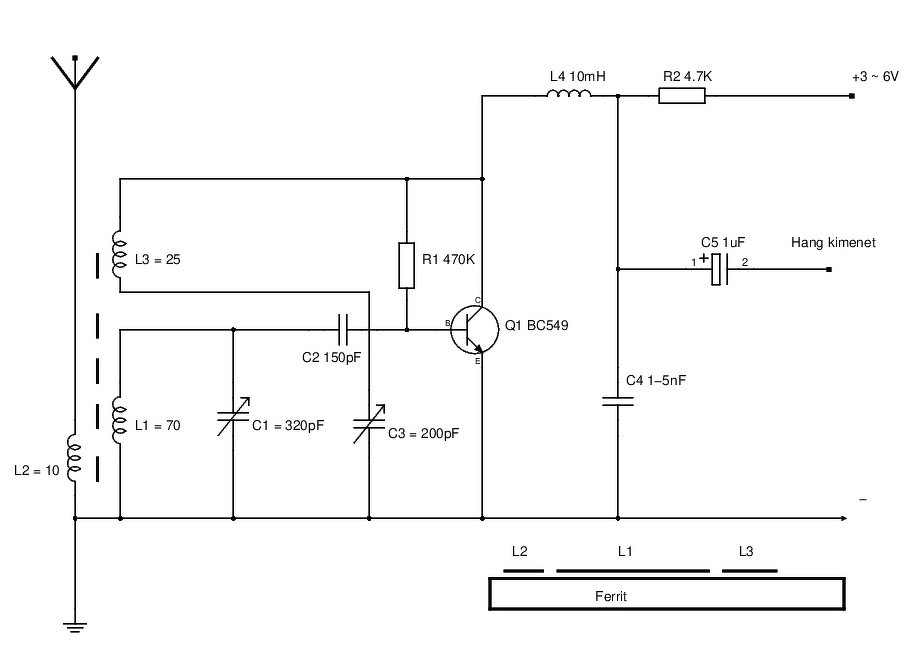
Csináltam ilyet. De megfogtam és megpróbáltam a C2 100nF tenni amivel hangosabb lett. Régen nem bírtam mert akkor recsegett, a rajozok mindenhol 50 és 200pF közti. Most jó a 100nF is vagy maradjak a 200pF-nél. Nekem most mind a 2-őn megy. Régen nem ment.
Csak ez így azért nem igazán jó, mert a tranzisztor így beterhel a rezgőkörnek. Vagy használj Fet-et, vagy tedd a csatoló kondenzátort a tekercs 10 menet körüli leágazására. Bár ki tudja, a visszacsatolás itt teljesen pótolni tudja a veszteséget? Mert ilyen szoros csatolást a rezgőkörről csak az elektoncsöves készülékekben láttam.
|
Bejelentkezés
Hirdetés |











