Fórum témák
» Több friss téma |
Fórum » MOSFET-ek
Lényegében bármi kapcsolhat helyette, ami N-csatornás, csak abban nincs védelem?
A hozzászólás módosítva: Jan 30, 2020
Elméletben igen. Bár én úgy látom a nagyobb testvére itt kapható: Bővebben: Link
A hozzászólás módosítva: Feb 1, 2020
Sziasztok!
Elektromos bagóba kellene fet-es kapcsolást raknom ami nem is gond viszont itt a hestore-ban sem irl1404-et sem irlb3034-et sem lehet kapni . Kinéztem két tipust amit lehet az egyik IRLB8743PBF a másik pedig IRL3705N. Kb faék egyszerű a dolog . Csak annyi a kérdés hogy menni fog-e illetve bírni fogja -e a fet a kiképzést? Illetve melyik miért vagy mivel jobb mint a másik? Kicsit a fet-ek terén balga vagyok bevallom.
Milyen elemmel fog menni? (Nem csak a névleges feszültség kérdés, hanem az áramleadó képessége is.)
A Battery feszültsége mennyi? Ez lesz a gate nyitófeszültség. Arra kell vigyázni, hogy ezen a feszültségen már rendesen nyisson a FET. Ha nem nyit teljesen, akkor a teljesítmény egy jelentős része a FET-en esik, és ettől tud leégni. Ha teljesen nyitott a FET, akkor nem hiszem, hogy a marokba elférő elemek le tudnák égetni, de pontosabb becsléshez számolni kell. Mennyi áram fog folyni? Van erre tipp? Mekkora az ellenállása a fűtőszálnak (hidegen indításkor és bemelegedve)? Miért kell egyáltalán a tranzisztor egyébként? Nem lehet a fűtőszálat közvetlenül a kapcsolóval kapcsolni? Disclaimer: Nem ismerem ezeket a küyüket, hogy hogy szoktak működni.
18650 szabvány akku a battery. A fűtőszál ellenálása 0,1ohm-tól 2ohm-ig terjedhet. Így az áram tartomány is eléggé szélesre fog esni. Pont ezmiatt kellene a fet hogy egy mechanikus kappcsolásnál keletkező beégések ne keletkezzenek.
Gondolom ahogy melegszik nő az ellenállása - ahogy a fémekkel lenni szokott.
A 0,1 Ohm-hoz kb 40 Amper is tartozhat 4V táppal, az a 18650-eknek tuti túl sok áram. Tehát valamelyik másik alkatrész fogja bekorlátozni az áramot, nem a fűtőellenállás. Jó esetben ez csak rövid ideig fog tartani, de akkor sem tűnik jó tervnek. Ismereteim szerint a 18650-ekből van aminek van beépített védelme, ami korlátozni fogja az áramot. Korlátozatlanul esetleg túlmelegedhetne az elem is. Épp ilyenek ellen teszik bele a védelmet. Ha az áramkör terv szerint jó, akkor sem árt, mert véletlenül is keletkezhet rövidzár. Ebben például van védelem: https://www.hestore.hu/prod_10039174.html Ebben meg szerintem nincs: https://www.hestore.hu/prod_10037477.html Én védelemmel szereltet használnék csak a markomban. Mondjuk én nem is dohányoznék, de az egy másik kérdés
Annyiból jó hír, hogy ez legalább 3,5V lesz, az már az "L"-es tranzisztorokat (harmadik betű L - jelentése Low voltage-re már nyit a tranzisztor) rendesen ki fogja nyitni szerény véleményem szerint. De azért nem árt az adatlapokat végigtúrni.
Igen én is arra a következtetésre jutottam hogy az irl tipusok jók erre a feladatra. Nos a nagyon alacsony ellenálású terhelés egy borzalmasan szélsőséges eset ami szerintem soha sem fog keletkezni . Inkább olyan 0,4 ohm és 1,5ohm közötti terhelések fognak rajta dolgozni amiknek már elfogadható áramvonzata van. Ami viszont még mindíg kérdéses számomra hogy amit írtam fet-et hogy erre a célra már rengeteget használnak és ami a boltban kapható itt a hestore-ban miben külömböznek illetve az itt kaphatóak közül melyik lenne jobb választás eme feladatra.
Bár ahogy elnézem mindkét fet-et elméletileg jó mindkettő mert talán csak a kapcsolható áramban és feszültségben külömböznek. A 18650 úgyis korlátozott max 20-30amper áramra így attól több soha sem fog rajtuk átmenni. A feszültség eltérésük eme esetben talán lényegtelen is. Talán annyi hogy az egyik 150ampert tud kapcsolni a másik pedig csak "csupán" 89ampert. Csak arra lennék még kíváncsi hogy aki jobban kiértelmezi az adatlapot mint én hogy eme felhasználásban amire szánnám van -e más külömbség vagy csak a max áram ami van közöttük, és ebben a felhasználásban amiben akár mindkettő jó mert soha sem lessz a teljes tudásuk kihasználva van-e más ami miatt valamelyik nem tökéletes ide.
Az IRL3705N-nel jobban jársz, kisebb feszültséget kell a Gate-r ekapcsolni, hogy kinyisson.
Nézőpont kérdése, melyik jobb. A te szemszögödből, lévén a rendszerben kicsi a feszültség, jobb az IRL3750N. Van olyan FET, amelyik 4.5 V-os Gate feszültség alatt alig-alig nyit ki (lásd melléklet), ez is egy fontos paraméter.
Ha az adott felhasználásba azt mondod hogy jó lessz az irl3750n akkor azt veszek és meglátjuk.
Azt a max 20 ampert csak el tudja kapcsolgatni károsodás nélkül. Viszont annyi még beötlött nékem hogy a fentebb mutatott kapcsolásban azt meg lehet-e oldani hogy ha az akku lemerült nehogy túlmerüljön csórikám valahogy beiktatni egy olyasmit hogy mondjuk a 18650 minimum feszültsége alatt ne kapcsoljon be?
Be lehet iktatni de akkor nem férne el a dobozban. Egyszerűbb eleve védelemmel ellátott cellát használni.
Én olyasmire gondolnék ebben az esetben ami ha nincs meg a nyitáshoz való feszültség akkor nem nyit ki a fet . Ergo a vezérlőszálat ami a nyomógombról megy a fetre lehetne megmókolni hogy ha mondjuk 3v alatti fesz esetén a fet-et már nem kapcsolja be.
Sziasztok!
Egy ismerősöm áttervez egy Arduino Due-t az igényeinek megfelelően (méret, perifériák...) Az egyik résznél segítséget kért tőlem, de én is elakadtam. Az eredeti kapcsolási rajz itt található: Bővebben: Link. Mellékeltem a kiemelt részt. Az eredeti panel 3 helyről kaphat tápfeszültséget, két USB porton vagy egy külső tápfeszültségből DCDC-vel állítja elő az 5V-t. Kérdésem a T1 és T2 működésére és feladatára irányul. Ezen belül is inkább T2 érdekelne, mivel T1 ennek egy módosított változata, ahol a kiegészítést értem. Először arra gondoltam, hogy ezek a p-csatornás MOSFET-ek diódaként működnek, és nem engedik, hogy a bemenet felé visszafelé folyjon áram. Például, ha a DCDC 5.1V-t állít elő, akkor ne károsíthassa a PC 5V-os USB portját. Viszont ahogy jobban átgondoltam a kapcsolás működését, arra jutottam, hogy a GND-re kötött Gate miatt T2 mindig nyitva lesz, és nem akadályozza meg, hogy az USB port felé áram folyjon. Megpróbáltam LTSpice-ban szimulálni, és ott is hasonló eredményt kaptam. Az érdekelne, hogy ha jól értem és tényleg így működik, akkor milyen más feladatot lát el a MOSFET, mert nem ok nélkül került oda gyárilag. Viszont ha nem jól értem a működését, kérlek magyarázzátok el. Hasonlít kicsit egy leegyszerűsített polaritás védő áramkörre, mint amilyen Topi cikkében is található, de itt ennek a funkciónak nem látom értelmét. Előre is köszönöm! Üdv, Iván
Be döglött a régi kedvenc kis mod-om elektronikája így sanos át kell alakítanom szegény párát.
Viszont akadt egy kis gondom mivel ezekben a fet-ekben oltárira nem vagyok otthon így megkérdelek benneteket. A régi mod sajnos negatív testelésű így a negatívot kapcsolgatni nem tudom. Hogyan tudnám megoldani hogy a pozitív szál legyen kapcsolgatva a fet-el? A hozzászólás módosítva: Máj 16, 2020
Hello! Pozitív oldalon kapcsolni P-csatornás Fet-el lehet. N-csatornással csak akkor, ha a Gate számára, a Gate nyitófeszültségével nagyobb feszültséget állítunk elő, mint a pozitív tápfesz.
Esetleg egy konkrét példát tudnál rá? Akku 18650. Terhelés eléggé válltozó de kb max 15Amper.
Na, ahhoz nem fogsz találni olyan P-Fet-et, ami ki is nyit 3V-ra és RDSon ellenállása megfelelően kicsi. De mi a bánat ez a BOX MOD? Mert nekem fogalmam sincs..
IRLZ44N szerintem tudja ezt és beszerezhető.
Az IRLZ44N N-MOS FET.
A hozzászólás módosítva: Máj 16, 2020
Igaz, benéztem. Nem úgy működik néha a kereső, mint gondolnám.
De az AO3401-es filléres FET-ből 3-4 darabot párhuzamosan kötve működhetne.
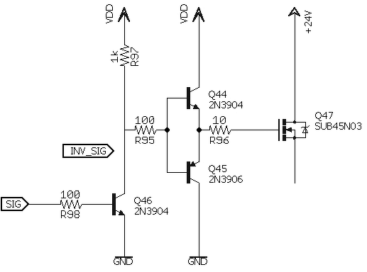
Sziasztok!
Melyik MOSFET vezérlés a helyes? Amelyiket csatoltam, ahol az NPN tranzisztor van tápon a PNP pedig GND-n vagy ahol fordítva? Mindkettőre találni példát az interneten és még MOSFET driver IC-ben is.
Hello! Ez így nem korrekt kérdés, mert ahol a PNP van felül, annak kapcsolástechnikája is más.. Tehát mind kettő megoldás jó.
Szia!
A csatolt rajz az helyes. Meg kellene mutatnod a másik rajzot, hogy pontosan értsük mire gondolsz. Vannak azonban rossz rajzok is, pl.: EZ.
Szia!
Konkrétan ugyanarra gondoltam fordított esetben is, mint amit belinkeltél, csak az emitter ellenállások nélkül és a tranzisztorok valamint a gate között egy 10 ohm ellenállással. Ez így miért nem jó? |
Bejelentkezés
Hirdetés |















