Fórum témák
» Több friss téma |
Majd T1, T2, T5, T6, IC tápfeszültség (1-4 lábak között), és így tovább.
Schritt für Schritt - mondta volt a mesterem.
sziasztok,
van egy Behringer UB2442FX-PRO keverőnk nem jó a tápja, egy másik keverőből áttetük a tápot, azzal múködik, lehet ezt javítani? vagy venni kell egy újat? A hozzászólás módosítva: Márc 6, 2019
Sziasztok!
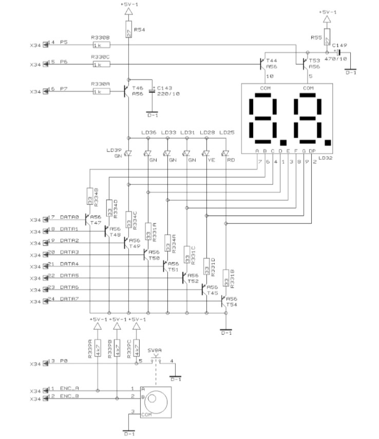
Behringer xenyx 1002fx keverőpult kijelzőjén az egyik számból( pl.:3) hiányzik a a hármas középső ikonja. Lényegében fordított "C" látható. Ez mitől lehet és hogyan lehet kijavítani? Segítségetek előre is köszönöm. A hozzászólás módosítva: Márc 11, 2019
Üdv mindenkinek!
Van egy 1202FX keverőm,ami hosszú éveket állhatott nem feltétlen labor körülmények közt. A nyomógomb-kapcsolók(low cut,dB kiemelés) mindegyike kontakt hibás,csúnyán beleszól a hangzásba,hangerőbe. Azt szeretném kérdezni, mennyire nehéz szétszedni,egyáltalán érdemes-e szétszedni a kapcsolók nyitottak-e vagy teljesen zárt házban vannak benne? (Hátha egy kis Kontakt WL segítene rajtuk...) Vagy csak a csere?
Szia! A minőségi aranyozott érintkezők helyett amiket lehetett tisztítani kontakt tisztítóval, gyakran ezüstözöttet alkalmaznak. Ezeken nem csak kosz tapad meg, hanem egy ezüst szulfid (vagy mi) réteg alakul ki a levegőben található kén vegyületektől. Ez feketés bevonatot alkot, amit nem old le a spray. Ha van türelmed kiszedni a kapcsolókat egyesével, majd úgy szétpattintani hogy ne repüljön szét a belseje, akkor van esély a tisztításra. De úgy gondolom ha a ki és beforrasztás sérülés nélkül megy (furatgalván), akkor inkább csere. Viszont egy pillanatforrasztóval nem érdemes nekikezdeni, mert hamarabb elolvad a kapcsoló meg tönkremegy a nyák mielőtt kiforrasztod a hat lábat. Egy réztömbből érdemes először kiforrasztó fejet készíteni ami ráillik a hat lábra egyszerre.
Ja természetesen zártak a kapcsolók.
Üdv!
Köszönöm szépen a segítséget. Nem állok neki szétszedni. Sokat "járattam"és közben próbáltam egy kis WL-t bejuttatni a kapcsolókhoz. Egészen elfogadható lett,persze ha épp a kapcsolók jók,akkor a jack aljzatok vacakolnak...
Szia!
Valószínűleg a 7 szegmenses kijelző ledje távozott az élők sorából. Megoldás a kijelzőmodul cseréje. Lábkiosztásban és méretben azonos közös anódos hétszegmenses kijelzőt keress a célra. Üdv
Sziasztok! Van egy Behringer Eurorack ub1204fx-pro keverőm, amit megmentettem a kikukázástól.
Vannak esztétikai hibái, de a működésben csak egy. Jobb oldalon a kijelzőtől jobbra lévő PROGRAM forgópotit kitépték ![]() Ez balra-jobbra a végtelenségig tekerhető és ezt sikerült is kultúráltan kiforrasztanom a nyákból. Sajnos csak egyet tudok róla, hogy ALPS forgó potméter. Ha mármelyikőtök bármilyen infóval tudna segíteni, hogy tovább lépjek ezzel kapcsolatban, nagyon szépen köszönöm előre is! Szép estét! és BUÉK!!!
Az talán egy encoder lesz, nem potméter. Fotózd körbe a kiforrasztott alkatrészt.
Szia! Remélem valamelyest kivehető
Azt hiszem igazad van, egy enkoder lesz, csak semmilyen paramétert nem tudok róla
Sajnos
Ezt találtam:
Enkoder 5 V/DC 1 mA 360 °, ALPS Szerinted?
Tul sok nem is igen kell. 3 vagy 5 lába van. Vannak finomabbak meg durvábbak ( kevesebb pozicioval 360 fokon, de ez itt nem igen számit, mert a számokat változtatja a displayen
Oldaláról raknál képet? Vagy 3 lábú, 2 rögzítéssel, vagy az egy plusz nyomógomb, nem mindegy. Ha a lábtávolságokat pontosan megméred az is segít.
------------------------------------- Eredetileg ezt írtam még, ha 3 lábú az encoder, akkor vedd figyelembe: nem pont ez, de ebből a sorozatból. Ellenőrizd az adatlapot, hogy a méret stimmel-e. Ezekben van egy plusz nyomógomb is, annak a lábait le tudod vágni,vagy ez alapján kereshetsz a szériában másikat, amiben nincs gomb, de a TME-nél nem láttam. Szerintem a lábkiosztás is más, és ahol 2 láb van, az a kapcsoló, így némi drótozás is kell a középső láb szembe átvezetéséghez. TME-től tudsz rendelni pl. a HR elektronikánál minimális felárral, és akkor nincs szállítási költség sem. A hozzászólás módosítva: Dec 30, 2019
Szia! Megnéztem. Hajszál pontosan így néz ki az enyém is. Az egyik oldalon 2 lába van, vele szemben pedig 3, ahogy a képen is látszik. Tőlük 90°-kal pedig középen 1 láb és vele szemben szintén 1.
Nagyon köszönöm a gyors és hasznos infókat ![]() Boldog Új Évet Kívánok!
Amúgy tök érdekes, mert az oldalon, amit küldtél 10 mA-nak írja, a Conrad oldalán ugyanilyen kinézettel már csak 1 mA-nak írja. Na most legyek okos!
Mindenképp nyomógombosat keress. Az encódert forgatva tudod kiválasztani. a nyomógomb megnyomásával pedig rögzíteni az aktuális effect-et.
Igen így van.
Nagyon szépen köszönöm még egyszer az Óriási segìtséget ![]() BUÉK!
Van egy kapcsolási rajzom a keverőről, csak sajnos nekem kínai
![]() Annyit tudtam meg, hogy ALPS enkóderről van szó, EC12E..................... a cikkszáma, legalább is így kezdődik. Van köztetek, aki ki tudná bogarászni, hogy a keverő Programgombja milyen enkóder? Nagyon NAGYON köszönöm!
Nagyon mindegy mi van a rajzon. Olyan kell, ami méretben passzol és van rajta nyomogomb. (5 kivetetés) Com, EncA, EncB meg a SW7A. A többi lényegtelen.
Értelek. Találtam a neten ugyanolyan kinézetben 1mA-eset és 10mA-eset is. Szerinted?
Mondom hogy mindegy. 4k7 ellenállást kapcsol 5 V és a GND közé az meg kb 1 mA.
A képen abszolút nem látszott, hogy 5 lábú, de tényleg annak kell lennie a funkciója miatt. Ha fizikailag belefér (bele kell férnie...) akkor az teljesen jó. Maximum az fog különbözni, hogy egy fordulatra hány impulzust küld, de az itt nem számít.
TME rendelésről lásd amit feljebb írtam. De pl. a TME oldalán ki tudod listázni a többit is, ha a linkelt nem tetszik: link A hozzászólás módosítva: Jan 1, 2020
Köszi
Köszi! KÖSZI!!!
Sziasztok.
Behringer PMH518M került hozzám javitasra. Elózmény: Nincs hang. a kimenetre csatlakoztatott hangfal halkan kattan egyet bekapcsolűskor. Hibafeltáráskor a következóket találtam: a pozitív tápfeszültség nem jelent meg a C6 puffer kondenzátoron sem, ezt egy furatgalván kontakt hibája okozta. Elháritása után, a kimeneten 2,3V körüli, pozitiv feszültség jelenik meg ami akár 5V-ig is felkuszik. Alább leirom a tranzisztorokon feteken mért feszültségeket. A tranzisztorokat mérve jónak találtam, a feteket cseréltem 240, 9240 típusra. A nyugalmi áram beállítható (VR1) az előírt 5mV beállításával az R1 en mérve. R3 - 47R, R11, R7 220R jók. D2, D4 zenerek jók. T4-T5 jó. Valami mégsem ok. Ami biztos, hogy igen gyenge a minősége a nyáknak.. Az ic4 hibás volt (valószínű a hiányzó táp miatt) cseréltem.T1 B - -0,3V E - -3,6V C - -4,3V T2 G - -33,5V D - -2,3V S - -37,2V T3 G - +33,8V D - - 2,4V S - +37V T4 B - +4,1V E - +3,5V C- +33,6V T5 B - -4,3V E - -3,7V C - -33V ic4 1 - +8,6mV 2 - +5,6mV 3 - 0V 4 - -14,9V 5 - +63mV 6 - 0V 7 - +95mV 8 - +15,1
Szia!
A T1 biztos nem jó, ha a mérésed hibátlan. E_B között nem lehet akkora feszültség. Elírtad szerintem.. Emitter a -4.3 V, bázis a -3.6 V. A hozzászólás módosítva: Szept 20, 2020
Ja... aztán a feteket is fordítva..
T2 S +37, T3 S -37... A hozzászólás módosítva: Szept 20, 2020
Sajnos IC-t kell cserélni a kollégának, az 5-6 lábak közötti 65 mV-tól a tápon kéne lenni a 7-esnek.
|
Bejelentkezés
Hirdetés |




















