Fórum témák
» Több friss téma |
Fórum » Nosztalgia - elektroncsövek, és (h)őskori technikák
Témaindító: ZLED, idő: Feb 17, 2007
Témakörök:
PCF80, vagy 802, a 82-esnek nagy szögletes kivágás van a pentóda anódlemezén.
Valóban! Most előszedtem mindháromból egy példányt, már biztos, hogy PCF80 a kérdéses cső, a gettertartó alatti lemez lecsapott formája miatt.
Köszönöm szépen!
Még egy kérdés. Van 2db PL500-asom is, és lehetőleg erősítőt szeretnék építeni belőlük, kellene egy viszonylag egyszerű kapcsrajz, meg néhány jótanács, mert ez lenne az első építési projektem
A "Csöves erősítő készítése" téma elérhető, olvasható (ha le is van zárva), és a képei is. Onnan választhatsz kedvedre.
A hozzászólás módosítva: Szept 28, 2020
Sziasztok.
Olyan kérdéssel fordulnék hozzátok, hogy találtam testvérem hagyatékában nem kevés elektroncsövet? Igazából a kérdésem az lenne van értelme vele foglalkozni? Mármint szétválogatás ár érték aránya. A többsége teljesen új és a képeken nincs is még a fele sem fent. Hozzávetőleg 50-70 DB Viszont kiemelnék egyett a képeken jól látszik! Az értéke!? Tungsram EL34..??? Köszönöm a segítséget! Üdv. B.
Csak a 16 EL34-ért az audifilok a fél töküket odaadnák.
Méltó ember kezébe kerüljenek, nyugodjék békében a tesó...
Azt hogy új vagy sem, mérés nélkül ember nem mondja meg, néha még azzal együtt se.
Vagy mondasz rá egy árat és felteszed valamelyik hirdetési oldalra, vagy végig méred az összeset, és akkor egész jó árat fogsz kapni érte. Na nem tőlem mert nekem nem kell, de egy új EL34 is 8 ezernél kezdődik a silányabb fajtából is, és ad is érte annyit akinek kell, mert javít, felújít vagy épít vele.
Már, ha van védettségi bilétája a csőmérővel rendelkezőnek. Valamint ha van is, eljön-e?
Én ezt nem tudhatom, meg nem is érdekel, mert leginkább balamix fórumtársnak lehet érdekes a hagyaték csövek mián.
Végcsövek közös, vagy külön katódellenállás?Üdv!Bizonyára le van ez írva több helyen az elmúlt százvalahány évben, de nem világos teljesen előttem: Teljesítménytől függetlenül van elektroncsöves végerősítőknél a végcsövek közös, vagy külön-külön (kis értékű) katód ellenállás... Az egyik előnye, az állítható nyugalmi áram beállításnál a pontos lehetőség. A kisebb teljesítményű végfokoknál a megfelelő, több 10 Ohmos katódellenállás, amin az előfeszítő feszültség/áram automatikusan beáll. Itt arra az előnyére, ha van, gondolok, hogy a közös katód ellenállás segít abban, hogy nagyobb erősítés különbségre is hasznos? Mármint a végcső pár erősítési aszimetria ... Tapasztalt csövesek bizonyára alapból tudják, aztán én is megjegyzem, ha olvasom...
A mellékelt kapcsolásban gyakorlatilag nincs katódellenállás
![]() Az AUDIO NOTE katódellenállást alkalmaz, külön, minden végcsőhöz. Profik Az ARC fix előfeszültséget használ. Profik Mindkettő profi, de nem azonos csövekkel építenek. Tehát szerintem csőtől függ.. A hozzászólás módosítva: Hé, 22:42
Idézet: „...Itt arra az előnyére, ha van, gondolok, hogy a közös katód ellenállás segít abban, hogy nagyobb erősítés különbségre is hasznos? Mármint a végcső pár erősítési aszimetria ...” A negatív előfeszültséggel (fixed bias) beállítható munkapontú végcsőveknél beraknak egy közös (ritkábban egy-egy) kisértékű katódellenállást, hogy ott ellenőrizzék a munkaponti áram értékét. Ezen a kb. 0,5-1 ohm értékű ellenálláson lévő mv nagyságrendbe eső feszültség elsősorban ellenőrzési/tesztelési célokat szolgál, nem pedig bármilyen local NFB-t. Az újabb fejleszésű, nagyáramú végcsövekkel működő végfokoknál a mérés befejezése után már rövidre is zárják ezeket az ellenőrző ellenállásokat. Tehát jól láthatóan nem itt biztosítják a végcsövek szimmetriáját. TJ.
Igen, a mellékelt rajz szerinti katódban található ellenállás csak mérési lehetőség. Az én megvalósításaimban is külön mérő ellenállások vannak. Az automatikus előfeszítést célzó, kisebb teljesítményű (EL84-82) végfokoknál 100 Ohm körüli a közös katód ellenállás. Itt se igazán hasznos a végcsövek szimmetria tartásában? Spórolás maximum abban rejlik így szemre, ha van a katód ellenállással párhuzamosan egy elkó is, akkor csak 1 db kell...
Idézet: „Az automatikus előfeszítést célzó, kisebb teljesítményű (EL84-82) végfokoknál 100 Ohm körüli a közös katód ellenállás. Itt se igazán hasznos a végcsövek szimmetria tartásában?” Néhány dolgot tisztázzunk: 1. A kisteljesítményű végcsövek (ECL82, ECL86, EL84, EL86) általában olcsó, alacsony kategóriás készülékekbe vannak beletervezve 2. A további olcsítás egyik formája a PP fokozat közös katódellenállás+elektrolit kondenzátor komplexuma 3. Ezek után a PP fokozat közös katódellenállása nem segíti, inkább rontja a végcsövek stabil munkapontját. Például az egyik végcső elkezdi megadni magát és rácsáramos lesz, ennek a növekvő árama nagyobb feszültséget hoz létre a közös ellenálláson, ami viszont a jó csövet a lezárás felé viszi...aszimmetria növekedés lesz 4. A PP kimeneti csöveknek a külön katódellenállások+elektrolit kondenzátorok az stabilabb megoldás, és ott azonnal kimérhető a bármilyen okból bekövetkező aszimmetria. TJ.
Köszönöm, segített a válasz! Ahhoz képest, hogy ritkaságként emlékeztem az EL83-84 PP család külön katód ellenállásos variációra, mindjárt az első a neten az alanti rajz.
Aztán: Van olyan régi mono erősítő kapcsolás, ahol az 1 db ECC83-ban párhuzamosítva vannak a triódák. Itt az nvcs a közös katód ellenállásokhoz megy vissza. Azt viszont egyéb forrásból úgy tudom, jobb ilyenkor a külön katódellenállás. Akkor viszont hogyan történjen az nvcs? Idézet: „Itt az nvcs a közös katód ellenállásokhoz megy vissza. Azt viszont egyéb forrásból úgy tudom, jobb ilyenkor a külön katódellenállás. Akkor viszont hogyan történjen az nvcs?” Jó az úgy ahogy van - azért van párhuzamosítva az ECC83, mert alacsonyra kellett beállítani az anódfeszültséget a következő fokozatra menő DC csatolás miatt (ezeket az így-úgy variált kapcsolásokat hiába nézegeted, mindegyik valamilyen születési "rendellenességet" hordoz magával )TJ. A hozzászólás módosítva: Kedd, 11:22
Én csak érteni szeretném a miértet... A sokféleség pluszban még gyönyörködtet is.
Nekem a saját építésűek mellett van egy gyári csövesem is, egy Primaluna Prologue Two. Ebben automatikus bias van a végcsöveknek, így a 6P3SZ-E-től kezdve, a KT88, 6550, KT90, EL-34, KT77, 6CA7, 6L6GC, KT66, 7581, EL37, stb... csöveket használhatok kedvemre. Semmilyen beállítás/átkapcsolás nem szükséges, szépen, automatán belövi a biast. Most a hosszú téli estéken ki is fogok próbálni jó pár végcsövet, hogy melyiknek milyen hangja van, melyik tetszik nekem a legjobban.
OFF!
Mivel a topik témája a "Nosztalgia-elektroncsövek, és (h)őskori technikák", ezért nem tértem ki az ultramodern, processzoros és mas mikrovezérlős elektroncső munkapontbeállításokra. (Annak nem itt a helye, hanem más, az erősítőkkel foglalkozó topikokban) TJ. ON!
Ezt azért kétséggel olvasom. A felsorolt csövek még katódelenállásos munkapont beállításban sem egyformák.
Ha van egy erősítő, amibe bármilyen végcsövet beletehetsz, és az Idézet: ez már inkább reklám„automata belövi a biast” Hosszú, nyugodt estéket kívánok, várom a véleményedet. Miről is? A hozzászólás módosítva: Sze, 21:08
A kisteljesítményű végcsövek (ECL82, ECL86, EL84, EL86) általában olcsó, alacsony kategóriás készülékekbe vannak beletervezve
ECL82 AN IZERO. ECL86 nagyon sok erősítőben. EL84 adu-ász manapság is. Nem sikeresek A hozzászólás módosítva: Sze, 21:29
Ez esetben reklamálj a PrimaLuna cégnél, hogy sok éve valótlanságokat állítanak.
Gondolom, ha nem tudná az erősítő a felsorolt csöveket kezelni, tömegesen vinnék vissza a jogosan felháborodott vevők a cégnek, aki már tönkre is ment volna azóta. De pont ellenkezőleg: nagyon népszerűek a készülékeik és már a sokadik verzióban alkalmazzák a bevált automata bias állítást. PrimaLuna erősítők
Részint úgy van ahogy mohinger leírta, részint meg máshogy. Lásd a saját szemeddel. Ez a Prologue One AAB (adaptive auto bias) rajza, azóta ahogy mentek előre az időben mindig módosítgattak valamit rajta, Nekem Prologue Classic-om volt, azon már volt bias átkapcsoló (R4 felett volt még egy átkapcsolható R5 is), relés anódtáp védelem ami bármelyik cső meghibásodása esetén lekapcsolta az anódtápot egy relével és a hibát jelezte is egy piros led-del az előlapon, meg volt diódás-zéneres védelem a kimenőkön, hogy azokon soha ne tudjon megszaladni a feszültség azaz soha ne üthessen át a kimenő.
Szóval, ha megnézed a rajzot, van ugye a bias-nak egy késleltetése, azaz amikor bekapcsolod az erősítőt, a végcsövek azonnal megkapják az anódtápot, de a szükséges előfeszt nem, vagyis úgy 10-12 másodpercig nem folyik áram a végcsöveken. Utána szépen beáll, értéke a 10k trimmerrel állítható be, amit aztán figyel minden egyes 10 ohmos katódellenálláson is, és korrigálja ahogy a cső öregedik. Tehát ha be van állítva a trimmerrel mondjuk csövenként 35mA vagyis a gyári érték, akkor az akkor is 35mA lesz ha 6P3S-E-t teszel bele, akkor is ha 5881-et, meg akkor is ha KT88-cat.
Hogy miben mi van az egy dolog. Nekem azt mondta egyszer valaki, hogy virsli csövekből csak virsli hang fog kijönni.
Ha módodban lesz, hallgass meg egyszer egy jobb gyári SE-t, mondjuk egy 845-tel. Nem egyszerű mert nem sok van belőle az országban, mivel használtan is 5-6 millióért cserélnek gazdát. Utána gyorsan amíg még friss az élmény, hallgass meg egy EL84 PP-t is. Utána el fogod tudni magadban dönteni, hogy milyen különbség van cső és cső között...
Hoppá! Megint jönnek a a semmitmondó, ostoba hozzászólások. Amúgy ha nem vette valaki észre, itt is csak már reklám a hozzászólások több mint fele. Hobbi oldal. 5-6 milliókról beszéltek.
Te mind a 845 véggel szerelt SE-t és 211 SE-t is hallgattál? Mondjuk egy AN EL84 PSE még mindig értéket képvisel. Tisztában vagyok a cső és cső hangja közötti különbséggel. Ami mesterségesen, piacilag felturbózott. Mint minden ma... A hozzászólás módosítva: Csü, 21:14
Pontosan, hoppá!
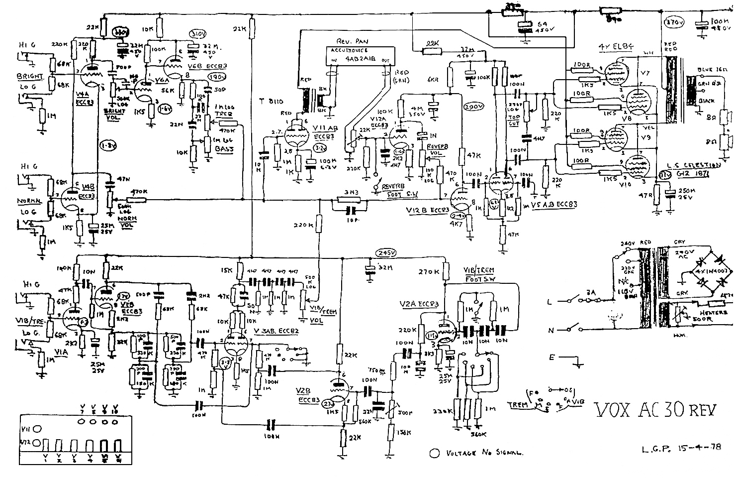
Megint nem írtál az égvilágon semmit, nem segítettél senkinek semmiben csak hablatyoltál összevissza ahogy szoktál. Mi is volt ugye a kérdés? A közös katód ellenállás. Mondjuk ilyen volt pl. a Vox AC30, Altec A340A stb. Amellett, hogy megspóroltak vele egy ellenállást meg egy elkót sok értelme nincs, bár az AC egyensúlyt valamelyest javítja azzal, hogy pl. a kevésbé meredek cső erősítését növeli a nagyobb meredekségűét meg csökkenti. Viszont nagy eltérés esetén meg épp árthat, mert a közös katód ellenálláson eső feszültség az egyik csövet akár le is zárhatja, miközben a másikat meg túlhajtja. Idézet: Dehogy vagy, ha lennél, akkor nem írnál ilyeneket: „Tisztában vagyok a cső és cső hangja közötti különbséggel.” Idézet: Hogy minek mennyi az ára, az nem annak a függvénye, hogy milyen cső van benne, hanem annak, hogy ki gyártotta. Ha az AN akkor horror (tökminegy mi van benne), ha Pista bácsi otthon akkor meg alkatrészárban sem lehet eladni...„Ami mesterségesen, piacilag felturbózott.” A hobbi meg ugye elég tág fogalom, van itt olyan akinek a hobbi erősítőjébe is benne van kb. 1 millió forintnyi alkatrész, plusz a doboz ára... A mai alkatrészárak mellett már egy végfok párt sem lehet megépíteni százezerből sem, és akkor hol vannak még a trafók, hol a doboz, stb. Ja, a régóta létező dolgokról is kapcsolási rajzot kellett betennem, mert szerinted olyan sincs... A hozzászólás módosítva: 14:31
Minél többet akar az ember magyarázni, annál okosabb. Elvileg.. Mit akarsz mondani?
Hogy minek mi az ára, attól függ, mennyi pénzt adnak érte ![]() Maradjunk annyiban, ez egy hobbi oldal (volt) Esetleg érdekelt vagy valamilyen... Kapcsolási rajzokat én is tudok feltenni. Több százat... |
Bejelentkezés
Hirdetés |















)

