Fórum témák
» Több friss téma |
Fórum » Felajánlás, azaz ingyen elvihető
Ez a téma arról szól, hogy ha valakinek van elfekvő alkatrésze (készlete) ajándékba, akkor legyen hova feltennie, ne vesszen kárba, tehát nem kereső téma, ezért nem írjuk be, nekem erre vagy arra van szükségem. Ami még fontosabb, hogy ha fent van valami, akkor NE privátban írjatok rá, hanem itt, mert úgy a fair!
Fontos, hogy ha az adatlapon a felajánlást tevő lakóhelye nincs megjelölve, akkor legalább a hozzászólásba írja bele, hol található a felajánlott termék, különösen, ha személyes átvétel preferált! A pontos lakcímet, telefonszámot viszont csak privát üzenetben, vagy e-mailben írjátok meg, nyilvánosan, a fórumba ne, mert visszaélésre adhat módot! Ebben a topikban gazdát cserélt árucikkeket tilos az apróhirdetésben meghirdetni.
Üdv,
A gyújtót kipróbálni nem tudom. A relét letesztelem. A foxpost 999Ft.
Oké! Köszönöm, akkor, ha a relé jó, akkor jöhetnek, amiket írtam (a gyújtó is – több is veszett Mohácsnál... – az előéletéről sem tudni semmit?)
Sziasztok!
Akit érdekel elviheti a képeken látható állapotú, működő elektromos olaj radiátort. Adatok a képeken. Csak személyesen, nem viszem, nem postázom! Átvehető Csepelen. A hozzászólás módosítva: Szept 29, 2020
Nem épp elektronika, de az alábbi DVD-k elvihetők Maglódról az esti órákban, esetleg Foxpost szóba jöhet.
2db panel bontásra, MJE13005 tranzisztor, kondenzátorok vannak benne.
Átvehető Maglódon az esti órákban vagy Foxpostal tudom küldeni.
Ha bitmixer (úgyis megy) elhozza a CD-ket, akkor kérem.
(C)skodálatos dolgok vannak itt .
Skodahoz ablak idomok (thorax made in czeslovakia) , fűtő idomok, ventilator , sarhanyo. A képeken látható állapotban. Aki szeretné viheti. BP. Soroksár. Hétfőig 10.05. Évekig egy padláson álltak, most kerültek elő.
Ezek még nagyon S100-as cuccok. Vagy annál még régebbiek. (pl. 1000MB, 1100MB, stb.)
A fűtőventillátor alkalmas pl. lakókocsi fűtéskeringetésre.
Én arra gondoltam, hogy ha úgyis itt laksz a szomszédban, és úgyis elmész a két panelért Maglódra, akkor akár el is hozhatnád a DVD-ket is, itt meg majd megbeszéljük, hogy ki sétál el a másikhoz.
![]() De most, jobban átgondolva, igazán nem is kellenek. ![]() Lépjen elő a következő jelentkező.
Az a "következő jelentkező" én lennék
. Nézd meg jobban, hogy mire jelentkeztem...De a paneleket szívesen elhozom neked A hozzászólás módosítva: Szept 30, 2020
OK, az sem kell.
Most hogy visszaolvastam a láncot, igazad van.
Ingyen elvihetők a képen látható alkatrészek egyben. Százhalombattán vagy Érden lehet átvenni őket.
230VAC/5VDC(600mA) USB A csatival. Nem mindegyik működik.
Szia. Én érdi vagyok,és ha lehetne elhoznám őket.
Szia! Rendben, a többit beszéljük meg privátban.
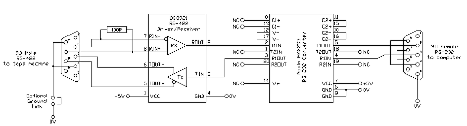
Ha esetleg valaki RS-RS konvertert akar építeni, ezeket oda tudom adni. (3 db. de bontott mint a képen)
A hozzászólás módosítva: Okt 1, 2020
Üdv,
A relé jó, kipróbáltam, a gyújtóról nem tudok semmit.
Köszönöm szépen! Pont akartam kérdezni... Hát, akkor adjunk neki! Pü.-ben elküldöm a Foxpost adatokat ha úgy megfelel.
A hozzászólás módosítva: Okt 1, 2020
|
Bejelentkezés
Hirdetés |














??? 







. Nézd meg jobban, hogy mire jelentkeztem...




