Fórum témák
» Több friss téma |
oké oké nem értek az elektronikához ez tény. De nem sokm olyan Gázkazán van amit ne tudnék megjavítani. ((Gázvezeték és készülék szerelő vagyok))
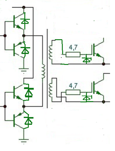
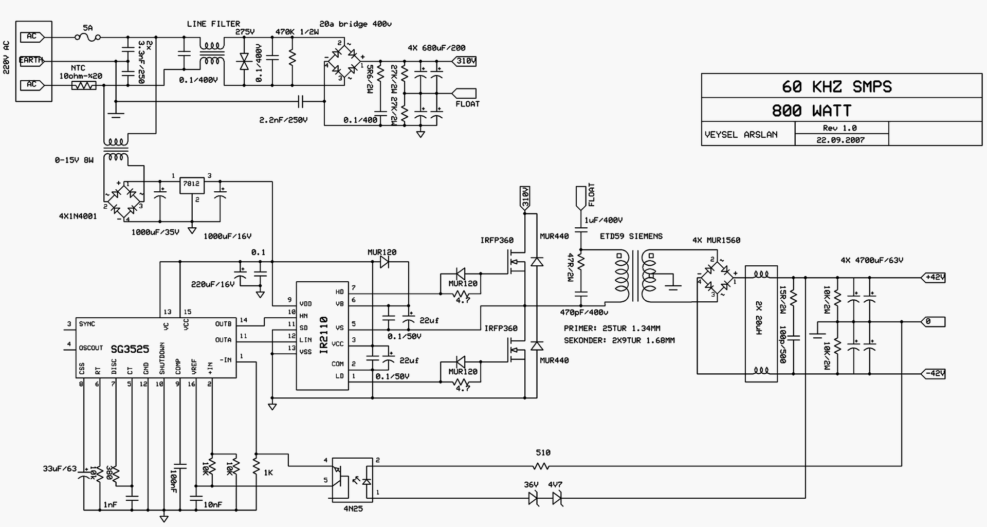
Sziasztok !A véleményeteket szeretném kérni, az alábbi kapcsolásban az IR210es ic-t lehet e gate trafóval helyettesíteni, nem kell ilyen nagy teljesitmény.Csak tapasztalatot szeretnék szerezni ebben a témában, már sikerült eddig egy pár igbt-t meg IR- SG ic-t tönkre tennem. A felső +310V os ági igbt meghibásosdása után az Ir ic felső oldala szintén hibás lett, aminek következtében az SG ic is megadta magát ezt szeretném elkerülni. A jelalak a gate trafóval egyértelmüen rosszabb lett, viszont a biztonségért talán megéri, ha egyáltalán lehetséges a helyettesítése. A gate trafó gyári ,1 bemeneti és 2 kimeneti szimmetrikus tekerccsel rendelkezik. Eddig nem sikerült rájönnöm, hogy hogyan is megy tovább az IGBT-k vezérlése a gate-k tól,ha lehetséges a kiváltás ebben is kérnék segítséget.
Nézz át az inverteres hegesztő készítése topikba, az ott tárgyalt kapcsolások trafós meghajtásúak, az SG3525 adatlapja is hoz egy trafós meghajtás példát.
A hozzászólás módosítva: Okt 24, 2020
Szia! A két dióda között nem kellene egy pöttynek lenni? Amúgy ez a fet csak 400v-os és van benne védődióda.
Kell a pötty. A FET szerintem is karcsú a 400V-tal. A benne lévő body dióda meg technológia okok miatt van. Van ott egy PN átmenet, a mi diódaként viselkedik, terhelhető is, de lassú. Trr=630ns max. A MUR pedig egy ultra fast recovery dióda. Trr=50nS.
Köszi, ezt nem tudtam a védődiódáról.
A hozzászólás módosítva: Okt 24, 2020
A felső igbt jobban melegszik , akkor ebbe légrés nélküli vagy légréses trafó lenne jobb .Az "Sg3525 visszacsatolásában kompenzálni" kicsit lehetne bővebben.
Nem ilyen , hanem 20N60 volt benne az 600V-os, de azt hazavágtam, most 2sk1365 (1000V)-os van, azt már nem szeretném gallyra vágni.Igen szerintem is lennie kellene pöttynek, és úgy is volt bekötve a D-S lábra.
A hozzászólás módosítva: Okt 25, 2020
Az igbtnek kevés a 12V táp ha Ir2110 vezérli...
60 KHzen már jobb a fet, 500Vos bőven elég... A trafó légrésmentes legyen, birja a 60 KHzt? Hol szedted, vagy tekercselted?Nincs túlgerjesztve? "jobban melegszik" - mekkora hütőbordán van? Az Sg adatlapjába érdemes belenézni, pár mondatban nem tudom leírni...
Bocs, hogy megkérdezem, de ha sokkal több mondatban írod le, akkor annak mi az akadálya?
Mit értesz azon, hogy túlgerjesztve? Mi az, hogy bírja a 60 kHz-et? Ez csak méretezési kérdés... A trafón van hűtőborda? 800W-ra még nincs szükség hűtőbordára. Egyáltalán nincs szükség a MUR diódákra, az IGBT-ben benne van ( ellenőrizendő, mert van olyan amiben nincs ), a FET-ekben meg eleve benne van.
Az Ir2110 es felejtős azt szeretném kiváltani gate trafóval, persze ha lehetséges egyáltalán ???Ha nem vagy bonyolult akkor tovább is léptem.
A trafó gyári volt, betettem a mikróba 2 percre 1 pohár víz mellé , majd bőr munkás kesztyűvel széthúztam a ferritet , légrés nélküli volt. Letekertem a meneteket és újra tekertem, 27 menet primer, 2x9 menet szekunderrel.A gate trafó az gyári, hegesztőkben alkalmazzák beöntött tipúsú szétszedni nem lehet ez tutira jó. A hütöborda túl nagy is, 5db 20n60n volt felcsavarozva M3-as távtartóval,csillámszigetelő alátéttel eredetileg rajta, nem hiszem hogy azzal gond lenne, délután rakhatok fel képet.A teljes SG3525 adatlap ki van nyomtatva, tanulmányoztam alaposan.A gate trafóról kijövő jel ami az IGBT-et vezélrelné, mint az a szkóp képen is látszik, két azonos fázisu jelalaku, viszont az IR2110s nél szerintem nem így van, sajnos a 8 lábon lévő részt a hibás igbt tönkre tette így az 1, -8, lábon a jelalakot nem tudtam együtt összevetni.Amint sikerül beszereznem egy újat ez lesz az első, hogy összevetem vele.Hogy túl van e gerjesztve a trafó na arról fogalmam sincs, a trafó eredetileg egy 1000W körüli szerver tápban volt.
Szia!
A szombati kapcsrajzodhoz annyit, hogy a felső IRFP ( vagy 2SK..) gate körében a 22 µF felesleges, ha tényleg az van ott. 1-2 µF is elég a helyén. Azt ugyan nem tudom, hogy a g-s között hogy néz ki az impulzus, de a melegedés attól lehet, ha nem eléggé tökéletes a négyszög ( IR2110 7-5. lábak között ) és nem "kapcsol" a fet rendesen ( itt én nem látok igbt-t ).
Teszem még azt hozzá, amire staci123 is utalt: a 12 volt kevés..
Nyugodtan betehetsz egy 7815-öt a táphoz. A felső fet Ug-s feszültség képzésnél egyrészt levonódik a MUR120-on eső 0.9 V, másrészt az alsó fet Ud-s feszültsége nyitott állapotban, ami az adatlap szerint pár volt is lehet ( de ezt nem mérted ) és mindjárt sokkal kevesebb lesz, mint az alsó fet Ug-s feszültsége. A hozzászólás módosítva: Okt 26, 2020
Oké akkor fet, ez még csak deszkamodelen ment, a 12-17Vközötti tápot labortápról kapta, Sg-Ir ic-vel kb 60-70mA volt az áramfelvétele, csak az SG ic vel és a gate trafóval kb 35mA. A kb + 315V os részt egy külön kapcsoló üzemü táp ilyen részről amelyet lefürészéltem, de ez tökéletesen müködött. Egy bíztos a felső oldali fet melegedett rendesen, de a tüskék alul voltak.Délután folytatom majd, felrakom hogy a g-s között hogy néz ki a jelalak.
A hozzászólás módosítva: Okt 26, 2020
A felső méréssel óvatos legyél, mert a közös pont ugye nem gnd.
Az sg3525 adatlapján lévő ajánlását összedobtam légvezetékkel, az R1,R2 1K ra választottam.a gate elé beraktam egy-egy 3R9 ellenállást. a C1, C2 16V 33300µF lett. Az sg-nek 16V-ot adtam labortápról .A Q1 Drain lábára egyenlőre a HV+ 315V helyett csak 32V-ot adtam amit a labortápom max tud.De jól is tettem mert a Q1-es fet melegedett rendesen, ha 16v-nál nagyobb feszültséget kapott, hatalmas lett a tüske van az alsó részen, és az áramfelvétel 300mA ről 1,5Anőtt.A trafó primer oldalán ilyen a jelalak.
A hozzászólás módosítva: Okt 26, 2020
Hova kellene a soros kondi és milyen értékü, nem teljesen világos ?
A pimer trafó végpontja és a C1-C2 közé ? A hozzászólás módosítva: Okt 26, 2020
Az eredeti rajzodat nézd: ha nagy elkók közé megy a primer, kell vele sorban egy passzoló kondi, nagyjából a frekire hangolva a primerrel.
Ott 1 µF 400 V van éppen. A hozzászólás módosítva: Okt 26, 2020
Oké, köszi 1µF/400v azonnal berakom csak keresek.
A hozzászólás módosítva: Okt 26, 2020
A FET lábára kell Zener dióda, illetve az SG3525 csak kicsi FET-et tud meghajtani, lehet kell a kimenetére egy tranzisztoros meghajtó áramkör.
Beraktam, a változás 24 V -ig csak 120mA vesz fel a korábbi 1,5A helyett és a felső fet kevésbé melegszik. A jelalak ugyan az a tüskék kisebbek lettek de még mindig túl nagy. Próbáltam 2µF is gyakorlatilag nem változott semmi.Az R1, R2 re jó az 1K csak hasra ütés szerint választottam.
Köszömöm megcsinálom, a gate trafó elé berakom az 1 tranzisztoros változtatást. A zénert gondolom a g-s lábaira rakjam és záró irányba vagyis a G-re a katódot az S-re az anadódrészét, van 15, 16, 18V os itthon, melyik legyen szerinted.
Mindegy, 18V -os megfelel. Az egytranzisztoros meghajtás az más, egyenlőre elég egy komplementer emitterkövető meghajtás, a tranzisztorokkal párhuzamosan védődióda. Valahogy így:
Oké, köszönöm nekiállok a módosításhoz.
T1 trafó milyen? Kis szórású toroid lenne a kívánatos trifiláris (a primer és a szekunder vezetékek összefogva, egyszerre tekercselve) tekercseléssel. Bár a szkóp kép nagyon kicsi, de úgy tűnik, a trafód el van mágneseződve egyik irányban. Jó lenne egy kicsit nagyobb kép. A szekunderekről is jó lenne, mert ha a nagy szórás miatt valamilyen lengés van, az inkább ott lenne látható.
Úgy nem lesz jó a zéner a gate körben, ahogy GPeti1977 rajzolta, mert az egyik irányban csak diódaként gyakorlatilag zárlatot okoz. Kettő szembefordított soros zénerre van szükség.
A gate trafó egy márkás inverteres hegesztőbe való eredeti új gate trafó, alkatrész teszterrel mérve mindhárom tekercse 0,2 R, 0,85mH.Köszönöm a figyelmeztetést még nem értem odáig, de majd figyelembe veszem. Készitek képet a főtrafó a szekunder tekercsek jeleiről.
A tüskékkel lesz a gond, attól melegszenek a fetek a Q1 es jobban, egy jó kérdés mi okozza.Amint lesz IR2110-es ic visszarakom a gate trafó helyére aztán meglátom, azzal sokkal jobbak voltak a jelalakok.
|
Bejelentkezés
Hirdetés |





















