Fórum témák
» Több friss téma |
Fórum » Ki mit épített?
Ez a téma ha úgy tetszik a mi "kiállítótermünk", nem pedig a ki mit csinált volna másképpen, mások helyett, és legfőképpen nem javítós téma.
Minden készüléknek van saját témája, ott kell kitárgyalni a részleteket!
FONTOS! A kapcsolási rajzok keresésére is van saját téma, ott keressetek rajzokat!
Ma a kapuk összerakása volt a délelőtti elfoglaltság .
Ezúttal kapcsolóüzemű táposra alakítottam át egy Thrustmaster T300-as kormányt. Az 50Hz-es trafós megoldás 50Hz-ét lehetett eddig érezni a kormányon és hamar el is gyengült valamiért, de ezzel a táppal ez a jelenség megszűnt.
Na meg egy gombos lap is készült kulcsos önindítóval, arra egy T100-as kormány elektronikája került, ami ki lett egészítve gomb kivezetéssel, mert az ahhoz szükséges alkatrészek gyárilag a kormány gombos panelján voltak. Videó a kulcsos indításról Így van még 3 analóg tengelyem is, a következő egy kézifék lesz
Sziasztok!
8 éves lányomnak készítettem karácsonyi meglepetésnek ezt a nixie órát. A kapcsolás az alap Tom025 féle rajz, a nyákokat kicsit átterveztem anno, hogy ebbe a dobozba beleférjenek. Köszönöm, hogy megnéztétek.
Szép munka!
Köszönöm
Nagyon szép ,csupán csak egy észrevételt tennék , a dobozt biztositsd hogy ne lehessen kinyitni / nekem is az unokák 7meg 4 évesek oszt szerelnek ám rendesen!/
Ebben meg ugye van 170 -200 volt DC ,fő a biztonság! A hozzászólás módosítva: Dec 18, 2020
A képet még betette csupán a szöveg maradt el,
Ha már nixie ,csupa véletlen pont most üzemeltem be ezt az egyszemest ,dobozolás később .
Köszönöm!
A lányom nem nyúlkál bele, a fiam annál inkább, így ez biztos helyen lesz. A másik pl. vitrin mögött van.
Gratula, és külön köszönet a profi fotókért is!
Ja, és tiszta steampunk!!! ![]() Pár fogaskerék még dobott volna rajta, de KIRÁLY! A hozzászólás módosítva: Dec 18, 2020
Sziasztok !
6 éve én is építettem egy nixie órát ,6db Z560M felhasználásával. A dobozolása a mai napig várat magára
Az enyém is elindult. TTL nixie óra.
Így ránézésre CD4060 meg 32.768KHz kvarc, de majd a kolléga kijavít.
Ez meg ágyúval verébre.
639 Ft Clock and calendar with 240 x 8-bit RAM Biztos erre gondoltál? Ez egy komplett óra. A hozzászólás módosítva: Dec 20, 2020
Sziasztok!
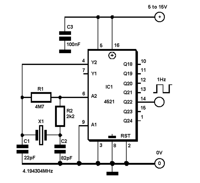
Mivel az 1Hz-es időalap sokakat érdekelhet, bemutatom az általam favorizált áramkört. Ez egy darab cmos IC-vel működik, és három változatban is megépítettem. A legnagyobbat (2 raszteres) nem tudtam lefotózni, mert már valamibe beépítettem. A közepes méretűből, aminek a szélén egy tüskesor van nemcsak az 1Hz, hanem 0.25, 0.5, 1, 2, 4, 8, és 16Hz is kivehető. Egy gyenge kis videót is készítettem róluk. Szép napot kívánok! manolo
nagyon egyszerű megoldás .
Ráadásul csak addig adja az 1Hz-et amíg be nem állítod rajta az aktuális időt és dátumot.
Ez tévedés.
Nézd meg és olvasd el az adatlapját. Ezt használjuk RTC-nek a PIC órában, ott állandóan frissítve van az idő és dátum (SDA SCL) és mindig van villogó kettőspont. De ezt ne itt fojtassuk mert kikapunk. A hozzászólás módosítva: Dec 20, 2020
Hol vesztek ilyen frekvenciájú kvarcot?
Simán lehet venni Bővebben: Link
Szinte bárhol, mert "kerek" érték. Kemény 145 Forint.
Köszi nektek.
Csak a HESTORE-ban néztem. Ott nincs.
Nekem tetszik, de miért nem 32kHz-es kvarcot használtál ?
Szia!
Azért, mert az a kvarc ide nem felel meg. Ez az IC egy 24 fokozatból álló osztót is tartalmaz, aminek csak az utolsó 7 fokozata van kivezetve. Minden osztó 2-vel osztja az előző fokozat értékét (flip-flop-ok). Ha a kvarc frekvenciáját elosztod 22x2-vel akkor pont 1-et kapsz (1Hz), és ez az IC Q22 14-es lábán jelenik meg. Remélem jól, és érthetően adtam ezt elő. Szép estét, és kellemes ünnepeket kívánok Mindenkinek! manolo
Orion kis végfok kicsit másként .
Eredeti hűtőbordára szerelve .
Jó kis áramkör, nekem az smd-s megoldás tetszik. Próbáltál vele órát hajtani ?
Mennyire pontos ? A hozzászólás módosítva: Dec 22, 2020
Csak amennyire a kvarc ... Azt kell nézni hogy mennyi a kvarc PPM értéke , ez minél kisebb annál kevesebb a késés sietés .
Wow, Szuper!
![]() Kár, hogy nem lehet kit-Ben is kapni, mert az én öreg SE1025B-m is felújításra szorulna. Boldog Karácsonyt Barátaim! |
Bejelentkezés
Hirdetés |








































