Fórum témák
» Több friss téma |
Mielőtt kérdezel, a következő két dolgot ellenőrizd!
I. A helyes tápfeszültségek megléte.
II. A kimeneten van-e egyenfeszültség.
Élesztés.
50k-s van benne a nyák felirata alapján. Esetleg tesztelni lehetne valahogy ellenállások rákötésével? Vagy csak potméter cserével?
Kisebb potméter esetén az erősítés mértéke is megváltozik?
Köss 6k8 - 10k ellenállást a csúszka és a test közé!
Köszönöm, 7k-s ellenállással nagyon sokat csökkent a zaj. Kísérleteztem még, 680 ohmossal már egyáltalán nem hallom. Akár így is maradhatna, mert a leggyakrabban használt alacsonyabb hangerőtartományban most nagyon finoman lehet állítani a hangerőt, a végén ugrásszerű.
Milyen értékű potmétert kellene beletenni az 50k-s helyett, ha a 680 ohmos kiegészítéssel lett megfelelő a zúgás hiánya? Esetleg, ha megfelel a hangerőszabályzás karakterisztikája, így is maradhat?
Ha jól követlek hangkártya lesz a jelforrás, ami 670 Ω-mal nyugodtan terhelhető. A 670 Ω a feltekert állás eredője.
A potit akár 1k log-ra is cserélheted.
Igen, hangkártya a jelforrás.
Hálásan köszönöm, nagyon jó lett! Végre nem kell le-föl kapcsolgatni. Ha bekapcsolva hagytam véletlenül, mikor már nem szólt hang, egy idő után nem tudtam, mi zavar borzasztóan, míg le nem kapcsoltam a zúgást. Ez nagy segítség volt számomra.
Szia!
Nem azon a 800Ft-on múlik, hanem a hozzáállásán. 3000Ft-os WBT MP3 modult egyszer már vetetett velem, aztán visszaadta, hogy az egy xar. Szerintem be sem tudta kötni, tök hülye az elektronikához (épületvillanyász). Én meg mivel már kifizettem, ráadásul villamosgép-szerelő vagyok, csináltam belőle unokaöcsémnek egy 2x20W-os erősítőt, amit két éve nyúz. Az SMD egyébként sem nekem való, a digitális erősítő technika meg pláne nem. Az aktív dobozt megcsinálom neki (ha tényleg a 11 éves kislányának lesz), feltétel, hogy legalább hálózati trafót adjon hozzá.
Élesztgetés közben az R672 (82Ohm) elkezdett füstölni. Hoppá rájöttem, hogy nem állítottam a beállításokat. Kis segítséget kérek megint. P666 on be tudom állítani 0-10mV-t. De 642-őn amint kb. 8mV fölé megyek elkezd felkúszni 50mV fölötti értékig. Ott lekapcsoltam. Így most 0,6mV hagytam. Így stabil és nem füstöl. Lehet valami gond vagy haghatom így? Köszönöm.
Most hangfallal tesztelve szól. De már közepes hangerőn elkezd füstölni az R672. Rejtély...
Ezeket a méréseket egymástól teljesen függetlenül kell elvégezned.
Először végtranzisztorok nélkül, P666-tal beállítod nulla közelébe a kimenti egyenfeszültséget. Még mindig végtranzisztorok nélkül, a P642-vel 0,5 V-ra állítod az R652 és az R672 ellenállásokon eső feszültséget. A két érték között lehet egy minimális eltérés, de egyik sem lépheti túl a fél voltot! A 82 Ω ellenállás melegedése szóba sem jöhet. Most köthetők be a végtranyók. A bemenetet testrezárva, kimenet továbbra is hangszóró nélkül. Az X-Y pontok között még nem 20 mV-ot, hanem csak 10 mV-ot állítasz a P642-vel. Ellenőrzöd a kimeneti feszültséget és korrigálod szükség esetén. Ekkor köthetsz hangszórót a kimenetre kb. 100 Ω soros ellenálláson keresztül és végezhetsz meghallgatásos próbát. Ha ez sikeres, mehet direktben a hangszóró. Félórás járatást, melytől a hűtőborda átmelegszik, követően állítod be X-Y között a 20 mV-ot. Ha füstölt az R762, akkor eltértél az eljárás sorrendjétől, vagy a T673 nincs jól bekötve, esetleg hibás ez a végtranzisztor. A 0,6 mV, 8 mV és 50 mV értékeket hol mérted? A hozzászólás módosítva: Dec 15, 2020
Köszönöm. Az XY pontok között. (Itt abszolút értéket kell figyelni nem számít az előjel?). Érdekes ogy a másik végfok panelon nincs probléma. Lehet vadi új végtranzisztor is hibás. Bár lemértem mielőtt beszeteltem.
5percel később: Bakker...!!! Kiszedtem újra a panelt. Tényleg nagy respekt a segítségért . A bd249 bázisát nem forrasztottam be. .. jó utolsó végfok javításom. Öregszem.
Nem olyan nagy varázslat ez, csak követni kell az előírt lépéseket és óhatatlanul belebotlunk a hibába
Szia!
Érdekes ez a TPA31XX erősítő. A gyári adatlap szerint az erősítést a visszacsatoló körben lévő elemek határozzák meg. 20dB erősítés esetén 60kOhm, 36dB esetén 9kOhm a bemenő impedancia, tehát azt gondolnám, ha az erősítésre a 36dB-es érték van programozva, és a bemenetekre egy-egy soros 25.5kOhmos ellenállást teszünk, ugyanazt az eredményt kapjuk, mintha 20dB-es értékre programozzuk az erősítőt. De nem. Alacsony impedanciáról hajtva a 20dB-es állásban igen alacsony a zaj, 36dB-es állásban két soros 25.5kOhm esetén viszont nem. Pedig az adatlapot böngészve ez a két opció egyenértékű.
Sziasztok.
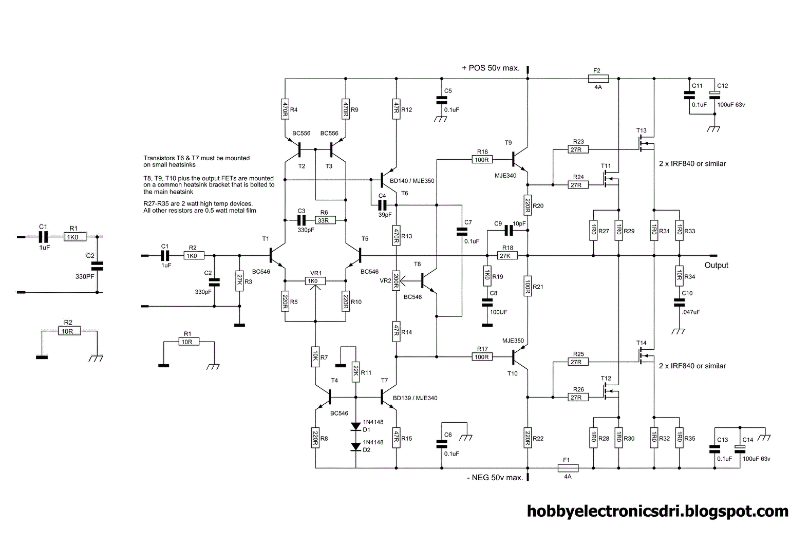
Mintha már kérdeztem volna, de nem tudom hol. A képen csatolt erősítő mennyire lehet működőképes? A hozzászólás módosítva: Dec 21, 2020
Semmi rajzot nem adtál vele, nem mintha nem lehetne látni pillanatok alatt, hogy roppant egyszerű végfok. Ahhoz hogy te ebből kikönyörögj 200W-ot 8ohmon /8ohm!/ legalább +-60-65V-tól feljebbi tápfeszültségekben kéne járatni. De semmi különösebb túláram védelem, egyebek nincsenek itt csak egy nyug. áram beállitás. Source ellenállás mérete nekem kicsi, legalább 3W-ost tennék oda, ami így csak állítva fér be.
A hozzászólás módosítva: Dec 21, 2020
Sziasztok
Megépítettem ezt a kapcsplást, a jobb oldali tökéletesen szól, a bal oldali is szól de nagyon torz és recseg és az a tranzisztor eléggé melegszik is. Mind a két oldal ugyanolyan alaktrészekkel van feléptve, a bal oldali tranzisztort cseréltem is már de az is ugyanazt produkálja. Hol keressem a hibát? A hozzászólás módosítva: Dec 21, 2020
Szia! Fotózd le!
Rajz az nem volt mellé az oldalon. Egyébként ennyit is írtak tápfeszültségnek. Nem mostanában akarom megépíteni, csak az IRFP250N feteknek keresek valami erősítő kapcsolást. Nekem elég lesz 2×50W 8 ohm-on, azaz 2 fet egy oldalra. De akkor elméletileg működőképes a kapcsolás, köszi.
Ehhez hasonlót építettem régebben valami hifibe, jónak jó de van jobb is. Építse meg Karesz50 földért kimenetű végfokát, mondjuk ahhoz kell a párja is, de az legalább gyönyörű hangon szól. Még panelt is kaphatsz hozzá alkotótól. Én már kétszer is meg építettem azt. Nagyon jó.
A hozzászólás módosítva: Dec 21, 2020
A mellékelt rajzot találtam hozzá. A pozitív oldali gate meghajtásnál kissé elmélázott a költő
Nem szeretném túlbonyolítani a dolgot.
reloop Szia, biztosan, de az is biztos hogy én nem látom a problémát.
Csatolok egy kimunkáltabb kapcsolást.
Nekem ezen a rajzon annyi tűnik fel hogy több benne a tranzisztor.
, meg hogy panel sincs hozzá rajzolva. A hozzászólás módosítva: Dec 21, 2020
Ja. De jobb a meghajtás is és még számos jó előnye van.
Elterjedt kapcsolás, biztos van hozzá NYÁK-terv. Nem ugrik be ennek az erősítőcsaládnak a neve, van belőle 400 és 600 W-os változat is. Arra keresve megkerülnek a kivitelezési rajzok.
Elhiszem hogy elterjedt, meg nyilván jobb is, de nálam az egész az IRFP250N-re épül. Ehhez kerestem kész rajzot paneltervvel együtt, és mint írtam, nekem nem kell több 2×50W-nál.
Akkor építsd meg az általad fellelt NYÁK alapján, működni fog minden bizonnyal.
Üdv.
Rövid kérdésem lenne, ebben a h-osztályú kapcsolásban cseréltem végtranyókat, átellenőriztem mindent. Ahogy melegszik úgy tűnik el a torzítás, kéne egy kis nyugalmit adni neki. Nyugalmi áramot az r117 kellene állítani ? Köszönöm a segítséget előre is.
Szia! Csak akkor adhatsz neki nyugalmi áramot, ha megoldod a hőkompenzálást!
Az R117-nél kényelmesebb lenne a Q101 osztójánál beavatkoznod, de a Q101 hűtőbordára fogatása nem biztos, hogy elegendő. A hozzászólás módosítva: Dec 21, 2020
A Q101 és Q115 van bordára rögzítve. Itt a teljes doksi :
A hozzászólás módosítva: Dec 21, 2020
Ha így látta jónak a tervező, akkor R110 helyére bekötnék ideiglenesen egy 3k9-4k3 ellenállás +1k trimmert, és az R121-R122-t felhúznám 2-3 mV feszültségesésre. Utána visszamérés, fix ellenállás(ok).
Mivel a Q101 eddig is a bordán volt és melegen csökkent a keresztezési torzítás, nem mondható termikusan stabilnak a kapcsolás. Ezért üzemmeleg állapotban is ellenőrzendő a nyugalmi áram értéke. A beavatkozásnak akkor van létjogosultsága, ha a bemelegedett erősítő jelen állapotában 50 mA-nél kisebb nyugalmi áramot produkál. |
Bejelentkezés
Hirdetés |
















