Fórum témák
» Több friss téma |
Mielőtt kérdezel, a következő két dolgot ellenőrizd!
I. A helyes tápfeszültségek megléte.
II. A kimeneten van-e egyenfeszültség.
Élesztés.
Lássunk pár szabályt a testvezetésnél!
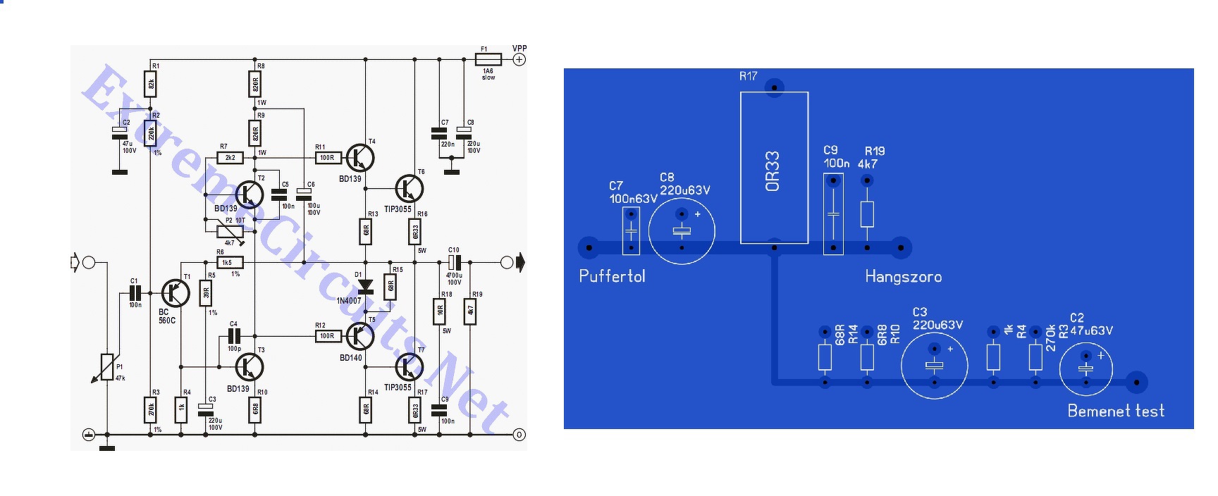
1.Mivel van tápszűrő kondink, a puffertől jövő vezeték semelyik alkatrészt nem érheti el C7, C8 előtt! 2.A C9, R19 és a hangszóró R17 test lábához kell kapcsolódjon! Lehetnek C8, R17 között is, ahogy jobban kiadja magát. 3.A bemeneti testhez kapcsolódó alkatrészek test vezetőjét az R17-től kell indítani! A sorrend nem kötött szigorúan, de célszerű tartani. Szerk.: a rajzot is a magyarázó ábrára montíroztam A hozzászólás módosítva: Jan 5, 2021
Szia!
Először is köszönöm a segítséget ! Másrészt javítottam a nyákterven , (Ha nem rontottam)! ![]() Várom az észrevételeket. Engem érdekelne az is , hogy a szerző miért ezeket az értékeket adta meg, ha ebben a formában nem működik? A kondenzátorok feszültségtűrése nyilván nem lesz nagyobb 63v-nál, nem szándékoztam 100 voltosat tenni. A képletről annyit , hogy nem szoktam ennyire belemélyülni !Ez így jó lenne 1/(1500*220*6.28)?? A hozzászólás módosítva: Jan 5, 2021
Az egyismeretlenes egyenletet még ne nevezzük mélységi belenyúlásnak!
A (remélem) jól ismert f=1/(2πRC) képletet rendezzük C-re, C=1/(2πfR)= 1/(6,28*5Hz*39Ω)=0,0008F (Farád). Ezt nevezhetjük 800 µF-nak is. A gyakorlati érték 1000uF. Üzem közben ezen a kondin szűk 25 V-esik, egy 35 V-os példány kielégíti az igényeinket. A panelterv korrigálásától még elég messze járunk, a módosítások helyett inkább jelezd, ha nem sikerült érthetően elmagyaráznom valamit. A kimeneti csatoló kondit nem tervezted a végerősítő mellé, ezzel magam is így szoktam eljárni. Célszerű egy külön panel, mely magában foglalja a kimeneti csatolókat, a Zobel-eket, a kimeneti kondik testre húzó ellenállásait és a 40-50 W-nál már aligha nélkülözhető koppanásgátlót. Csökkenti a gubancot, ha ebbe a panelbe beépíthetők a hangszórócsatlakozók is. Az előbbi testvezetés ábrán nem véletlenül indítottam külön ágat ezen alkatrészek számára. Egy újabb bejegyzésben leírom, miként kötném szabályosan a pozitív tápra az alkatrészeket. Készítek ahhoz is magyarázó ábrát. Ej ne felejtsem, R8, R9 2W-osban is kellemesen fog melegedni, tehát nagyobb testű alkatrésszel számolj és lehetőleg ne melegítsenek elektrolit kondenzátort! A bemeneti csatoló 470 nF. A hozzászólás módosítva: Jan 5, 2021
Jelezd ha neem jól értelmeztem.
A záróljelben lévő értékeket összeszorozzuk, azután egy osztva a kapott értékkel, és megvan a kondi értéke!Szóval ha pl 100 ohm az ellenállás értéke akkor 1/(6.28*5Hz*100)=318uf?? A 6,28 az a pi kétszere ugye?
"a szerző miért ezeket az értékeket adta meg?" - erre még nem válaszoltam.
A kapcsolás ebben a formában tökéletesen megfelel például gitárerősítőnek. Ha nem szeretnéd az átvitel jelentős csökkenését a 20Hz-40Hz közötti oktávban, akkor bizony a karcsúnak aposztrofált kondik mindegyikéhez hozzá kell nyúlnod.
Helyes. Megpróbálkozol a kimeneti csatolóval? Ehhez tudni kell a hangsugárzód névleges impedanciáját, ezt helyettesítjük be R helyére.
A hozzászólás módosítva: Jan 5, 2021
Idézet: „Mi az indok? Említettem ,hogy gyorsan dobtam össze.” A nyák tervezés legalább annyira fontos része az erősítő tervezésnek, mint maga a kapcsolás megtervezése. Ezt nem lehet csak úgy összedobni. Azért a "tervezés" kifejezést. mint fogalmat használjuk, mert ez valóban tervezés kell legyen. Minél rutinosabb az ember, annál több "vért izzad" mire ki meri jelenteni, hogy elkészült a nyák tervezésével és ennél jobbat a jelenlegi tudásával nem tud kihozni az adott kapcsoláshoz. Ez nem annyiból áll, hogy húzok egy GND vezetéket, majd összekötözgetem egymással az alkatrészek lábait. Vannak szabályok amiket mindenképpen be kell tartani. Az egyik, hogy a tápszűrő kondiknál a kondira két vezetékkel "bemegyünk" és két vezetékkel "eljövünk". Ez már 2021-szer le lett írva, rajzolva, elmagyarázva. A másik, hogy a nagyobb áramúrésztől haladunk a kisebb áramú pontok felé, tehát a betáptól a bemenet felé. Ha szükséges és lehetséges, kialakítunk külön nagyáramú földet és külön jelföldet. Átgondoljuk melyik szakaszon keletkeznek zavarjelek és ezeket izoláljuk a bemeneti- és a visszacsatolókör szakaszaitól. Ezért írtam, hogy ez így nulla. Kezd el elölről, nyugodtan, megfontoltan, időt és fáradságot nem kímélve. Csak így tanulhatod meg rendesen ezt a szakmát, hobbit, vagy mindegy minek nevezem...
1/(6.28*5Hz*8)=0.0039 ez így jó?
Kicsit elbizonytalanodtam!
A µ - mikró milliomodrészt jelent, F helyett µF-ban érthetőbb az eredmény, ami 3900 µF-nak is mondható. A rajzon előírt 4700 µF tehát megfelel. Ugye nem olyan veszélyes ez a kis számolás?
Köszönöm a választ !
Természetesen megfogadom amit írtál ! Egyébként több tucat erősítőt építettem, de ebből mindössze 2-vel gyűlt meg a bajom gerjdés , földhurok téren!Amikor az embernek szinte semmire nincs ideje , akkor tud érdekes nyákterveket készíteni sajnos , nekem is ez a problémám... Valamelyest javítottam a nyákon , próbáltam a vezetősávok "útjain rövídíteni" stb stb! Ez is 0 lett vagy alakul? A hozzászólás módosítva: Jan 5, 2021
Nem vészes egyáltalán , csak sajnos eddig nem foglalkoztam ilyesmivel , utánépítettem és kész!
A kondenzátorok "váltóit" tudom azzal nincs baj , nem okoznak gondot a nullák. Nem mertem kiírni a kapacitást, nehogy letoljon érte valaki , hogy nem jó! ![]() Bemeneti kondenzátor értékét hogyan számoljuk? 1/(2*pi*freki*bemeneti impedancia)*?? A hozzászólás módosítva: Jan 5, 2021
A bemeneti impedanciára írtam, hogy három-összetevős, a tranzisztor bétáján is múlik. Írj be 68kOhm-ot!
Ez a szőrszálhasogatás azért van a NYÁK-tervezés körül, mert a vezetősávnak, ha mégoly széles is van ellenállása, értelem szerűen induktivitása és a környező alkatrészekkel kapacitás is kialakul. A háromból legalább az elsővel foglalkozzunk komolyan amatőr szinten is! Lehet nem fogy búgni, nem fog gerjedni hallható, vagy nem hallható frekvencián, de a vezetősávon eső feszültséget alkalmatlan helyen becsatolva (ilyen a terveden például a jelföld és a visszacsatoló kondi, ami egy nagyáramú vezetősáv két eltérő pontjára esik) lengések jönnek létre, amit csak akkor érzékelnél, ha tudnád hogyan kéne enne a kapcsolásnak rendesen megépítve szólnia. Becsületedre legyen mondva, kérdezel. Ez jó! A magyarázat és annak a gyakorlatba való átültetése, sajnos időigényes. Vigasztaljon, hogy kevés szabály van, azokat mindössze következetesen be kell tartani.
Nekem is örömömre szolgál, hogy valóban sokat fejlődtél az ominózus áramgenerátor vitánk óta - ami rég volt - de nem felejtettem el. Szerényebb vagy, megtanultál helyesen írni és abból látszik, hogy sokat tanultál, hogy kezded belátni mennyivel jobban értik a fizikát az elektronok, mint mi. Minél többet tanul az ember, annál több kérdést tud feltenni magának amikre keresi a választ, de vagy a tudásának határai korlátozzák ebben, vagy az élettartama.
Szóval... van időd, kezd el újra ezt a nyák-tervezést onnan kiindulva, amit reloop fentebb nagy vonalakban felvázolt neked. Segítünk, mert más is tanulhat belőle.
Rendben van , köszönöm!
Egyébként az is nagy segítség lenne , ha látnék egy-egy tőletek származó, hasonló alkatrész mennyiséggel ellátott erősítőkapcsolás nyáktervét...
A puffertől érkező pozitív táp nem juthat el egyik fogyasztóhoz sem a helyi tápszűrő megkerülésével. Nálad a szűrés csak az R1-re igazán hatásos.
Feltételezem a végtranzisztorokat és a nyugalmi-áramot stabilizáló T2-t huzallal tervezed bekötni valamilyen megfontolásból. Nincs ezzel baj, ha elég rövid vezetéket használsz. Akkor lesz rövid a vezeték, ha ennek a három tranzisztornak a panel szélére kerülnek a bekötési pontjai. Esztétikusabb is lesz tőle. Látom mintát keresel, íme.
Szépmunka!
Valójában a jelföld a leglényegesebb szempont , tehát akkor , ahol az áram útja végződik mindig onnan kell jelföldet adni a bemeneti fokozatnak , és annak stabilizálásáért felelős ,osztóknak ,szűrőknek..
A lényeg, a bemeneti testpontot a visszacsatolás testpontjával összekötő vezetősávon ne folyjon más áramköri elemek árama.
Látod, magamat is következetlenségen kaptam, a C3 a csatolt ábra szerinti helyere való!
Egy kicsit szemléletesebb lenne, ha mondjuk piros színnel vezetnéd a fóliát a biztitől a tranyó kollektoráig és onnan mennél el a kondikhoz. Utánna ezt át kellene húzni és odaírni, hogy ROSSZ!
Az a baj, hogy a kezdőknek elég megfoghatatlan az, hogy két dróttal ( vagy fóliával ) elmegyünk a kondira és utána két dróttal elmegyünk a kondiról. Így viszont lenne összehasonlítási alap. A hozzászólás módosítva: Jan 6, 2021
Az ilyen elrendezést én kerülném. Amelyik fóliacsíkon rajta van a végtranyó kollektora, és annak az árama már rángatja, arra én utána nem kötném rá egyik kisjelű tranyó kollektorát sem, de még a meghajtóét sem. Oda közvetlenül C8 forrszeméről vinnék áramot. Illetve azon a szakaszon C7 (C7-et és C8-at helyileg felcserélném), forrpontja kellene jelentsen egyféle csillagpontot, amiről(ből) a fokozatok áramot kapnak.
Csak egy kérdés:
Ha mondjuk sztereó erősítő készül belőle, ráadásul közös tápegységről kívánja az építő üzemeltetni, a GND és táp bevezetését hogyan kell megvalósítani? Nagyon sok amatőr végfok már itt elvérzik.
Itt van néhány egyszerűbb és bonyolultabb példa...
Általában nem úgy, ahogy a kapcsolási rajzon van, azaz ebből a szempontból a neten keringő kapcsolási rajzok 99,99%-a hibás, mivel a rajz szerint ezek a pontok csak fel vannak egymás után fűzve. Ha sztereó végfok jár közös tápról akkor azt úgy szoktam régebben, hogy elindulok a táp csillagpontjából, és már ott szétválasztom a 2 oldalt, mintha 2 külön táp lenne, és ezek külön külön mennek a 2 végfokra. A végfok becsatolási pontja egy kondi lába, ahonnan 2 ellenkező irányba indulnak a vezetősávok, az egyik a nagy áramú (végtranyó) a másik a gyengeáramú irányba. A gyengeáramú irányba fokozatonként jó ha van még plusz szűrés, de nem feltétlenül kell, illetve azon kondiknak a földvezeték elvezetése még átkötésekkel is macerás úgy, hogy a megfelelő helyre csatlakozzanak, azaz ne folyassanak olyan helyen plusz áramot ahol nem kéne.
És a két oldal jelföldje hol találkozik egymással? Mert a bemenetnél mindenképpen fog és már ott is van a földhurok...
Mint elmondtam , dupla szekunder 2x35VAC-ról fog tápot kapni! Tehát nem lesz közös a táp!
Hátt ehhez csak gratulációt lehet hozzáfűzni, na meg persze köszönöm a rajzokat is!!
A hozzászólás módosítva: Jan 6, 2021
Sehol nem szokott találkozni a két oldal jelföldje. Meg nem mondom már hogy miért nem, vagy fel szokott szakítva lenni a kör, vagy szimmetrikusan ellenállásokkal volt megoldva, de az biztos hogy sosem volt földhurkom. A gyári cuccok zöme is közös tápról jár, gond nélkül.
Ezt már elfelejtettem. Akkor egyszerűsíti a dolgokat, ha duál monó lesz. Rajzolgatok neked valamit... már elkezdtem.
Ez is össze van csapva, még vagy fél napig tologatni kellene az alkatrészeket, de kiindulásnak szerintem elmegy. Túl hosszú a tápvezeték, ez valahogy sehol nincs jó helyen. Nagyobb baj, hogy túl közel van a hangszóró kimenet a bemenethez... azt valahogy át kell variálni.
A bemeneti osztót átszámoltam a 48V-os táphoz és megmódosítottam a nyugalmi áram beállító potit (az eredeti rajzon az a 4k7 viccnek is rossz). |
Bejelentkezés
Hirdetés |

















