Fórum témák
» Több friss téma |
Az izzónak hidegen bekapcsoláskor nagyobb az áramfelvétele, inkább nagyobb áramú diódával csinálnám.
Ha már vettétek a szívességet és segítettetek ,lenne még egy kis dolog.Arduinoval csináltam egy
potméteres PWM-es fesszabályzót.Sima fali 12V-os kapcs.üzemű táppal.Viszont a mozdony sípoló hangot ad.(nem mechanikusat)Másik táppal nem csinálja.Netről szedtem le a kapcsolást DC-motorhoz írták.Másik trafó LM 317-el jó.Ez vajon mitől lehet?Köszi ha adtok tanácsot,műkedvelő vagyok a témában. ![]() Dióda:1N5818 ? 1N4004? A hozzászólás módosítva: Jún 25, 2019
Növeld meg a PWM frekvenciát, minden bizonnyal azt hallod.
Szevasztok:Nekem rosszabb a helyzetem ugyanis 150v-270v-megy a fesz,nálunk az émász nem törődik vele ,a gázkazánhoz 230v-os stabilizátort vettem,tavaly 2x tönkrement,kinek jelezzem a kis ember levan::,már azt mondták cseréljem a házban lévő vezetéket (de az oszlopon is ennyi),a mosogép új de nem megy 2200w-os, most kissebb fogyasztásut kéne venni,heggeszteni nem lehet,ha avillanyfürészt bekapcsolom a szomszéd örjöng,ezért érdekel engem is ez 230v-os stabilizátor megoldás de 10a-rre 3fázisom van örökké cserélem a jobb terhelhetőségre de sajnos igy is baj van,én vette egy 2fázisú 380v/220v-os trafot de nem vált be,itt mit lehet tenni köszi
Hello! Ez azért nem így van, vagy kellene hogy legyen..
Ez Elműnek ,van üzleti szabályzata. Elosztói Üzleti Szabályzat 2018 Ezt kell elolvasni. és a 4.8 fejezet /h részében van a "A felhasználók biztonságos ellátására vonatkozó garanciák" részben le van írva a kötelességük. De bejelentést lehet tenni a Nemzeti Közművek honlapján is. De ha nem jó helyre küldöd be, kötelességük továbbítani. Ez is benne van az üzleti szabályzatban. Az 1. számú mellékletben "A villamosenergia-szolgáltatás feszültség minőségi jellemzői" 1.2 pont alatt, bármikor a napon a nap 95%-ban a névleges feszültség +-7%-on belül kell lenni és ezen túlmenően az egyhetes mérés valamennyi 10 perces mérés átlagértékének, a névleges érték +-10% tartományába kell esnie. A hibabejelentésre 15 napon belül válaszolniuk kell.
Hello. Egy tv alaplapja nem kapcsol be, a gond valószínűleg feszültség hiány. Lenne itt két kis IC, gondolom valamilyen feszültség szabályzó. Mind a kettő kinézetre ugyanaz, viszont más van rá írva. Lehet más feszultseget szabályoz. Mind a kettő lábára van kötve tekercs, ez lehet a kimenet. Egyik tekercsen van feszültség, a másikon nincs.
Az ABP5 7P11 a ludas, annak a kimenetjén nincs feszültség. Viszont nem találok róla infót, mi is ez egyáltalán, milyen feszultsgenek kell lennie. Apropó, ha külső táppal meg tudnám hajtani a kijelzot, talán be is indulna. Hány volt mehet a kijelzőre?
Tud valaki olyan kész "stabilizátort", ami 230V-ot terhelés szabályzásával (bojler) tartja egy bizonyos feszültség érték alatt? A megmérem a feszültséget, fogyasztót ki be kapcsolgatom dolog nagyjából működik, de szeretném finomítani valami fázishasítós szabályzással. A processzoros megoldás marad, vagy van valami egyszerűbb analóg módszer is? ( áramszolgáltató egyenlőre nem opció).
Egy régi RT újságban leközölt kapcsolást anno megépítettem és működött.
Masszív 10%-20%os feszültség csökkenést hivatott on-off módon orvosolni. A fogyasztó teljesítményének 10-20%-os teljesítményű trafó szekunder feszültségét (24V...) sorba kapcsolta a hálózattal, így megemelve a feszültséget. Ez csak fapados megoldás, de anno szükség volt rá. Egyébként a házunkban a 3 fázisból pont az jutott a műhelyembe, ami masszívan mindig 205-215V között kóricál, a másik 2-ő hozza a névlegest. A kapcsolás egy egyszerű küszöbérték kapcsolót tartalmazott, megfelelő hiszterézissel. A cikk címe kb. Feszültség stabilizátor színes TV-hez, valami ilyesmi és 1979-1982 közötti számok valamelyikében van...
Triakos fázishasítás, de ez termelni fog némi zavart is.
A zavarra én is gondoltam, ezért is van jelenleg a ki-be kapcsolgatós variáció. Csak nem hiszem hogy egyedi a problémám, hátha van valami kitalált megoldás. Lusta vagyok a feszültségvezérelt fázisszög hasítást, és a hozzátartozó arányos feszültséget előállító részt kitalálni. Mielőtt kontrollert keresnék hozzá, gondoltam kérdezek. Aztán persze lehet győz a lustaság ( meg a hálózat védelme) és valami autotranszformátoros lépcsőzetes kapcsolgatás marad. 1,8KW-ot kellene legalább 2-3 lépcsőre felbontani. Legegyszerűbb lenne a bojlerbe két fűtőszál, de azt nem akarom átalakítani.
A hozzászólás módosítva: Máj 30, 2021
Ha 1 lépcső is elég akkor 1db dióda, de annak meg a toroid trafók nem fognak örülni a lakásban mert elhúzhatja a középértéket. A hajszárítóknál is így van 2 fokozat.
Rosszul kezdtem hozzá a kérdéshez, bocsánat. Van egy napelemes rendszerünk, ami kissé túl lett méretezve. ( a franc gondolta, hogy a hálózat nem tudja benyelni a termelt energiát) Az inverter 25X V-ot elérő feszültségnél lekapcsol 5 percre. Ezt a lekapcsolást szeretném elkerülni ( főleg hogy ha süt a nap, szinte csak lekapcsolva van) . Jelenleg a bojlert kötöm rá, ha a feszültség eléri ezt az értéket. Így a lekapcsolások zöme már megszűnt. Az vele a baj, hogy a víz felmelegítése után (2-3 óra) már nem hatásos. Ha a teljesítményét tudnám szabályozni, akkor kitartana szerintem egész nap. Van mikor elég lenne 600W van mikor a teljes fogyasztás kell ahhoz hogy a feszültségszint az elvárt érték alatt maradjon. Jelenleg akkor is 1800W-al fűt amikor elég volna 600W-is a boldogsághoz.
A diódás megoldásra nem tudom mit lépne az inverter, gyanítom nem örülne neki. A fázishasítást sem gondolnám inverterbarátnak, de azt még kipróbálom. Gondolkodtam soros kondenzátorok kapcsolgatásában, de egy feltöltött kondenzátort kapcsolgatni nem jelfogónak való feladat ( mellékesen a mérő meddő teljesítmény ledje is villog rá rendesen.) Még az auto transzformátort nem próbáltam, mint esetlegesen szóba jöhető eszközt, csakhát azt még szerezni kellene először. Esetleg valami egyéb ötlet? ( olyan is lehet ahova az elektromos áramot hasznos módon tudom elhasználni... de villanyautót nem veszek, akkus hirdetések sem érdekelnek ) A szolgáltató sem igazán tettre kész úgy gondolom. Ha tél van és sötét, a feszültség az alsó határon van, ha tavasz van és süt a nap, akkor meg a felső határt verdesi. Minden héten a kedvemért nem fog állítgatni, a vezetéket miattam nem fogja kicserélni vastagabbra. A rendszer telepítőnek is jeleztem a problémát, de az inverterben (SOLAREDGE) ezek szerint nem lehet beállítani, hogy ne lekapcsoljon, hanem csak korlátozott teljesítménnyel menjen. A lekapcsolási szinten emeltek valamennyit, azt ennyiben kimerült a tudásuk. ( tovább emelni már nem opció)
Egyenirányító, IGBT + PWM járható? A fűtőbetét nem induktív, nem rúg vissza az IGBT-nek. A kérdés csak az, mennyire tolerálja a PWM terhelést (frekvencia, kitöltés) az inverter.
Sajnos a teljesítmény elektronikában nem vagyok otthon. 1-2KW PWM már nem az én szintem.
Lehet hogy marhaság, de ha már ugyse lehet értelmesen eltárolni, vagy felhasználni az energiát, akkor egy két napelemet le kéne takarni. A feszültség függvényében elhuzni egy függönyt. Mondjuk 250 volt fölött takar, 240 alatt meg visszahuzza a takarást. Ilyen letekerhető vetitővászon szerűséget képzelek el.
Sziasztok!
Youtube-on láttam egy olyan megoldást, ahol egy 7805-ös fesz. stab. IC-ből "'vesznek ki" 6V-ot úgy, hogy a GND-re kötnek két szilicium diódát. Kíváncsi lennék rá, hogy ti mit gondoltok erről a megoldásról, mellékelem a kapcsolást. Van értelme így bekötni, ha nincs 6V-os fesz. stab. IC kéznél, vagy nagyon gáz megoldás? Hátránya egy 6V-os stab IC-hez képest? Kipróbáltam a kapcsolást, és abszolút működik, minnél több dióda, annál nagyobb feszültség. Jól gondolom, hogy itt a nyitófeszülség (ami kb 0.5V) miatt kapok nagyobb feszültséget? Viszont nem értem hogy működik. A GND-re minek kötni diódát, egyenirányítani ott külön már nincs értelme. És ha már dióda... azt a fél voltot ami a nyitásához kell, pont hogy el kellene "tűnjön", de épp az ellenkezője történik. Hogy is van ez?
Szia! A dióda nem csak egyenirányításra jó, feszültségcsökkentésre is használható úgy,hogy a nyitófeszültségén (pár száz millivolt) el kezd vezetni, így ez a feszültség alakul ki a sarkain. Fix kimeneti feszültségű stabilizátor kimenő feszültsége könnyedén növelhető a GND láb földpotenciához képest magasabb feszültségre kapcsolálásával. Ez a gyakorlatban a GND láb és földpotencál közé kötött diódával, zenerrel valósítható meg. Ha a GND lábra negatív feszültséget kapcsolunk, azzal pedig csökkenthető a kimeneti feszültség.
Szilicium dióda álltalában 0,6v nyitófeszültséggel üzemel így bekötve a stab ic test lábára annyit emel . Kétszer 0,6v az 1,2 így elméletileg 6,2v fog megjelennni a stabic kimenetén.
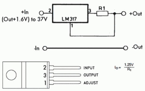
Jó példa erre az LM317 el megvalósított stabilizátor kapcsolás.
Szia kadarist!
Akkor ez teljesen normális megoldás, szoktak ilyen megoldást alkalmazni? Kicsit kókler megoldásnak tűnt elsőre. A kimeneti max áram a stab. IC dokumentációja szerint 1.5 A. Ezt milyen megoldással lehet növelni?
Szia eyess!
Igen, láttam én is már szabályozható fesz. stab. IC-t. Itt most a kérdés leginkább arra vonatkozott, hogy mennyire elterjedt/elfogadható megoldás a fenti példa.
Szia Dióda
![]() Szilicium vagy germánium vagy? Viccet félretéve: az nem fér a fejembe, hogy adódik rá a kimenetre az ami a két diódán esik. Kvázi egy rövidzárat cserélt az illető két diódára. Azt egyértelműen tapasztaltam én is, hogy több dióda, több kimeneti feszültség. De ettől még fogyasztóként (0.6V) tekintek itt a diódára, de legalábbis olyan áramköri elemként, amin esik a feszültség, mégsem úgy működik.
Külső nagyteljesítményű tranzisztorral lehet áramot növelni. Erre is bőséggel találsz példákat.
Szia! Olvasd el az adatlapját, az választ ad a kérdéseidre. Van egy rajz is a belső felépítéséről.
A stabilizátor IC-nek is van fogyasztása, így a GND lábon folyik át az árama. Ennek hatására a diódákon feszültség esik. Az IC számára a GND nem a bemeneti GND lesz, hanem az saját GND lábán megjelenő potenciál, ami kb. 1V a bemeneti GND-hez képest. Az IC ehhez a feszültségszinthez képest fog szabályozni.
Szokásos megoldás, használhatod. Annyit kell tudni, hogy a diódák nyitófeszültségének van kb. -2mv/Celsius hőfokfüggése, azaz ha melegszik az áramkör akkor két dióda esetén kb. -4mV/Celsius ennyit mászik el a kimeneti feszültség pluszban a 7805 által hozott adatokhoz képest. Azaz a 7806 azért mégiscsak jobb egy picit, mint ez a megoldás. Egyébként 7805 esetén a LM317-nél szokásos két ellenállásos osztó a kimenetre, és az osztáspontba kötni a tok GND lábát megoldás is működik, persze megfelelően méretezett ellenállásokkal.
Szia! A stabilizátor icnek is van minimális fogyasztása. Ez folyik a gnd felé, ha teszel oda diódát, azon keresztül. Szilíciumon 0,6-0,7,germániumon 0,3V körül esik. Az ic a gnd lába és a kimenete közöt tartja az 5V-ot. Ha a gnd-vel sorba teszel egy diódát, az ic erről nem 'tud'. Ugyanúgy 5 voltot tart a gnd lába és a kimenet között, amihez a táp gnd-jéhez képest értelemszerűen hozzáadódik a diódán eső feszültség. Mérj a tápodon! Először a diódákon eső feszt, majd a stab ic-n! (5V) Add össze és megvan a kimeneti feszed.
Még csak annyit tennék hozzá, hogy az az absolut maximum rate 1,5A az akkor van ha alacsony a bemeneti és kimeneti feszültség közti különbség, pl. 2v. és az ic 150 Celsius fokos, 10 cm2 hűtőfelülettel. Gyakorlatilag ez nem fog összejönni, egy jobb minőségű példány jó ha 1A-t tud, de 24/24 be inkább max 0,5A. Mint ahogy írták áteresztő tranzisztorral bőven lehet növelni, de az is mind elfűti, de ma már fillérekért lehet kapni kapcsolóüzemű dc-dc konvertereket, vagy építeni kapcsolóüzemű ic-ből.
Szia!
Több dióda helyett szokás használni zener diódát is. Ekkor természetesen a zener feszültségével fog növekedni a kimeneti feszültség.
Egy dióda érdekes jószág, (a legjobb, ha tanulmányozod egy dióda adatlapját) többféle célra is lehet használni, és többféle célra is használható. (egyenirányító, kapcsoló, modulátor, stb, )
Ezesetben referenciaként működik. Ez azért lehetséges, mert a Si diódáknak a nyitóirányú karakterisztikája olyan "hokiütő" jellegű, viszonylag meghatározott törésponttal rendelkezik. (0,6 - 0,7 V) Ezen töréspont felett nagyon meredeken emelkedik, azaz viszonylag nagy áramváltozásra, kis feszültség változással reagál. Hasonló az eset a zénereknél is, csak azoknál a meredek szakasz a záróirányú tartományban van kialakítva. Érdekesség, hogy a kisfeszültségű zénereket (ZPD2,7) fordítva, nyitóirányba kell bekötni. Mikor a stabkocka GND , és a test közé diódát teszel nyitó irányba, megváltoztatod, ugyan közvetve a stabilizátor referencia feszültségét.
"s ha már dióda... azt a fél voltot ami a nyitásához kell, pont hogy el kellene "tűnjön", de épp az ellenkezője történik. Hogy is van ez? "
Egy nem túl szakszerű megjegyzésem van a dologhoz. Ha megnézel egy ilyen feszültségstabilizátor kapcsolást, akkor azt látod, hogy a bemenet kimenet az valójában nem úgy van, hogy bemenet és föld, illetve kimenet és föld. Hanem lényegében csak a pozítiv ág megy át a szabályzon, a föld az csak referencia pontként van jelen az áramkörben. Tehát a plusz diódával, csak ezt a referencia pontot modósítod, ott lényegi áram nem megy, ezért a diodán eső feszültség sem számít ilyen szempontból. Az áramkör lényegében sorba van kötve az áramkörbe, mint egy ellenállás. A szokásos áramgenerátorként használva már nem is kell a föld. |
Bejelentkezés
Hirdetés |







) 








