Fórum témák
» Több friss téma |
Szerintem ő meg azt próbálja mondani, amit telefon modullal is tapasztaltam, van egy adott sebesség amivel a modul alapértelmezetten elindul. Amikor először küldesz neki, felismeri a sebességét, attól kezdve azon a sebességen küldi/fogadja az adatokat. ( és nem feltétlen beállító parancs kell, akár egy AT is elég)
Nincs örülés, mert a Kínai modullal mindig is működött, a feladat az lett volna, hogy azt váltsam ki, mert nem elég, hogy plusz egy panel, de ráadásul a GPS egységen is és a Kínai modulon is anya 9 tűs csatlakozó van közé kellene még szerkeszteni két apa csatlakozót. Rendelek max2323 asokat hátha azzal működik.
A hozzászólás módosítva: Jún 3, 2021
Az biztosan nem kevés, ha a -8,5V nincs meg, csak 0, az esetleg a sebesség miatt. Adatlap szerint R1IN alacsony 2,4V- 30V, magas 0,8V- -30V . Ebbe azért a +-8V bőven belefér. A tápok biztosan nem vesznek össze ? A kis kínait is arról a tápról próbáltad, mint a te modulodat ? A paneleden a visszahurkolást próbáld ki, egy csomó problémát kizár. ( a visszahurkolást kisebb sebességen, ha a nagyobbon nem megy.)
Esetleg lehet nem is ez a hiba, ha a PC-be egy usb soros átalakítón csatlakozol, lehet a modulod 5V-os jelszintje sok, a kiskínai meg 3,3V-al elvan... Ha a log egyenletesen folyamatosan szaporodik, (modul által kiadott jel folyamatos) mikor ilyet láttam, akkor a sebesség nem stimmelt. B variáció gerjed a tápod, vagy a táp és a számítógép testje között kiegyenlítő áram van. Ha szintbeli gondjaid lennének, néha néha értelmezhető karaktereknek kellene közlekedni, vagy semminek.....Ennyire egyenletes hülyeség nem jönne. A hozzászólás módosítva: Jún 3, 2021
Azért az RS232 bemenetről a ledet, meg az 1K ellenállást kitakarítanám.Szerintem nem tesz jót a jelnek. ( nem tudom a kiskínai be ki menetén mi van, próbáld azt leutánozni.)
A hozzászólás módosítva: Jún 3, 2021
A másik, a led ot nagyon rossz helyen van. Egy +-8V jelre egy led elég rossz ötlet. Az idő felében zárófeszültség, még ha áramkorlátosan is.... ( persze ha a GPS modulod 0-12V szintet ad akkor esetlegesen jó lehet, de a bemeneti 1K az biztos hogy káros a jelre nézve.)
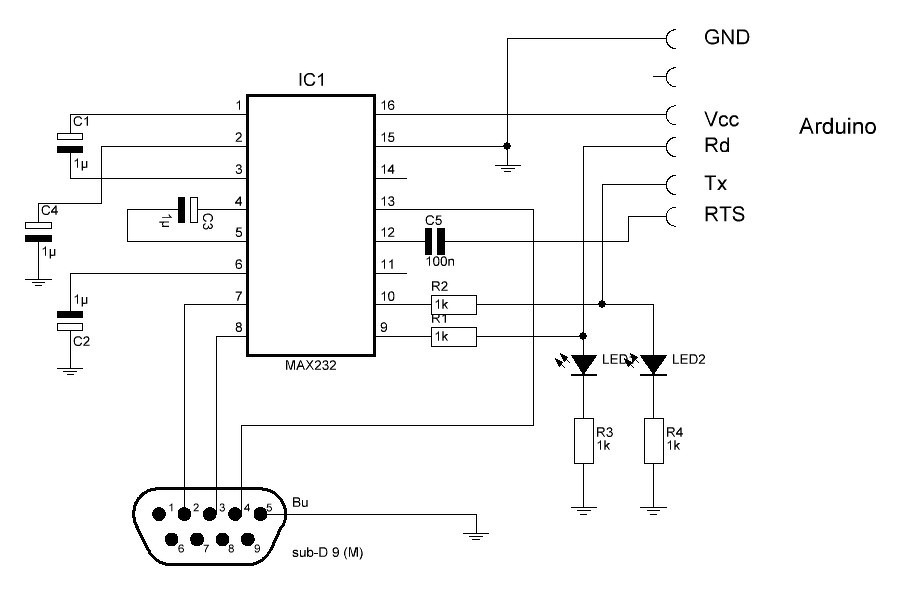
Szia! Elnézést kérek azoktól, akik esetleg várták a megfejtést, de egyszerre mindent változtattam, ma megérkezett és kicseréltem max3232-re, kiiktattam a ledeket (amúgy nem én találtam, beillesztem a kapcsolást amit megvalósítottam, direkt arduinohoz.) Cseréltem a kábeleket csatlakozókat, stb. a lényeg végre működik, ahogy kell, de nem tudom mi volt a hiba oka. Ami biztos, a táp nem gerjedt, a baud jó volt, a GPS 10 HZ-enként küld jelet, a program is az arduino-ban, az ic bekötése is jó volt, és a jelszintek is jók voltak, különösen arra való tekintettel, hogy csak egy irányú kommunikáció van az rs232-es GPS-ből jönnek a jelek az arduino felé. Még egyszer köszönöm, hogy foglalkoztál/tatok a problémámmal. TEHÁT AZ INTERNETEN TALÁLT, ITT MELLÉKELT RAJZ AZ NEM JÓ NEHOGY VALAKI LESSEN RÓLA.
A hozzászólás módosítva: Jún 7, 2021
Ez a rajz jó? vagy ez a rajz nem jó?
Eddig nemis közöltél kapcs rajzot.. (csak beültetésit) A hozzászólás módosítva: Jún 7, 2021
Ez a rajz lehet hogy nem jó, mert amit proba javasolt, hogy hagyjam el az ezen szereplő ledeket, elhagytam, és valószínűleg ez oldotta meg a problémát. (nem csak a ledeket hagytam el, hanem az 1k ellenállásokat is, most az ic 9. lábáról közvetlenül megy az arduinoba.) Ezt az interneten találtam az "rs232 to arduino" keresésre és ez alapján alakítottam ki a nyáknak azt a részét ami az rs232-őt kezeli, de a nyákon sok minden más is van, amiről nem készült kapcsolási rajz.
A hozzászólás módosítva: Jún 7, 2021
Szia.
A kapcsolás TX és RX lábán a ledek okozzák a kommunikációs hibát. Ha "monitorozni" szeretnék a TX és az RX lábon folyó adatokat, akkor kell 1-1db PNP tranzisztor, amit kapcsolgatnak a kimenetek (ha szeretnéd elküldöm, amit én alkalmazok). Ezzel a megoldással nem lesz gondod. Én, bár IC függő, de 100nF kondikat építek az áramköz köré. Valamint az IC gnd és táp lábára is teszek 100nF kondenzátort. Ha kérdéses a kommunikáció az eszközök között, és pl.: nincs a zsebemben szkóp, egy sima led alkalmazásával meg tudod nézni, hogy van-e adás ill. válasz. Nem kell mást tenned, csak az 5-ös (GND) és a 2-es, 5-ös és a 3-as lábra érinted a led lábait. Ha van kommunikáció, akkor pulzál a led. Egy egyszerű terminál programmal ragyogóan tudod tesztelni az áramköröd. Ha kell még infó, kérdezz. Üdv. Mérleges
Nekem az jutott eszembe, az IC-nek van még egy szabad kapuja. A két kapu bemenetét párhuzamosan kötve, egyik mehet az arduinóra, a másik meg vezérelheti a ledet.
Szia! Nincs szükségem a ledekre, egyébként az adatáramlás visszajelzésével nem volt baj gyönyörűen vibrált, csak értelmezhetetlen karakterek jöttek. Még egy olyan kérdésem lenne, ugyan az a max232 kimenet megtud hajtani két arduino bemenetet? (Elvileg egy normál TTL kimenet tizensok bemenetet meg tud hajtani)
Ön dönt: villog vagy kommunikál..
De ehhez felesleges volt új IC-t venni, egy csípőfogóval már akkor megoldható lett volna..
Elvileg 1mA /3mA, szerintem elég. Ha nem, akkor marad a két kapu párhuzamos bemenet, a kimenet meg egy egy kapu.
igen, ha közvetlen a max232 kimenetére teszed a ledet, akkor pulzálni fog, csak nem lesz adatátvitel vagy hibás lesz. Szerintem nem elegáns megoldás a két port egy kimenet elv..., de akár jó is lehet.
A vázolt megoldásoddal a problémát nem megoldod, hanem kikerülöd. A későbbiekben, egy ma még ismeretlen projekt során szükséged lehet a max232 két be- kimenetére. |
Bejelentkezés
Hirdetés |











