Fórum témák
» Több friss téma |
Hello!
tegnap volt egy kis idom, es mericskeltem. Az ellenallas, amit a relé kiiktat meghuzott allapotban, az jó. Alapból 88 ohmot mertem rajta. Egy kis bekapcsolt allapotot kovetoen (10-15mp) eleg rendesen fel is melegszik, akkor mar csak 68-70ohm. A korabban emlitett "nincs fesz a graetz bemenetén" dolog, az árnyékra vetődés volt. A nyák teljes forrasztasi oldala szintelen lakkal telibe van fujva, ugyhogy merhettem rajta barmit is. Vegulis a graetz-et is kimertem, az is jo, feszultseg is van rajta, mivel valami melegiti az ellenallast. Ahogy olvasgatom a hozzaszolasokat, egyre gyanusabb, hogy a rele meghuzasahoz hianyzik a segedfeszultseg. Azt, hogy IGBT kuka, azt hogy tudom eldönteni? Muszerrel ki lehet merni egyszeruen, mint egy tranzisztort, vagy eselytelen? koszi kako
Üdv!
Képek a gép belsejéről a panel mindkét oldaláról (éles kép az alkatrészek azonosításához) sokat segítene a kapcsolási rajz keresésben. Más gyártók is készítenek hasonló teljesítménnyel.
Szia, Igen, ezzel a problémával én is gyakran találkozok. Látszólag minden ok nélkül elszállnak alkatrészek, majd minőségi betétele után működik sokáig-végtelenségig. Dehát a sorrol lekerülő tűrésen aluliakat is el kell adni valahogy, úgy kevesebb a veszteség...
12V/5-21W izzó a tápra s C-E, Az újammal a +-, és a G között kapcsolgatni tudom az égőt ki-be, ha jó az IGBT, annyi fesz elég a begyújtásához.
Sziasztok
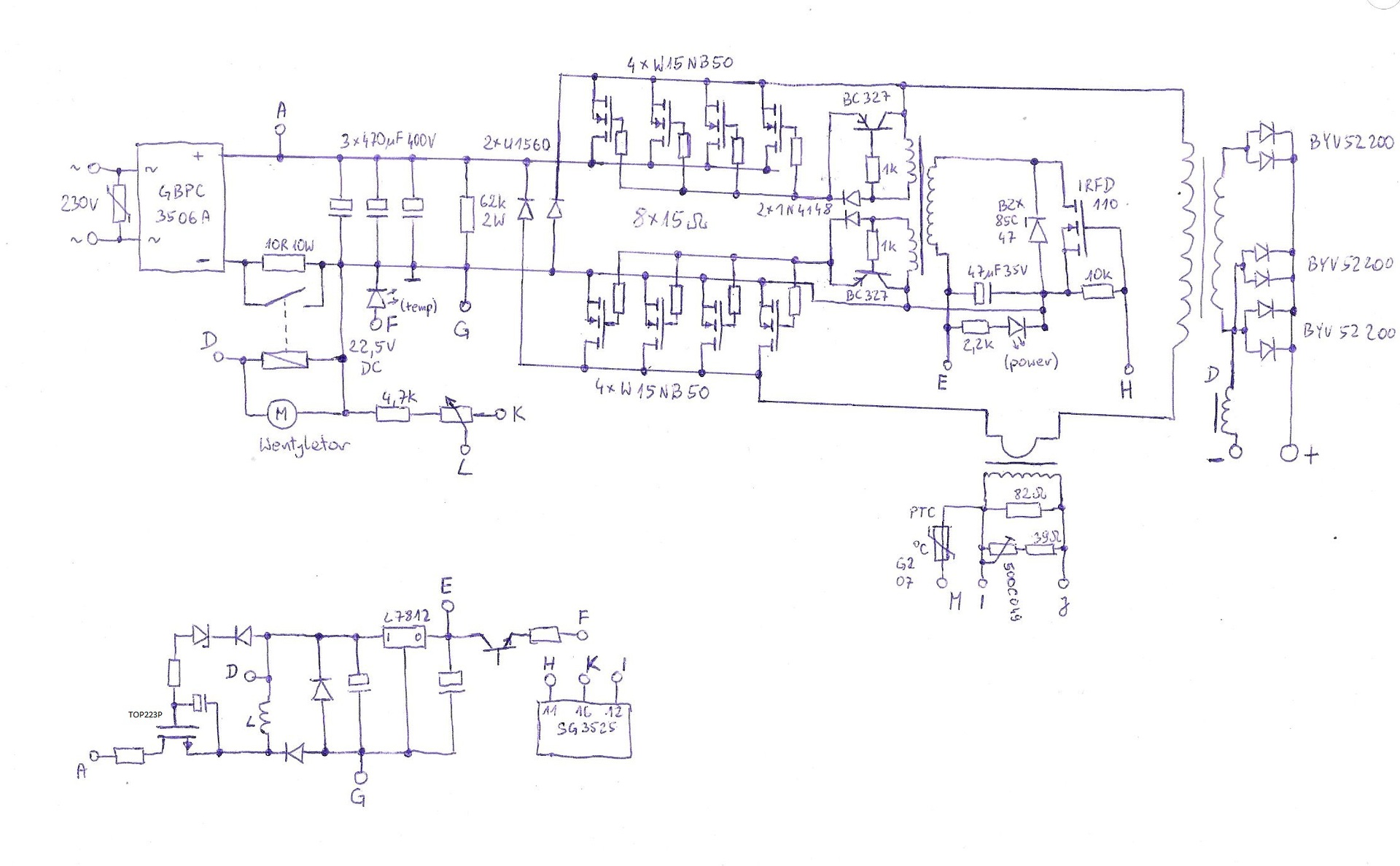
Segítséget szeretnék kérni egy Güde Gis 200 inverteres hegesztő javításában. Olyan hibával hozták, hogy kiment benne a hővédelem. Az egyenirányító diódahídon lévő hővédelem (TH-B2D)volt levéve tulaj által és azon nem is mértem semmi sem így az hibás. Cseréltem egy hasonló értékűre de semmi változás, a gép nem indult be. Az egyenirányító diódahidak (2db) elvileg jó kimértem nem húznak át itt 325V feszültséget mértem mindkettőnél és a nagy kondenzátoroknál is. Hibakaresés közben láttam meg hogy van egy hibás ellenállás ami mellett egy kicsit fekete is a panel (3. képen bejelöltem R001 elem (Barna, Fehér, Fekete, Fekete, Barna színkódos 190 Ohm értékű. A hibás hővédelem helyét is bejelöltem a 3. képen.). Kicseréltem az ellenállást majd próbakor pár másodpercre felpörögtek a ventilátorok és ennyi, ugyanaz az ellenállás ment tönkre. Merre keressem a hibát, az ellenállástól vezetősáv megy a két sárga tekercshez, lehet hogy valamelyik zárlatos lenne? (A relé jó, és a felette lévő két ptc ellenállás is kimértem 4 Ohm/darab)
Jó napot.
Volna egy kis gondom. A blm tm-1300 as hegesztőmmel van probléma.Azt csinálja hogy bekapcsolás után rendesen indul,de ahogy odaérintem az elektródát,egy szikrázás után rögtön kiold a hőkioldó s világít a led. Hol kellene el kezdjem keresni a hibát?Első ránézésre nem látok hibát a belsejében. Köszönöm előre is.
Valaki nem szedte szét előzőleg?
A 190 Ohm még az E192 sorban sincs benne. Nem inkább barna, fekete, fekete, ezüst, barna? Ami 1 Ohm.
A hálózati kábel lett régebben cserélve,de máshová nem lett még bele nyúlva,eddég tökéletesen működött.Mit volna érdemes először szemügyre venni benne?Nem vagyok teljesen laikus,bár inverteres trafót még nem javítottam.
Csak azért kérdeztem hogy nem volt-e szétszedve, mert ha a kimeneti áramot mérő mérőváltó fordítva van visszatéve a helyére, akkor pont ilyen hibát produkál a gép.
Megnézem,bár nem nyúlt bele senki.Köszönöm.
Sziasztok!
Egy Dinipro KAB258 inverteres hegesztővel kapcsolatban kérnék egy kis segítséget. Új állapotú, működik, de nehezen veszi az ívet. Ha vette az ívet utána már használható, de sokszor ütögetés dörzsölés hatására sem hajlandó ívet venni. Van hogy percekig tartó húzogatás odacsapkodás hatására sem. Üresjárati feszültsége 19V ami szerintem borzasztó kevés. Mi lehet vele kezdeni? A főtrafón van jópár kivezetés. Nem vagyok jártas az inverteres hegesztők világában, főleg kapcsolási rajz nélkül. A főtrafón látszólag 3 tekercs van, talán 1 a primer lenne és 2 szekunder amelyeken diódák is vannak. Nagyon szét kéne szedni a visszafejtéshez, vagy kapcsolási rajzot kéne szerezni, de az ívfogás most kb. lehetetlen így.
Nézd meg a kimeneti diódákat lehet az egyik rossz.
Megnéztem mind a 4 dióda jó pontosabban 4db TO247-es tokozású dupla dióda egy tokban, de az összes jó.
Még az IGBT-kre is rámértem igaz csak a reverse diódákra illetve, hogy a gate nem ütött e át, de ott is minden stimmel. De azért mellékelek egy furcsa ábrát ami a hegesztőn van. U0 65V ami konkrétan nem tudom mi, U2-nél van 30V és 27V, amit nem teljesen tudok értelmezni mi az az X. Egyébként a táblázat tarlamaz egy 20A/20,8V-250A/30V részt is. Lényegében minden féle feszültséget ráírtak, de az, hogy akkor most mi van nem értem. Üresjárásban 19,6V-ot mértem akármerre is csavartam az áramértéket nem befolyásolja. Ívfogás közben is lehet mérni kéne, de gondolom nem lesz nagy változás azért nincs ív. Főtrafót tekergetni nem sok kedvem van, legalább is addig amíg nincs kapcsolási rajz. Esetleg még több pálcával ki kéne próbálni vagy talán van külön invertereshez is? Sima bázikus Ok pálca a trafós régi gyönyörűen azonnal veszi az ívet vele, ez nem hajlandó, se 2-es se 2,5-es pálcával. A 3,2-est meg se mertük próbálni. Valami ötlet még? Lassan leveszem róla a kezem aztán majd lesz vele valami.
Sziasztok! Elöljáróban annyit, hogy elektronikát javítok, de ezeket nem kedvelem. Idős barátom adta ide az inverteres hegesztőjét (Ergus ADV Series), hogy "megneznéd miert nem működik"? Azt mondta sokat nem költene rá, de ha van aki megnezné, vagy fotók és típus alapjan van ötletetek, az sokat segítene. Azt mondja a ventillátora megy, semmi más. Megneztem, az jó, hogy megy a kapcsolóján van a második aramkörkent. Egy ellenállást látom, hogy eltünt a panelon, de nem az a tipikus elégés, vagy elpattanás, képen latható.
A hozzászólás módosítva: Aug 23, 2021
Az az ellenállás a kapcsolófokozat gate ellenállása lehetett. Ha az elpárolgott akkor a kapcsolófokozat és a meghajtó fokozat is meghibásodhatott.
Szia!
A Q111 is hiányzik, vagy nem is volt beültetve, esetleg valaki már kivette az ellenállással együtt.
A lakk felöntés mutatja,hogy az ellenállás ott volt a nyomtatott lap beültetésekor. Lehet hogy az IGBT-t valaki feleslegesnek ítélte (vagy meghibásodott) és egyszerűen kiforrasztotta. Legalábbis a hűtőbordán az IGBT helyére rakódott por tanúsága szerint ez már régebben történhetett.
A címkéjén olvasható a pontos típusa!: INVERT 160/50 ADV
A hozzászólás módosítva: Aug 24, 2021
Nagyon nagy király vagy, köszi az infókat! Már csak olyan valaki kell, aki megcsinalja ésszerű áron.
Üdv. Szeretnék segítséget kérni egy GYSMI 131 inverteres hegesztővel kapcsolatban. A fotókon lévő hibák vannak. Mitől keletkeztek? Megéri-e a javítása, és mennyibe kerülne. Előre is köszönöm.
Hegesztőbe előszeretettel mehet be pl flex forgács...
Szia. Állítólag hegesztettek vele befejezték a munkát elrakták a dobozába. Később otthon elővették és már nem működött. Lehet nem várták meg, hogy lehűljön és túl melegedet, zárlatoslett.
Ez a hiba amit az égett alkatrészek mutatnak nem fordul elő csak úgy random. Ehhez az kell hogy a gépet hideg helyről meleg helyre vigyék, és a ott azonnal bekapcsolják. Ilyen hibát jellemzően páralecsapódás okoz. mellékelem a rajzát, talán segít a javításnál.
Üdv Urak. Van inverteres mig,és awi gépem is. Érezhetően valótlan az LCD A kijelzése,igy próbáltam dc lakatfogóval mérni. mma-nál kb 50%-al mér kevesebet a lakatfogóm a kijelzett értétől. Mig módnál ez 25% körül van. Kérdésem,hogy a Voltcraft AC-DC 400A lakatfogó alkalmas e inverter mérésre. Ha nem,kérnék egy műszer nevet,amivel pontosabb mérést lehetne végezni.
Bár............ez csak az én képzelgésem,igy leirom: Elképzelhető,hogy hagyományos lakatfogóval is mérhető az inverter,csak %-os átszámitást igényel ? Bocs...............én csak egy lakatos vagyok. Ez egy rövid fim róla : https://www.youtube.com/watch?v=dMvtBUeU6X4 A durva eltérés csökkent,de nem az igazi. Van egy Mastroweld gépem is,ez esetben 155A LCD állásnál kb 110A jöhet ki belőle valójában.
Szia!
Miért olyan lényeges, hogy mennyi a tényleges hegesztőáram? Amikor hegesztesz, úgysem fogod nézegetni, legfeljebb megjegyzed, amit az adott munkánál beállítottál, és legközelebb ugyanezt állítod be a kijelzőn.
Köszönöm a véleményed,javaslatod,megcsináltam. Az iwel235 gépnek meg ráadásul 35 menthető tárhelye van. Még eddig nem használtam pulzusos móddal,és megdöbbentem,hogy mig DP funkciónál hiteles az A kijelzés. Mitől van,hogy egy negyed miliós gép ilyen szélsőségekkel rendelkezik? Ha már csináltak bele 6 féle funkciót 1db LCD kilelzőre bizva,miért nem tettek mellé egy 6-os állású kapcsolót,amit a kezelője oda állit,ahol ,vagy amelyik funkcióval dolgozna ?
Úgy érzékelem a válaszodból,hogy nincs mód mérőmüszert beszerezni,vagy valóban nemjó az én régi lakatfogóm ? |
Bejelentkezés
Hirdetés |






























