Fórum témák
» Több friss téma |
- Ez a felület kizárólag, az elektronikában kezdők kérdéseinek van fenntartva és nem elfelejtve, hogy hobbielektronika a fórumunk!
- Ami tehát azt jelenti, hogy a nagymama bevásárlását nem itt beszéljük meg, ill. ez nem üzenőfal! - Kerülendő az olyan kérdés, amit egy másik meglévő (több mint 17000 van), témában kellene kitárgyalni! - És végül büntetés terhe mellett kerülendő az MSN és egyéb szleng, a magyar helyesírás mellőzése, beleértve a mondateleji nagybetűket is!
150W-os, ami üresjáratban is szépen fogyaszt.
Hogyan is van ez :
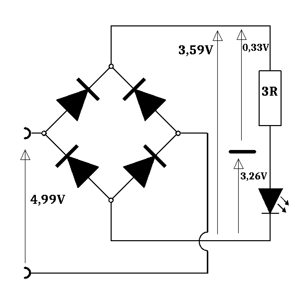
Van egy kerékpár lámpa(AXA Pico) - gyárilag generátoros üzemre tervezve, névleg 6VAC 0.5W. Belülről full primitív kialakítás : egyenirányító, 3R0 ellenállat, LED, pici hűtőfelület. Próbálom 5VDCről - terv: powerbankról üzemeltetni - világít, de nem az igazi, generátorról nagyobbat vakított ... Mérjünk egy egyet : 4.99 V 0.11 A ... (kici occó Co*ra*os műszerem szerint) ami kb 0.5489 W. AXA-ék is használják a régi trükköt, hogy rövid impulzusokkal túl lehet hajtani egy ledet, a villogást meg majd kiátlagolja a szem ?
Hello! A generátor 0,5W terhelésre vélhetően sokkal nagyobb feszültséget ad le. Miért nem mértél áramot, már láttad volna a különbséget..
Csak számolj egy kicsit, a 6VAC az csúcsban kb 8.46V. Mínusz a diódák nyitófeszültsége, és kijön,
hogy kb 7V impulzusfeszültség (nemtudomhányherz, saccra kb párszáz) ha nincs pufferkondi. Nos 5V vagy 7V máris nem mindegy. Szerintem itt van a kutya elásva. Ja, az ellenálláson eső feszt nem számoltam, ahhoz kellene az amper is. Viszont ha azon keresztül táplálod, akkor az az 5V-ot is ejti... A hozzászólás módosítva: Szept 1, 2022
Tehát rákapcsoltál 4,99Voltot:
4,99V Az egyenirányitó (Graetz?)diódái elveszik a nyitófeszültségüket: 0,7V X 2 = 1,4V Marad kb.3,59 Volt: 4,99V - 1,4V = 3,59V A 3ohmos ellenállaton 0,33 Volt esik: 0,11A X 3R = 0,33V Tehát marad 3,26 Volt: 3,59V - 0,33V = 3,26V Ha fehér szinü a LED a 3,26 Volt optimális feszültség!
proli007 : Sajnos nincs megfelelő műszerem a feladathoz - nem tudnék váltakozó áram-erősséget mérni , illetve már nincs is min, mert lecseréltem a bicajt - megmaradt egy régi refi ...
Régi motoros : Régen olvastam egy cikket, mi szerint (az akkori ledek) megfelelő frekvencián és kitöltéssel hajtva akár 150% áramot is elviselnek. Ezek szerint e tétel ma is megállja a helyét
Ki kellene vezetni a Graetz utáni pontokat, úgy sokat javulna a helyzet. A powerbankod úgy is egyenfeszültséget ad.
A nyákhoz a filmet egy tintasugaras nyomtatón szeretném nyomtatni, az meg csak Win10 alól működik.
Ezekhez a feltételekhez szeretnék programot találni, ami könnyen tanulható. Kizárólag furat szerelt áramkörökre gondolok. Volna esetleg ötlete valakinek a programot illetően?
Biztosan tintasugarassal szeretnéd csinálni? A tinta vízoldékony és nem tapad fóliára.
Lehet venni direkt tintasugarashoz fóliát. Az egyik oldala matt és azon jól tapad a festék.
A nyomtató már adott.
Ez így van, alapvetően kétféle írásvetítő fólia van, a kettő nem keverhető:
- Lézernyomtatóhoz valón nem tapad rendesen a festék és csupa maszat lesz. - Tintasugarashoz való meg ráolvad a fuserre és lehet kidobni. Az előbbiért kicsit, az utóbbiért nagyon szokták a titkárnőt leszidni.
Árban sajnos nem a tintasugaras a kedvezőbb.
Pontosítsunk! Könnyen tanulható win10 alatt is működő nyák tervező, rajzoló progit keresel?
Keresd a "Sprint-Layout NYÁK-tervező" topikot, és olvasgasd. Alkotó írt hozzá oktató dokut, abból könnyen tanulható, azt is megtalálod ott.
Igen, olyat keresek.
Köszönöm szépen a tippet.
Köszönöm szépen. Ezt is megnézem.
Meglehetősen lassan töltődik le.
Ennek az árát se találtam. Ahelyett, hogy csökkenne a letöltési idő, inkább növekszik. A hozzászólás módosítva: Szept 3, 2022
Milyen árát? Írtam, hogy full ingyenes... Sajnos a 3D modellek miatt kell neki vagy 5GB hely...
De kitörölheted őket, max akkor nem látod az alkatrészeket a panelen a 3D nézetben... A hozzászólás módosítva: Szept 3, 2022
Bocsi, figyelmetlen voltam.
Kétszer rugaszkodtam neki, de csak 6,5 Megát töltött le. Erre meg azt írja, "hiba a csomagolt fájlban".
Valószínűleg nem kedvel engem. A hozzászólás módosítva: Szept 3, 2022
Ez a telepítője, egy *.exe fájl (1GB). Nem tudom milyen csomagolt fájlt akar neked levenni...
A hozzászólás módosítva: Szept 3, 2022
Nekem is azt írja, hogy egy gigát fog letölteni, de 6,5 megánál megszakad a letöltés.
Most töltöttem le, nálam működik a link amit adtam az előbb... Azt próbáld.
Legfeljebb próbáld egy másik böngészővel, más ötletem nincs. A hozzászólás módosítva: Szept 3, 2022
Azt próbáltam. A Windows 32 bites verzióját.
Az 64 bites amit linkeltem. Van még jópár másik szerver, próbáld meg azokat...
Kis konnektorba dugható kamera tápegységben lévő E magos kis trafó a terhelés ráadásakor elkezd hangosan zizegni.
Lehet ezt valahogyan javítani csere és újra tekerés nélkül? Mi történik ilyenkor? Kilazul valahol a tekercselés és a mozgás miatt zizeg, vagy áthúz valahol a sérült szigetelés?
Hello! Leginkább a lemez szokott zizegni, de a tekercs is lehet laza. Ma már általában hegesztik a járomvasat, ott is lehet hiba ha nagy a légrés/laza valamelyik lemez. Ha áthúz bármi, annak szaga is van..
A hozzászólás módosítva: Szept 4, 2022
|
Bejelentkezés
Hirdetés |










