Fórum témák
» Több friss téma |
Fórum » Léptetőmotorok (vezérlése)
Én a VIN nevű dolgot nem értem... ás azt hogy 6-30V és azon a szálon van egy 5V is... és a continuousnál egy megszakítás... az egy kapcsoló? és még egy
a motor 3 és 3 jelek után van még egy R7, R8
Sajnos ezt
találtam meg ami jó is lenne de az ucn vezérlőt nem lehet kapni.. sőt a kitet sem lehet rendelni...
4 és 5 kivezetéses motorokhoz tud valaki vezérlőt? :$ vagy ha tud valaki nekem olyan kapcsolást mutatni/csinálni ami zene ütemére vezérli a mocit az is jó!(coralloba akarom a motort beletenni,mivel nincs mikromocim és pénzem sincs sajna)
ennek a ,,users manualját" ha letöltöd akkor ki tudod nyomtatni és hozzá értő ember meg tudja csinálni!
Nem a megcsinálásával van baj hanem hogy nem llehet kapni az allegro ucn vezérlőt, tehét akármennyire is ért hozzá az ember nem tudja megcsinálni...
Az is egy híd amire Te gondolsz, azt Graetz hídnak hívják.
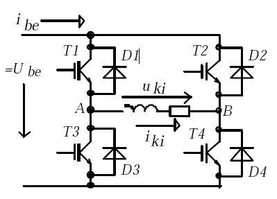
Itt viszont ún. H-hídra van szükséged, elnevezése onnan ered, hogy H betűre hasonlít elvi rajzban. A H betű alsó és felső függőleges szárába képzelj 1-1 darab kapcsolóelemet (a példa szempontjából akár kapcsolót is). A vízszintes vonal helyébe, pedig a motorodat. A felső két függőleges szárra mehet a pozitív, az alsó kettőre a negatív. Átlósan működtetve a kapcsolóelemeket, elérhető a polaritáscsere. Keress rá hogy négynegyedes szaggató ellenütemű vezérlése. A mellékletben egy kép, hogy hogyan néz ki...
Szia! Én csak itt: ebookz.hu-n találtam meg! Kicsit érdeklődtem a H-híd iránt,azt amit te is leírtál azt probálták elmondani,csak egy kicsit más hogy!Na mindegy Így értem! Ezt egy tápegység után kell bekötnön,de elötte le kell csökkenteni a feszültséget 5 voltra?
Sajnos nem találok olyan kapcsolást amibe ne allegro chip lenne. Lehet más irányba kell menni?
pl egy ilyen generátor előállíthatja a jelet de ehhez kell olyan motorvezérlő aminél két bemenet van az x és y iránynak megfelelően. (ha jól látom a képen hogy a és b kivezetése van amin gondolom az egyik és másik irány kijön) tud ajánlani valaki ilyen motorvezérést?
Hogy hívják az olyan motorvezérlést ahol két jel van? az egyik az egyik irány a másik a másik irány? Megoldható az 555 ös generátorral?
Ennél azért bonyolultabb a helyzet...
Először is kettő ilyen híd kell, mert kétfázisú a motorod. Másodszor, normál üzemben (ha jól emlékszem) 1.95V-nál már névleges áramnál vagy. Mivel nem igazán vagy járatos a témában, még hagyd a PWM-et. Elsőnek azt játszanám ki egy egyenáramú táppal (labortáp az áramkorlát miatt), hogy milyen sorrendben kell kapcsolgatni az egyes fázisokat. Szerintem az alapján elindulhatsz, amit egy korábbi hsz.-ban írtam. Következő lehet a két különálló híd elkészítése, megfelelő áramra méretezve. Lehet tranzisztoros, fetes... tovább nem sorolom. A félvezetőkkel záróirányban ne feledkezz meg a diódákról... Olyan FET-et keress, amiben gyárilag benne van... pár kHz-ig azok is jól működnek. Utána el lehet gondolkozni a vezérlésén, pl kontroller, logikai kapuk + számláló, netán komparátoros moduláló jellel. Utóbbi már nem igazán LPT portos kategória, de elég finoman lehet vele vezérelni. Ezt az utolsó lépést, majd elemezheted a hídak elkészítése után is.
step-dir nek röviditik, step-direction, lépés jelző jel-irány
bocs, jobban beleolvastam most a topikba, nemértem minek enkoder léptetőmotorhoz, eleve pontosan szabályozhatod a lépéseket minek "visszacsatolni" egy enkóderrel? enkódert is akarsz léptetőmocihoz mikrovezérlő nélkülit szerintem nem találsz.
Nem úgy két input..
nem jól fogalmaztam..step-dirnél van egy irányváltó kapcsoló is... Azért kell encoder mert a kapcsolót el szeretném felejteni és rotary encodert ha a irányba forgatom a irányba menjen a motor és ha b irányba akkor b irányba forogjon anélkül hogy kapcsolni kéne valamit... de saját magamnak megválaszolom.. az már pic-es megoldás... csak nem allegro 5804-el kell hajtani hanem mással... ilyet keresek...
jaa értem, tehát nem a motort akarod visszacsatolni.
Az jó, ilyet csináltam már én is piccel csak sima dc motorral (arra kell enkóder) tehát enkódert tekered jobbra 10 fokot akkor motor jobbra furduljon 10 fokot. Valószinű ez pic.. Amit belinkeltél, hogy jó lenne az is pices 16c54 van benne.
Valami hasonló igen. Az igények nagyobbak
sebesség is fontos, ha lassan tekerem kicsit kell fordulni a motornak ha gyorsan akkor meg gyorsan kell forogni a motornak. alternatív megoldásként kapcsolóval állítani a sebességet. Valószínűleg egy áttételt teszek a motor és a hajtott tengely közé hogy a megfelelő lassúságot elérjem de azt nem tudom milyen gyorsan lehet forgatni egy léptetőmotort.. pl egy nyomtatóból kibányászott egyedet. (típus még nincs)
Szerinted ez jó nekem? Hasonló mint amit írtál!
Ha nézted az adatlapját akkor ezt is láttad: TOTAL DC CURRENT UP TO 4 A
Jelen motor 7A körüli... persze ha csak bohóckodásra kell...
Ez jól hangzik! De ez nekem egyszerre sok lenne! Na akkor megprobálom megcsinálni a kettő H-hidat! mindent szép sorban!De még lenne egy kérdésem,Hogy Milyen tranyókat használjak?
Egyébként azt a motort át lehet kötni unipolárisnak (minden tekercs kezdet és vég ki van vezetve), kisebb nyomatékod lesz ugyan, denem kell vacakolni a hidakkal. Ha most ez csak arról szól, hogy meg akarod forgatni LPT portról, még ez legegyszerűbb út.
Ezt a motort kapunyitásra szerettem volna vezéreltetni! de máshova is jó lenne,ezért kellene hogy erős legyen! mennyire esne vissza a nyomaték teljesitménye szerinted?
7Amper, hát ez valahogy kimaradt... Akkor L298 gyönge...
marad a FET.
Durván saccolva a felére, mivel csak egy tekercs dolgozik kettő helyett.
Viszont azt mond már meg, ha kapunyitó lesz, akkor miért LPT poton akarod működtetni?
Ha átkötöm jólenne hozzá egy ic fetek helyet? Ic:ULN2003AN Ilyennel csináltam meg a másik léptetőmotoromhoz a panelt! De van TIP121-es tranyom is!
Idézet: ez alapból adott. A motor az enkódernek megfelelő pozícióba áll be. Ezt a beállást másodpercenként akár 1000szer elvégezheti. tehát te 30 másodperc alatt forditassz 10 fokot akkor azt 30000szer lekérdezi a vezérlő és azonnal odahajtja a a motort ahol éppen abban az ezred másodpercben van. „ha lassan tekerem kicsit kell fordulni a motornak ha gyorsan akkor meg gyorsan kell forogni a motornak.”
Ha kapunyitóba kell, akkor csak két irányra van szükséged.
Kell háromszögjel, és két DC szint, és komparátorokkal vezéreled a feteket. A két DC szint állításával beállíthatod a kitöltési tényezőt is. Nincs az a stab IC, ami vinne 7A-t, és akkor már célszerű kapcsüzemben hajtani a hidakat. Két ilyen áramkörrel működik is. Szóval első tekercs komparátorára pozitív komparálási DC szint, utána másik tekercsnél ugyanez, majd vissza az első tekercshez, negatív DC szinttel, és végül ugyanez a másodiktekercsnél... ez lenne egy teljes ciklus. Így már csak megfelelő sorrendben kell kapcsolgatnod a két vezérlőt, és azok DC szintjét. Így szépen be lehet lőni az üzemi áramát, és nem kell semmilyen disszipatív feszcsökkentés, stabilizálás. megj.: leírni könyebb, mint megcsinálni :wow3: |
Bejelentkezés
Hirdetés |




a motor 3 és 3 jelek után van még egy R7, R8






