Fórum témák

» Több friss téma
Fórum » UV-s NYÁK levilágító készítése
Lapozás: OK   24 / 137
(#) Higanyrománc válasza Higanyrománc hozzászólására (») Júl 24, 2008 /
 
Előző hsz.-omat úgy kezdtem, hogy egy gyújtóellenállás bekötésével is működnie kell (ezért is van a rajzon szaggatott vonallal jelölve).
Amúgy levilágításhoz a legtökéletesebb megoldást találtad. A vastagabb a főelektród hozzávezetése - rajzon a megvastagított vonal, a kisülőcsőben szemrevételezéssel pedig a zömökebb, tekercselt elektród.
Lehet, hogy a kvarckisülőcső sodrott kivezetései csak sorkapcsozhatók, mert acélok, de nem biztos.
A higanygőzlámpa kisülőcsöve mellett is 0.5 W körüli méretű (1 cm hosszúságú) ellenállás van beépítve gyárilag.
(#) Kicsa válasza Higanyrománc hozzászólására (») Júl 24, 2008 /
 
Üdv!
13 ohmot mérek a folytón így bekötés nélkül. Megvannak a kivezetések,azonosítottam őket. Ha jól értem akkor az egyik ellenállást építsem be,a másikat pedig egyenlőre ne? És ha nem megy,akkor kössem be azt is?
Üdv Kicsa
(#) Higanyrománc válasza Kicsa hozzászólására (») Júl 24, 2008 /
 
Igen. De a 13 Ohm kicsit soknak tűnik így elsőre. Nem alutekercses?
Amúgy utána számoltam, igazad van.
Egy 1 W-os ellenállás elvileg bőven elegendő lenne(!) 125 W-os kisülőcsövön az égésfeszültséget figyelembe véve, de ha az egyik oldali segéd- és főelektródot egy higanycsepp véletlenül rövidre zárja, akkor a gyújtóellenállásra - a fojtón keresztül is - gyakorlatilag a teljes hálózati tápfeszültség rákerülhet, ami egyből azt jelenti, hogy a 18 k-s ellenálláson közel. 3 W hő disszipálódik, tehát e gyújtóellenállások (mindegyikét) ekkorára méretezd. :yes:

Üdv.
(#) Kicsa válasza Higanyrománc hozzászólására (») Júl 24, 2008 /
 
Üdv!
Érdekes,most 8.9 ohmot mérek...a sorkapcsok végein...rosszalkodik már a multiméterem,hamarosan beruházok egy másikra. Tehát szerintem jó lesz,még egyszer rámérek és 7 ohm lesz
Nade viccet félretéve...Szóval akkor 3W...legyen 5W és akkor tuti jó.
Értékük 18 kOhm..és akkor az úgy jó hogy egyiket fixre bekötni a másikat pedig egyenlőre hagyni és ha nem megy,akkor rákötni azt is?
Egyébként a tekercsen nem látok semmilyen égésnyomot sem...
Üdv Kicsa
(#) Higanyrománc válasza Kicsa hozzászólására (») Júl 25, 2008 /
 
Igen.
(#) Kicsa válasza Higanyrománc hozzászólására (») Júl 25, 2008 /
 
Üdv!
Értem...még csak annyit hogy ez a cső ártalmas a szemre nézve? Vagy nyugodtan belenézheek? Mert nem tudom hogy így akkor összerakhatom-e szabadon kipróbálásra vagy egyből építsem be a scannerbe...
Üdv Kicsa
ui.:megvettem az ellenállásokat,10 Wosat kaptam csak úgyhogy tuti jó lesz
(#) Higanyrománc válasza Kicsa hozzászólására (») Júl 25, 2008 /
 
Ja igen, azt elfelejtettem mondani, hogy UV-C-t sugároz ki. Hiszen ez egy kvarclámpa kisülőcső. Tehát belenézni csak UV-szűrős szemüvegen keresztül szabad. Szokták még ajánlani a minimum 3 mm vastagságú síküveglapot, bár szerintem ettől oldalt, a szem periférikus szögéből még juthat be szemre káros sugárzás.
Meg szellőztetni kell a helyiséget, ahol használod, mert az oxigénmolekulákat ózonná alakítja.
Amúgy nem is tudom mit töröm itt magam, hiszen a fényforrás és lámpatest gyűjtők topicban ezeket már mind kitárgyaltuk.
(#) Kicsa válasza Higanyrománc hozzászólására (») Júl 25, 2008 /
 
Üdv!
Értem! Átnézek oda is akkor meg összedobom akkor az 'áramkört' és majd beszámolok...
köszi szépen
Üdv Kicsa
(#) Kicsa válasza Higanyrománc hozzászólására (») Júl 28, 2008 /
 
Szia!
Nah kipróbáltam,bekötöttem mind a 2 db 18 kohmos ellenállást. Bekapcsolásnál picit hülye hangokat ad aztán 'normalizálódik',rendesen bekapcsol.A kiszűrődő színe (leborítottam az izzót,csak a kiszűrődő fényt pilantottam emg egy pillanatra) ilyen zöldes kékes. Viszont az normális hogy kb 15 másodperces üzem után nem tudom megfogni az izzót,olyan meleg? Illetve meg tudom csak ottmaradt a nyoma a kezemen..nem gonodltam volna hogy ennyire melegszik. Hagyhatom így? Nem fog eldurranni?
köszi szépen!
Üdv Kicsa
ui.: elég büdös,többen írtátok hogy ózont termel.Ez mennyire veszélyes?
(#) lidi hozzászólása Júl 28, 2008 /
 
A szkennerekben levő gyári CCFL fénycső bocsájt ki UV fényt ? Csak mert beépíteném az uv csövek mellé külön bekapcsolhatóra. Így könnyebb lenne a fóliákat eligazgatni a fényérzékeny nyák alatt. (kétoldalas levilágításkor fontos a pontos pozicionálás) És ha minden rendben, csak akkor kapcsolom be az UV csöveket. De ez persze csak akkor jó ha nem exponálja az lefújt nyáklemezt.
(#) Higanyrománc válasza Kicsa hozzászólására (») Júl 28, 2008 /
 
Persze, hogy melegszik, hiszen a nagynyomású ívkisülés ott van a búrafal túloldalán. Ne csodálkozz rajta!
Az ilyeneket egyáltalán nem illik fogdosni, már csak azért sem, mert beleég a zsír és úgy megfeketedik üzem során, hogy ott még jobban túlhevül, és emiatt valóban fel tud robbanni!
Azon sem kell csodálkozni, hogy hosszú üzem után kikapcsolva a kvarcüveg-anyag vörösesen átizzik, mintha már megolvadt volna. Ez persze inkább csak sötétben vehető észre, és akkor, amikor már a cső bizonyos használtsági fokon túl van - belülről megfeketedett.
Az ózon pedig nagy töménységben mérgező (tudtommal halálos is lehet?), úgyhogy folyamatos szellőztetés mellett használható a kvarckisülőcső.
Egy gyújtóellenállással is nyugodtan próbálkozhatsz.
(#) Frankye válasza Higanyrománc hozzászólására (») Júl 28, 2008 /
 
Idézet:
„Az ózon pedig nagy töménységben mérgező (tudtommal halálos is lehet?)”

Igen, akárhalálos is lehet.
Az ózon tulajdonképpen 3 db Oxigén atom egymáshoz kapcsolódásából jön létre, és ez a kémiai kötés nem stabil. Ezért az egyik O atom hajlamos leválni a molekuláról, s mint szabad Oxigén, a leginkább oxidáló hatású. Ami a szervezetre nézvést nagyon nem jó...
(#) kaqkk válasza lidi hozzászólására (») Júl 28, 2008 /
 
A pozicionálást csináld úgy hogy a két fóliát ragaszd össze "zacskónak majd ebbe tedd a panelt ! nekem 2. nekifutásra sikerült csak arra vigyázz hogy jól szorítsd le mert a fólia (így összeragasztva ) képes megemelni a nyákot és alávilágítást "szellemképet "okoz Én egy 3l -es
teli kannát tettem a levilágító tetejére az lenyomta !
itt a nyákkészítés kérdésekben a végeredmény ! Üdv
(#) kaqkk válasza kaqkk hozzászólására (») Júl 28, 2008 /
 
Én is a mult héten csináltam az első kétoldalas nyákomat
(nem ördöngősség)
(#) Kicsa válasza Higanyrománc hozzászólására (») Júl 28, 2008 /
 
Üdv!
Értem,igen azt gondoltam hogy nem jó fogdosni,alkohollal már le is pucoltam.
Akkor a melegedés nem nagy probléma,tettem fel képeket a ki mit készített topicba.
köszönöm szépen a segítséget,remélem jó lesz majd!
Üdv Kicsa
(#) lidi válasza kaqkk hozzászólására (») Júl 29, 2008 /
 
Na jó, de a két fólia 4, mivel 2 rétegben használom, és forgatás közben nem mozdul el a zacsiban a nyák ? Mert nekem csak alulról világít a fénycső.
(#) még1MbR hozzászólása Júl 29, 2008 /
 
Én úgy szoktam, hogy levilágítom az egyik oldalt. Előhívom.
Utána a két szélső furatot megfúrom, majd ehhez illesztem a másik oldal fóliáját.
Ezt is levilágítom, majd előhívom.
(#) lidi válasza még1MbR hozzászólására (») Júl 29, 2008 /
 
Énis hasonlóan csináltam tegnap, lyuk a két átlós szélre, majd egymás után mindkét oldalt levilágítottam. Csak nehéz az 1mm -es lyukon keresztül a fóliát is alá pozicionálni. Ebben segítene egy nem UV fényforrás a szkenner belsejéből. És lehet hogy leközelebb nagyobb lyukat fúrok, úgyis 3mm -es szokott lenni nekem a szélén, csak eddig később fúrtam fel.
(#) Kovidivi válasza lidi hozzászólására (») Júl 29, 2008 /
 
Mi Kaqkk-kal kétszer nyomtatunk ugyanarra a fóliára, ugyanazt a nyáktervet, így ugyanaz, mintha két fóliát raknál egymásra, mégis egy fólia megmarad...
(#) lidi válasza Kovidivi hozzászólására (») Júl 29, 2008 /
 
Hmm, és másodszorra is ugyanoda sikerül nyomtatni ? Milyen nyomtató az ? Az enyém HP DJ 940C.
(#) kaqkk válasza lidi hozzászólására (») Júl 29, 2008 /
 
nekem egy szutyok epson d78 asom van és már elég 1 * nyomtatnom mert a fénykép és a matt papír beállítást használom írásvetítő fóliára De tényleg tudja amit Kovidivi írt csak a lapadagoló vezetőjét pontosan kell beállítani én úgy csináltam hogy beleraktam egy csomó papírt és nekinyomtam a vezetőt a köteg oldalának

(tintasugaras)
(#) Kovidivi válasza kaqkk hozzászólására (») Júl 29, 2008 /
 
Nekem meg olyan nyomtatóm van, ami 2évig feküdt a padláson télen-nyáron, epson z601-es...már vagy 10éves Csak a lap pozícionálásán múlik, hogy ugyanoda nyomtat-e! Én betolom koppig a lapot (fóliát), majd a tálca jobb oldalára húzom teljesen, és így nagy eséllyel ugyanoda nyomtat. Egy kis gyakorlás kérdése!
(#) kaqkk válasza lidi hozzászólására (») Júl 29, 2008 /
 
Nekem is egyoldalas az asztalom ovatosan mozdítva nem csúszik el a panel a "zacsiban" de ha csak kicsivel nagyobb a fólia mint a nyák (3oldalon )a 4. nél pont illik akkor világítás előtt celluxal megragasztva biztosan nem csúszik el
(#) Sallala hozzászólása Aug 6, 2008 /
 
Sziasztok!
Szeretném az érdekeltek figyelmébe ajánlani, ************

Apróhirdetésekben hirdess--vicsys
(#) skoda555 hozzászólása Aug 7, 2008 /
 
Sziasztok.
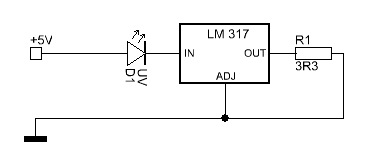
Szeretnék venni 1 db ilyen UV CREE LED-et és abban szeretnék segítséget kérni, hogy hogy kössem rá az LM317-et, ha a PC tápom 5 / 12 V-os ágáról működtetném?
Tehát 1-ről lenne szó, nem 2-ről mint ahogy láttam itt több embernek. Legjobban egy kapcs. rajznak örülnék.
Köszönöm előre is.
(#) vicsys válasza skoda555 hozzászólására (») Aug 7, 2008 /
 
Csatoltam. Ezzel kb. 350mA-t hajtasz át a leden.

LM317.GIF
    
(#) skoda555 válasza vicsys hozzászólására (») Aug 7, 2008 /
 
Köszönöm szépen a gyors választ!
(#) kaqkk válasza kaqkk hozzászólására (») Aug 11, 2008 /
 
Most készül a kétoldalas levilágítóm
tudna valaki olyan kapcsolást ami 2*4 vagy 4*2 vagy 1*8
db 8w -os neont meghajtana 230v-ról?
nem szeretnék 3-4db folytótrafót beleszerelni
mert hordozható könnyű szerkezetet szeretnék
(#) még1MbR válasza kaqkk hozzászólására (») Aug 11, 2008 /
 
Vegyél bele olcsó párszáz forintos 7 vagy 9W-os kompakt fénycsöveket. Szétszeded, elektronikáját kiveszed és meghajtod vele az UV csövet. Olcsó, könnyű, bevált
(#) kaqkk válasza még1MbR hozzászólására (») Aug 11, 2008 /
 
8db-ot kábelezzek ki ? 8*4 =32 szál! Az elektronikát külön
dobozba szeretném építeni Valami olyat szertenék
ami egy- max 2 panelon megoldaná a meghajtást
de ha más nem lesz átgondolom a javaslatod
köszi
Következő: »»   24 / 137
Bejelentkezés

Belépés

Hirdetés
XDT.hu
Az oldalon sütiket használunk a helyes működéshez. Bővebb információt az adatvédelmi szabályzatban olvashatsz. Megértettem