Fórum témák
» Több friss téma |
Fórum » [OFF] Pihenő pákások témája - Elektronika, és politikamentes topik
Témaindító: Topi, idő: Nov 18, 2007
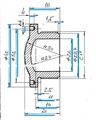
Én nem mondtam hogy a te hibád. Simán lehet hogy én számolok el valamit. De szerintem valamelyik méret nem helyes. Ha a 42-es külső átmérőből indulok ki és a 32mm-es furatközép átmérőt helyesnek veszem akkor a furat középpontjától a külső átmérőig 5mm marad ebből a furat 2mm-es sugarát levonva 3mm a furat széle és az alkatrész külső széle közti távolság.
Ez nem passzol az előző számításommal amit a 42-es külső és a menet 29,7mm-es belső átmérőjéből számoltam. Vagy elszámolok valamit vagy valamelyik méret nem jó. A hozzászólás módosítva: Szept 3, 2023
Minden méret lehet jó. Maga a rajz nem mérethelyes.
Pedig műszaki rajzot illik mérethelyesre készíteni, de ez nem mindig sikerül a szerkesztő személyzetnek.
Ez a rajz úgy sz... ahogy van, lásd melléklet. ∅42-es méretet vettem viszonyítási alapnak, ahhoz állítottam be a kép méretét. A számok szerinti hosszúságú vonalakat húztam a meglévők mellé.
Nem mérethelyes! De megnyugtató, hogy az esztergályos soha nem a rajzról veszi le a méreteket, hanem a méretvonalakra írt számok szerint dolgozik. Azok meg jók.
![]() De ha fordítva csinálod, és megrajzolod az egészet mérethelyesen, a megadott méretekkel, akkor is látszik, hogy értelmes alkatrész rajzot kapsz. A hozzászólás módosítva: Szept 3, 2023
Értem én, hogy nem mérethelyes. Azt már kevésbé, hogy ha valaki veszi a fáradtságot és készít egy méretezett rajzot, miért nem mérethelyesen készíti el.
Közben elkészítettem az alkatrészt. Gyakorlatilag, az általam beillesztett, "mérethelyes" rajz nem volt mérethelyes, ez volt számomra zavaró. Bakman ezen rajza mérethelyes, az enyém is hasonló lett. A menet külső átmérője 33,2 mm. A 4-es furatok központi távolságánál tehát nagyobb átmérőjű. Varga Ágnes nem jól rajzolt
Én sem értem, hogy ha valaki veszi a fáradtságot és készít egy rajzot, az miért nem készíti el rendesen. Alkatrészt megcsináltam, az olajat leeresztettem, kicseréltem. Majd utána az eredeti alkatrészt kipolíroztam és megint csak ereszthetném le az olajat, hogy visszakerüljön az eredeti alkatrész. De nem sietek. Majd 45 év múlva, ha ez is be mattul.
Véleményem szerint, ha egy rajzról, vagy skiccről megfelelően lehet elkészíteni az adott feladatra az adott munkadarabot, akkor a dolog elérte célját. A főzéskor sem szoktak technológiai utasítást készíteni a munkafolyamatokról. És aki nem szokott, vagy nem tud főzni, annak mindegy, hogy a főzési recept kézzel írott, vagy nyomtatott példány.
A skicc és a műszaki rajz két külön dolog.
Amiről itt szó van, az egy műszaki rajz, amitől elvárható hogy mérethelyes (ha van arány, azt betartva) pontos legyen. Nagyanyám egyik receptjében volt: Liszt: sárga tál felső pereméig. Nem tudtuk rekonstruálni mert nem találtunk a "sárga tálat". A hozzászólás módosítva: Szept 4, 2023
Van ingyenes animátor program is, de ha csak vetítés és zene a feladat, akkor az Xnview meg tudja csinálni. Az ingyenes online animátor pedig amit én is használok: Wickeditor. Még most kerül publikálásra, amiket gyártottam. Ezek AI alapú előadások, leckék. Az animáción belüli animációk - például a nyomógombok megnyomása, izzók felkapcsolása - ezzel készül. Animáció AI alapú leckében.
Lehet más a nézőpontunk... Szerintem csak felmerült, hogy szebb lenne méretarányosan. Szóval csak szebb! Mert egy szakembernek nem téma a méretarányosság. Nem ér rá a ceruzájával, mint a festők, feltárni egy rajz arányait. Őt azért fizetik, hogy a dokumentációban megadott méretek szerint elkészítsen valamit, ami mérethelyes. És ilyen szempontból mindegy, hogy skicc, vagy arányos rajz, a számok, a rajzjelek a meghatározóak a számára.
Aki szokott, "tud" főzni, az megoldja az általad felvetett problémát. A gyakorlat megmutatja, hogy miből mennyi kell. A mérleg igazi helye a cukrászatban, és az "ipari", vendéglátós főzésben van. Mert ott az önköltség része, hogy miből mennyi kell nagyban, vagyis az analógia alapvető. Ezzel nem azt akarom mondani, hogy mikor nőiszeszélyt csinálok nem mérem ki az alapkeveréket, de a nokedlikészítéshez nem kell mérleg, mert látni a keverék állagát mérőeszközök nélkül is. Idézet: „Lehet más a nézőpontunk... Szerintem csak felmerült, hogy szebb lenne méretarányosan.” Igen más a nézőpontunk. Ez nem csak szépség kérdése. Régen rajzoltunk pauszra mondjuk ékszíjtárcsát. Valaki más rajzolt tengelyt, valaki a tengelyre anyacsavart. Írásvetítőn egymásra tettük a rajzokat. És passzoltak. Mert pontosak voltak. Ma a CAD világában sem engedhető meg a pontatlanság mert 3D modellek és összeállítások készülhetnek a rajzokból. Ha lerajzolok valamit szeretem látni hogy pl. egy furat mellett marad-e kellő falvastagság. Ez csak akkor lehet ha pontosan rajzolok. Persze van hogy egy alkatrész legyártásához elég egy méretezett vázlat. Kár erről tovább beszélni. Nem vagyunk egyformák. A hozzászólás módosítva: Szept 4, 2023
Azért így már nincs is alapvető eltérés a véleményünkben.. Azonban itt nem erről volt szó. És nincs mindenkinek 3D-s rajzprogramja csak úgy otthon. És az idő, energiapocséklás nem jó feleslegesen.
És még egy érdekesség a mai termelésben, A CNC-ek sok esetben nem tudnak megfelelő kést köszörülni. Ha lejárt a szerszám üzemideje, cserélik, és kuka. Azért ezt nem igazán szerencsés, de hát ez a mai világ. Szépen tervezett.
Pazarlás az, ha nem mérethelyesen készítesz el egy műszaki rajzot. Vagy skiccelünk, vagy rendesen rajzolunk.
Azért hívják váltólapkának. Ha életlen lett, akkor gyakorlatilag kuka. Kevés ember van, aki azt mondja, hogy egy ilyen lapkát meg tud köszörülni. Ha meg is köszörülte, akkor az egyedi termelésben még használható, de a tömeggyártásban, a CNC gépen nagyon rizikós lenne a selejt miatt.
A műszaki rajzoktól elvárt sajátosságok átalakultak.
Régebben ha jellegében azonos volt egy alkatrész, akkor kapott egy csoportrajzot, és egy hozzá tartozó táblázat adta a kívánt méretet, azaz nyilvánvalóan nem volta a rajz mérethelyes, sőt még arányos se, de a célnak megfelelt. Manapság a bitek világában elég egyszerű nyújtogatni a meglévő rajzokat, és azért alakult ki a szigorú mérethelyesség, mert így lehet a legkönnyebben mérethálót húzni az alkatrészre (egy-két kattintás). De -mégha minden porcikám tiltakozik is ellene- most mégis egyet kell értsek MekkElek nézetével, hogy akkor már jó a rajz, ha megadja a szükséges méreteket. Az arányos rajzodról hiányzik néhány vonal.
Azért az sem elhanyagolható, hogy mérethelyes rajz mellett könnyebben észreveszi a hibákat az ember, munkadarab mellé téve azonnal látszik az eltérés. Én egyetemi forgácsoló műhelyben sokkal kevésbé szidtam a mérnököt (magamat), ha méltóztattam rendes méretarányos rajzot csinálni és nem valami füzetlapra firkált skiccet kellett esztergálni.
Jut eszembe, gyártáshoz gondolom azért készült rendesen beméretezett példány, hogy ne csússzon el a szaki a sorok közt.
Mint a mellékelt példa is mutatja, a nem mérethelyes rajz össze tudja zavarni a szakit.
Én egyáltalán nem érvelek a rossz rajzok mellett, sőt kőkeményen erőltetem a lehető leginformatívabb ábrázolásokat.
Számítástechnikai eszközökkel sokkal nehezebb aránytalan rajzot készíteni, mint pontosat. Sajnos több esetben találkozom azzal a tendenciával, amikor az ifjak "mindent tudnak" a rajzolóprogramok lehetőségeiről, de hiányzik a mérnöki gondolat. Azaz arányosan tudnak rajzolni, de nem tudnak tervezni. Ha csak ebből a két végletből lehet választani, akkor inkább legyen kicsit silányabb a grafikai megjelenés (akár kockás papíron kézzel skiccelve), de a terv az szolgálja jól a célt.
Egyik másik témában látok meteorológiai megfigyeléseket szolgáló építéseket. Ebből arra gondolok, van itt a fórumon néhány avatott értője az időjárási jelenségeknek.
Arra keresem a választ, mit jelent a hidegfront és a melegfront. Milyen paramétere változik meg ilyenkor a légkörnek? Ha a légkör az maga a levegő, akkor kívülállóként csak a levegő hőmérsékletét, a légnyomást, és a páratartalmat tudom elképzelni, de akár tévedhetek is ebben. De ezek melyike képes drasztikusan befolyásolni az emberek viselkedését, közérzetét, stb. Pontosan azt kutatom, a frontváltozás mit okoz a légkörben, és az hogyan hat az emberre? Hosszasan próbáltam értelmes leírásokat találni erről, de vagy rosszul kerestem, vagy hiányos az erre vonatkozó tudományos ismeret, vagy egyszerűen titkolni kell a témát, de a lényeg, hogy szinte semmi használható információt nem találtam.
A légköri frontokról pedig wiki cikk is van: Link
Amit én megérzek az az elektromos töltés és a légnyomás, amikor front van. De ehhez még feltétlenül front se kell, mert reggelente, ha átmegyek a Budakeszi úton, mire a hegyre felérek és leérek már pattog a fülem és zúg a fejem. A net népe ezt írja: "Melegfront akkor alakul ki, amikor a meleg légtömeg eléri a hideget. A könnyebb meleg levegő felsiklik a hideg légtömegre. A felsikló meleg levegő mozgása viszonylag lassú, ezért ún. réteges felhők és csendes, de kiadós csapadékhullás jellemző.". "A hidegfront érkezésekor a szél lökésszerűen viharossá erősödhet. Jellemző csapadékformája a zápor, zivatar, jégesővel kísérve. A front haladási sebessége általában 25–40 km/h. A térben nem mozduló, vagy igen lassan haladó hidegfront esetén a melegfronthoz hasonló időjárás és felhőzetek alakulnak ki." Ebből a csapadék és a szél szerintem jól mérhető. Ha kell, van MODBUS-os szélmérőnk és csapadékérzékelőnk is. Elég sokféle szenzorral dolgozunk. A légköri elektromosságot is biztosan lehet érzékelni valahogy. A többi pedig adatgyűjtés és megfigyelés. De erre már ott van a ChatGPT is, vagy a többi AI amitől lehet kérdezni statisztikákat is.
Bbb, Kameleon2
Ezekhez hasonló "magyarázatokat" én is találtam, de sajnos itt szó nincs valódi ok-feltárásról. A szél, az eső, a fel-le mozgó légtömegek, ezek találkozási éle, stb. mind-mind létező dolgok, de mi köze van ennek az emberek érzékenységéhez? A párom ki sem mozdul a szobából, tehát nem találkozik esővel, széllel, stb.-vel, de iszonyatos módon elszenvedi a frontváltozásokat. Ennek okát keresem. Pontosan tudni kellene milyen paraméter változik meg a szobában, és az hogyan hat az emberre. Mert ha tudnánk mi az, akkor talán befolyásolni is lehetne. Ismételve magam, olyan szinten nem találtam értékelhető indoklást, hogy már az is felmerült bennem, talán nem is tudjuk mi a valódi összefüggés.
Szerintem nem tudjuk mi a valódi összefüggés. Egyes állatok előre megérzik a nagy viharokat, állítólag a földrengéseket is.
Én hidegfronttól fáradt, a melegfronttól ingerlékeny vagyok. Meg kellene figyelni, hogy itt, a fórumon van-e összefüggés a fronthatásokkal és a topik jegelésekkel kapcsolatban.
Sziasztok!
Egy olvasható, értelmezhető szabadkézi rajz ilyen bonyolultságú alkatrésznél elégséges véleményem szerint. Üdv palp
Akkor még egy érdekesség. Amikor kérdeztem anno a természet gyógyászomat, mikor menjek legközelebb hozzá, azon gondolkodott, mikor is lesz a legközelebbi telihold - holdtölte. Kérdeztem, mi van akkor? Azt mondja van akit feldob, flottul érzi magát, van akit lelohaszt, kedvét szegi.
lehetséges, hogy a közeli előtte-utáni napok napközben is kihatnak ránk... Amikor egyszer családi körben szóba került, nővérem azt mondta, hiába van minden éjjel leárnyékolva egyébként is, teliholdkor igen rosszul alszik, érzi magát. |
Bejelentkezés
Hirdetés |










