Fórum témák
» Több friss téma |
Fórum » [OFF] Pihenő pákások témája - Elektronika, és politikamentes topik
Témaindító: Topi, idő: Nov 18, 2007
Pofás gép, ne hagyjad magad, szerezd vissza a karbidat!
Sziasztok. Autó alufelniről mivel lehet lemosni a rátapadt fékport? Nagyon rátapad, víz mosószer, nagynyomású mosó nem viszi. Van gyári spray erre, de valami egyszerű házi varázs módszer lenne jobb. Köszi.
Üdv mindenkinek! A régebbi privát üzenetek törlődnek automatikusan?
Igen. Lásd itt: Használat feltételei, II/7. pont:
Idézet: „A Szolgáltatáson belül működő Privát üzenet rendszerben tárolt három évnél régebbi üzenetek automatikusan törlődnek.”
Hideg zsíroldó általában leviszi.
tiggersoft válaszát kiegészíteném néhány tanáccsal.
Gumikesztű mindkét kézre! A kifújt permetet ne lélegezd be! Csupasz bőrre ne kerüljön a zsíroldóból! A zsíroldót fújd a felnire, várj pár másodpercet és ecsettel maszatold 5-10 másodpercig, majd azonnal öblítsd le alaposan.
Akkor ezért nem találok én is egy két üzenetemet?
granpa kért nyulas fotókat, mikor nálam járt ingyen elvihető cuccért.
Köszönöm, sajnos annyi idő nem volt rá mint szerettem volna. Egy zsír újat loptak rá amíg nem figyeltem. Igazából a V2 karbi is barátomtól jött, bontottan. Akkor is újat akart adni, de ezek már ereklyék, nem szabad lett volna felbontania a dobozt.
A hozzászólás módosítva: Aug 29, 2023
Az első nyuszi, az tiszta Grandpa
Szép estét mindenkinek.
Leporoltam egy Vortextor LED gömböt, müködik is még , csak nem találom a programját, nem tudok feltölteni képet rá. Esetleg ha valakinek megvan és ide adná nekem is megköszönöm.
Tisztelt fórumozók!
Ez egy fényképezőgép redőny, ami egy nagyon vékony (0,15mm) titán lemez. Az t kérdezem, valakinek van-e ötlete, hogyan lehet kisimítani ezt a lemezt.? Nem szedhető ki a gépből, de az objektív felől ( a túloldalon) alátámasztható. Van valakinek esetleg tapasztalata is ezzel kapcsolatban?
Tudtok ajánlani valami ingyenes, faék egyszerűségű online oldalt, ahol képekből videót lehet csinálni? Még hang sem kell hozzá.
Szia! Vagy a síma háztartási sósav, természetesen a balesetvédelem, gumikesztyű , fröccsenés elleni védelem mindenekelőtt.
Én évek óta ezzel pucolom ( bocs a többiektől a zsíroldó nekem nem jött be , lúgos kémhatású és megb....ta a felni felületet..) a felniket. Ecsettel jól körbe kenem , 1-2 perc várakozás , bő vízzel öblítés és szép lesz a felni. Az ecset utánna kidobós lesz , de ennyit megér szerintem....
Azt gondolnám, a sósav marja meg a felületet. Akkor mégsem, olyan rövid idő alatt míg jól lemosom.
Köszi mindenkinek a választ. A hozzászólás módosítva: Aug 31, 2023
Görgök között, de ha megnyúlik az baj. A titán előnxe itt hogy könnyű. Ki tudja melyik ötvözete...
Szia! Az ecsetelés után szinte azonnal mosható , szerintem valami vegyi akció is lezajlik , mert a fekete trutyi (sósav+ fékpor ) már a betonon sem pezseg annyira. Minde esetre ÓVATOSAN a savval!!!!
Üdvözlet!
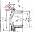
Azt szeretném megkérdezni, hogy a hozzászólásomhoz csatolt rajzon látható alkatrészen milyen menet van? Sajnos nekem nem egyértelmű a jelölése. Köszönöm a segítséget előre is.
Szerintem 1 colos csőmenet. Annak a külső átmérője nagyjából 33mm.
Igen, erre gondoltam én is, de akkor a rajzot nem helyesen csinálták, mert azon van 32 milliméteres átmérő is, és az nagyobb, mint a menet külseje.
A 32-es átmérő biztosan hibás. A menet belső átmérője 29,7mm-nek van felvéve, ahhoz képest a furatok biztosan nem 1mm-rel vannak kijjebb. Ha jól számolok akkor annak 36mm körül kéne lennie ha a többi méret passzol.
A 42-es külső átmérőből számoltam vissza, a furatok átmérője 4mm. A hozzászólás módosítva: Szept 3, 2023
A 32-es átmérő jó mivel a furatok nem átmenők, ott van még 4mm anyag, ami a tömítő gyűrűn keresztül tömít.
Idézet: „a furatok átmérője 4mm.” ![]() Ez valóban jó megfogalmazás -4-es furatra...
Nem értem. Szerintem a furatok átmérője 4 mm és a metszeti képen látszik, hogy egymással szemben vannak. Nem átmenő ezt sehol nem is írtam, gondolom körmös kulcsnak van.
Mellékelem hogy miért gondoloma 36mm-t. A hozzászólás módosítva: Szept 3, 2023
Jó. Annyira az eredeti átmérőről volt szó, hogy nem figyeltem fel rá: van ott még 4-es furat IS.
Nem is megyek bele tőbbé ilyen vitába: kutya-e, avagy macska? Á, fekete. ![]() (Én hibám, hogy nem figyeltem) A hozzászólás módosítva: Szept 3, 2023
|
Bejelentkezés
Hirdetés |

















