Fórum témák
» Több friss téma |
Fórum » Napelem alkalmazása a lakás energia ellátásában
Témaindító: Router, idő: Júl 15, 2006
Témakörök:
Az nem baj, nálam is sziget lesz. A programon meg már valószínű, hogy én is tudnék faragni, ha valami változás kell. Feltéve, ha arduinos, mert a PIC-hez nem értek.
PIC-re készült a program, nem űrtechnika. PIC küldi:
Oks, azt lementettem. Ha nem jön össze a PC kapcsolat (vagy lesz unatkozós időm),
ránézek komolyabban és tervezek hozzá egy ardu kijelzőt.
Egy barátom vastag hajosköteleket kötött a panelek felsö széléhez és ugy huzza le a havat.
Nem csodálom, arra hó nélkül se sok mehet, hiszen ilyenkor az éle kapja a napot.
Nálunk pár napja esett rá 12 centi, de a 45 fokos szerelésről nem kellett takarítanom mert másnap az egész egyben lecsúszott róla.
Nálam most ez van, borult, felhős idő, de szűrődik át annyi fény a felhőn hogy van 202W bejövő. Mondjuk ezzel nem lesz tele az akku, de legalább kijön az inverter bypass-ból és megy majd néhány órát hálózat nélkül, az is több mint a semmi.
Nekem csak ennyi jön be. .2.8kw rendszer
Jövőre duplázom majd Az aksi direkt töltve van mert 1-2 hetente van áramszünet A hozzászólás módosítva: Dec 10, 2023
Nem kell aggódnod. A Schracknál most van éppen akcióban ilyen napelem és az áraik is nagyon kedvezőek - legalábbis a törzsvásárlóknak. Ráadásul nem kapugaranciás.
Mivel törzsvásárló sem vagyok, és áfa visszaigénylésre jogosult sem, így nem aggódom.
A feltüntetett árak pedig nettóban értendők. Ha jól látom szállítás szintén csak raklappal. Idézet: „...csak palettán szállítható, 36 db / paletta...” Nevéből ítélve a jófogáson is szokta hirdetni termékeit. Mindenesetre ennek legalább van nyíregyházi telephelye, holnap bemegyek szétnézek. Ui.: Egyébként raktáron 0 van, szóval gyanítom ő is csak rendelésre berendeli külföldről. Azt én is meg tudnám tenni, ha találnék jóárasított külföldi webshopot vállalható szállítási költséggel. A hozzászólás módosítva: Dec 10, 2023
Újabb kérdés.
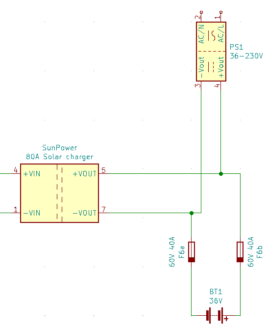
Ha külön egység a töltésvezérlő és az inverter, hogy érdemes betenni az automata biztosítókat? (Nem találtam kimondottan rajzjelet hozzá, úgyhogy helyettesítettem.)
Én a napelem után tennék közvetlenül, és közvetlen az akksi után, mivel ezek az "áramforrások" amiket/amiktől védeni kell
Akkor mutatom az egészet, ott már van...
Töltő mögé azért gondoltam, hogy leválasztható legyen a DC oldal is.
Szia!
Igen igy jó. lehetne az extra szuper Az akkuhoz is 2db-t betenni . Gyári amerikai rajzokon mindenütt 1-1 db biztositó szerepel a negativ ágakban. Feltehetőleg ugy is jó.
Van palettás és van darabos is.
A hozzászólás módosítva: Dec 12, 2023
Na sajnos a WachPower nem látja. Viszont kipróbáltam a serial port monitorral, és jön egy csomó adat a töltésvezérlőből. Sajnos a progi free, így a soros küldés nem elérhető. Lementettem két fájlba a bejövő adatokat, ki tudsz ezekből hámozni valamit?
Ui.: Mivel *.html fájlt nem lehet feltölteni, a kiterjesztés végére tettem egy aláhúzást, azt törölni kell.
A soros porton vett adatokra úgy tekintettél, (vagy a program, amivel nézted), mintha Modbus protokoll szerinti adatfolyam lenne. Ennek kicsi a valószínűsége de a program megpróbálta elrendezni az adatokat és kellően összezavarta őket ahhoz, hogy értelmezni lehessen.
Ha tudod, kapcsold ki a Modbus protokoll szerinti dekódolást és csak a nyers adatokat mentsd, annak valószínűleg több értelme lesz. Hasonlóan, mint ahogy én is mentettem. Ha a program nem támogatja, mindenképpen Modbus protokoll szerint rendezi, használj másik Terminal programot.
Mentek holnap egy olyat is. Addig is ezt küldte az easun, szóval elvileg modbus pedig. Legfeljebb még valami nincs jól beállítva. Mindenesetre 9600bps -t választottam sebességnek. Ez van a kézikönyvben is, a beállításokat onnan néztem.
Soros port kimenetét elvben minden tűs nyomtató, aminek van soros bemenete, kinyomtatja. Nem lehet annyira bonyolult.
ESPHome próbáld ki. A termék amit belinkeltél ott van egy hozzászólás ott olvastam hogy azzal használja.
A html fájl megfejtése eléggé egyszerű.
Nagy indián formátum, hexadecimálisan és binárisan. Például: Value 45 -> Coils 128-135: 10100010 A baj mindig ott szokott lenni, hogy nem tudjuk melyik bájt melyik bitje mit jelent (és ritkán osztják meg, visszafejteni meg macerás).
Sziasztok! Ha MODBUS-t akartok használni, érdemes megbízható programokkal szöszölni. De ez nem zárja ki, hogy ingyenes legyen. A Schneider oldaláról letölthető szoftvert használom napi szinten. Fapados, de teljesen jól teszi a dolgát. Schneider MODBUS tester. Ugyanígy - bár nem annyira stabil, de a hibákat is jól tudja jelezni ez a lengyel program: MODBUS.PL tester.exe . De sokszor jól jön a Chipkin CAS MODBUS scanner is. Van újabb master és slave szimulátor is, aminek szintén van hibajelző ablaka: MODBUS TOOL. Ha csak a kommunikáció a feladat, arra egész jól lehet a Hterm-et is használni. Nekem azért tetszik, mert ismételni is tudja a táviratokat és többféleképpen is meg tudja jeleníteni az információkat. Le is tudja klónozni a MODBUS táviratot. Hterm terminal program. Van egy online felület is, ami segít a táviratok értelmezésében: NPULSE MODBUS Online analyzer. CRC számításhoz segédlet: MODBUS CRC16 Code. Ha pedig nem szeretsz számolgatni, ez is jól jöhet: Online CRC calc.
Szerintem ezt már egyszer említetted (vagy lehet más volt), de még mindig ott tartok, hogy arduinoval csinálnám, ahhoz legalább valamit én is hozzá tudok szagolni, az ESP-vel ellentétben.
Megnézem ezeket a progikat is, de most néztem pár videót evvel kapcsolatban, és lehet a kézikönyv lesz a hibás, mert ott 9600bps-t írnak, de egyébként meg 2400bps- el másnak sikerült hozzáférni inverterhez. Szóval lehet vakvágányon jártam. De ez már csak holnapra marad.
A hozzászólás módosítva: Dec 21, 2023
2 év alatt 254.879Ft fizettem ki áramra.
1.4 millió ft fizettem ki a rendszerre 11 év alatt térül meg. Nyáron nem klímáztam amíg nem volt napelem. Mikor használtam akkor is 5-5 kwh megevett. De muszáj volt. Ez két év alatt 3-5 nap volt. A klima már nem férne bele a kedvezményes árba már. Hogy meg e érte anyagilag? Ha megélem akkor igen. Ha nem akkor is jól van az úgy mert a klímát használhatom fagyásig.
Azt is belekalkuláltad, hogy az akkupakkod nem biztos hogy kibírja addig, és lehet hogy a 9. vagy a 10. évben egy új akkupakkot kell venned? És ez igaz lehet az inverterre is. Nem tudom a tiédben van-e pl. fordulatszabályozó a ventilátoron, vagy hőfokszabályozós-e a működése, az enyémnek nem. Tehát az van, hogy a venti 0 fokban is megy teljes gőzzel ha terhelés van, teljesen feleslegesen mert valószínűleg jéghideg az inverterben belül minden, szóval ez így nem 11 de 3 évet sem fog menni szerintem és megmakkan a ventilátor.
Idézet: „2 év alatt 254.879Ft fizettem ki áramra.” Havi 30+...
A kikapcsolt állapoton felül legalább még 3 de talán 4 fokozat is van rajta. Azaz nem megy mindig a venti. Terhelés függően megyeget de lehet hogy hőmérséklet is. De nem vagyok ebben biztos. . Bármi megeshet persze sőt akár 1 perc múlva az inverter is leszakadhat a falról. Amúgy nekem első sorban nyáron fog sokat jelenteni hogy van napelem. A hőség miatt nem kell szenvednem. Az már egy nyerő dolog. Most nyáron megmértem a fogyasztást. Napi 5kw simán megeszik a klíma a kb 700w fogyasztásával napi 8-9 órás üzem alatt.
Azért az igbt tud ám melegedni rendesen. Nem véletlenül van akkora szárnyai. Amúgy valószínűleg előbb fogom bedobni az unalmast mint a napelemes rendszer. Második stádiumban volt a rák mire megtalálták. A nyarat a kezelés alatt csináltam végig. Ez lesz az első karácsonyom és ha meglesz az ötödik talán akkor megélem hogy tönkremegy. Mikor elkezdtem a napelem építést még az is kétséges volt hogy be e tudom fejezni.
Az úgy kemény. Durván 900kwh ment el havonta? Akkor neked megérheti egy napelem biztosan már. Még akkor is ha csak csökkenti a kiadásokat.
Nem sokból tart összedobni egy hőfokfüggő ventilátor szabályozást utólag.
Egyébként egy (vagy kettő) ventilátor csere két három évente nem kéne, hogy földhöz vágjon. |
Bejelentkezés
Hirdetés |





Nálunk pár napja esett rá 12 centi, de a 45 fokos szerelésről nem kellett takarítanom mert másnap az egész egyben lecsúszott róla. 







