Fórum témák
» Több friss téma |
A bemenetek lehetnek áram és feszültség bemenetek. Ötleted van, mit várhat a bemenete az ECU-nak a szenzortól?
A második amit kérdezel, csak tipp (egy fesz osztóhoz minimum 3 pont kell ugye, egy be, egy közös GND és egy ki). A hozzászólás módosítva: Márc 2, 2023
Sziasztok valaki megtudná mondani miért nem kap áramot az A/C pumpa abisztositék az jo
Kicsit pontosítanod kéne a típust hogy a hozzáértők megszakértsék mert pl. : az MK3-ban volt hozzá relé is az áramkörben.
1997 szuzuki swift 1.3 glxsedan
A hozzászólás módosítva: Ápr 7, 2023
Nekem céges volt 99-es Swift, ott, ha jól emlékszem még, akkor a következő linken találhatóak alapján volt gyártva.
(11) -- Fuel pump
Hát ez nyilvánvalóan nem egyezik az általam ismerttel...
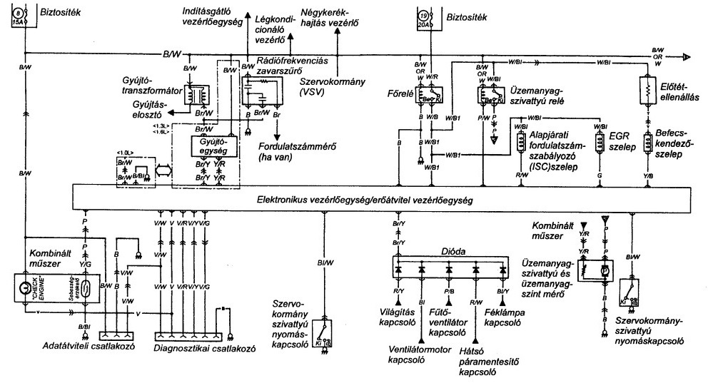
Szia! Ezek a rajzok talán segítenek a hibakeresésben.
Sziasztok!
Swift 2005- s. Gyári távirànyitóval szerelt. Központizàrról kellene egy kapcsolàsi rajz-- csomagtérnyitó részröl is. Köszi minden segitséget! Üdv C.
Szia!
Ezt találtam... Üdv: Gábor
Szia!
Nagyon szépen kószönöm.., csomagtényitás volt aktuális.., azt hiszem sikerült értelmeznem..., Tehát , Ha O05 kapcsolót Megnyomom , az testet ad be a BCM- nek.., az meg +12V- t kapcsol ki a O04 csmomagtérnyitó motornak. Üdv Laci
Szia!
Remélem meg lesz a hiba. A csatlakozások elég kritikusak meg a testelés is. Nem elég azt megnézni megvan-e a 12 volt a test is megvan-e? Lassan minden az elektronikákon keresztül kapcsolódik sok vezetékkel. Üdv: Gábor
Sziasztok.
1.5 suzuki swifthez vvt hol kaphatok vss (kilóméter jeladó) csatlakozót? Nagyon sok oldalt néztem, de nem merem megrendelni, mert nem teljesen olyan. Köszönöm a segítséget.
Sziasztok!
Négy évvel ezelőtt vettem egy 1996-os 1.0-ás Swiftet. Ezidő alatt párszor előfordult hogy nehezen akart elindulni. Ezen kívül semmi baja nem volt, sehol nem hagyott ott. Három héttel ezelőtt pár kilométer után megállt. Sehogy sem akart elindulni. Bevitettem szervízbe. Kis idő múlva arra jutottak hogy injektort kell cserélni, nem kap üzemanyagot a motor. Ezután kiderült hogy jó az injektor, egy másik motorban elindult. Kiderült hogy valamikor volt az autóban indításgátló, viszont most már csak a kábele van meg és az okoz problémát, valamelyik szál, az akadályozza meg hogy működjön az injektor. Valami ilyesmit mondtak. Ezt kell kivizsgálniuk. Mivel nincs róla dokumentáció hogyan kötötték be. Van valakinek erről dokumentációja? A hozzászólás módosítva: Jún 12, 2023
Ne az idításgátlóval foglalkozz. Keress rajzot az autóhoz. Aztán mindent állíts vissza eredetire.
A hozzászólás módosítva: Jún 12, 2023
Nem ad gyújtást az autó és a műszerfalon sem gyullad ki semmi.
Sziasztok! Az autó Suzuki Swift 1.3, 2000-es évjárat, ferdehátú. Ki volt rohadva az üzemanyag beöntő cső felső része, így azt kicseréltük. A 2 hátsó dobfék fékfolyadék munkahengeréből jött az olaj és ráment a dobfék alkatrészeire is. Cseréltük a munkahengert és a fékpofákat is. Lecseréltük a fékfolyadékot is és légtelenítettük a hátsó fékeket. Közben megnéztük, hogy a motortérben lévő biztosítékok rendben vannak e. Talán nem kellett volna, talán nincs befolyással rá, de kihúztunk párat, aztán visszadugtuk. Nem voltak kiégve. Az autóba betéve a kulcsot se gyújtást nem produkált, se nem írt ki semmit a műszerfalon. A jobb oldali kesztyűtartó mögül halk sípolás hallatszódott és ahogy kivettem a kulcsot úgy meg is szűnt. Megnéztem az akkut, de nem az a baja, van érintkezés. Van indításgátló az autóban. Van hozzá egy kis 10 amperes biztosíték, amit a kormány alá dugva ki lehet kapcsolni az indításgátlót. Ez is megtörtént, de semmi jelet nem adott az autó. A kormány alatti biztosítékok nincsenek kiégve szemrevételezés alapján. Ennyit tudtam megnézni, mivel azt az ampermérős ketyerét nem tudom használni mérésre. Mik lehetnek a hiba okai? Van valakinek valami ötlete? Köszönöm.
Idézet: „Ennyit tudtam megnézni, mivel azt az ampermérős ketyerét nem tudom használni mérésre.” Idézet: „Mik lehetnek a hiba okai? Van valakinek valami ötlete?” Egyem a lelked! Mivel akarsz villamos hibát keresni, fabottal? Kezdjük az elején! Akku jó??
Az akku biztosan jó, szerelés előtt indult az autó és nem is régi az akku.
Tervben van egy villamossági szakember, csak attól függ mikor lesz ideje, ugyanis az autó nem indul, nem ad gyújtást és semmi hangot. Egyedül a kulcs bedugása után a jobb oldali kesztyűtartó mögül jön egy érdekesen halkan szakaszosan sípoló jel, ami a kulcs kihúzása után megszűnik.
Ha világítás sincs, akkor a babrált biztosíték aljaztok valamelyik érintkezője lehet a gond. De azért a fő kábeleket is érdemes megnézni.
Azokat megnézetném a szerelővel mindenképp.
Több furcsa dolgot is csinált már az autó, bár nem figyeltem rá oda eléggé. Régóta világít a check engine felirat a műszerfalon és az folyamatosan világít is mindig mikor beindítom az autót. Alapjáraton is egyenetlenül jár az autó. Nincs tiszta alapjárata neki. Kissé remeg a sebességmérő állása. Ezt találtam az egyenetlen alapjáratról, bár ezen kívül is millió baja lehet. "Egyenetlen motorjárás - a common rail injektorok legfontosabb jellemzője a szállított üzemanyag mennyisége. Nincs két pontosan egyforma szállítású injektor, de a motorvezérlő (ECU) bizonyos határokon belül képes kikorrigálni az egyes injektorok közötti eltéréseket. Azonban, ha az eltérés már olyan nagy, hogy azt a vezérlés már nem képes korrigálni, akkor a motor egyenetlenül fog járni. Ezt a problémát jellemzően az injektor fúvóka vagy az injektor mágnesszelep hibája okozza." Most néztük az autót az akksit leszívja valami, ugyanis 1 hónapja töltöttem fullra és mentem is vele minden héten, nem kellett volna egy másfél hetes szerelés után lemerülni. A hozzászólás módosítva: Feb 9, 2024
Tégy be egy biztosan töltött akkut, akár másikat is, addig nem érdemes ezen tovább görcsölni, míg ez nincs kizárva. Ezután lehet majd nekiállni megkeresni, hogy mi szívja le az akkut.
Idézet: „Régóta világít a check engine felirat a műszerfalon és az folyamatosan világít is mindig mikor beindítom az autót. Alapjáraton is egyenetlenül jár az autó.” Üzemanyagszivattyú, üzemanyagszűrő és üzemanyagcső eltömődés. Akár egyben is huszonéves autónál. (miközben a "CHECK ENGINE" miatt feszt katalizátort akartak a nejemmel cseréltetni). Csak nem cseréltette. Egyszercsak elkezdett a szivattyú ki-bekapcsolgatva járni, és nehezebben indulni. És lemerülőben volt az akku -hallhatóan.(előtte is már háromszori felpumpáltatás után volt rendes alapjárat, egyébként egyenetlen volt). Először vettünk szűrőt, nem lett jobb. Vettünk üzemanyagszivattyút, beszerelték, rosszabb lett mint volt. Kitisztították a csöveket is: szuper. ÉS(!!!!) nem volt többé "CHECK ENGINE" lámpa... Ez DaewooMatizzal esett meg. Azelőtt: RenaultMaster (ami véletlen sem huszonéves) egyszercsak fuldoklott, meg-megállt, bindítani is nehéz volt, hallhatóan kínlódott az üzemanyagszivattyú. És pont úgy jártam: az akkut is lemerítette, mentést kellett hívnom. (a Masternek érdekesebb üzemanyagszivattyúja van, 72 litert rátankoltam a 100 literes tankba, külső akkuról beindítottuk, ment, mint a nyúl. Aztán tanktakarítás, mostmár lemehetek jobban, tegnap 86 litert tankoltam. És a hibaüzenet is NAGYON távolról célozta a lényeget: "CHECK EMISSION"...) A hozzászólás módosítva: Feb 9, 2024
Remélem maradhat a kérdésem.
![]() Történet. Szerintettek egy benzinszivattyú tönkremehet úgy , hogy érezni lehessen a "túlmelegett szagát"? Egy Suzuki Wagon R+ 2001 évjáratról lenne szó. Nem az enyém, családtagomé. A múlt héten is leállt az autó menet közbe. Szépen lassan tik-tik-tik. A szerelő nem talált hibát. Azt mondta ,hogy szépen indul nincs baj. Ma ismét leállt az autó, ugyan úgy. Amikor leáll, akkor az összes izzó felvillan a műszerfalon egy kicsit rángat, de semilyen visszajelző nem marad égve. Azt mondta a családtagom, hogy a múlt héten, és most is tankolva lett a kocsiba.Ezzel lehet összefüggésbe a benzinszivattyú hibája? A múltkor rögtön indult a leállás után. A szerelőhöz minden gond nélkül elment. De ma nem volt hajlandó elindulni. Mire a szerelő kiért a kocsihoz, kb 1. óra múlva, a kocsi rendesen elindult és el is vezette műhelybe. Megnézi. Vagy inkább elektromos probléma lehet? Tudom így nagyon nehéz bármit is mondani. De csak kíváncsiságból kérdezném. A hozzászólás módosítva: Márc 11, 2024
Szia! Hibakódot kellene nézni. Egy ELM is jó neki és "szuzi"-t kell kiválasztani, mert wagon az nincs benne.
Azt majd a szerelő, csak tudja mit csináljon.
A benzinszivattyúra gyanakszik.
Az szerintem nem okoz a műszerfalon kijelző felvillanást.
Kicserélte a szivattyút. Nem lett jó az az autó. A családtagomtól közben megtudtam, hogy egy ideje kicsit rángat, ráz az autó alapjáraton álló helyzetben és menetközben is. Ez persze lehet attól, hogy öreg az autó. A fordulatszám mutató is mozog egy kicsit. A lámpák is kicsit pislognak. Álló helyzetben a gáz teljesen benyomva szépen felpörög a motor. De amikor lemegy 1000 az alapjárati fordulatszám, akkor egy pár másodperc múlva 800 lesz.Ezt csinálja menet közben is egy kicsit felmegy a fordulat kb. 3000-ig, és onnan kezd leállni. Állítólag 5-ösben csak 60 -70 km/h megy csak. Ezt elmondta a szerelőnek is. De ezeket szerintem nem vette figyelembe.
![]() Az esetleg mit jelenthet, hogy felvillant az összes lámpa? A hozzászólás módosítva: Márc 11, 2024
A történetnek vége lett.
A gyertyák kicserélésével a hiba megoldott, a szerelő ma ellenőrizte a motort, mert a szivattyú újra kicserélése sem oldotta meg a gondot. Így visszakerült hozzá a kocsi. De nem baj, lett egy új benzinszivattyú, igaz drágább volt mint a gyertya.
A lámpák villogására nem magyarázat a gyertya hibája.
|
Bejelentkezés
Hirdetés |














